diagram INFINITI FX35 2004 Repair Manual

INFINITI FX35 2004 Repair Manual FX35 2004 INFINITI INFINITI https://www.carmanualsonline.info/img/42/57021/w960_57021-0.png INFINITI FX35 2004 Repair Manual

Page 811 of 4449

INFINITI FX35 2004 Repair Manual BL-4Revision: 2004 November 2004 FX35/FX45Diagnostic Procedure 5  ........................................205
VEHICLE SECURITY HEADLAMP ALARM 
CHECK ...................................................

Page 813 of 4449

INFINITI FX35 2004 Repair Manual BL-6
PRECAUTIONS
Revision: 2004 November 2004 FX35/FX45
Wiring Diagnosis and Trouble DiagnosisAIS004LB
When you read wiring diagrams, refer to the following:
GI-15, "How to Read Wiring Diagrams"
PG-

Page 834 of 4449

INFINITI FX35 2004 Repair Manual POWER DOOR LOCK SYSTEM
BL-27
C
D
E
F
G
H
J
K
L
MA
B
BL
Revision: 2004 November 2004 FX35/FX45
Wiring Diagram -D/LOCK- (With Intelligent Key)AIS004LS
FIG. 1
TIWM0421E

Page 840 of 4449

INFINITI FX35 2004 Repair Manual POWER DOOR LOCK SYSTEM
BL-33
C
D
E
F
G
H
J
K
L
MA
B
BL
Revision: 2004 November 2004 FX35/FX45
Wiring Diagram -D/LOCK- (Without Intelligent Key)AIS004LU
FIG. 6
TIWM0322E

Page 868 of 4449

INFINITI FX35 2004 Repair Manual REMOTE KEYLESS ENTRY SYSTEM
BL-61
C
D
E
F
G
H
J
K
L
MA
B
BL
Revision: 2004 November 2004 FX35/FX45
Wiring Diagram — KEYLES—AIS004ME
FIG. 1
TIWM0328E

Page 903 of 4449

INFINITI FX35 2004 Repair Manual BL-96
INTELLIGENT KEY SYSTEM
Revision: 2004 November 2004 FX35/FX45
Wiring Diagram — I/KEY—AIS004MZ
TIWM0426E

Page 974 of 4449

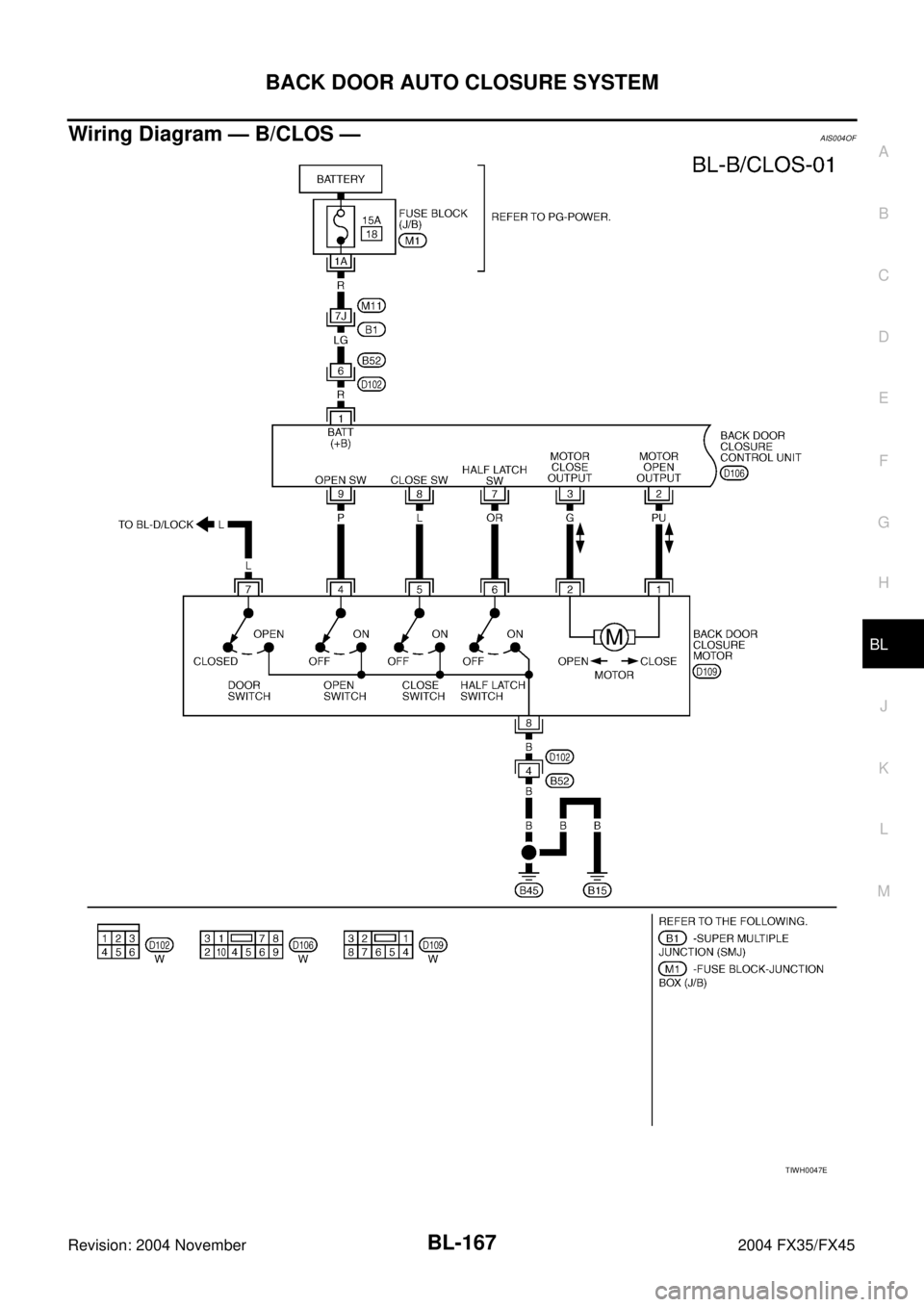
INFINITI FX35 2004 Repair Manual BACK DOOR AUTO CLOSURE SYSTEM
BL-167
C
D
E
F
G
H
J
K
L
MA
B
BL
Revision: 2004 November 2004 FX35/FX45
Wiring Diagram — B/CLOS —AIS004OF
TIWH0047E

Page 994 of 4449

INFINITI FX35 2004 Repair Manual VEHICLE SECURITY (THEFT WARNING) SYSTEM
BL-187
C
D
E
F
G
H
J
K
L
MA
B
BL
Revision: 2004 November 2004 FX35/FX45
Wiring Diagram -VEHSEC-AIS004OX
TIWM0334E

Page 1016 of 4449

INFINITI FX35 2004 Repair Manual IVIS (INFINITI VEHICLE IMMOBILIZER SYSTEM-NATS)
BL-209
C
D
E
F
G
H
J
K
L
MA
B
BL
Revision: 2004 November 2004 FX35/FX45
Wiring Diagram – NATS –AIS004PE
MODELS WITH INTELLIGENT KEY SYSTEM
TIWM0422E

Page 1035 of 4449

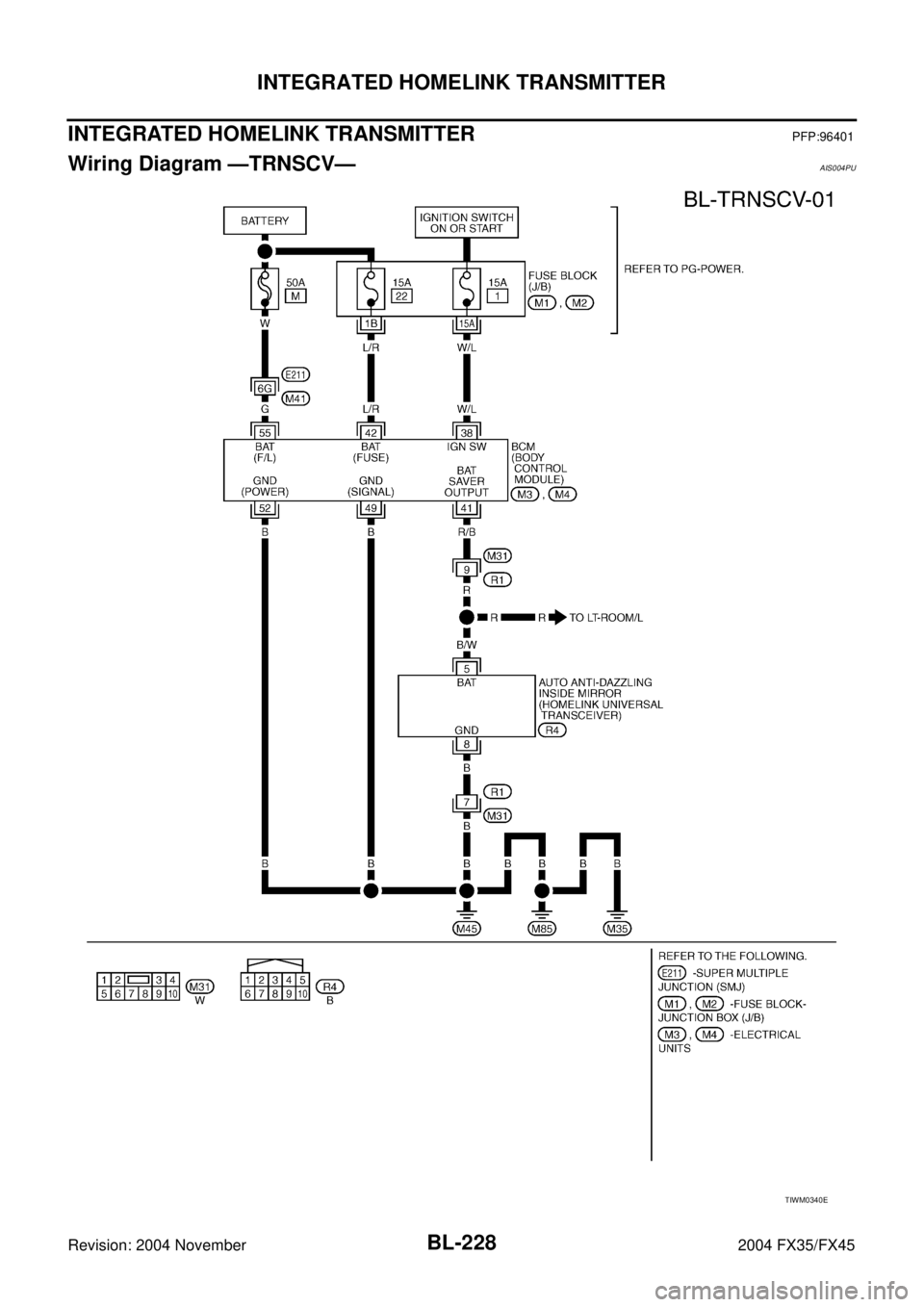
INFINITI FX35 2004 Repair Manual BL-228
INTEGRATED HOMELINK TRANSMITTER
Revision: 2004 November 2004 FX35/FX45
INTEGRATED HOMELINK TRANSMITTERPFP:96401
Wiring Diagram —TRNSCV—AIS004PU
TIWM0340E