sensor INFINITI FX35 2004 Service Manual

INFINITI FX35 2004 Service Manual FX35 2004 INFINITI INFINITI https://www.carmanualsonline.info/img/42/57021/w960_57021-0.png INFINITI FX35 2004 Service Manual

Page 2275 of 4449

INFINITI FX35 2004  Service Manual EC-934
[VK45DE]
DTC P0181 FTT SENSOR
Revision: 2004 November 2004 FX35/FX45
Diagnostic ProcedureABS00C46
1. CHECK GROUND CONNECTIONS
1. Turn ignition switch OFF.
2. Loosen and retighten three ground s

Page 2276 of 4449

INFINITI FX35 2004  Service Manual DTC P0181 FTT SENSOR
EC-935
[VK45DE]
C
D
E
F
G
H
I
J
K
L
MA
EC
Revision: 2004 November 2004 FX35/FX45
4. DETECT MALFUNCTIONING PART
Check the following.
Harness connectors B1, M11
Harness for open o

Page 2277 of 4449

INFINITI FX35 2004  Service Manual EC-936
[VK45DE]
DTC P0181 FTT SENSOR
Revision: 2004 November 2004 FX35/FX45
Component InspectionABS00C47
FUEL TANK TEMPERATURE SENSOR
1. Remove fuel level sensor unit.
2. Check resistance between “f

Page 2278 of 4449

INFINITI FX35 2004  Service Manual DTC P0182, P0183 FTT SENSOR
EC-937
[VK45DE]
C
D
E
F
G
H
I
J
K
L
MA
EC
Revision: 2004 November 2004 FX35/FX45
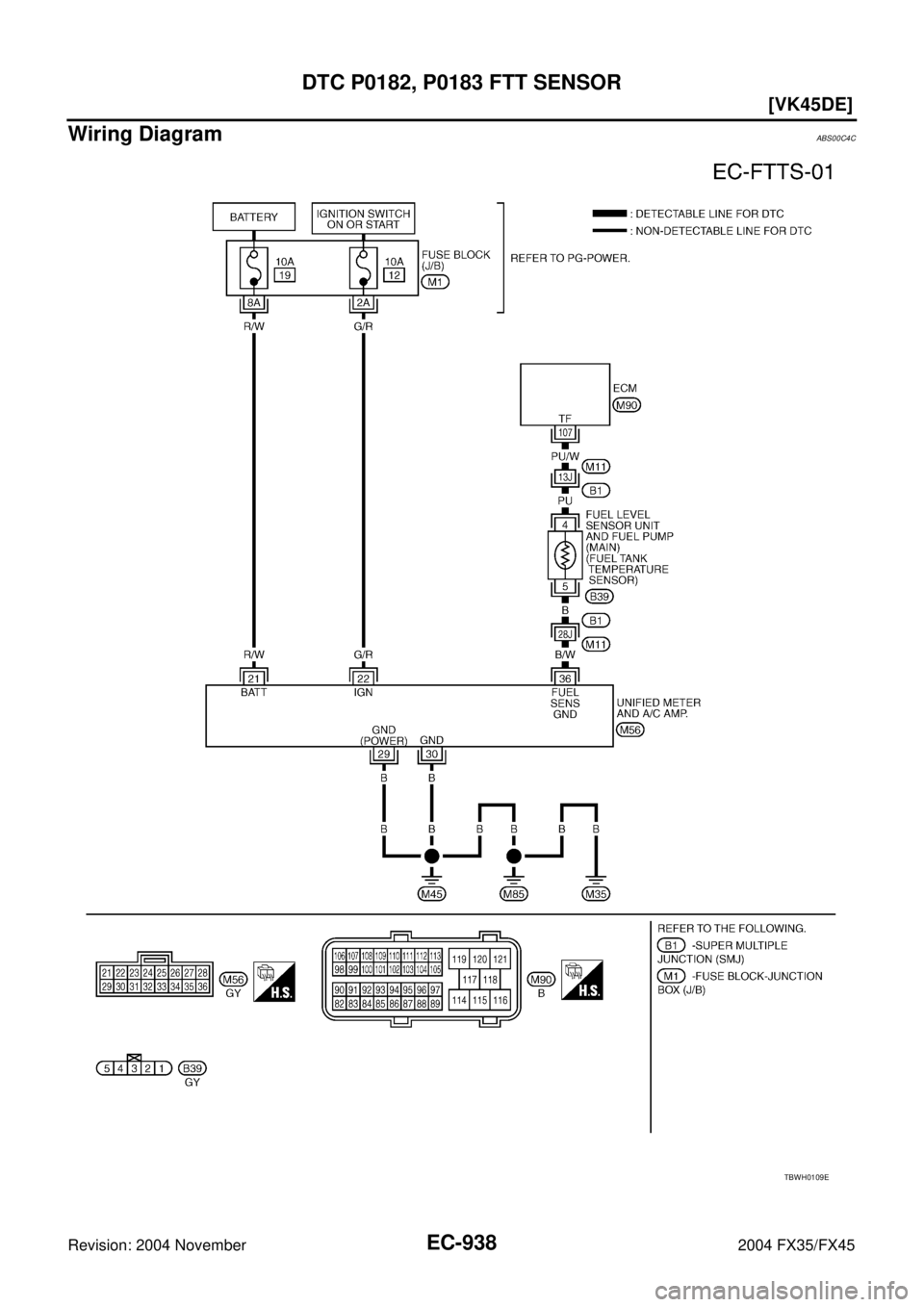
DTC P0182, P0183 FTT SENSORPFP:22630
Component DescriptionABS00C49
The fuel tank temperatur

Page 2279 of 4449

INFINITI FX35 2004  Service Manual EC-938
[VK45DE]
DTC P0182, P0183 FTT SENSOR
Revision: 2004 November 2004 FX35/FX45
Wiring DiagramABS00C4C
TBWH0109E

Page 2280 of 4449

INFINITI FX35 2004  Service Manual DTC P0182, P0183 FTT SENSOR
EC-939
[VK45DE]
C
D
E
F
G
H
I
J
K
L
MA
EC
Revision: 2004 November 2004 FX35/FX45
Diagnostic ProcedureABS00C4D
1. CHECK GROUND CONNECTIONS
1. Turn ignition switch OFF.
2. Lo

Page 2281 of 4449

INFINITI FX35 2004  Service Manual EC-940
[VK45DE]
DTC P0182, P0183 FTT SENSOR
Revision: 2004 November 2004 FX35/FX45
4. DETECT MALFUNCTIONING PART
Check the following.
Harness connectors B1, M11
Harness for open or short between ECM

Page 2282 of 4449

INFINITI FX35 2004  Service Manual DTC P0182, P0183 FTT SENSOR
EC-941
[VK45DE]
C
D
E
F
G
H
I
J
K
L
MA
EC
Revision: 2004 November 2004 FX35/FX45
Component InspectionABS00C4E
FUEL TANK TEMPERATURE SENSOR
1. Remove fuel level sensor unit.

Page 2283 of 4449

INFINITI FX35 2004  Service Manual EC-942
[VK45DE]
DTC P0222, P0223 TP SENSOR
Revision: 2004 November 2004 FX35/FX45
DTC P0222, P0223 TP SENSORPFP:16119
Component DescriptionABS00C4G
Electric throttle control actuator consists of throt

Page 2284 of 4449

INFINITI FX35 2004  Service Manual DTC P0222, P0223 TP SENSOR
EC-943
[VK45DE]
C
D
E
F
G
H
I
J
K
L
MA
EC
Revision: 2004 November 2004 FX35/FX45
DTC Confirmation ProcedureABS00C4J
NOTE:
If DTC Confirmation Procedure has been previously c