INFINITI FX35 2005 Service Manual

INFINITI FX35 2005 Service Manual FX35 2005 INFINITI INFINITI https://www.carmanualsonline.info/img/42/57020/w960_57020-0.png INFINITI FX35 2005 Service Manual
Trending: remote start, low beam, turn signal, tire size, gas mileage, wheel bolts, fuse box diagram

Page 4351 of 4731

INFINITI FX35 2005  Service Manual RF-12
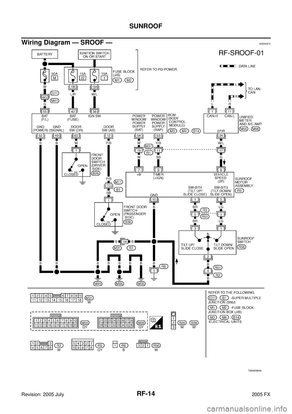
SUNROOF
Revision: 2005 July 2005 FX
ANTI-PINCH FUNCTION
The CPU of sunroof motor monitors the sunroof motor operation and the sunroof position (fully-closed or 
other) by the signals from sunroo

Page 4352 of 4731

INFINITI FX35 2005  Service Manual SUNROOF RF-13
C 
D  E 
F 
G  H 
J 
K  L 
M  A 
B
RF 
Revision: 2005 July  2005 FX
CAN Communication System DescriptionAIS003LO
CAN (Controller Area Network) is a serial communication line for real tim

Page 4353 of 4731

INFINITI FX35 2005  Service Manual RF-14
SUNROOF
Revision: 2005 July 2005 FX
Wiring Diagram — SROOF —AIS003CV
TIWM0984E

Page 4354 of 4731

INFINITI FX35 2005  Service Manual SUNROOF RF-15
C 
D  E 
F 
G  H 
J 
K  L 
M  A 
B
RF 
Revision: 2005 July  2005 FX
Terminals and Reference Value for BCMAIS003CW
Terminals and Reference Value for Sunroof Motor AssemblyAIS003CX
Termina

Page 4355 of 4731

INFINITI FX35 2005  Service Manual RF-16
SUNROOF
Revision: 2005 July 2005 FX
Work FlowAIS003CY
1. Check the symptom and customers requests. 
2. Understand the outline of system. Refer to   RF-11, "
System Description" . 
3. According

Page 4356 of 4731

INFINITI FX35 2005  Service Manual SUNROOF RF-17
C 
D  E 
F 
G  H 
J 
K  L 
M  A 
B
RF 
Revision: 2005 July  2005 FX
6. Touch “RETAINED PWR”. 
7. Select diagnosis mode. 
“ACTIVE TEST”, “WORK SUPPORT” and “DATA MONITOR”

Page 4357 of 4731

INFINITI FX35 2005  Service Manual RF-18
SUNROOF
Revision: 2005 July 2005 FX
Trouble Diagnosis Chart by SymptomAIS003D0
Power Supply and Ground Circuit Check of BCMAIS003D1
1. CHECK FUSE
Check 15A fuse [No.1, located in the fuse block

Page 4358 of 4731

INFINITI FX35 2005  Service Manual SUNROOF RF-19
C 
D  E 
F 
G  H 
J 
K  L 
M  A 
B
RF 
Revision: 2005 July  2005 FX
3. CHECK GROUND CIRCUIT 
1. Turn ignition switch OFF. 
2. Disconnect BCM connector.
3. Check continuity between BCM co

Page 4359 of 4731

INFINITI FX35 2005  Service Manual RF-20
SUNROOF
Revision: 2005 July 2005 FX
3. CHECK SONROOF MOTOR CIRCUIT 
1. Turn ignition switch OFF. 
2. Disconnect BCM and sunroof motor assembly connector.
3. Check continuity between BCM connecto

Page 4360 of 4731

INFINITI FX35 2005  Service Manual SUNROOF RF-21
C 
D  E 
F 
G  H 
J 
K  L 
M  A 
B
RF 
Revision: 2005 July  2005 FX
2. SUNROOF SWITCH CIRCUIT CHECK 
1. Turn ignition switch OFF. 
2. Disconnect sunroof motor assembly and sunroof switch
Trending: octane, fuel tank capacity, spare wheel, oil dipstick, traction control, buttons, recirculation