mirror INFINITI FX35 2007 Owner's Manual

INFINITI FX35 2007 Owner's Manual FX35 2007 INFINITI INFINITI https://www.carmanualsonline.info/img/42/57018/w960_57018-0.png INFINITI FX35 2007 Owner's Manual

Page 3306 of 4366

INFINITI FX35 2007 Owners Manual GW-68
REAR WINDOW DEFOGGER
Revision: 2006 July 2007 FX35/FX45
to rear window defogger relay terminal 1, 
Ground is supplied 
to BCM terminal 49 and 52
through body grounds M35, M45 and M85,
to A/C

Page 3314 of 4366

INFINITI FX35 2007 Owners Manual GW-76
REAR WINDOW DEFOGGER
Revision: 2006 July 2007 FX35/FX45
Work FlowNIS001S9
1. Check the symptom and customers requests. 
2. Understand the outline of system. Refer to   GW-67, "
System Descripti

Page 3320 of 4366

INFINITI FX35 2007 Owners Manual GW-82
REAR WINDOW DEFOGGER
Revision: 2006 July 2007 FX35/FX45
3. CHECK REAR WINDOW DEFOGGER RELAY CIRCUIT 
1. Turn ignition switch OFF. 
2. Remove rear window defogger relay.
3. Check continuity betwe

Page 3321 of 4366

INFINITI FX35 2007 Owners Manual REAR WINDOW DEFOGGER GW-83
C 
D  E 
F 
G  H 
J 
K  L 
M  A 
B
GW 
Revision: 2006 July  2007 FX35/FX45
4. CHECK DOOR MIRROR CIRCUIT 
1. Turn ignition switch OFF. 
2. Disconnect fuse block (J/B) and doo

Page 3322 of 4366

INFINITI FX35 2007 Owners Manual GW-84
REAR WINDOW DEFOGGER
Revision: 2006 July 2007 FX35/FX45
Check Driver Side Door Mirror Defogger Circuit NIS001SG
1. CHECK POWER SUPPLY CIRCUIT  
1. Turn ignition switch OFF. 
2. Disconnect door m

Page 3323 of 4366

INFINITI FX35 2007 Owners Manual REAR WINDOW DEFOGGER GW-85
C 
D  E 
F 
G  H 
J 
K  L 
M  A 
B
GW 
Revision: 2006 July  2007 FX35/FX45
Check Passenger Side Door Mirror Defogger Circuit NIS001SH
1. CHECK POWER SUPPLY CIRCUIT 
1. Turn

Page 3327 of 4366

INFINITI FX35 2007 Owners Manual DOOR MIRROR GW-89
C 
D  E 
F 
G  H 
J 
K  L 
M  A 
B
GW 
Revision: 2006 July  2007 FX35/FX45
DOOR MIRRORPFP:96301
Wiring Diagram — MIRROR — (Without Electric Foldable Door Mirror)NIS001SM
TIWM1689

Page 3328 of 4366

INFINITI FX35 2007 Owners Manual GW-90
DOOR MIRROR
Revision: 2006 July 2007 FX35/FX45
TIWM1690E

Page 3329 of 4366

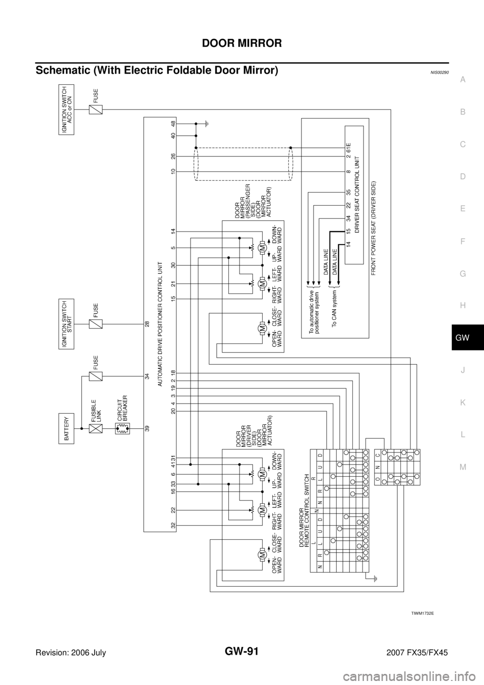
INFINITI FX35 2007 Owners Manual DOOR MIRROR GW-91
C 
D  E 
F 
G  H 
J 
K  L 
M  A 
B
GW 
Revision: 2006 July  2007 FX35/FX45
Schematic (With Electric Foldable Door Mirror)NIS00290
TIWM1732E

Page 3330 of 4366

INFINITI FX35 2007 Owners Manual GW-92
DOOR MIRROR
Revision: 2006 July 2007 FX35/FX45
Wiring Diagram — MIRROR — (With Electric Foldable Door Mirror)NIS00291
TIWM1862E