diagram INFINITI FX35 2008 Service Manual
[x] Cancel search | Manufacturer: INFINITI, Model Year: 2008, Model line: FX35, Model: INFINITI FX35 2008Pages: 3924, PDF Size: 81.37 MB
Page 1565 of 3924
![INFINITI FX35 2008 Service Manual
DTC P0340, P0345 CMP SENSOR (PHASE)EC-325
< SERVICE INFORMATION > [VQ35DE]
C
D
E
F
G H
I
J
K L
M A
EC
NP
O
3. If 1st trip DTC is detected, go to
EC-328, "Diagnosis Procedure".
If 1st trip DTC is not INFINITI FX35 2008 Service Manual
DTC P0340, P0345 CMP SENSOR (PHASE)EC-325
< SERVICE INFORMATION > [VQ35DE]
C
D
E
F
G H
I
J
K L
M A
EC
NP
O
3. If 1st trip DTC is detected, go to
EC-328, "Diagnosis Procedure".
If 1st trip DTC is not](/img/42/57017/w960_57017-1564.png)
DTC P0340, P0345 CMP SENSOR (PHASE)EC-325
< SERVICE INFORMATION > [VQ35DE]
C
D
E
F
G H
I
J
K L
M A
EC
NP
O
3. If 1st trip DTC is detected, go to
EC-328, "Diagnosis Procedure".
If 1st trip DTC is not detected, go to next step.
4. Maintaining engine speed at more than 800 rpm for at least 5 seconds.
5. Check 1st trip DTC.
6. If 1st trip DTC is detected, go to EC-328, "
Diagnosis Procedure".
Wiring DiagramINFOID:0000000001326153
BANK 1
TBWM1388E
3AA93ABC3ACD3AC03ACA3AC03AC63AC53A913A773A893A873A873A8E3A773A983AC73AC93AC03AC3
3A893A873A873A8F3A773A9D3AAF3A8A3A8C3A863A9D3AAF3A8B3A8C
Page 1569 of 3924
![INFINITI FX35 2008 Service Manual
DTC P0340, P0345 CMP SENSOR (PHASE)EC-329
< SERVICE INFORMATION > [VQ35DE]
C
D
E
F
G H
I
J
K L
M A
EC
NP
O
1. Disconnect camshaft position (CMP) sensor (PHASE) harness connector.
2. Turn ignition swi INFINITI FX35 2008 Service Manual
DTC P0340, P0345 CMP SENSOR (PHASE)EC-329
< SERVICE INFORMATION > [VQ35DE]
C
D
E
F
G H
I
J
K L
M A
EC
NP
O
1. Disconnect camshaft position (CMP) sensor (PHASE) harness connector.
2. Turn ignition swi](/img/42/57017/w960_57017-1568.png)
DTC P0340, P0345 CMP SENSOR (PHASE)EC-329
< SERVICE INFORMATION > [VQ35DE]
C
D
E
F
G H
I
J
K L
M A
EC
NP
O
1. Disconnect camshaft position (CMP) sensor (PHASE) harness connector.
2. Turn ignition switch ON.
3. Check voltage between CMP sensor (PHASE) terminal 3 and
ground with CONSULT-III or tester.
OK or NG
OK >> GO TO 5.
NG >> GO TO 4.
4.DETECT MALFUNCTIONING PART
Check the following.
Harness connectors E211, M41
Harness connectors F102, M82
Harness for open or short between cams haft position sensor (PHASE) and ECM
Harness for open or short between camshaft position sensor (PHASE) and IPDM E/R
>> Repair open circuit or short to ground or short to power in harness or connectors.
5.CHECK CAMSHAFT POSITION SENSOR (PHASE) GROUND CIRCUIT FOR OPEN AND SHORT
1. Turn ignition switch OFF.
2. Check harness continuity between CM P sensor (PHASE) terminal 1 and ground.
Refer to Wiring Diagram.
3. Also check harness for short to power.
OK or NG
OK >> GO TO 7.
NG >> GO TO 6.
6.DETECT MALFUNCTIONING PART
Check the following.
Harness connectors F102, M82
Harness for open or short betw een CMP sensor (PHASE) and ground
>> Repair open circuit or short to power in harness or connectors.
7.CHECK CAMSHAFT POSITION SENS OR (PHASE) INPUT SIGNAL CIRCUIT FOR OPEN AND SHORT
1. Disconnect ECM harness connector.
2. Check harness continuity between ECM terminal 33 ( bank 1) or 14 (bank 2) and CMP sensor (PHASE)
terminal 2.
Refer to Wiring Diagram. Voltage: Battery voltage
PBIB1568E
SEF481Y
Continuity should exist.
Continuity should exist.
3AA93ABC3ACD3AC03ACA3AC03AC63AC53A913A773A893A873A873A8E3A773A983AC73AC93AC03AC3
3A893A873A873A8F3A773A9D3AAF3A8A3A8C3A863A9D3AAF3A8B3A8C
Page 1574 of 3924
![INFINITI FX35 2008 Service Manual
EC-334
< SERVICE INFORMATION >[VQ35DE]
DTC P0420, P0430 THREE
WAY CATALYST FUNCTION
OK or NG
OK >> GO TO 5.
NG >> Follow the EC-80, "
Basic Inspection".
5.CHECK FUEL INJECTOR
1. Stop engine and then INFINITI FX35 2008 Service Manual
EC-334
< SERVICE INFORMATION >[VQ35DE]
DTC P0420, P0430 THREE
WAY CATALYST FUNCTION
OK or NG
OK >> GO TO 5.
NG >> Follow the EC-80, "
Basic Inspection".
5.CHECK FUEL INJECTOR
1. Stop engine and then](/img/42/57017/w960_57017-1573.png)
EC-334
< SERVICE INFORMATION >[VQ35DE]
DTC P0420, P0430 THREE
WAY CATALYST FUNCTION
OK or NG
OK >> GO TO 5.
NG >> Follow the EC-80, "
Basic Inspection".
5.CHECK FUEL INJECTOR
1. Stop engine and then turn ignition switch ON.
2. Check voltage between ECM terminals 21, 22, 23, 40, 41, 42 and ground with CONSULT-III or tester.
Refer to Wiring Diagram for fuel injector, EC-553, "
Wiring Dia-
gram".
OK or NG
OK >> GO TO 6.
NG >> Perform EC-554, "
Diagnosis Procedure".
6.CHECK FUNCTION OF IGNITION COIL-I
CAUTION:
Do the following procedure in the place where ventilation is good without the combustible.
1. Turn ignition switch OFF.
2. Reconnect ECM harness connector disconnected.
3. Remove fuel pump fuse in IPDM E/R to release fuel pressure. NOTE:
Do not use CONSULT-III to releas e fuel pressure, or fuel pres-
sure applies again during the following procedure.
4. Start engine.
5. After engine stalls, crank it two or three times to release all fuel
pressure.
6. Turn ignition switch OFF.
7. Remove all ignition coil harness connectors to avoid the electri-
cal discharge from the ignition coils.
8. Remove ignition coil and spark plug of the cylinder to be
checked.
9. Crank engine for 5 seconds or more to remove combustion gas in the cylinder.
10. Connect spark plug and harness connector to ignition coil.
11. Fix ignition coil using a rope etc. with gap of 13 - 17 mm between the edge of the spark plug and grounded metal portion
as shown in the figure.
12. Crank engine for about 3 seconds, and check whether spark is generated between the spark plug and the grounded metal por-
tion.
CAUTION:
Do not approach to the spar k plug and the ignition coil
within 50cm. Be careful not to get an electrical shock
while checking, because the el ectrical discharge voltage
becomes 20kV or more.
It might cause to damage the ignition coil if the gap of more than 17 mm is taken.
NOTE:
When the gap is less than 13 mm, the spark might be generated even if the coil is malfunctioning.
OK or NG
Items Specifications
Target idle speed 650 ± 50 rpm (in P or N position)
Ignition timing 15 ± 5 ° BTDC (in P or N position)
Voltage: Battery voltage
PBIB2250E
Spark should be generated.
PBIB1603E
PBIB2325E
3AA93ABC3ACD3AC03ACA3AC03AC63AC53A913A773A893A873A873A8E3A773A983AC73AC93AC03AC3
3A893A873A873A8F3A773A9D3AAF3A8A3A8C3A863A9D3AAF3A8B3A8C
Page 1590 of 3924
![INFINITI FX35 2008 Service Manual
EC-350
< SERVICE INFORMATION >[VQ35DE]
DTC P0443 EVAP CANISTER PURGE VO
LUME CONTROL SOLENOID VALVE
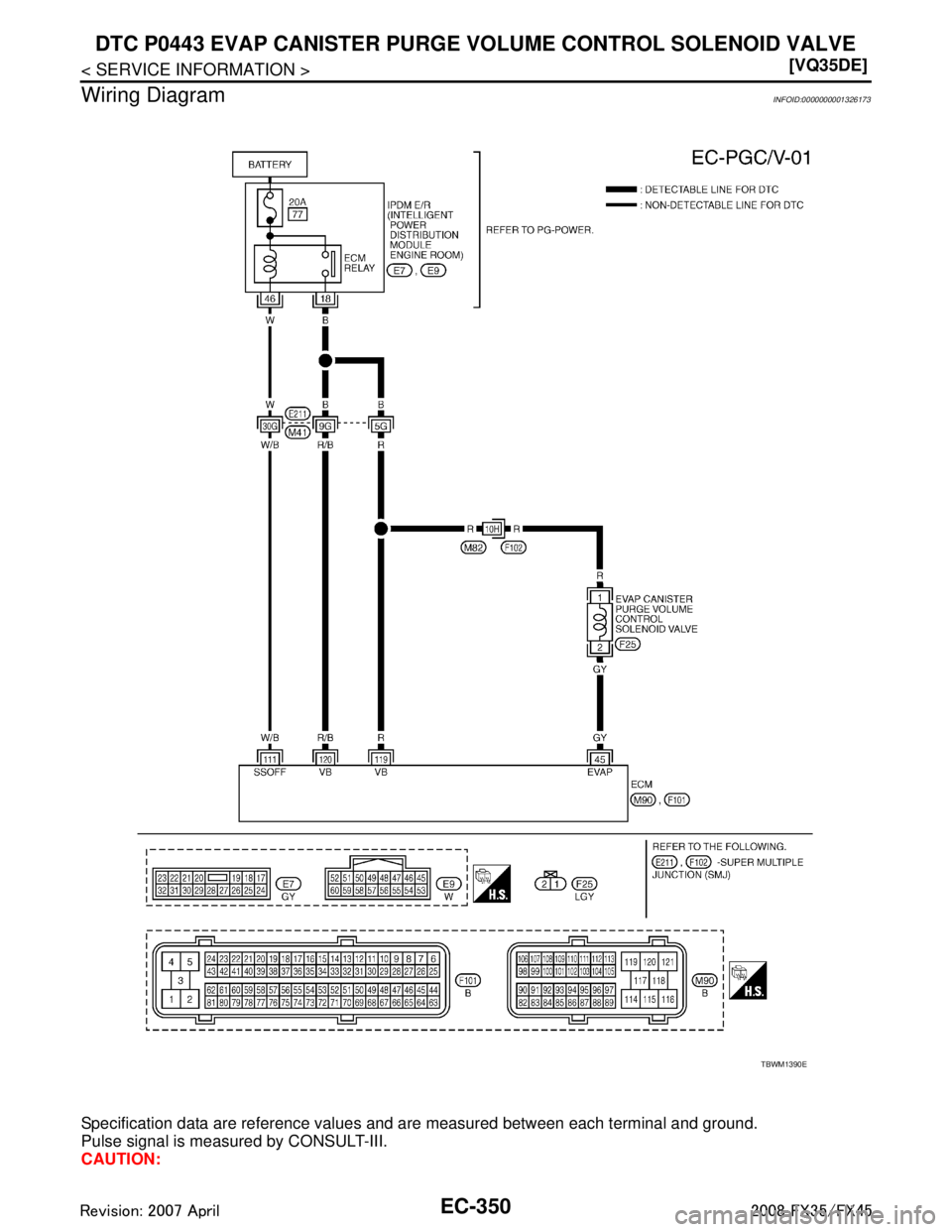
Wiring Diagram
INFOID:0000000001326173
Specification data are reference values and are measured bet INFINITI FX35 2008 Service Manual
EC-350
< SERVICE INFORMATION >[VQ35DE]
DTC P0443 EVAP CANISTER PURGE VO
LUME CONTROL SOLENOID VALVE
Wiring Diagram
INFOID:0000000001326173
Specification data are reference values and are measured bet](/img/42/57017/w960_57017-1589.png)
EC-350
< SERVICE INFORMATION >[VQ35DE]
DTC P0443 EVAP CANISTER PURGE VO
LUME CONTROL SOLENOID VALVE
Wiring Diagram
INFOID:0000000001326173
Specification data are reference values and are measured between each terminal and ground.
Pulse signal is measured by CONSULT-III.
CAUTION:
TBWM1390E
3AA93ABC3ACD3AC03ACA3AC03AC63AC53A913A773A893A873A873A8E3A773A983AC73AC93AC03AC3
3A893A873A873A8F3A773A9D3AAF3A8A3A8C3A863A9D3AAF3A8B3A8C
Page 1592 of 3924
![INFINITI FX35 2008 Service Manual
EC-352
< SERVICE INFORMATION >[VQ35DE]
DTC P0443 EVAP CANISTER PURGE VO
LUME CONTROL SOLENOID VALVE
4. Check voltage between EVAP canister purge volume control
solenoid valve terminal 1 and ground wi INFINITI FX35 2008 Service Manual
EC-352
< SERVICE INFORMATION >[VQ35DE]
DTC P0443 EVAP CANISTER PURGE VO
LUME CONTROL SOLENOID VALVE
4. Check voltage between EVAP canister purge volume control
solenoid valve terminal 1 and ground wi](/img/42/57017/w960_57017-1591.png)
EC-352
< SERVICE INFORMATION >[VQ35DE]
DTC P0443 EVAP CANISTER PURGE VO
LUME CONTROL SOLENOID VALVE
4. Check voltage between EVAP canister purge volume control
solenoid valve terminal 1 and ground with CONSULT-III or
tester.
OK or NG
OK >> GO TO 3.
NG >> GO TO 2.
2.DETECT MALFUNCTIONING PART
Check the following.
Harness connectors E211, M41
Harness connectors M82, F102
Harness for open or short between EVAP canister purge volume control solenoid valve and IPDM E/R
Harness for open or short between EVAP canister purge volume control solenoid valve and ECM
>> Repair open circuit or short to ground or short to power in harness or connectors.
3.CHECK EVAP CANISTER PURGE VOLUME CONTRO L SOLENOID VALVE OUTPUT SIGNAL CIRCUIT
FOR OPEN AND SHORT
1. Turn ignition switch OFF.
2. Disconnect ECM harness connector.
3. Check harness continuity between ECM terminal 45 and EVAP canister purge volume control solenoid
valve terminal 2. Refer to Wiring Diagram.
4. Also check harness for short to ground and short to power.
OK or NG
OK >> GO TO 4.
NG >> Repair open circuit or short to ground or short to power in harness or connectors.
4.CHECK EVAP CONTROL SYSTEM PRESSURE SENSOR CONNECTOR
1. Disconnect EVAP control system pressure sensor harness connector.
2. Check connectors for water.
OK or NG
OK >> GO TO 5.
NG >> Replace EVAP control system pressure sensor.
5.CHECK EVAP CONTROL SY STEM PRESSURE SENSOR
Refer to EC-380, "
Component Inspection".
OK or NG
OK (With CONSULT-III)>>GO TO 6.
OK (Without CONSULT-III)>>GO TO 7.
NG >> Replace EVAP control system pressure sensor.
6.CHECK EVAP CANISTER PURGE VO LUME CONTROL SOLENOID VALVE
With CONSULT-III
1. Turn ignition switch OFF.
2. Reconnect all harness connectors disconnected.
3. Start engine.
4. Perform “PURG VOL CONT/V” in “ACTIVE TEST” m ode with CONSULT-III. Check that engine speed var-
ies according to the valve opening. Voltage: Battery voltage
PBIB0148E
Continuity should exist.
Water should not exist.
3AA93ABC3ACD3AC03ACA3AC03AC63AC53A913A773A893A873A873A8E3A773A983AC73AC93AC03AC3
3A893A873A873A8F3A773A9D3AAF3A8A3A8C3A863A9D3AAF3A8B3A8C
Page 1597 of 3924
![INFINITI FX35 2008 Service Manual
DTC P0444, P0445 EVAP CANISTER PURGE VOLUME CONTROL SOLENOID
VALVE
EC-357
< SERVICE INFORMATION > [VQ35DE]
C
D
E
F
G H
I
J
K L
M A
EC
NP
O
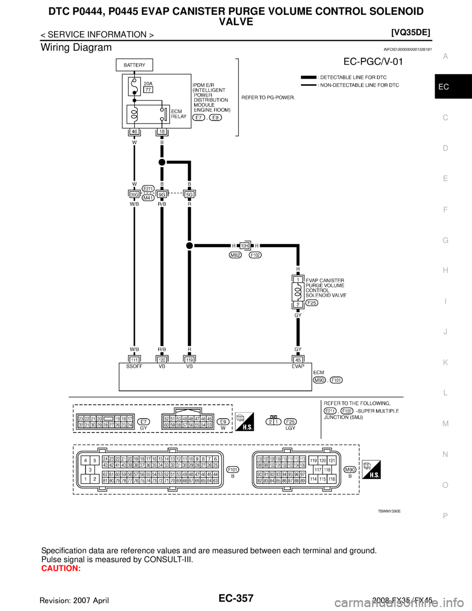
Wiring DiagramINFOID:0000000001326181
Specification data ar INFINITI FX35 2008 Service Manual
DTC P0444, P0445 EVAP CANISTER PURGE VOLUME CONTROL SOLENOID
VALVE
EC-357
< SERVICE INFORMATION > [VQ35DE]
C
D
E
F
G H
I
J
K L
M A
EC
NP
O
Wiring DiagramINFOID:0000000001326181
Specification data ar](/img/42/57017/w960_57017-1596.png)
DTC P0444, P0445 EVAP CANISTER PURGE VOLUME CONTROL SOLENOID
VALVE
EC-357
< SERVICE INFORMATION > [VQ35DE]
C
D
E
F
G H
I
J
K L
M A
EC
NP
O
Wiring DiagramINFOID:0000000001326181
Specification data are reference values
and are measured between each terminal and ground.
Pulse signal is measured by CONSULT-III.
CAUTION:
TBWM1390E
3AA93ABC3ACD3AC03ACA3AC03AC63AC53A913A773A893A873A873A8E3A773A983AC73AC93AC03AC3
3A893A873A873A8F3A773A9D3AAF3A8A3A8C3A863A9D3AAF3A8B3A8C
Page 1599 of 3924
![INFINITI FX35 2008 Service Manual
DTC P0444, P0445 EVAP CANISTER PURGE VOLUME CONTROL SOLENOID
VALVE
EC-359
< SERVICE INFORMATION > [VQ35DE]
C
D
E
F
G H
I
J
K L
M A
EC
NP
O
4. Check voltage between EVAP canister purge volume control INFINITI FX35 2008 Service Manual
DTC P0444, P0445 EVAP CANISTER PURGE VOLUME CONTROL SOLENOID
VALVE
EC-359
< SERVICE INFORMATION > [VQ35DE]
C
D
E
F
G H
I
J
K L
M A
EC
NP
O
4. Check voltage between EVAP canister purge volume control](/img/42/57017/w960_57017-1598.png)
DTC P0444, P0445 EVAP CANISTER PURGE VOLUME CONTROL SOLENOID
VALVE
EC-359
< SERVICE INFORMATION > [VQ35DE]
C
D
E
F
G H
I
J
K L
M A
EC
NP
O
4. Check voltage between EVAP canister purge volume control
solenoid valve terminal 1 and ground with CONSULT-III or
tester.
OK or NG
OK >> GO TO 3.
NG >> GO TO 2.
2.DETECT MALFUNCTIONING PART
Check the following.
Harness connectors E211, M41
Harness connectors M82, F102
Harness for open or short between EVAP canister purge volume control solenoid valve and IPDM E/R
Harness for open or short between EVAP canister purge volume control solenoid valve and ECM
>> Repair open circuit or short to ground or short to power in harness or connectors.
3.CHECK EVAP CANISTER PURGE VOLUME CONTRO L SOLENOID VALVE OUTPUT SIGNAL CIRCUIT
FOR OPEN AND SHORT
1. Turn ignition switch OFF.
2. Disconnect ECM harness connector.
3. Check harness continuity between ECM terminal 45 and EVAP canister purge volume control solenoid
valve terminal 2. Refer to Wiring Diagram.
4. Also check harness for short to ground and short to power.
OK or NG
OK (With CONSULT-III)>>GO TO 4.
OK (Without CONSULT-III)>>GO TO 5.
NG >> Repair open circuit or short to ground or short to power in harness or connectors.
4.CHECK EVAP CANISTER PURGE VOLUME CONTROL SOLENOID VALVE OPERATION
With CONSULT-III
1. Reconnect all harness connectors disconnected.
2. Start engine.
3. Perform “PURG VOL CONT/V” in “ACTIVE TEST” mode with CONSULT-III. Check that engine speed var-
ies according to the valve opening.
OK or NG
OK >> GO TO 6.
NG >> GO TO 5.
5.CHECK EVAP CANISTER PURGE VO LUME CONTROL SOLENOID VALVE
Refer to EC-360, "
Component Inspection".
OK or NG
OK >> GO TO 6.
NG >> Replace EVAP canister purge volume control solenoid valve.
6.CHECK INTERMITTENT INCIDENT
Refer to EC-139
.
>> INSPECTION END
Voltage: Battery voltage
PBIB0148E
Continuity should exist.
3AA93ABC3ACD3AC03ACA3AC03AC63AC53A913A773A893A873A873A8E3A773A983AC73AC93AC03AC3
3A893A873A873A8F3A773A9D3AAF3A8A3A8C3A863A9D3AAF3A8B3A8C
Page 1602 of 3924
![INFINITI FX35 2008 Service Manual
EC-362
< SERVICE INFORMATION >[VQ35DE]
DTC P0447 EVAP CANISTER VENT CONTROL VALVE
Wiring Diagram
INFOID:0000000001326189
Specification data are reference values and are measured between each terminal INFINITI FX35 2008 Service Manual
EC-362
< SERVICE INFORMATION >[VQ35DE]
DTC P0447 EVAP CANISTER VENT CONTROL VALVE
Wiring Diagram
INFOID:0000000001326189
Specification data are reference values and are measured between each terminal](/img/42/57017/w960_57017-1601.png)
EC-362
< SERVICE INFORMATION >[VQ35DE]
DTC P0447 EVAP CANISTER VENT CONTROL VALVE
Wiring Diagram
INFOID:0000000001326189
Specification data are reference values and are measured between each terminal and ground.
CAUTION:
Do not use ECM ground terminals when measuring in put/output voltage. Doing so may result in dam-
age to the ECM's transistor. Use a ground ot her than ECM terminals, such as the ground.
TBWM1391E
3AA93ABC3ACD3AC03ACA3AC03AC63AC53A913A773A893A873A873A8E3A773A983AC73AC93AC03AC3
3A893A873A873A8F3A773A9D3AAF3A8A3A8C3A863A9D3AAF3A8B3A8C
Page 1604 of 3924
![INFINITI FX35 2008 Service Manual
EC-364
< SERVICE INFORMATION >[VQ35DE]
DTC P0447 EVAP CANISTER VENT CONTROL VALVE
Harness connectors B84, B216
Harness for open or short between EVAP canister vent control valve and IPDM E/R
>> R INFINITI FX35 2008 Service Manual
EC-364
< SERVICE INFORMATION >[VQ35DE]
DTC P0447 EVAP CANISTER VENT CONTROL VALVE
Harness connectors B84, B216
Harness for open or short between EVAP canister vent control valve and IPDM E/R
>> R](/img/42/57017/w960_57017-1603.png)
EC-364
< SERVICE INFORMATION >[VQ35DE]
DTC P0447 EVAP CANISTER VENT CONTROL VALVE
Harness connectors B84, B216
Harness for open or short between EVAP canister vent control valve and IPDM E/R
>> Repair open circuit or short to ground or short to power in harness or connectors.
5.CHECK EVAP CANISTER VENT CONTROL VALVE OU TPUT SIGNAL CIRCUIT FOR OPEN AND SHORT
1. Turn ignition switch OFF.
2. Disconnect ECM harness connector.
3. Check harness continuity between ECM terminal 117 and EVAP canister vent control valve terminal 2.
Refer to Wiring Diagram.
4. Also check harness for short to ground and short to power.
OK or NG
OK >> GO TO 7.
NG >> GO TO 6.
6.DETECT MALFUNCTIONING PART
Check the following.
Harness connectors M11, B1
Harness connectors B84, B216
Harness for open or short between EVAP canister vent control valve and ECM
>> Repair open circuit or short to ground or short to power in harness or connectors.
7.CHECK RUBBER TUBE FOR CLOGGING
1. Disconnect rubber tube connected to EV AP canister vent control valve.
2. Check the rubber tube for clogging.
OK or NG
OK >> GO TO 8.
NG >> Clean the rubber tube using an air blower.
8.CHECK EVAP CANISTER VENT CONTROL VALVE
Refer to EC-364, "
Component Inspection".
OK or NG
OK >> GO TO 9.
NG >> Replace EVAP canister vent control valve.
9.CHECK INTERMITTENT INCIDENT
Refer to EC-139
.
>> INSPECTION END
Component InspectionINFOID:0000000001326191
EVAP CANISTER VENT CONTROL VALVE
With CONSULT-III
1. Remove EVAP canister vent control valve from EVAP canister. Continuity should exist.
3AA93ABC3ACD3AC03ACA3AC03AC63AC53A913A773A893A873A873A8E3A773A983AC73AC93AC03AC3
3A893A873A873A8F3A773A9D3AAF3A8A3A8C3A863A9D3AAF3A8B3A8C
Page 1608 of 3924
![INFINITI FX35 2008 Service Manual
EC-368
< SERVICE INFORMATION >[VQ35DE]
DTC P0448 EVAP CANISTER VENT CONTROL VALVE
Wiring Diagram
INFOID:0000000001326196
Specification data are reference values and are measured between each terminal INFINITI FX35 2008 Service Manual
EC-368
< SERVICE INFORMATION >[VQ35DE]
DTC P0448 EVAP CANISTER VENT CONTROL VALVE
Wiring Diagram
INFOID:0000000001326196
Specification data are reference values and are measured between each terminal](/img/42/57017/w960_57017-1607.png)
EC-368
< SERVICE INFORMATION >[VQ35DE]
DTC P0448 EVAP CANISTER VENT CONTROL VALVE
Wiring Diagram
INFOID:0000000001326196
Specification data are reference values and are measured between each terminal and ground.
CAUTION:
Do not use ECM ground terminals when measuring in put/output voltage. Doing so may result in dam-
age to the ECM's transistor. Use a ground ot her than ECM terminals, such as the ground.
TBWM1391E
3AA93ABC3ACD3AC03ACA3AC03AC63AC53A913A773A893A873A873A8E3A773A983AC73AC93AC03AC3
3A893A873A873A8F3A773A9D3AAF3A8A3A8C3A863A9D3AAF3A8B3A8C