diagram INFINITI FX35 2008 Service Manual
[x] Cancel search | Manufacturer: INFINITI, Model Year: 2008, Model line: FX35, Model: INFINITI FX35 2008Pages: 3924, PDF Size: 81.37 MB
Page 1671 of 3924
![INFINITI FX35 2008 Service Manual
DTC P0850 PNP SWITCHEC-431
< SERVICE INFORMATION > [VQ35DE]
C
D
E
F
G H
I
J
K L
M A
EC
NP
O
Wiring DiagramINFOID:0000000001326280
Specification data are reference values
and are measured between eac INFINITI FX35 2008 Service Manual
DTC P0850 PNP SWITCHEC-431
< SERVICE INFORMATION > [VQ35DE]
C
D
E
F
G H
I
J
K L
M A
EC
NP
O
Wiring DiagramINFOID:0000000001326280
Specification data are reference values
and are measured between eac](/img/42/57017/w960_57017-1670.png)
DTC P0850 PNP SWITCHEC-431
< SERVICE INFORMATION > [VQ35DE]
C
D
E
F
G H
I
J
K L
M A
EC
NP
O
Wiring DiagramINFOID:0000000001326280
Specification data are reference values
and are measured between each terminal and ground.
CAUTION:
Do not use ECM ground terminals wh en measuring input/output voltage. Doing so may result in dam-
age to the ECM's transistor. Use a ground ot her than ECM terminals, such as the ground.
TBWM0521E
3AA93ABC3ACD3AC03ACA3AC03AC63AC53A913A773A893A873A873A8E3A773A983AC73AC93AC03AC3
3A893A873A873A8F3A773A9D3AAF3A8A3A8C3A863A9D3AAF3A8B3A8C
Page 1672 of 3924
![INFINITI FX35 2008 Service Manual
EC-432
< SERVICE INFORMATION >[VQ35DE]
DTC P0850 PNP SWITCH
Diagnosis Procedure
INFOID:0000000001326281
1.CHECK DTC WITH TCM
Refer to AT-38, "
OBD-II Diagnostic Trouble Code (DTC)".
OK or NG
OK >> G INFINITI FX35 2008 Service Manual
EC-432
< SERVICE INFORMATION >[VQ35DE]
DTC P0850 PNP SWITCH
Diagnosis Procedure
INFOID:0000000001326281
1.CHECK DTC WITH TCM
Refer to AT-38, "
OBD-II Diagnostic Trouble Code (DTC)".
OK or NG
OK >> G](/img/42/57017/w960_57017-1671.png)
EC-432
< SERVICE INFORMATION >[VQ35DE]
DTC P0850 PNP SWITCH
Diagnosis Procedure
INFOID:0000000001326281
1.CHECK DTC WITH TCM
Refer to AT-38, "
OBD-II Diagnostic Trouble Code (DTC)".
OK or NG
OK >> GO TO 2.
NG >> Repair or replace.
2.CHECK STARTING SYSTEM
Turn ignition switch OFF, then turn it to START.
Does starter motor operate?
Ye s o r N o
Ye s > > G O T O 3 .
No >> Refer to SC-8
.
3.CHECK PNP SWITCH INPUT SIGNAL CIRCUIT FOR OPEN AND SHORT-I
1. Turn ignition switch OFF.
2. Disconnect A/T assembly harness connector.
3. Disconnect “unified meter and A/C amp.” harness connector.
4. Check harness continuity between A/T assembly term inal 9 and “unified meter and A/C amp.” terminal 32.
Refer to Wiring Diagram.
5. Also check harness for short to ground and short to power.
OK or NG
OK >> GO TO 5.
NG >> GO TO 4.
4.DETECT MALFUNCTIONING PART
Check the following.
Harness connectors F102, M82
Harness for open or short between A/T assembly and “unified meter and A/C amp.”.
>> Repair open circuit or short to ground or short to power in harness or connectors.
5.CHECK PNP SWITCH INPUT SIGNAL CIRCUIT FOR OPEN AND SHORT-II
1. Disconnect ECM harness connector.
2. Check harness continuity between ECM terminal 102 and “unified meter and A/C amp.” terminal 25.
Refer to Wiring Diagram.
3. Also check harness for short to ground and short to power.
OK or NG
OK >> GO TO 6.
NG >> Repair open circuit or short to ground or short to power in harness or connectors.
6.CHECK PNP SWITCH INPUT SIGNAL CIRCUIT FOR OPEN AND SHORT-III
TER- MI-
NAL
NO. WIRE
COLOR ITEM CONDITION DATA (DC Voltage)
102 LG/B PNP switch [Ignition switch: ON]
Selector lever: P or N
Approximately 0V
[Ignition switch: ON]
Except above position BATTERY VOLTAGE
(11 - 14V)
Continuity should exist.
Continuity should exist.
3AA93ABC3ACD3AC03ACA3AC03AC63AC53A913A773A893A873A873A8E3A773A983AC73AC93AC03AC3
3A893A873A873A8F3A773A9D3AAF3A8A3A8C3A863A9D3AAF3A8B3A8C
Page 1680 of 3924
![INFINITI FX35 2008 Service Manual
EC-440
< SERVICE INFORMATION >[VQ35DE]
DTC P1217 ENGINE
OVER TEMPERATURE
Wiring Diagram
INFOID:0000000001326295
TBWM1399E
3AA93ABC3ACD3AC03ACA3AC03AC63AC53A913A773A893A873A873A8E3A773A983AC73AC93AC0 INFINITI FX35 2008 Service Manual
EC-440
< SERVICE INFORMATION >[VQ35DE]
DTC P1217 ENGINE
OVER TEMPERATURE
Wiring Diagram
INFOID:0000000001326295
TBWM1399E
3AA93ABC3ACD3AC03ACA3AC03AC63AC53A913A773A893A873A873A8E3A773A983AC73AC93AC0](/img/42/57017/w960_57017-1679.png)
EC-440
< SERVICE INFORMATION >[VQ35DE]
DTC P1217 ENGINE
OVER TEMPERATURE
Wiring Diagram
INFOID:0000000001326295
TBWM1399E
3AA93ABC3ACD3AC03ACA3AC03AC63AC53A913A773A893A873A873A8E3A773A983AC73AC93AC03AC3
3A893A873A873A8F3A773A9D3AAF3A8A3A8C3A863A9D3AAF3A8B3A8C
Page 1683 of 3924
![INFINITI FX35 2008 Service Manual
DTC P1217 ENGINE OVER TEMPERATUREEC-443
< SERVICE INFORMATION > [VQ35DE]
C
D
E
F
G H
I
J
K L
M A
EC
NP
O
3. Check voltage between IPDM E/R terminal 16 and ground with
CONSULT-III or tester.
OK or NG
INFINITI FX35 2008 Service Manual
DTC P1217 ENGINE OVER TEMPERATUREEC-443
< SERVICE INFORMATION > [VQ35DE]
C
D
E
F
G H
I
J
K L
M A
EC
NP
O
3. Check voltage between IPDM E/R terminal 16 and ground with
CONSULT-III or tester.
OK or NG](/img/42/57017/w960_57017-1682.png)
DTC P1217 ENGINE OVER TEMPERATUREEC-443
< SERVICE INFORMATION > [VQ35DE]
C
D
E
F
G H
I
J
K L
M A
EC
NP
O
3. Check voltage between IPDM E/R terminal 16 and ground with
CONSULT-III or tester.
OK or NG
OK >> GO TO 3.
NG >> GO TO 2.
2.DETECT MALFUNCTIONING PART
Check the following.
40A fusible link
Harness for open or short between IPDM E/R and battery
>> Repair open circuit or short to ground or short to power in harness or connectors.
3.CHECK COOLING FAN GROUND CIRCUIT
1. Turn ignition switch OFF.
2. Check harness continuity between IP DM E/R terminal 15, 38, 60 and ground.
Refer to Wiring Diagram.
3. Also check harness for short to power.
OK or NG
OK >> GO TO 4.
NG >> Repair open circuit or short to power in harness or connectors.
4.CHECK COOLING FAN MOTOR-1 CIRCUIT-I
1. Disconnect cooling fan motor-1 harness connector.
2. Check voltage between cooling fan motor-1 terminals 1, 2 and ground with CONSULT-III or tester.
OK or NG
OK >> GO TO 6.
NG >> GO TO 5.
5.DETECT MALFUNCTIONING PART
Check the following.
40A fusible link Voltage: Battery voltage
PBIB0966E
Continuity should exist.
PBIB1554E
Voltage: Battery voltage
PBIB1670E
3AA93ABC3ACD3AC03ACA3AC03AC63AC53A913A773A893A873A873A8E3A773A983AC73AC93AC03AC3
3A893A873A873A8F3A773A9D3AAF3A8A3A8C3A863A9D3AAF3A8B3A8C
Page 1684 of 3924
![INFINITI FX35 2008 Service Manual
EC-444
< SERVICE INFORMATION >[VQ35DE]
DTC P1217 ENGINE
OVER TEMPERATURE
Harness connectors E29, E121
Harness for open or short between cooling fan motor-1 and battery
>> Repair open circuit or INFINITI FX35 2008 Service Manual
EC-444
< SERVICE INFORMATION >[VQ35DE]
DTC P1217 ENGINE
OVER TEMPERATURE
Harness connectors E29, E121
Harness for open or short between cooling fan motor-1 and battery
>> Repair open circuit or](/img/42/57017/w960_57017-1683.png)
EC-444
< SERVICE INFORMATION >[VQ35DE]
DTC P1217 ENGINE
OVER TEMPERATURE
Harness connectors E29, E121
Harness for open or short between cooling fan motor-1 and battery
>> Repair open circuit or short to ground or short to power in harness or connectors.
6.CHECK COOLING FAN MOTOR-1 CIRCUIT-II
1. Check harness continuity between the following; cooling fan motor-1 terminal 3 and IPDM E/R terminal 13,
cooling fan motor-1 terminal 4 and IPDM E/R terminals 10, 12.
Refer to Wiring diagram.
2. Also check harness for short to ground and short to power.
OK or NG
OK >> GO TO 8.
NG >> GO TO 7.
7.DETECT MALFUNCTIONING PART
Check the following.
Harness connectors E29, E121
Harness for open or short between cooling fan motor-1 and IPDM E/R
>> Repair open circuit or short to ground or short to power in harness or connectors.
8.CHECK COOLING FAN MOTOR-2 CIRCUIT-I
1. Disconnect cooling fan motor-2 harness connector.
2. Check harness continuity between cooling fan motor-2 terminals 3, 4 and ground.
Refer to Wiring diagram.
3. Also check harness short to power.
OK or NG
OK >> GO TO 10.
NG >> GO TO 9.
9.DETECT MALFUNCTIONING PART
Check the following.
Harness connectors E29, E121
Harness for open or short between cooling fan motor-2 and ground
>> Repair open circuit or short to power in harness or connectors.
10.CHECK COOLING FAN MOTOR-2 CIRCUIT-II
1. Check harness continuity between the following; cooling fan motor-2 terminal 1 and IPDM E/R terminal 8,
cooling fan motor-2 terminal 2 and IPDM E/R terminals 11, 14.
Refer to Wiring Diagram.
2. Also check harness for short to ground and short to power.
OK or NG
OK >> GO TO 12.
NG >> GO TO 11.
11 .DETECT MALFUNCTIONING PART Continuity should exist.
Continuity should exist.
PBIB1554E
Continuity should exist.
3AA93ABC3ACD3AC03ACA3AC03AC63AC53A913A773A893A873A873A8E3A773A983AC73AC93AC03AC3
3A893A873A873A8F3A773A9D3AAF3A8A3A8C3A863A9D3AAF3A8B3A8C
Page 1695 of 3924
![INFINITI FX35 2008 Service Manual
DTC P1564 ICC STEERING SWITCHEC-455
< SERVICE INFORMATION > [VQ35DE]
C
D
E
F
G H
I
J
K L
M A
EC
NP
O
Wiring DiagramINFOID:0000000001326317
Specification data are reference values
and are measured be INFINITI FX35 2008 Service Manual
DTC P1564 ICC STEERING SWITCHEC-455
< SERVICE INFORMATION > [VQ35DE]
C
D
E
F
G H
I
J
K L
M A
EC
NP
O
Wiring DiagramINFOID:0000000001326317
Specification data are reference values
and are measured be](/img/42/57017/w960_57017-1694.png)
DTC P1564 ICC STEERING SWITCHEC-455
< SERVICE INFORMATION > [VQ35DE]
C
D
E
F
G H
I
J
K L
M A
EC
NP
O
Wiring DiagramINFOID:0000000001326317
Specification data are reference values
and are measured between each terminal and ground.
CAUTION:
Do not use ECM ground terminals wh en measuring input/output voltage. Doing so may result in dam-
age to the ECM's transistor. Use a ground ot her than ECM terminals, such as the ground.
TBWM0732E
3AA93ABC3ACD3AC03ACA3AC03AC63AC53A913A773A893A873A873A8E3A773A983AC73AC93AC03AC3
3A893A873A873A8F3A773A9D3AAF3A8A3A8C3A863A9D3AAF3A8B3A8C
Page 1697 of 3924
![INFINITI FX35 2008 Service Manual
DTC P1564 ICC STEERING SWITCHEC-457
< SERVICE INFORMATION > [VQ35DE]
C
D
E
F
G H
I
J
K L
M A
EC
NP
O Without CONSULT-III
1. Turn ignition switch ON.
2. Check voltage between ECM terminal 99 and groun INFINITI FX35 2008 Service Manual
DTC P1564 ICC STEERING SWITCHEC-457
< SERVICE INFORMATION > [VQ35DE]
C
D
E
F
G H
I
J
K L
M A
EC
NP
O Without CONSULT-III
1. Turn ignition switch ON.
2. Check voltage between ECM terminal 99 and groun](/img/42/57017/w960_57017-1696.png)
DTC P1564 ICC STEERING SWITCHEC-457
< SERVICE INFORMATION > [VQ35DE]
C
D
E
F
G H
I
J
K L
M A
EC
NP
O Without CONSULT-III
1. Turn ignition switch ON.
2. Check voltage between ECM terminal 99 and ground with press- ing each button.
OK or NG
OK >> GO TO 8.
NG >> GO TO 3.
3.CHECK ICC STEERING SWITCH GRO UND CIRCUIT FOR OPEN AND SHORT
1. Turn ignition switch OFF.
2. Disconnect combination switch harness connector.
3. Disconnect ECM harness connector.
4. Check harness continuity between combinati on switch terminal 15 and ECM terminal 82.
Refer to Wiring Diagram.
5. Also check harness for short to ground and short to power.
OK or NG
OK >> GO TO 5.
NG >> GO TO 4.
4.DETECT MALFUNCTIONING PART
Check the following.
Combination switch (spiral cable)
Harness for open and short between ECM and combination switch
>> Repair open circuit or short to ground or short to power in harness or connectors.
5.CHECK ICC STEERING SWITCH INPUT SI GNAL CIRCUIT FOR OPEN AND SHORT
1. Check harness continuity between ECM terminal 99 and combination switch terminal 14. Refer to Wiring Diagram.
2. Also check harness for short to ground and short to power.
OK or NG
OK >> GO TO 7.
DISTANCE switch DIST SW Pressed ON
Released OFF
Switch Monitor item Condition Indication
Switch Condition Voltage [V]
MAIN switch Pressed Approx. 0
Released Approx. 4.3
CANCEL switch Pressed Approx. 1.3
Released Approx. 4.3
RESUME/ACCELER-
ATE switch Pressed Approx. 3.7
Released Approx. 4.3
SET/COAST switch Pressed Approx. 3.0
Released Approx. 4.3
DISTANCE switch Pressed Approx. 2.2
Released Approx. 4.3
PBIB0311E
Continuity should exist.
Continuity should exist.
3AA93ABC3ACD3AC03ACA3AC03AC63AC53A913A773A893A873A873A8E3A773A983AC73AC93AC03AC3
3A893A873A873A8F3A773A9D3AAF3A8A3A8C3A863A9D3AAF3A8B3A8C
Page 1700 of 3924
![INFINITI FX35 2008 Service Manual
EC-460
< SERVICE INFORMATION >[VQ35DE]
DTC P1564 ASCD STEERING SWITCH
4. Press SET/COAST switch for at least 10 seconds
, then release it and wait at least 10 seconds.
5. Press CANCEL switch for at l INFINITI FX35 2008 Service Manual
EC-460
< SERVICE INFORMATION >[VQ35DE]
DTC P1564 ASCD STEERING SWITCH
4. Press SET/COAST switch for at least 10 seconds
, then release it and wait at least 10 seconds.
5. Press CANCEL switch for at l](/img/42/57017/w960_57017-1699.png)
EC-460
< SERVICE INFORMATION >[VQ35DE]
DTC P1564 ASCD STEERING SWITCH
4. Press SET/COAST switch for at least 10 seconds
, then release it and wait at least 10 seconds.
5. Press CANCEL switch for at least 10 seconds , then release it and wait at least 10 seconds.
6. Check DTC.
7. If DTC is detected, go to EC-461, "
Diagnosis Procedure".
Wiring DiagramINFOID:0000000001326324
TBWM0733E
3AA93ABC3ACD3AC03ACA3AC03AC63AC53A913A773A893A873A873A8E3A773A983AC73AC93AC03AC3
3A893A873A873A8F3A773A9D3AAF3A8A3A8C3A863A9D3AAF3A8B3A8C
Page 1702 of 3924
![INFINITI FX35 2008 Service Manual
EC-462
< SERVICE INFORMATION >[VQ35DE]
DTC P1564 ASCD STEERING SWITCH
Without CONSULT-III
1. Turn ignition switch ON.
2. Check voltage between ECM terminal 99 and ground with press- ing each button. INFINITI FX35 2008 Service Manual
EC-462
< SERVICE INFORMATION >[VQ35DE]
DTC P1564 ASCD STEERING SWITCH
Without CONSULT-III
1. Turn ignition switch ON.
2. Check voltage between ECM terminal 99 and ground with press- ing each button.](/img/42/57017/w960_57017-1701.png)
EC-462
< SERVICE INFORMATION >[VQ35DE]
DTC P1564 ASCD STEERING SWITCH
Without CONSULT-III
1. Turn ignition switch ON.
2. Check voltage between ECM terminal 99 and ground with press- ing each button.
OK or NG
OK >> GO TO 8.
NG >> GO TO 3.
3.CHECK ASCD STEERING SWITCH GRO UND CIRCUIT FOR OPEN AND SHORT
1. Turn ignition switch OFF.
2. Disconnect combination switch harness connector.
3. Disconnect ECM harness connector.
4. Check harness continuity between combination switch terminal 15 and ECM terminal 82. Refer to Wiring Diagram.
5. Also check harness for short to ground and short to power.
OK or NG
OK >> GO TO 5.
NG >> GO TO 4.
4.DETECT MALFUNCTIONING PART
Check the following.
Combination switch (spiral cable)
Harness for open and short between ECM and combination switch
>> Repair open circuit or short to power in harness or connectors.
5.CHECK ASCD STEERING SWITCH INPUT SI GNAL CIRCUIT FOR OPEN AND SHORT
1. Check harness continuity between ECM terminal 99 and combination switch terminal 14. Refer to Wiring Diagram.
2. Also check harness for short to ground and short to power.
OK or NG
OK >> GO TO 7.
NG >> GO TO 6.
6.DETECT MALFUNCTIONING PART
SET/COAST switch SET SW Pressed ON
Released OFF
Switch Monitor item Condition Indication
Switch Condition Voltage [V]
MAIN switch Pressed Approx. 0
Released Approx. 4.0
CANCEL switch Pressed Approx. 1.0
Released Approx. 4.0
RESUME/ACCELERATE
switch Pressed Approx. 3.0
Released Approx. 4.0
SET/COAST switch Pressed Approx. 2.0
Released Approx. 4.0
PBIB0311E
Continuity should exist.
Continuity should exist.
3AA93ABC3ACD3AC03ACA3AC03AC63AC53A913A773A893A873A873A8E3A773A983AC73AC93AC03AC3
3A893A873A873A8F3A773A9D3AAF3A8A3A8C3A863A9D3AAF3A8B3A8C
Page 1707 of 3924
![INFINITI FX35 2008 Service Manual
DTC P1572 ICC BRAKE SWITCHEC-467
< SERVICE INFORMATION > [VQ35DE]
C
D
E
F
G H
I
J
K L
M A
EC
NP
O
Wiring DiagramINFOID:0000000001326334
Specification data are reference values
and are measured betwe INFINITI FX35 2008 Service Manual
DTC P1572 ICC BRAKE SWITCHEC-467
< SERVICE INFORMATION > [VQ35DE]
C
D
E
F
G H
I
J
K L
M A
EC
NP
O
Wiring DiagramINFOID:0000000001326334
Specification data are reference values
and are measured betwe](/img/42/57017/w960_57017-1706.png)
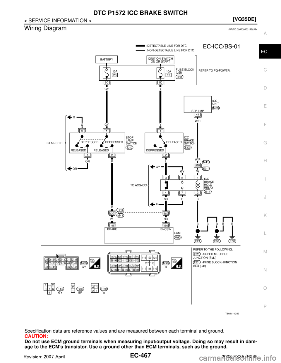
DTC P1572 ICC BRAKE SWITCHEC-467
< SERVICE INFORMATION > [VQ35DE]
C
D
E
F
G H
I
J
K L
M A
EC
NP
O
Wiring DiagramINFOID:0000000001326334
Specification data are reference values
and are measured between each terminal and ground.
CAUTION:
Do not use ECM ground terminals wh en measuring input/output voltage. Doing so may result in dam-
age to the ECM's transistor. Use a ground ot her than ECM terminals, such as the ground.
TBWM1401E
3AA93ABC3ACD3AC03ACA3AC03AC63AC53A913A773A893A873A873A8E3A773A983AC73AC93AC03AC3
3A893A873A873A8F3A773A9D3AAF3A8A3A8C3A863A9D3AAF3A8B3A8C