warning INFINITI M35 2006 Factory Service Manual
[x] Cancel search | Manufacturer: INFINITI, Model Year: 2006, Model line: M35, Model: INFINITI M35 2006Pages: 5621, PDF Size: 65.56 MB
Page 1442 of 5621

COMBINATION METERS
DI-9
C
D
E
F
G
H
I
J
L
MA
B
DI
Revision: 2006 January2006 M35/M45
FA I L - S A F E
Combination meter performs fail-safe operation when unified meter and A/C amp. communication is malfunc-
tion.
Solution for communication error between the unified meter & A/C amp. and combination meter
Function Specifications
Speedometer
Reset to zero by suspending communication. Tachometer
Fuel gauge
Water temperature gauge
Illumination control Meter illumination When suspending communication, change to nighttime mode.
Dot matrix LCDPush engine starter
The display turns off by suspending communication. A/T position
ICC system
Buzzer The buzzer turns off by suspending communication.
Warning lamp/indicator lampABS warning lamp
The lamp turns on by suspending communication. Brake warning lamp
CRUISE warning lamp
VDC OFF indicator lamp
SLIP indicator lamp
A/T CHECK warning lamp
The lamp turns off by suspending communication. AWD warning lamp
Oil pressure warning lamp
Door warning lamp
Malfunction indicator lamp
CRUISE indicator lamp
SET indicator lamp
Low tire pressure warning lamp
AFS OFF indicator lamp
Front fog indicator lamp
High beam indicator
Turn signal indicator lamp
Key warning lamp
Page 1450 of 5621

COMBINATION METERS
DI-17
C
D
E
F
G
H
I
J
L
MA
B
DI
Revision: 2006 January2006 M35/M45
Self-Diagnosis Mode of Combination MeterNKS003U2
SELF-DIAGNOSIS FUNCTION
Odo/trip meter segment and dot matrix LCD segment operation can be checked in self-diagnosis mode.
Meters/gauges can be checked in self-diagnosis mode.
OPERATION PROCEDURE
1. Turn ignition switch ON, and switch the odo/trip meter to “trip A” or “trip B”.
NOTE:
If the diagnosis function is activated with “trip A” displayed, the mileage on “trip A” is reset to “0000.0”.
(The same way for “trip B”.)
2. Turn ignition switch OFF.
3. While pressing the odo/trip meter switch (1), turn ignition switch
ON again.
4. Make sure that the trip meter displays “0000.0”.
5. Press the odo/trip meter switch (1) at least 3 times. (Within 7
seconds after the ignition switch is turned ON.)
6. The unified meter control unit is turned to self-diagnosis mode.
Dot in all segments of dot matrix LCD (1) flashes alternately.
All the segments on the odo/trip meter (2) illuminates.
Water temperature gauge and fuel gauge return to zero, and at the same time, low-fuel warning indica-
tor turns ON.
NOTE:
Check combination meter power supply and ground circuit when self-diagnosis mode of combination
meter does not start. Replace combination meter if normal.
If any of the segments is not displayed, replace combination meter.
7. Each meter activates during pressing odo/trip meter switch.
(Then low-fuel warning lamp turns OFF.)
NOTE:
If any of the meter and gages is not activated, replace combina-
tion meter.
PKIB7633E
SKIB2939J
PKIB7636E
Page 1451 of 5621

DI-18
COMBINATION METERS
Revision: 2006 January2006 M35/M45
CONSULT-II Function (METER A/C AMP)NKS003U3
Refer to DI-31, "CONSULT-II Function (METER A/C AMP)" in “UNIFIED METER AND A/C AMP”.
Trouble DiagnosisNKS003U4
HOW TO PERFORM TROUBLE DIAGNOSIS
1. Confirm the symptom or customer complaint.
2. Perform preliminary check. Refer to DI-18, "
PRELIMINARY CHECK" .
3. According to the symptom chart, make sure the cause of the symptom and repair or replace applicable
parts. Refer to DI-18, "
Symptom Chart" .
4. Does the meter operate normally? If yes, GO TO 5. If no, GO TO 2.
5. INSPECTION END
PRELIMINARY CHECK
1. CHECK OPERATION SELF-DIAGNOSIS MODE OF COMBINATION METER
Perform self-diagnosis mode of combination meter. Refer to DI-17, "
OPERATION PROCEDURE" .
Does self
-diagnosis mode operate?
YES >> GO TO 2.
NO >> GO TO 3.
2. CHECK UNIFIED METER AND A/C AMP. (CONSULT-II)
Perform self-diagnosis of unified meter and A/C amp. Refer to DI-31, "
CONSULT-II Function (METER A/C
AMP)" .
Self
-diagnostic results content
No malfunction detected>>INSPECTION END
Malfunction detected>>Check applicable parts, and repair or replace corresponding parts.
3. CHECK POWER SUPPLY AND GROUND CIRCUIT OF COMBINATION METER
Check power supply and ground circuit of combination meter. Refer to DI-19, "
Power Supply and Ground Cir-
cuit Inspection" .
OK or NG
OK >> Replace combination meter.
NG >> Repair power supply and ground circuit of combination meter.
Symptom ChartNKS003U5
Symptom Diagnosis/Service procedure
Speedometer or odo/trip meter indication is malfunction. Refer to DI-20, "
Vehicle Speed Signal Inspection" .
Tachometer indication is malfunction. Refer to DI-21, "
Engine Speed Signal Inspection" .
Water temperature gauge indication is malfunction. Refer to DI-22, "
Engine Coolant Temperature Signal Inspection" .
Fuel gauge indication is malfunction.
Refer to DI-22, "
Fuel Level Sensor Signal Inspection" .
Low-fuel warning lamp indication is irregular.
A/T position indicator is malfunction. Refer to DI-59, "
A/T Indicator Is Malfunction" .
Page 1455 of 5621

DI-22
COMBINATION METERS
Revision: 2006 January2006 M35/M45
Engine Coolant Temperature Signal InspectionNKS003U9
Symptom: Water temperature gauge indication is malfunction.
1. CHECK UNIFIED METER AND A/C AMP. INPUT SIGNAL
1. Start engine and select “METER A/C AMP” on CONSULT-II.
2. Using “W TEMP METER” on “DATA MONITOR”, compare the
value of “DATA MONITOR” to the indication of water tempera-
ture gauge of combination meter.
Is the indication of water temperature gauge same as the value in
the monitor?
OK >> GO TO 2.
NG >> Replace combination meter. [Perform self-diagnosis of ECM when the value in the monitor indi-
cates 215
C (419F). Then repair or replace the malfunction part.]
2. CHECK UNIFIED METER AND A/C AMP. INPUT SIGNAL
1. Select “ENGINE” on CONSULT-II.
2. Using “COOLAN TEMP/S” on “DATA MONITOR”, print out the
CONSULT-II screen.
3. Select “METER A/C AMP” on CONSULT-II.
4. Using “W TEMP METER” on “DATA MONITOR”, compare the
value of “DATA MONITOR” to that of the “COOLAN TEMP/S”.
OK or NG
OK >> Perform self-diagnosis of ECM. Refer to EC-133, "CON-
SULT-II Function (ENGINE)" (for VQ35DE) or EC-846,
"CONSULT-II Function (ENGINE)" (for VK45DE).
NG >> Replace unified meter and A/C amp.
Fuel Level Sensor Signal InspectionNKS003UA
Symptom:
Fuel gauge indication is malfunction.
Low-fuel warning lamp indication is irregular.
NOTE:
The following symptoms are not malfunction.
Fuel level sensor unit
Depending on vehicle position or driving circumstance, the fuel level in the tank varies, and the pointer
may fluctuate.
If the vehicle is fueled with the ignition switch ON, the pointer will move slowly.
Low-fuel warning lamp
Depending on vehicle position or driving circumstance, the fuel in the tank flows and the warning lamp ON
timing may change.
Water temperature gauge pointer Reference value of data monitor C (F)
Hot Approx. 130 (266)
Middle Approx. 70 - 105 (158 - 221)
Cold Approx. 50 (122)
PKIA2091E
SKIA4368E
Page 1461 of 5621

DI-28
UNIFIED METER AND A/C AMP
Revision: 2006 January2006 M35/M45
UNIFIED METER AND A/C AMPPFP:27760
System DescriptionNKS003UG
For the unified meter and A/C amp., the signal required for controlling the combination meter are integrated in
the A/C auto amp.
COMBINATION METER CONTROL FUNCTION
Unified meter and A/C amp. inputs necessary information for combination meter from each unit with CAN
communication and so on.
Unified meter and A/C amp. outputs signals with communication line (TX, RX) between unified meter and
A/C amp. and combination meter.
Unified meter and A/C amp. corresponds a CONSULT-II function (self-diagnostic results, CAN diagnostic
support monitor and data monitor).
Input/output Signals
Between unified meter and A/C amp. and combination meter.
Unit Input from combination meter Output to combination meter
Unified meter and A/C amp.
Refuel status signal
Low-fuel warning lamp condition signal
Delivery destination data signal
Combination meter receive error signal
Combination meter specifications signal
Odo date signal
Vehicle speed signal
Turn indicator signal
High beam request signal
Ring illumination request signal
Position light request signal
Front fog lamp request signal
SET indicator lamp signal
CRUISE indicator lamp signal
Engine speed signal
Fuel level sensor signal (resistance value)
Engine coolant temperature signal
CAN communication condition signal of A/T
A/T position indicator signal
Manual mode indicator signal
A/T CHECK warning lamp signal
AWD warning lamp signal
Low tire pressure warning lamp signal
VDC OFF indicator lamp signal
SLIP indicator lamp signal
ABS warning lamp signal
Brake warning lamp signal
Malfunction indicator lamp signal
Oil pressure switch signal
Door switch signal
Buzzer request signal
ICC warning lamp signal
Meter display signal
AFS OFF indicator signal
Page 1466 of 5621

UNIFIED METER AND A/C AMP
DI-33
C
D
E
F
G
H
I
J
L
MA
B
DI
Revision: 2006 January2006 M35/M45
DATA MONITOR
Operation Procedure
1. Touch “DATA MONITOR” on “SELECT DIAG MODE” screen.
2. Touch either “MAIN SIGNALS” or “SELECTION FROM MENU” on the “DATA MONITOR” screen.
3. When “SELECTION FROM MENU” is selected, touch individual items to be monitored. When “MAIN SIG-
NALS” is selected, main items will be monitored.
4. Touch “START”.
5. Touch “RECORD” while monitoring, then the status of the moni-
tored item can be recorded. To stop recording, touch “STOP”.
Display Item List
X: Applicable MAIN SIGNALS Monitors main signals.
SELECTION FROM MENU Selects and monitors individual signal.
SKIA4957E
Display item [Unit]MAIN
SIGNALSSELECTION
FROM MENUDescription
SPEED METER [km/h] or [mph] X XDisplays the value of vehicle speed signal, which is input from ABS
actuator and electric unit (control unit).
SPEED OUTPUT [km/h] or [mph] X XDisplays the value of vehicle speed signal, which is transmitted to
each unit with CAN communication.
TACHO METER [rpm] X X Displays the value of engine speed signal, which is input from ECM.
W TEMP METER [
C] or [F] X XDisplays the value of engine coolant temperature signal, which is
input from ECM.
FUEL METER [lit.] X XDisplays the value, which processes a resistance signal from fuel
gauge.
DISTANCE [km] or [mile] X XDisplays the value, which is calculated by vehicle speed signal from
ABS actuator and electric unit (control unit), fuel gauge and fuel
consumption from ECM.
FUEL W/L [ON/OFF] X X Displays [ON/OFF] condition of low-fuel warning lamp.
MIL [ON/OFF] X Displays [ON/OFF] condition of malfunction indicator lamp.
AIR PRES W/L [ON/OFF] X Displays [ON/OFF] condition of low tire pressure warning lamp.
SEAT BELT W/L [ON/OFF] X Displays [ON/OFF] condition of seat belt warning lamp.
BUZZER [ON/OFF] X X Displays [ON/OFF] condition of buzzer.
DOOR W/L [ON/OFF] X Displays [ON/OFF] condition of door warning lamp.
HI-BEAM IND [ON/OFF] X Displays [ON/OFF] condition of high beam indicator.
TURN IND [ON/OFF] X Displays [ON/OFF] condition of turn indicator.
FR FOG IND [ON/OFF] X Displays [ON/OFF] condition of front fog indicator.
OIL W/L [ON/OFF] X Displays [ON/OFF] condition of oil pressure warning lamp.
VDC/TCS IND [ON/OFF] X Displays [ON/OFF] condition of VDC/TCS OFF indicator lamp.
ABS W/L [ON/OFF] X Displays [ON/OFF] condition of ABS warning lamp.
SLIP IND [ON/OFF] X Displays [ON/OFF] condition of SLIP indicator lamp.
BRAKE W/L [ON/OFF] X Displays [ON/OFF] condition of brake warning lamp. *
KEY Y/G W/L [ON/OFF] X Displays [ON/OFF] condition of key warning lamp.
Page 1467 of 5621

DI-34
UNIFIED METER AND A/C AMP
Revision: 2006 January2006 M35/M45
NOTE:
Monitored item that does not match the vehicle is deleted from the display automatically.
*: Monitor keeps indicating “OFF” when brake warning lamp is on by the parking brake operation or low brake fluid level. PNP P SW [ON/OFF] X X Displays [ON/OFF] condition of inhibitor switch P range.
M RANGE SW [ON/OFF] X X Displays [ON/OFF] condition of manual mode range switch.
NM RANGE SW [ON/OFF] X XDisplays [ON/OFF] condition of except for manual mode range
switch.
AT SFT UP SW [ON/OFF] X X Displays [ON/OFF] condition of A/T shift-up switch.
AT SFT DWN SW [ON/OFF] X X Displays [ON/OFF] condition of A/T shift-down switch.
AT P MODE SW X Displays [ON/OFF] condition of A/T POWER mode switch.
AT S MODE SW X Displays [ON/OFF] condition of A/T SNOW mode switch.
BRAKE SW [ON/OFF] * X Displays [ON/OFF] condition of brake switch (stop lamp switch).
AT-M IND [ON/OFF] X X Displays [ON/OFF] condition of A/T manual mode indicator.
AT-M GEAR [5-1] X X Displays [5-1] condition of A/T manual mode gear position.
P RANGE IND [ON/OFF] X X Displays [ON/OFF] condition of A/T shift P range indicator.
R RANGE IND [ON/OFF] X X Displays [ON/OFF] condition of A/T shift R range indicator.
N RANGE IND [ON/OFF] X X Displays [ON/OFF] condition of A/T shift N range indicator.
D RANGE IND [ON/OFF] X X Displays [ON/OFF] condition of A/T shift D range indicator.
AT IND [ON/OFF] X Displays [ON/OFF] condition of A/T indicator.
CRUISE IND [ON/OFF] X Displays [ON/OFF] condition of CRUISE indicator.
SET IND [ON/OFF] X Displays [ON/OFF] condition of SET indicator.
CRUISE W/L [ON/OFF] X Displays [ON/OFF] condition of CRUISE warning lamp.
4WD W/L [ON/OFF] X Displays [ON/OFF] condition of AWD warning lamp.
AFS OFF IND [ON/OFF] X Displays [ON/OFF] condition of AFS OFF indicator. Display item [Unit]MAIN
SIGNALSSELECTION
FROM MENUDescription
Page 1473 of 5621

DI-40
WARNING LAMPS
Revision: 2006 January2006 M35/M45
WARNING LAMPSPFP:24814
System DescriptionNKS003UO
OIL PRESSURE WARNING LAMP
Oil pressure warning lamp turns ON when reducing engine oil pressure abnormally.
IPDM E/R inputs oil pressure switch signal from oil pressure switch, and transmits the signal to unified
meter and A/C amp. through BCM with CAN communication.
Unified meter and A/C amp. transmits oil pressure switch signal to combination meter with communication
line.
Let the combination meter turn oil pressure warning lamp ON with received oil pressure switch signal.
PKIB7655E
Page 1474 of 5621

WARNING LAMPS
DI-41
C
D
E
F
G
H
I
J
L
MA
B
DI
Revision: 2006 January2006 M35/M45
Component Parts and Harness Connector LocationNKS003UP
PKIB7653E
Page 1475 of 5621

DI-42
WARNING LAMPS
Revision: 2006 January2006 M35/M45
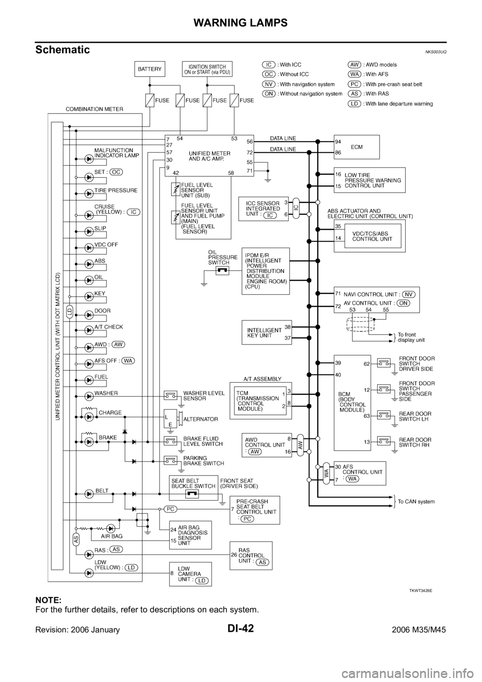
SchematicNKS003UQ
NOTE:
For the further details, refer to descriptions on each system.
TKWT3426E