INFINITI M35 2006 Factory Service Manual
Manufacturer: INFINITI, Model Year: 2006, Model line: M35, Model: INFINITI M35 2006Pages: 5621, PDF Size: 65.56 MB
Page 2211 of 5621
![INFINITI M35 2006 Factory Service Manual EC-668
[VQ35DE]
IGNITION SIGNAL
Revision: 2006 January2006 M35/M45
Specification data are reference values and are measured between each terminal and ground.
CAUTION:
Do not use ECM ground terminals w INFINITI M35 2006 Factory Service Manual EC-668
[VQ35DE]
IGNITION SIGNAL
Revision: 2006 January2006 M35/M45
Specification data are reference values and are measured between each terminal and ground.
CAUTION:
Do not use ECM ground terminals w](/img/42/57023/w960_57023-2210.png)
EC-668
[VQ35DE]
IGNITION SIGNAL
Revision: 2006 January2006 M35/M45
Specification data are reference values and are measured between each terminal and ground.
CAUTION:
Do not use ECM ground terminals when measuring input/output voltage. Doing so may result in dam-
age to the ECM's transistor. Use a ground other than ECM terminals, such as the ground.
TER-
MINAL
NO.WIRE
COLORITEM CONDITION DATA (DC Voltage)
111 S BECM relay
(Self shut-off)[Engine is running]
[Ignition switch: OFF]
A few seconds after turning ignition switch
OFF0 - 1.5V
[Ignition switch: OFF]
More than a few seconds after turning igni-
tion switch OFFBATTERY VOLTAGE
(11 - 14V)
11 9
120R
RPower supply for ECM[Ignition switch: ON]BATTERY VOLTAGE
(11 - 14V)
Page 2212 of 5621
![INFINITI M35 2006 Factory Service Manual IGNITION SIGNAL
EC-669
[VQ35DE]
C
D
E
F
G
H
I
J
K
L
MA
EC
Revision: 2006 January2006 M35/M45
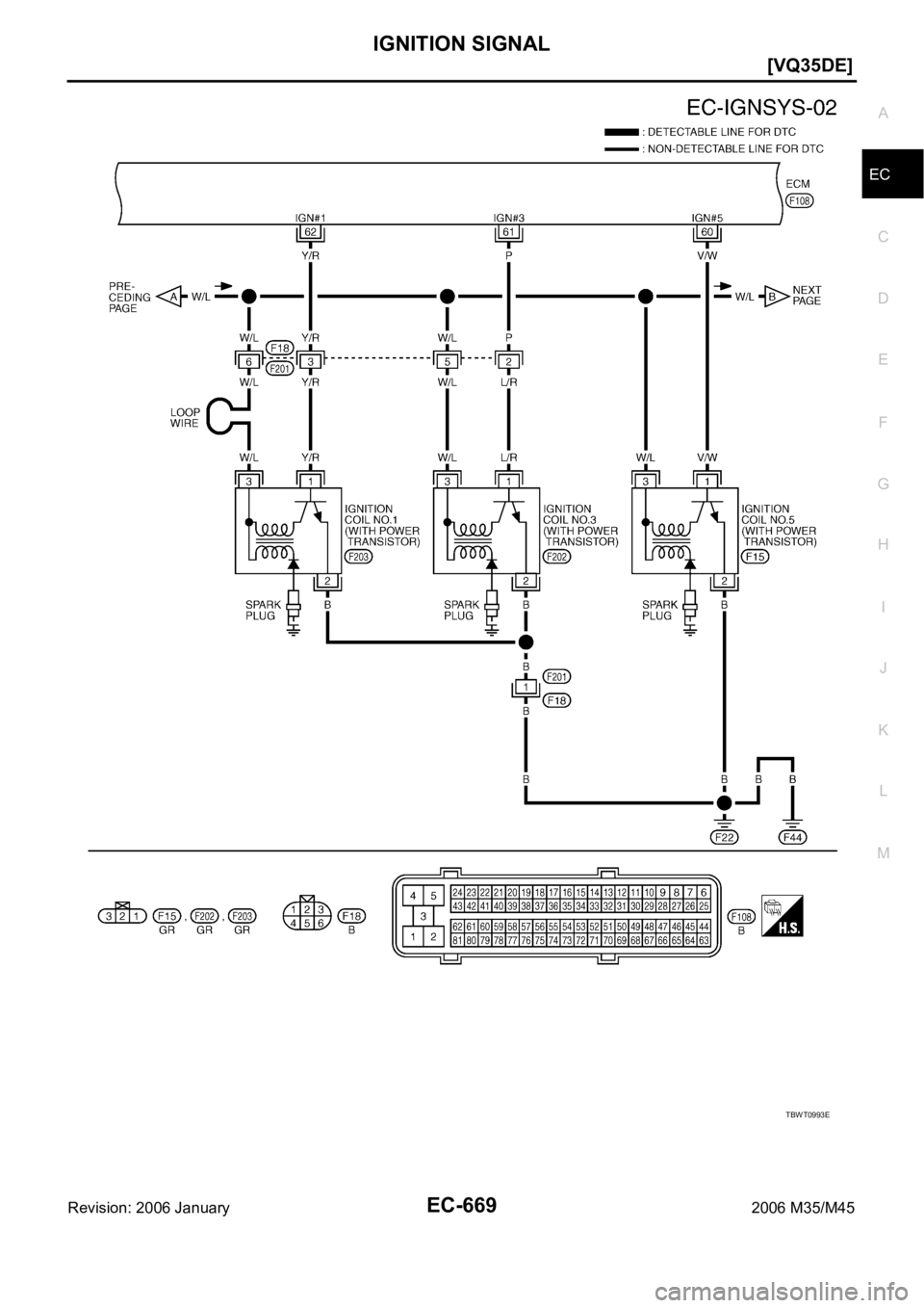
TBWT0993E INFINITI M35 2006 Factory Service Manual IGNITION SIGNAL
EC-669
[VQ35DE]
C
D
E
F
G
H
I
J
K
L
MA
EC
Revision: 2006 January2006 M35/M45
TBWT0993E](/img/42/57023/w960_57023-2211.png)
IGNITION SIGNAL
EC-669
[VQ35DE]
C
D
E
F
G
H
I
J
K
L
MA
EC
Revision: 2006 January2006 M35/M45
TBWT0993E
Page 2213 of 5621
![INFINITI M35 2006 Factory Service Manual EC-670
[VQ35DE]
IGNITION SIGNAL
Revision: 2006 January2006 M35/M45
Specification data are reference values and are measured between each terminal and ground.
Pulse signal is measured by CONSULT-II.
CA INFINITI M35 2006 Factory Service Manual EC-670
[VQ35DE]
IGNITION SIGNAL
Revision: 2006 January2006 M35/M45
Specification data are reference values and are measured between each terminal and ground.
Pulse signal is measured by CONSULT-II.
CA](/img/42/57023/w960_57023-2212.png)
EC-670
[VQ35DE]
IGNITION SIGNAL
Revision: 2006 January2006 M35/M45
Specification data are reference values and are measured between each terminal and ground.
Pulse signal is measured by CONSULT-II.
CAUTION:
Do not use ECM ground terminals when measuring input/output voltage. Doing so may result in dam-
age to the ECM's transistor. Use a ground other than ECM terminals, such as the ground.
: Average voltage for pulse signal (Actual pulse signal can be confirmed by oscilloscope.) TER-
MINAL
NO.WIRE
COLORITEM CONDITION DATA (DC Voltage)
60
61
62V/W
P
Y/RIgnition signal No. 5
Ignition signal No. 3
Ignition signal No. 1[Engine is running]
Warm-up condition
Idle speed
NOTE:
The pulse cycle changes depending on rpm
at idle0 - 0.2V
[Engine is running]
Warm-up condition
Engine speed: 2,000 rpm0.1 - 0.4V
PBIB0044E
PBIB0045E
Page 2214 of 5621
![INFINITI M35 2006 Factory Service Manual IGNITION SIGNAL
EC-671
[VQ35DE]
C
D
E
F
G
H
I
J
K
L
MA
EC
Revision: 2006 January2006 M35/M45
TBWT0994E INFINITI M35 2006 Factory Service Manual IGNITION SIGNAL
EC-671
[VQ35DE]
C
D
E
F
G
H
I
J
K
L
MA
EC
Revision: 2006 January2006 M35/M45
TBWT0994E](/img/42/57023/w960_57023-2213.png)
IGNITION SIGNAL
EC-671
[VQ35DE]
C
D
E
F
G
H
I
J
K
L
MA
EC
Revision: 2006 January2006 M35/M45
TBWT0994E
Page 2215 of 5621
![INFINITI M35 2006 Factory Service Manual EC-672
[VQ35DE]
IGNITION SIGNAL
Revision: 2006 January2006 M35/M45
Specification data are reference values and are measured between each terminal and ground.
Pulse signal is measured by CONSULT-II.
CA INFINITI M35 2006 Factory Service Manual EC-672
[VQ35DE]
IGNITION SIGNAL
Revision: 2006 January2006 M35/M45
Specification data are reference values and are measured between each terminal and ground.
Pulse signal is measured by CONSULT-II.
CA](/img/42/57023/w960_57023-2214.png)
EC-672
[VQ35DE]
IGNITION SIGNAL
Revision: 2006 January2006 M35/M45
Specification data are reference values and are measured between each terminal and ground.
Pulse signal is measured by CONSULT-II.
CAUTION:
Do not use ECM ground terminals when measuring input/output voltage. Doing so may result in dam-
age to the ECM's transistor. Use a ground other than ECM terminals, such as the ground.
: Average voltage for pulse signal (Actual pulse signal can be confirmed by oscilloscope.)
Diagnostic ProcedureNBS0057Q
1. CHECK ENGINE START
Turn ignition switch OFF, and restart engine.
Is engine running?
Ye s o r N o
Yes (With CONSULT-II)>>GO TO 2.
Yes (Without CONSULT-II)>>GO TO 3.
No >> GO TO 4.
2. CHECK OVERALL FUNCTION
With CONSULT-II
1. Perform “POWER BALANCE” in “ACTIVE TEST” mode with
CONSULT-II.
2. Make sure that each circuit produces a momentary engine
speed drop.
OK or NG
OK >>INSPECTION END
NG >> GO TO 10.
TER-
MINAL
NO.WIRE
COLORITEM CONDITION DATA (DC Voltage)
79
80
81GR/R
GR/B
G/RIgnition signal No. 6
Ignition signal No. 4
Ignition signal No. 2[Engine is running]
Warm-up condition
Idle speed
NOTE:
The pulse cycle changes depending on rpm
at idle0 - 0.2V
[Engine is running]
Warm-up condition
Engine speed: 2,000 rpm0.1 - 0.4V
PBIB0044E
PBIB0045E
PBIB0133E
Page 2216 of 5621
![INFINITI M35 2006 Factory Service Manual IGNITION SIGNAL
EC-673
[VQ35DE]
C
D
E
F
G
H
I
J
K
L
MA
EC
Revision: 2006 January2006 M35/M45
3. CHECK OVERALL FUNCTION
Without CONSULT-II
1. Let engine idle.
2. Read the voltage signal between ECM te INFINITI M35 2006 Factory Service Manual IGNITION SIGNAL
EC-673
[VQ35DE]
C
D
E
F
G
H
I
J
K
L
MA
EC
Revision: 2006 January2006 M35/M45
3. CHECK OVERALL FUNCTION
Without CONSULT-II
1. Let engine idle.
2. Read the voltage signal between ECM te](/img/42/57023/w960_57023-2215.png)
IGNITION SIGNAL
EC-673
[VQ35DE]
C
D
E
F
G
H
I
J
K
L
MA
EC
Revision: 2006 January2006 M35/M45
3. CHECK OVERALL FUNCTION
Without CONSULT-II
1. Let engine idle.
2. Read the voltage signal between ECM terminals 60, 61, 62, 79,
80, 81 and ground with an oscilloscope.
3. Verify that the oscilloscope screen shows the signal wave as
shown below.
NOTE:
The pulse cycle changes depending on rpm at idle.
OK or NG
OK >>INSPECTION END
NG >> GO TO 10.
4. CHECK IGNITION COIL POWER SUPPLY CIRCUIT-I
1. Turn ignition switch OFF, wait at least 10 seconds and then turn ON.
2. Check voltage between ECM terminals 119, 120 and ground
with CONSULT-II or tester.
OK or NG
OK >> GO TO 5.
NG >> Go to EC-166, "
POWER SUPPLY AND GROUND CIR-
CUIT" .
PBIB1186E
PBIB0044E
Voltage: Battery voltage
MBIB0034E
Page 2217 of 5621
![INFINITI M35 2006 Factory Service Manual EC-674
[VQ35DE]
IGNITION SIGNAL
Revision: 2006 January2006 M35/M45
5. CHECK IGNITION COIL POWER SUPPLY CIRCUIT-II
1. Turn ignition switch OFF.
2. Disconnect condenser harness connector.
3. Turn igniti INFINITI M35 2006 Factory Service Manual EC-674
[VQ35DE]
IGNITION SIGNAL
Revision: 2006 January2006 M35/M45
5. CHECK IGNITION COIL POWER SUPPLY CIRCUIT-II
1. Turn ignition switch OFF.
2. Disconnect condenser harness connector.
3. Turn igniti](/img/42/57023/w960_57023-2216.png)
EC-674
[VQ35DE]
IGNITION SIGNAL
Revision: 2006 January2006 M35/M45
5. CHECK IGNITION COIL POWER SUPPLY CIRCUIT-II
1. Turn ignition switch OFF.
2. Disconnect condenser harness connector.
3. Turn ignition switch ON.
4. Check voltage between condenser terminal 1 and ground with
CONSULT-II or tester.
OK or NG
OK >> GO TO 8.
NG >> GO TO 6.
6. CHECK IGNITION COIL POWER SUPPLY CIRCUIT-III
1. Turn ignition switch OFF.
2. Disconnect IPDM E/R harness connector E7.
3. Check harness continuity between IPDM E/R terminal 17 and condenser terminal 1.
Refer to Wiring Diagram.
4. Also check harness for short to ground and short to power.
OK or NG
OK >> Go to EC-166, "POWER SUPPLY AND GROUND CIRCUIT" .
NG >> GO TO 7.
7. DETECT MALFUNCTIONING PART
Check the following.
Harness connectors E12, F3
Harness for open or short between IPDM E/R and condenser
>> Repair open circuit or short to ground or short to power in harness or connectors.
PBIB1606E
Voltage: Battery voltage
PBIB0624E
Continuity should exist.
Page 2218 of 5621
![INFINITI M35 2006 Factory Service Manual IGNITION SIGNAL
EC-675
[VQ35DE]
C
D
E
F
G
H
I
J
K
L
MA
EC
Revision: 2006 January2006 M35/M45
8. CHECK CONDENSER GROUND CIRCUIT FOR OPEN AND SHORT
1. Turn ignition switch OFF.
2. Check harness continui INFINITI M35 2006 Factory Service Manual IGNITION SIGNAL
EC-675
[VQ35DE]
C
D
E
F
G
H
I
J
K
L
MA
EC
Revision: 2006 January2006 M35/M45
8. CHECK CONDENSER GROUND CIRCUIT FOR OPEN AND SHORT
1. Turn ignition switch OFF.
2. Check harness continui](/img/42/57023/w960_57023-2217.png)
IGNITION SIGNAL
EC-675
[VQ35DE]
C
D
E
F
G
H
I
J
K
L
MA
EC
Revision: 2006 January2006 M35/M45
8. CHECK CONDENSER GROUND CIRCUIT FOR OPEN AND SHORT
1. Turn ignition switch OFF.
2. Check harness continuity between condenser terminal 2 and ground.
Refer to Wiring Diagram.
3. Also check harness for short to power.
OK or NG
OK >> GO TO 9.
NG >> Repair open circuit or short to power in harness or connectors.
9. CHECK CONDENSER
Refer to EC-677, "
Component Inspection"
OK or NG
OK >> GO TO 10.
NG >> Replace condenser.
10. CHECK IGNITION COIL POWER SUPPLY CIRCUIT-V
1. Reconnect all harness connectors disconnected.
2. Disconnect ignition coil harness connector.
3. Turn ignition switch ON.
4. Check voltage between ignition coil terminal 3 and ground with
CONSULT-II or tester.
OK or NG
OK >> GO TO 12.
NG >> GO TO 11.
11 . DETECT MALFUNCTIONING PART
Check the following.
Harness connectors F18, F201
Harness connector F3
Harness for open or short between ignition coil and harness connector F3
>> Repair or replace harness or connectors. Continuity should exist.
Voltage: Battery voltage
PBIB1560E
PBIB0138E
Page 2219 of 5621
![INFINITI M35 2006 Factory Service Manual EC-676
[VQ35DE]
IGNITION SIGNAL
Revision: 2006 January2006 M35/M45
12. CHECK IGNITION COIL GROUND CIRCUIT FOR OPEN AND SHORT
1. Turn ignition switch OFF.
2. Check harness continuity between ignition c INFINITI M35 2006 Factory Service Manual EC-676
[VQ35DE]
IGNITION SIGNAL
Revision: 2006 January2006 M35/M45
12. CHECK IGNITION COIL GROUND CIRCUIT FOR OPEN AND SHORT
1. Turn ignition switch OFF.
2. Check harness continuity between ignition c](/img/42/57023/w960_57023-2218.png)
EC-676
[VQ35DE]
IGNITION SIGNAL
Revision: 2006 January2006 M35/M45
12. CHECK IGNITION COIL GROUND CIRCUIT FOR OPEN AND SHORT
1. Turn ignition switch OFF.
2. Check harness continuity between ignition coil terminal 2 and ground.
Refer to Wiring Diagram.
3. Also check harness for short to power.
OK or NG
OK >> GO TO 14.
NG >> GO TO 13.
13. DETECT MALFUNCTIONING PART
Check the following.
Harness connectors F201, F18
Harness for open or short between ignition coil and ground
>> Repair open circuit or short to power in harness or connectors.
14. CHECK IGNITION COIL OUTPUT SIGNAL CIRCUIT FOR OPEN AND SHORT
1. Disconnect ECM harness connector.
2. Check harness continuity between ECM terminals 60, 61, 62, 79, 80, 81 and ignition coil terminal 1. Refer
to Wiring Diagram.
3. Also check harness for short to ground and short to power.
OK or NG
OK >> GO TO 16.
NG >> GO TO 15.
15. DETECT MALFUNCTIONING PART
Check the following.
Harness connectors F201, F18
Harness for open or short between ignition coil and ECM
>> Repair open circuit or short to ground or short to power in harness or connectors.
16. CHECK IGNITION COIL WITH POWER TRANSISTOR
Refer to EC-677, "
Component Inspection" .
OK or NG
OK >> GO TO 17.
NG >> Replace ignition coil with power transistor.
17. CHECK INTERMITTENT INCIDENT
Refer to EC-165, "
TROUBLE DIAGNOSIS FOR INTERMITTENT INCIDENT" .
>>INSPECTION END Continuity should exist.
Continuity should exist.
Page 2220 of 5621
![INFINITI M35 2006 Factory Service Manual IGNITION SIGNAL
EC-677
[VQ35DE]
C
D
E
F
G
H
I
J
K
L
MA
EC
Revision: 2006 January2006 M35/M45
Component InspectionNBS0057R
IGNITION COIL WITH POWER TRANSISTOR
CAUTION:
Do the following procedure in the INFINITI M35 2006 Factory Service Manual IGNITION SIGNAL
EC-677
[VQ35DE]
C
D
E
F
G
H
I
J
K
L
MA
EC
Revision: 2006 January2006 M35/M45
Component InspectionNBS0057R
IGNITION COIL WITH POWER TRANSISTOR
CAUTION:
Do the following procedure in the](/img/42/57023/w960_57023-2219.png)
IGNITION SIGNAL
EC-677
[VQ35DE]
C
D
E
F
G
H
I
J
K
L
MA
EC
Revision: 2006 January2006 M35/M45
Component InspectionNBS0057R
IGNITION COIL WITH POWER TRANSISTOR
CAUTION:
Do the following procedure in the place where ventilation is good without the combustible.
1. Turn ignition switch OFF.
2. Disconnect ignition coil harness connector.
3. Check resistance between ignition coil terminals as follows.
4. If NG, replace ignition coil with power transistor.
If OK, go to next step.
5. Turn ignition switch OFF.
6. Reconnect all harness connectors disconnected.
7. Remove fuel pump fuse (1) in IPDM E/R (2) to release fuel pres-
sure.
NOTE:
Do not use CONSULT-II to release fuel pressure, or fuel pres-
sure applies again during the following procedure.
8. Start engine.
9. After engine stalls, crank it two or three times to release all fuel
pressure.
10. Turn ignition switch OFF.
11. Remove all ignition coil harness connectors to avoid the electri-
cal discharge from the ignition coils.
12. Remove ignition coil and spark plug of the cylinder to be checked.
13. Crank engine for 5 seconds or more to remove combustion gas in the cylinder.
14. Connect spark plug and harness connector to ignition coil.
15. Fix ignition coil using a rope etc. with gap of 13 - 17 mm
between the edge of the spark plug and grounded metal portion
as shown in the figure.
16. Crank engine for about three seconds, and check whether spark
is generated between the spark plug and the grounded metal
portion.
CAUTION:
Do not approach to the spark plug and the ignition coil
within 50cm. Be careful not to get an electrical shock
while checking, because the electrical discharge voltage
becomes 20kV or more.
It might cause to damage the ignition coil if the gap of more than 17 mm is taken.
NOTE:
When the gap is less than 13, the spark might be generated even if the coil is malfunctioning.
17. If NG, replace ignition coil with power transistor.
CONDENSER
1. Turn ignition switch OFF.
2. Disconnect condenser harness connector.
Terminal No. (Polarity) Resistance [at 25C (77F)]
1 and 2 Except 0 or
1 and 3
Except 0
2 and 3
Spark should be generated.
PBIB0847E
PBIB2697E
PBIB2325E