engine INFINITI M35 2006 Factory Service Manual
[x] Cancel search | Manufacturer: INFINITI, Model Year: 2006, Model line: M35, Model: INFINITI M35 2006Pages: 5621, PDF Size: 65.56 MB
Page 2042 of 5621
![INFINITI M35 2006 Factory Service Manual DTC P0643 SENSOR POWER SUPPLY
EC-499
[VQ35DE]
C
D
E
F
G
H
I
J
K
L
MA
EC
Revision: 2006 January2006 M35/M45
DTC P0643 SENSOR POWER SUPPLYPFP:18919
On Board Diagnosis LogicNBS0052I
This self-diagnosis h INFINITI M35 2006 Factory Service Manual DTC P0643 SENSOR POWER SUPPLY
EC-499
[VQ35DE]
C
D
E
F
G
H
I
J
K
L
MA
EC
Revision: 2006 January2006 M35/M45
DTC P0643 SENSOR POWER SUPPLYPFP:18919
On Board Diagnosis LogicNBS0052I
This self-diagnosis h](/img/42/57023/w960_57023-2041.png)
DTC P0643 SENSOR POWER SUPPLY
EC-499
[VQ35DE]
C
D
E
F
G
H
I
J
K
L
MA
EC
Revision: 2006 January2006 M35/M45
DTC P0643 SENSOR POWER SUPPLYPFP:18919
On Board Diagnosis LogicNBS0052I
This self-diagnosis has the one trip detection logic.
FAIL-SAFE MODE
When the malfunction is detected, ECM enters fail-safe mode and the MIL lights up.
DTC Confirmation ProcedureNBS0052J
NOTE:
If DTC Confirmation Procedure has been previously conducted, always turn ignition switch OFF and wait at
least 10 seconds before conducting the next test.
TESTING CONDITION:
Before performing the following procedure, confirm that battery voltage is more than 10V at idle.
WITH CONSULT-II
1. Turn ignition switch ON.
2. Select “DATA MONITOR” mode with CONSULT-II.
3. Start engine and let it idle for 1 second.
4. If DTC is detected, go to EC-502, "
Diagnostic Procedure" .
WITH GST
Follow the procedure “WITH CONSULT-II” above.
DTC No.Trouble diagnosis
nameDTC detecting condition Possible cause
P0643
0643Sensor power supply
circuit shortECM detects a voltage of power source for
sensor is excessively low or high.
Harness or connectors
(APP sensor 1 circuit is shorted.)
(EVAP control system pressure sensor is
shorted.)
(Refrigerant pressure sensor circuit is
shorted.)
(PSP sensor circuit is shorted.)
(Battery current sensor circuit is shorted.)
Accelerator pedal position sensor
EVAP control system pressure sensor
Refrigerant pressure sensor
Power steering pressure sensor
Battery current sensor
Engine operation condition in fail-safe mode
ECM stops the electric throttle control actuator control, throttle valve is maintained at a fixed opening (approx. 5 degrees) by the return
spring.
SEF058Y
Page 2044 of 5621
![INFINITI M35 2006 Factory Service Manual DTC P0643 SENSOR POWER SUPPLY
EC-501
[VQ35DE]
C
D
E
F
G
H
I
J
K
L
MA
EC
Revision: 2006 January2006 M35/M45
Specification data are reference values and are measured between each terminal and ground.
CA INFINITI M35 2006 Factory Service Manual DTC P0643 SENSOR POWER SUPPLY
EC-501
[VQ35DE]
C
D
E
F
G
H
I
J
K
L
MA
EC
Revision: 2006 January2006 M35/M45
Specification data are reference values and are measured between each terminal and ground.
CA](/img/42/57023/w960_57023-2043.png)
DTC P0643 SENSOR POWER SUPPLY
EC-501
[VQ35DE]
C
D
E
F
G
H
I
J
K
L
MA
EC
Revision: 2006 January2006 M35/M45
Specification data are reference values and are measured between each terminal and ground.
CAUTION:
Do not use ECM ground terminals when measuring input/output voltage. Doing so may result in dam-
age to the ECM's transistor. Use a ground other than ECM terminals, such as the ground.
TER-
MINAL
NO.WIRE
COLORITEM CONDITION DATA (DC Voltage)
48 L/BSensor power supply
(EVAP control system pres-
sure sensor)[Ignition switch: ON]Approximately 5V
49 B/YSensor power supply
(Refrigerant pressure sen-
sor, Battery current sensor)[Ignition switch: ON]Approximately 5V
68 L/YSensor power supply
(Power steering pressure
sensor)[Ignition switch: ON]Approximately 5V
82 WSensor ground
(APP sensor 1)[Engine is running]
Warm-up condition
Idle speedApproximately 0V
83 PSensor ground
(APP sensor 2)[Engine is running]
Warm-up condition
Idle speedApproximately 0V
90 LSensor power supply
(APP sensor 1)[Ignition switch: ON]Approximately 5V
91 BRSensor power supply
(APP sensor 2)[Ignition switch: ON]Approximately 5V
98 RAccelerator pedal position
sensor 2[Ignition switch: ON]
Engine stopped
Accelerator pedal: Fully released0.20 - 0.55V
[Ignition switch: ON]
Engine stopped
Accelerator pedal: Fully depressed1.85 - 2.40V
106 LGAccelerator pedal position
sensor 1[Ignition switch: ON]
Engine stopped
Accelerator pedal: Fully released0.4 - 1.1V
[Ignition switch: ON]
Engine stopped
Accelerator pedal: Fully depressed3.7 - 4.8V
Page 2047 of 5621
![INFINITI M35 2006 Factory Service Manual EC-504
[VQ35DE]
DTC P0850 PNP SWITCH
Revision: 2006 January2006 M35/M45
DTC P0850 PNP SWITCHPFP:23006
Component DescriptionNBS0052M
When the selector lever position is P or N, park/neutral position (P INFINITI M35 2006 Factory Service Manual EC-504
[VQ35DE]
DTC P0850 PNP SWITCH
Revision: 2006 January2006 M35/M45
DTC P0850 PNP SWITCHPFP:23006
Component DescriptionNBS0052M
When the selector lever position is P or N, park/neutral position (P](/img/42/57023/w960_57023-2046.png)
EC-504
[VQ35DE]
DTC P0850 PNP SWITCH
Revision: 2006 January2006 M35/M45
DTC P0850 PNP SWITCHPFP:23006
Component DescriptionNBS0052M
When the selector lever position is P or N, park/neutral position (PNP) switch is ON.
ECM detects the position because the continuity of the line (the ON signal) exists.
CONSULT-II Reference Value in Data Monitor ModeNBS0052N
Specification data are reference values.
On Board Diagnosis LogicNBS0052O
DTC Confirmation ProcedureNBS0052P
CAUTION:
Always drive vehicle at a safe speed.
NOTE:
If DTC Confirmation Procedure has been previously conducted, always turn ignition switch OFF and wait at
least 10 seconds before conducting the next test.
WITH CONSULT-II
1. Turn ignition switch ON.
2. Select “P/N POSI SW” in “DATA MONITOR” mode with CON-
SULT-II. Then check the “P/N POSI SW” signal under the follow-
ing conditions.
If NG, go to EC-507, "
Diagnostic Procedure" .
If OK, go to following step.
3. Select “DATA MONITOR” mode with CONSULT-II.
4. Start engine and warm it up to normal operating temperature.
5. Maintain the following conditions for at least 50 consecutive sec-
onds.
6. If 1st trip DTC is detected, go to EC-507, "
Diagnostic Procedure" .
MONITOR ITEM CONDITION SPECIFICATION
P/N POSI SW
Ignition switch: ONSelector lever: P or N ON
Selector lever: Except above OFF
DTC No. Trouble diagnosis name DTC detecting condition Possible cause
P0850
0850Park/neutral position
switchThe signal of the park/neutral position (PNP)
switch is not changed in the process of engine
starting and driving.
Harness or connectors
[The park/neutral position (PNP) switch
circuit is open or shorted.]
Park/neutral position (PNP) switch
Unified meter and A/C amp.
TCM
Position (Selector lever) Known-good signal
N or P position ON
Except above position OFF
SEF212Y
ENG SPEED 1,400 - 6,375 rpm
COOLAN TEMP/S More than 70
C (158F)
B/FUEL SCHDL 2.0 - 31.8 msec
VHCL SPEED SE More than 64 km/h (40 MPH)
Selector lever Suitable position
SEF213Y
Page 2053 of 5621
![INFINITI M35 2006 Factory Service Manual EC-510
[VQ35DE]
DTC P1211 TCS CONTROL UNIT
Revision: 2006 January2006 M35/M45
DTC P1211 TCS CONTROL UNITPFP:47850
DescriptionNBS0052U
The malfunction information related to TCS is transferred INFINITI M35 2006 Factory Service Manual EC-510
[VQ35DE]
DTC P1211 TCS CONTROL UNIT
Revision: 2006 January2006 M35/M45
DTC P1211 TCS CONTROL UNITPFP:47850
DescriptionNBS0052U
The malfunction information related to TCS is transferred](/img/42/57023/w960_57023-2052.png)
EC-510
[VQ35DE]
DTC P1211 TCS CONTROL UNIT
Revision: 2006 January2006 M35/M45
DTC P1211 TCS CONTROL UNITPFP:47850
DescriptionNBS0052U
The malfunction information related to TCS is transferred through the CAN communication line from “ABS
actuator and electric unit (control unit)” to ECM.
Be sure to erase the malfunction information such as DTC not only for “ABS actuator and electric unit
(control unit)” but also for ECM after TCS related repair.
On Board Diagnosis LogicNBS0052V
Freeze frame data is not stored in the ECM for this self-diagnosis.
The MIL will not light up for this self-diagnosis.
DTC Confirmation ProcedureNBS0052W
TESTING CONDITION:
Before performing the following procedure, confirm that battery voltage is more than 10.5V at idle.
WITH CONSULT-II
1. Turn ignition switch ON.
2. Select “DATA MONITOR” mode with CONSULT-II.
3. Start engine and let it idle for at least 60 seconds.
4. If 1st trip DTC is detected, go to EC-510, "
Diagnostic Procedure"
.
WITH GST
Follow the procedure “WITH CONSULT-II” above.
Diagnostic ProcedureNBS0052X
Go to BRC-11, "TROUBLE DIAGNOSIS" .
DTC No. Trouble diagnosis name DTC detecting condition Possible cause
P1211
1211TCS control unitECM receives a malfunction information from
“ABS actuator electric unit (control unit)”
ABS actuator and electric unit (control
unit)
TCS related parts
SEF058Y
Page 2054 of 5621
![INFINITI M35 2006 Factory Service Manual DTC P1212 TCS COMMUNICATION LINE
EC-511
[VQ35DE]
C
D
E
F
G
H
I
J
K
L
MA
EC
Revision: 2006 January2006 M35/M45
DTC P1212 TCS COMMUNICATION LINEPFP:47850
DescriptionNBS0052Y
NOTE:
If DTC P1212 is di INFINITI M35 2006 Factory Service Manual DTC P1212 TCS COMMUNICATION LINE
EC-511
[VQ35DE]
C
D
E
F
G
H
I
J
K
L
MA
EC
Revision: 2006 January2006 M35/M45
DTC P1212 TCS COMMUNICATION LINEPFP:47850
DescriptionNBS0052Y
NOTE:
If DTC P1212 is di](/img/42/57023/w960_57023-2053.png)
DTC P1212 TCS COMMUNICATION LINE
EC-511
[VQ35DE]
C
D
E
F
G
H
I
J
K
L
MA
EC
Revision: 2006 January2006 M35/M45
DTC P1212 TCS COMMUNICATION LINEPFP:47850
DescriptionNBS0052Y
NOTE:
If DTC P1212 is displayed with DTC U1000 or U1001, first perform the trouble diagnosis for DTC
U1000, U1001. Refer to EC-173, "
DTC U1000, U1001 CAN COMMUNICATION LINE" .
If DTC P1212 is displayed with DTC U1010, first perform the trouble diagnosis for DTC U1010.
Refer to EC-176, "
DTC U1010 CAN COMMUNICATION" .
This CAN communication line is used to control the smooth engine operation during the TCS operation. Pulse
signals are exchanged between ECM and “ABS actuator and electric unit (control unit)”.
Be sure to erase the malfunction information such as DTC not only for “ABS actuator and electric unit
(control unit)” but also for ECM after TCS related repair.
On Board Diagnosis LogicNBS0052Z
Freeze frame data is not stored in the ECM for this self-diagnosis.
The MIL will not light up for this self-diagnosis.
DTC Confirmation ProcedureNBS00530
TESTING CONDITION:
Before performing the following procedure, confirm that battery voltage is more than 10.5V at idle.
WITH CONSULT-II
1. Turn ignition switch ON.
2. Select “DATA MONITOR” mode with CONSULT-II.
3. Start engine and let it idle for at least 10 seconds.
4. If a 1st trip DTC is detected, go to EC-511, "
Diagnostic Proce-
dure" .
WITH GST
Follow the procedure “WITH CONSULT-II” above.
Diagnostic ProcedureNBS00531
Go to BRC-11, "TROUBLE DIAGNOSIS" .
DTC No. Trouble diagnosis name DTC detecting condition Possible cause
P1212
1212TCS communication
lineECM can not receive the information
from “ABS actuator and electric unit (con-
trol unit)” continuously.
Harness or connectors
(The CAN communication line is open or
shorted.)
ABS actuator and electric unit (control unit)
Dead (Weak) battery
SEF058Y
Page 2055 of 5621
![INFINITI M35 2006 Factory Service Manual EC-512
[VQ35DE]
DTC P1217 ENGINE OVER TEMPERATURE
Revision: 2006 January2006 M35/M45
DTC P1217 ENGINE OVER TEMPERATUREPFP:00000
DescriptionNBS00532
SYSTEM DESCRIPTION
NOTE:
If DTC P1217 is display INFINITI M35 2006 Factory Service Manual EC-512
[VQ35DE]
DTC P1217 ENGINE OVER TEMPERATURE
Revision: 2006 January2006 M35/M45
DTC P1217 ENGINE OVER TEMPERATUREPFP:00000
DescriptionNBS00532
SYSTEM DESCRIPTION
NOTE:
If DTC P1217 is display](/img/42/57023/w960_57023-2054.png)
EC-512
[VQ35DE]
DTC P1217 ENGINE OVER TEMPERATURE
Revision: 2006 January2006 M35/M45
DTC P1217 ENGINE OVER TEMPERATUREPFP:00000
DescriptionNBS00532
SYSTEM DESCRIPTION
NOTE:
If DTC P1217 is displayed with DTC U1000 or U1001, first perform the trouble diagnosis for DTC
U1000, U1001. Refer to EC-173, "
DTC U1000, U1001 CAN COMMUNICATION LINE" .
If DTC P1217 is displayed with DTC U1010, first perform the trouble diagnosis for DTC U1010.
Refer to EC-176, "
DTC U1010 CAN COMMUNICATION" .
Cooling Fan Control
*1: The ECM determines the start signal status by the signals of engine speed and battery voltage.
*2: This signal is sent to ECM through CAN communication line.
ECM controls cooling fan speed corresponding to vehicle speed, engine coolant temperature, air conditioner
ON signal, refrigerant pressure, target A/C evaporator temperature and A/C evaporator temperature.
Cooling fan control signal is sent to IPDM E/R from ECM by CAN communication line. Then, IPDM E/R sends
ON/OFF pulse duty signal to cooling fan control module. Corresponding to this ON/OFF pulse duty signal,
cooling fan control module gives cooling fan motor operating voltage to cooling fan motors. Cooling fan speed
is controlled by duty cycle of cooling fan motor operating voltage sent from cooling fan control module.
COMPONENT DESCRIPTION
Cooling Fan Control Module
Cooling fan control module (1) receives ON/OFF pulse duty signal
from IPDM E/R. Corresponding to this ON/OFF pulse duty signal,
cooling fan control module sends cooling fan motor operating volt-
age to cooling fan motor. The revolution speed of cooling fan motor
is controlled by duty cycle of the voltage.
: Vehicle front
Cooling fan motor-1 harness connector (2)
Cooling fan motor-2 harness connector (3)
Sensor Input signal to ECM ECM function Actuator
Crankshaft position sensor (POS)
Camshaft position sensor (PHASE)Engine speed*
1
Cooling fan
control
IPDM E/R
Cooling fan relay
Cooling fan control
module Battery
Battery voltage*
1
Wheel sensor
Vehicle speed*2
Engine coolant temperature sensor Engine coolant temperature
Air conditioner switch
Air conditioner ON signal*
2
Refrigerant pressure sensor Refrigerant pressure
Unified meter and A/C amp.
Target A/C evaporator temperature*
2
Intake sensor
A/C evaporator temperature*2
PBIB2691E
Page 2056 of 5621
![INFINITI M35 2006 Factory Service Manual DTC P1217 ENGINE OVER TEMPERATURE
EC-513
[VQ35DE]
C
D
E
F
G
H
I
J
K
L
MA
EC
Revision: 2006 January2006 M35/M45
Cooling Fan Motor
Cooling fan motor receives cooling fan motor operating voltage from
coo INFINITI M35 2006 Factory Service Manual DTC P1217 ENGINE OVER TEMPERATURE
EC-513
[VQ35DE]
C
D
E
F
G
H
I
J
K
L
MA
EC
Revision: 2006 January2006 M35/M45
Cooling Fan Motor
Cooling fan motor receives cooling fan motor operating voltage from
coo](/img/42/57023/w960_57023-2055.png)
DTC P1217 ENGINE OVER TEMPERATURE
EC-513
[VQ35DE]
C
D
E
F
G
H
I
J
K
L
MA
EC
Revision: 2006 January2006 M35/M45
Cooling Fan Motor
Cooling fan motor receives cooling fan motor operating voltage from
cooling fan control module (1). The revolution speed of cooling fan
motor is controlled by duty cycle of the voltage.
: Vehicle front
Cooling fan motor-1 harness connector (2)
Cooling fan motor-2 harness connector (3)
CONSULT-II Reference Value in Data Monitor ModeNBS00533
Specification data are reference values.
On Board Diagnosis LogicNBS00534
If the cooling fan or another component in the cooling system malfunctions, engine coolant temperature will
rise.
When the engine coolant temperature reaches an abnormally high temperature condition, a malfunction is
indicated.
This self-diagnosis has the one trip detection logic.
CAUTION:
When a malfunction is indicated, be sure to replace the coolant. Refer to CO-11, "
Changing Engine
Coolant" . Also, replace the engine oil. Refer to LU-9, "Changing Engine Oil" .
1. Fill radiator with coolant up to specified level with a filling speed of 2 liters per minute. Be sure to
use coolant with the proper mixture ratio. Refer to MA-13, "
Anti-Freeze Coolant Mixture Ratio" .
2. After refilling coolant, run engine to ensure that no water-flow noise is emitted.
Overall Function CheckNBS00535
Use this procedure to check the overall function of the cooling fan. During this check, a DTC might not be con-
firmed.
WAR NING :
Never remove the radiator cap when the engine is hot. Serious burns could be caused by high pres-
sure fluid escaping from the radiator.
Wrap a thick cloth around cap. Carefully remove the cap by turning it a quarter turn to allow built-up
pressure to escape. Then turn the cap all the way off.
PBIB2691E
MONITOR ITEM CONDITION SPECIFICATION
FA N D U T Y
Engine: Running 0 - 100%
DTC No. Trouble diagnosis name DTC detecting condition Possible cause
P1217
1217Engine over tempera-
ture (Overheat)
Cooling fan does not operate properly (Over-
heat).
Cooling fan system does not operate prop-
erly (Overheat).
Engine coolant was not added to the system
using the proper filling method.
Engine coolant is not within the specified
range.
Harness or connectors
(The cooling fan circuit is open or
shorted.)
IPDM E/R
Cooling fan control module
Cooling fan motor
Radiator hose
Radiator
Radiator cap
Water pump
Thermostat
For more information, refer to EC-522,
"Main 12 Causes of Overheating" .
Page 2057 of 5621
![INFINITI M35 2006 Factory Service Manual EC-514
[VQ35DE]
DTC P1217 ENGINE OVER TEMPERATURE
Revision: 2006 January2006 M35/M45
WITH CONSULT-II
1. Check the coolant level in the reservoir tank and radiator.
Allow engine to cool before checkin INFINITI M35 2006 Factory Service Manual EC-514
[VQ35DE]
DTC P1217 ENGINE OVER TEMPERATURE
Revision: 2006 January2006 M35/M45
WITH CONSULT-II
1. Check the coolant level in the reservoir tank and radiator.
Allow engine to cool before checkin](/img/42/57023/w960_57023-2056.png)
EC-514
[VQ35DE]
DTC P1217 ENGINE OVER TEMPERATURE
Revision: 2006 January2006 M35/M45
WITH CONSULT-II
1. Check the coolant level in the reservoir tank and radiator.
Allow engine to cool before checking coolant level.
If the coolant level in the reservoir tank and/or radiator is below
the proper range, skip the following steps and go to EC-517,
"Diagnostic Procedure" .
2. Confirm whether customer filled the coolant or not. If customer
filled the coolant, skip the following steps and go to EC-517,
"Diagnostic Procedure" .
3. Turn ignition switch ON.
4. Perform “FAN DUTY CONTROL” in “ACTIVE TEST” mode with
CONSULT-II.
5. Make sure that cooling fan speed varies according to the per-
cent.
6. If the results are NG, go to EC-517, "
Diagnostic Procedure" .
WITH GST
1. Check the coolant level in the reservoir tank and radiator.
Allow engine to cool before checking coolant level.
If the coolant level in the reservoir tank and/or radiator is below
the proper range, skip the following steps and go to EC-517,
"Diagnostic Procedure" .
2. Confirm whether customer filled the coolant or not. If customer
filled the coolant, skip the following steps and go to EC-517,
"Diagnostic Procedure" .
3. Perform IPDM E/R auto active test and check cooling fan motors
operation, refer to PG-24, "
Auto Active Test" .
4. If NG, go to EC-517, "
Diagnostic Procedure" .
SEF621W
PBIB2737E
SEF621W
Page 2058 of 5621
![INFINITI M35 2006 Factory Service Manual DTC P1217 ENGINE OVER TEMPERATURE
EC-515
[VQ35DE]
C
D
E
F
G
H
I
J
K
L
MA
EC
Revision: 2006 January2006 M35/M45
Wiring DiagramNBS00536
TBWT0976E INFINITI M35 2006 Factory Service Manual DTC P1217 ENGINE OVER TEMPERATURE
EC-515
[VQ35DE]
C
D
E
F
G
H
I
J
K
L
MA
EC
Revision: 2006 January2006 M35/M45
Wiring DiagramNBS00536
TBWT0976E](/img/42/57023/w960_57023-2057.png)
DTC P1217 ENGINE OVER TEMPERATURE
EC-515
[VQ35DE]
C
D
E
F
G
H
I
J
K
L
MA
EC
Revision: 2006 January2006 M35/M45
Wiring DiagramNBS00536
TBWT0976E
Page 2059 of 5621
![INFINITI M35 2006 Factory Service Manual EC-516
[VQ35DE]
DTC P1217 ENGINE OVER TEMPERATURE
Revision: 2006 January2006 M35/M45
TBWB1181E INFINITI M35 2006 Factory Service Manual EC-516
[VQ35DE]
DTC P1217 ENGINE OVER TEMPERATURE
Revision: 2006 January2006 M35/M45
TBWB1181E](/img/42/57023/w960_57023-2058.png)
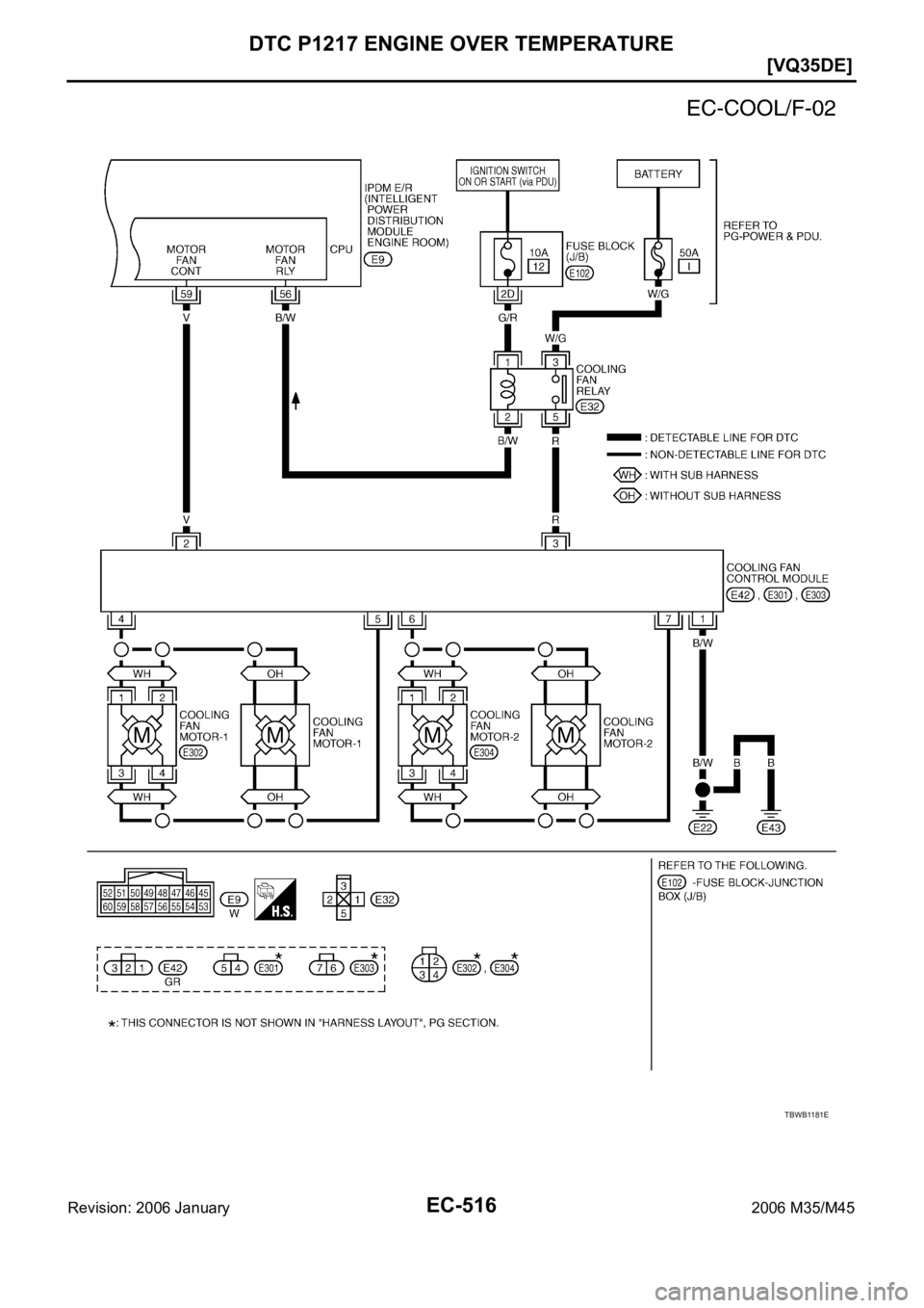
EC-516
[VQ35DE]
DTC P1217 ENGINE OVER TEMPERATURE
Revision: 2006 January2006 M35/M45
TBWB1181E