INFINITI QX4 2005 Factory Service Manual

INFINITI QX4 2005 Factory Service Manual QX4 2005 INFINITI INFINITI https://www.carmanualsonline.info/img/42/57035/w960_57035-0.png INFINITI QX4 2005 Factory Service Manual
Trending: windshield wipers, instrument panel, ground clearance, bolt pattern, checking oil, automatic transmission, oil temperature

Page 1161 of 3419

INFINITI QX4 2005  Factory Service Manual DI-58
REAR SONAR SYSTEM
Revision: October 20052005 QX56
REAR SONAR SYSTEMPFP:28532
Component Parts and Harness Connector LocationEKS00BD2
1. Back-up lamp relay E45 2. Battery 3. Sonar buzzer M117
4. R

Page 1162 of 3419

INFINITI QX4 2005  Factory Service Manual REAR SONAR SYSTEM
DI-59
C
D
E
F
G
H
I
J
L
MA
B
DI
Revision: October 20052005 QX56
System DescriptionEKS00BD3
FUNCTION
With the ignition switch in the ON or START position, power is supplied
through 1

Page 1163 of 3419

INFINITI QX4 2005  Factory Service Manual DI-60
REAR SONAR SYSTEM
Revision: October 20052005 QX56
REAR SONAR SENSOR
With power and ground supplied to the rear sonar sensors, the sonar sensors transmit a 38.4 kHz ultrasonic
signal. This signal

Page 1164 of 3419

INFINITI QX4 2005  Factory Service Manual REAR SONAR SYSTEM
DI-61
C
D
E
F
G
H
I
J
L
MA
B
DI
Revision: October 20052005 QX56
Wiring Diagram — SONAR —EKS00BD4
WKWA2373E

Page 1165 of 3419

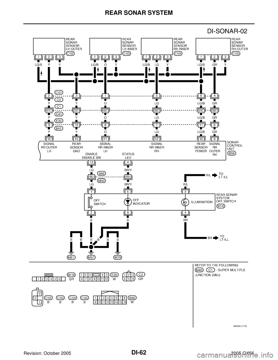
INFINITI QX4 2005  Factory Service Manual DI-62
REAR SONAR SYSTEM
Revision: October 20052005 QX56
WKWA1177E

Page 1166 of 3419

INFINITI QX4 2005  Factory Service Manual REAR SONAR SYSTEM
DI-63
C
D
E
F
G
H
I
J
L
MA
B
DI
Revision: October 20052005 QX56
Terminals And Reference Value For Sonar Control UnitEKS00BD5
How to Proceed With Trouble DiagnosisEKS00BD6
1. Confirm

Page 1167 of 3419

INFINITI QX4 2005  Factory Service Manual DI-64
REAR SONAR SYSTEM
Revision: October 20052005 QX56
Pre-diagnosis InspectionEKS00BD7
SENSOR STATUS CHECK
Check that the rear sonar sensor is properly aligned (bumper is not misaligned, no deforma

Page 1168 of 3419

INFINITI QX4 2005  Factory Service Manual REAR SONAR SYSTEM
DI-65
C
D
E
F
G
H
I
J
L
MA
B
DI
Revision: October 20052005 QX56
REQUESTING FAULT CODES MODE
1. While in "requesting number of fault codes" mode, push rear
sonar system OFF switch onc

Page 1169 of 3419

INFINITI QX4 2005  Factory Service Manual DI-66
REAR SONAR SYSTEM
Revision: October 20052005 QX56
Preliminary CheckEKS00BD9
INSPECTION FOR POWER SUPPLY AND GROUND CIRCUIT
1. CHECK FUSE
Check for blown rear sonar system fuse.
Refer to DI-61, "

Page 1170 of 3419

INFINITI QX4 2005  Factory Service Manual REAR SONAR SYSTEM
DI-67
C
D
E
F
G
H
I
J
L
MA
B
DI
Revision: October 20052005 QX56
Symptom Chart EKS00BDA
Symptom Repair order
When the rear sonar system OFF switch is OFF, the indicator 
lamp does not
Trending: engine oil, lock, power steering fluid, coolant reservoir, refrigerant type, fuel filter, wiring