audio INFINITI QX56 2007 Factory Service Manual
[x] Cancel search | Manufacturer: INFINITI, Model Year: 2007, Model line: QX56, Model: INFINITI QX56 2007Pages: 3061, PDF Size: 64.56 MB
Page 1 of 3061

-1
QUICK REFERENCE INDEX
AGENERAL INFORMATIONGIGeneral Information
BENGINEEMEngine Mechanical
LUEngine Lubrication System
COEngine Cooling System
ECEngine Control System
FLFuel System
EXExhaust System
ACCAccelerator Control System
CTRANSMISSION/
TRANSAXLEATAutomatic Transmission
DDRIVELINE/AXLETFTransfer
PRPropeller Shaft
FFDFront Final Drive
RFDRear Final Drive
FAXFront Axle
RAXRear Axle
ESUSPENSIONFSUFront Suspension
RSURear Suspension
WTRoad Wheels & Tires
FBRAKESBRBrake System
PBParking Brake System
BRCBrake Control System
GSTEERINGPSPower Steering System
HRESTRAINTSSBSeat Belts
SRSSupplemental Restraint System (SRS)
IBODYBLBody, Lock & Security System
GWGlasses, Window System & Mirrors
RFRoof
EIExterior & Interior
IPInstrument Panel
SESeat
APAdjustable Pedal
JAIR CONDITIONERATCAutomatic Air Conditioner
KELECTRICALSCStarting & Charging System
LTLighting System
DIDriver Information System
WWWiper, Washer & Horn
BCSBody Control System
LANLAN System
AVAudio Visual, Navigation & Telephone System
ACSAuto Cruise Control System
PGPower Supply, Ground & Circuit Elements
LMAINTENANCEMAMaintenance
Edition: August 2006
Revision: December 2007
Publication No. SM7E-1J60U1
B
D
© 2007 NISSAN NORTH AMERICA, INC.
All rights reserved. No part of this Service Manual may be reproduced or stored in a retrieval system, or transmitted in any
form, or by any means, electronic, mechanical, photo-copying, recording or otherwise, without the prior written permission
of Nissan North America, Inc.
A
C
E
F
G
H
I
J
K
L
M
Page 541 of 3061

AV-1
ELECTRICAL
C
D
E
F
G
H
I
J
L
M
SECTION AV
A
B
AV
N
O
P
CONTENTS
AUDIO, VISUAL, NAVIGATION & TELEPHONE SYS-
TEM
SERVICE INFORMATION ............................3
PRECAUTIONS ...................................................3
Precaution for Supplemental Restraint System
(SRS) "AIR BAG" and "SEAT BELT PRE-TEN-
SIONER" ...................................................................
3
PREPARATION ...................................................4
Commercial Service Tool ..........................................4
AUDIO .................................................................5
Component Parts and Harness Connector Loca-
tion ............................................................................
5
System Description ...................................................6
Schematic .................................................................8
Wiring Diagram - AUDIO - .........................................9
Terminal and Reference Value for Audio Unit .........20
Terminal and Reference Value for BOSE Speaker
Amp .........................................................................
23
Terminal and Reference Value for Rear Audio Re-
mote Control Unit ....................................................
25
Terminal and Reference Value for AV Switch .........26
Terminal and Reference Value for Satellite Radio
Tuner (Factory Installed) .........................................
28
AV Switch Self-Diagnosis Function .........................28
Trouble Diagnosis ...................................................29
Noise Inspection ......................................................31
Power Supply Circuit Inspection .............................31
Satellite Radio Tuner (Factory Installed) Power
and Ground Supply Circuit Inspection .....................
32
Satellite Radio Tuner (Factory Installed) Commu-
nication Circuit Inspection .......................................
33
Satellite Radio Tuner (Factory Installed) Left
Channel Audio Signal Circuit Inspection .................
35
Satellite Radio Tuner (Factory Installed) Right
Channel Audio Signal Circuit Inspection .................
36
Steering Switch Check ............................................37
AV Switch Check .....................................................38
Audio Communication Line Check ..........................38
Sound Is Not Heard from Front Door Speaker or
Front Tweeter ..........................................................
39
Sound Is Not Heard from Rear Door Speaker or
Rear Door Tweeter ..................................................
41
Sound Is Not Heard from Center Speaker ...............44
Sound Is Not Heard from Subwoofer .......................44
Removal and Installation .........................................46
AUDIO ANTENNA .............................................52
System Description ..................................................52
Wiring Diagram - W/ANT - .......................................53
Location of Antenna .................................................54
Window Antenna Repair ..........................................54
TELEPHONE .....................................................56
Component Parts and Harness Connector Loca-
tion ...........................................................................
56
System Description ..................................................56
Wiring Diagram - H/PHONE - ..................................58
Terminal and Reference Value for Bluetooth Con-
trol Unit ....................................................................
60
Bluetooth Control Unit Self-Diagnosis Function ......60
Power Supply and Ground Circuit Inspection for
Bluetooth Control Unit .............................................
61
Removal and Installation .........................................62
DVD ENTERTAINMENT SYSTEM ....................64
Component Parts and Harness Connector Loca-
tion ...........................................................................
64
Description ...............................................................64
Schematic ................................................................66
Wiring Diagram - DVD - ...........................................67
Trouble Diagnosis ....................................................70
Power Supply Circuit Inspection ..............................70
Removal and Installation .........................................71
NAVIGATION SYSTEM ....................................73
System Description ..................................................73
CAN Communication System Description ...............75
Component Parts Location ......................................76
Schematic ................................................................77
Wiring Diagram - NAVI - ..........................................78
Schematic ................................................................85
Page 542 of 3061

AV-2
Wiring Diagram - COMM - ......................................86
Terminal and Reference Value for NAVI Control
Unit .........................................................................
89
Terminal and Reference Value for Display Control
unit ..........................................................................
91
Terminal and Reference Value for Display unit ......95
Terminal and Reference Value for AV Switch ........96
Terminal and Reference Value for BCM .................97
On Board Self-Diagnosis Function .........................97
Self-Diagnosis Mode (DCU) ...................................98
Self-Diagnosis Mode (NAVI) ..................................101
Confirmation/Adjustment Mode .............................103
CAN Diagnostic Support Monitor ...........................109
AV Switch Self-Diagnosis Function .......................110
Power Supply and Ground Circuit Inspection for
NAVI Control Unit ..................................................
110
Power Supply and Ground Circuit Inspection for
Display Control Unit ...............................................
111
Power Supply and Ground Circuit Inspection for
Display Unit ...........................................................
112
Power Supply and Ground Circuit Inspection for
AV Switch ..............................................................
113
Vehicle Speed Signal Inspection for NAVI Control
Unit ........................................................................
114
Vehicle Speed Signal Inspection for Display Con-
trol Unit ..................................................................
115
Illumination Signal Inspection for NAVI Control
Unit ........................................................................
116
Illumination Signal Inspection for Display Control
Unit ........................................................................
116
Ignition Signal Inspection for NAVI Control Unit ....117
Ignition Signal Inspection for Display Control Unit ..117
Reverse Signal Inspection for NAVI Control Unit ..117
Reverse Signal Inspection for Display Control Unit
..
118
AV Communication Line Check (Between Display
Control Unit and NAVI Control Unit) ......................
118
Audio Communication Line Check (Between Dis-
play Control Unit and Audio Unit) ..........................
119
Display Communication Line Check (Between
Display Control Unit and Display Unit) ...................
121
AV Communication Line Check (Between Display
Control Unit and AV Switch) ..................................
122
CAN Communication Line Check ..........................123
If NAVI Control Unit Detects That DVD-ROM Map
Is Not Inserted .......................................................
123
If NAVI Control Unit Detects That Inserted DVD-
ROM Map Is Malfunctioning or If It Is Impossible to
Load Data from DVD-ROM Map ...........................
123
If Connection Between NAVI Control Unit and
GPS Antenna Is Malfunctioning ............................
124
Operating Screen for Audio and A/C Is Not Dis-
played When Showing NAVI Screen ....................
124
Color of RGB Image Is Not Proper (Only NAVI
Screen Looks Bluish) ............................................
125
Color of RGB Image Is Not Proper (Only NAVI
Screen Looks Reddish) .........................................
126
Color of RGB Image Is Not Proper (Only NAVI
Screen Looks Yellowish) .......................................
127
Color of RGB Image Is Not Proper (All Screens
Look Bluish) ..........................................................
128
Color of RGB Image Is Not Proper (All Screens
Look Reddish) .......................................................
129
Color of RGB Image Is Not Proper (All Screens
Look Yellowish) .....................................................
129
NAVI Screen Is Rolling .........................................130
Guide Sound Is Not Heard ....................................132
Screen Is Not Shown ............................................132
A/C Screen Is Not Shown (NAVI Screen Is
Shown) ..................................................................
133
FUEL ECONOMY Screen Is Not Shown ..............133
Average Fuel Economy Display Is Not Shown ("
*** " Is Shown) .......................................................
133
Distance to Empty Display Is Not Shown (" *** " Is
Shown) ..................................................................
133
Driving Distance or Average Speed Display Is Not
Shown (" *** " Is Shown) .......................................
134
WARNING DOOR OPEN Screen Is Not Shown ...134
Unable to Operate All of AV Switches (Unable to
Start Self-Diagnosis) .............................................
134
Audio Does Not Work ...........................................135
Navigation System Does Not Activate ..................135
Previous NAVI Conditions Are Not Stored ............135
Previous Vehicle Conditions Are Not Stored ........135
Position of Current Location Mark Is Not Correct .135
Radio Wave from GPS Satellite Is Not Received .136
Driving Test ...........................................................136
Example of Symptom Judged Not Malfunction .....137
Program Loading of NAVI Control Unit .................145
Removal and Installation .......................................145
Page 545 of 3061

AUDIO
AV-5
< SERVICE INFORMATION >
C
D
E
F
G
H
I
J
L
MA
B
AV
N
O
P
AUDIO
Component Parts and Harness Connector LocationINFOID:0000000003533663
WKIA4561E
1. Fuse block (J/B) 2. Fuse and fusible link box 3. Front tweeter LH
M109
4. Combination meter
M245. Center speaker
M1106. Display unit
M93
Page 546 of 3061

AV-6
< SERVICE INFORMATION >
AUDIO
System Description
INFOID:0000000003533664
Refer to Owner's Manual for audio system operating instructions.
Power is supplied at all times
• through 15A fuse [No. 17, located in the fuse block (J/B)]
• to subwoofer terminal 6
• through 20A fuse [No. 31, located in the fuse and fusible link box]
• to audio unit terminal 6
• to BOSE speaker amp. terminal 1
• to AV switch terminal 1 and
• to display control unit terminal 1.
With the ignition switch in the ACC or ON position, power is supplied
• through 10A fuse [No. 4, located in the fuse block (J/B)]
• to audio unit terminal 10 and
• to AV switch terminal 2 and
• to display control unit terminal 10.
With the ignition switch in the ON or START position, power is supplied
• through 10A fuse [No. 12, located in the fuse block (J/B)]
• to display control unit terminal 12.
Ground is supplied through the case of the audio unit.
Ground is also supplied
• to subwoofer terminal 5
• through body grounds B7 and B19 and
• to BOSE speaker amp. terminal 17
• to AV switch terminal 5 and
• to display unit terminal 1 and
• to display control unit terminal 3
• through body grounds M57, M61 and M79.
Then audio signals are supplied
• through audio unit terminals 1, 2, 3, 4, 13, 14, 15 and 16
• to BOSE speaker amp. terminals 23, 24, 25, 26, 27, 28, 29 and 30.
Audio signals are amplified by the BOSE speaker amp.
The amplified audio signals are supplied
• through BOSE speaker amp. terminals 2, 3, 9,10,11,12, 13, 14, 15, 16, 18 and 19
• to terminals + and - of front door speaker LH and RH and
• to terminals + and - of front tweeter LH and RH and
• to terminals + and - of center speaker and
• to terminals + and - of rear door speaker LH and RH and
• to terminals + and - of rear door tweeter LH and RH and
• to terminals 1 and 2 of subwoofer.
When one of steering wheel audio control switches is pushed, the resistance in steering switch circuit changes
depending on which button is pushed.
Rear Audio Remote Control Unit
Power is supplied
• from audio unit terminal 32
• to rear audio remote control unit terminal 13.
Ground is supplied
• to rear audio remote control unit terminal 15
7. Display control unit
M94, M958. Front tweeter RH
M 1119. AV Switch
M98
10. Audio unit
M43, M44, M45, M4611. BOSE speaker amp
M112, M11312. Satellite radio tuner (pre-wiring or factory
installed, if equipped)
M41
13. Steering wheel audio control switches 14. Front door speaker LH, RH
D12, D11215. Rear door tweeter LH, RH
D208, D308
16. Rear door speaker LH, RH
D207, D30717. Driver seat 18. Subwoofer
B72
19. Rear audio remote control unit
R204
Page 547 of 3061

AUDIO
AV-7
< SERVICE INFORMATION >
C
D
E
F
G
H
I
J
L
MA
B
AV
N
O
P
• through body grounds B117 and B132.
Audio signals are supplied
• through audio unit terminals 26, 27, 28 and 29
• to terminals 1, 2, 3, and 4 of rear audio remote control unit.
Satellite Radio Tuner (Pre-wiring)
NOTE:
The satellite radio pre-wiring allows connection of a satellite radio tuner.
Power is supplied at all times
• through 20A fuse [No. 31, located in the fuse and fusible link box]
• to satellite radio tuner terminal 32.
With the ignition switch in the ACC or ON position, power is supplied
• through 10A fuse [No. 4, located in the fuse block (J/B)]
• to satellite radio tuner terminal 36.
Audio signals are supplied
• through satellite radio tuner terminals 21, 22, 23 and 24
• to terminals 41, 42, 43 and 44 of audio unit.
Ground is supplied through the case of the satellite radio tuner.
Satellite Radio Tuner (Factory Installed)
NOTE:
Factory installed satellite radio systems may be identified by the location of the satellite radio tuner (factory
installed) antenna. Factory installed satellite radio antennas are installed on the front of the roof. Dealer
installed antennas may be installed anywhere on the roof.
Power is supplied at all times
• through 20A fuse [No. 31, located in the fuse and fusible link box]
• to satellite radio tuner (factory installed) terminal 32.
With the ignition switch in the ACC or ON position, power is supplied
• through 10A fuse [No. 4, located in the fuse block (J/B)]
• to satellite radio tuner (factory installed) terminal 36.
Radio signals are supplied from the satellite radio antenna to satellite radio tuner (factory installed) terminal
37.
Audio signals are supplied
• through satellite radio tuner (factory installed) terminals 21, 22, 23 and 24
• to terminals 41, 42, 43 and 44 of audio unit.
Ground is supplied through the case of the satellite radio tuner (factory installed).
SPEED SENSITIVE VOLUME SYSTEM
Volume level of this system goes up and down automatically in proportion to the vehicle speed. The control
level can be selected by the customer. Refer to Owner's Manual for operating instructions.
Page 548 of 3061

AV-8
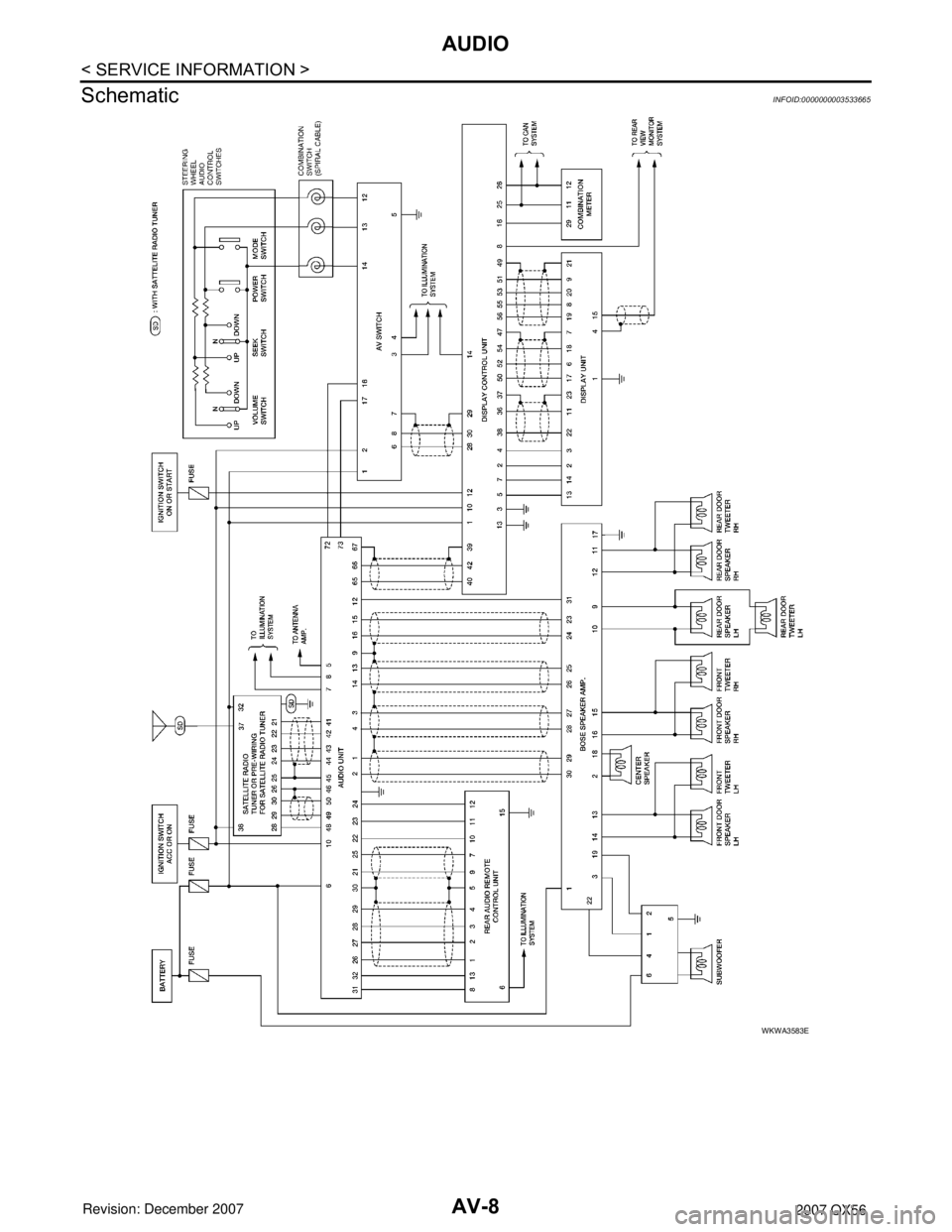
< SERVICE INFORMATION >
AUDIO
Schematic
INFOID:0000000003533665
WKWA3583E
Page 549 of 3061

AUDIO
AV-9
< SERVICE INFORMATION >
C
D
E
F
G
H
I
J
L
MA
B
AV
N
O
P
Wiring Diagram - AUDIO -INFOID:0000000003533666
AWNWA0326G
Page 550 of 3061

AV-10
< SERVICE INFORMATION >
AUDIO
WKWA3585E
Page 551 of 3061

AUDIO
AV-11
< SERVICE INFORMATION >
C
D
E
F
G
H
I
J
L
MA
B
AV
N
O
P
WKWA1237E