brakes ISUZU TFS SERIES 1997 Workshop Manual
[x] Cancel search | Manufacturer: ISUZU, Model Year: 1997, Model line: TFS SERIES, Model: ISUZU TFS SERIES 1997Pages: 1600, PDF Size: 40.98 MB
Page 75 of 1600

4C1-12 FRONT WHEEL DRIVE
FRONT DRIVE AXLE ASSEMBLY
REMOVAL AND INSTALLATION
1. Refer to SECTION 3E “WHEEL AND TIRES” for road wheel Disassembly and Reassembly procedure.
2. Refer to SECTION 4 “BRAKES” for disc brake caliper removal and installation procedure.
3. Refer to SECTION 3B “STEERING” for Steering linkage removal and installation procedure.
4. Refer to SECTION 4C “FRONT WHEEL DRIVE” for automatic hub disassembly and reassembly procedure.
Removal Steps
1. Assembly of hub and disc, back plate,
knuckle, knuckle arm, and lower end.
2. Propeller shaft
3. Nut and bolt
4. Washer
5. Front drive axle assembly
6. Washer
Installation Steps
6. Washer
5. Front drive axle assembly
4. Washer
3. Nut and bolt
2. Propeller shaft
1. Assembly of hub and disc, back plate,
knuckle, knuckle arm, and lower end.
Page 113 of 1600

4C1-50 FRONT WHEEL DRIVE
INSPECTION AND REPAIR
Make necessary correction or parts replacement if wear, damage or any other abnormal conditions are found
through inspection.
For inspection and servicing of disc caliper, and relative parts, refer to Section 5 “Service Brakes”.
Hub
Hub bearing, oil seal
Knuckle spindle
Disc
Caliper
Free wheeling hub parts
(Option)
Clutch, knob, follower, inner, ring and
spring
Visual Check
Check the following parts for wear, damage or other abnormal
conditions.
Page 120 of 1600

FRONT WHEEL DRIVE 4C1-57
INSPECTION AND REPAIR
Make necessary correction or parts replacement if wear, damage or any other abnormal conditions are found
through inspection.
For inspection and servicing of disc caliper, and relative parts, refer to Section 5 “Service Brakes”.
Hub
Hub bearing, oil seal
Knuckle spindle
Disc
Caliper
Automatic locking hubs
Visual Check
Check the following parts for wear, damage or other abnormal
conditions.
Inside Diameter of Housing
mm(in)
Standard Limit
65.04 (2.61) 65.24 (2.568)
Inspect flange surface A and B for excessive wear.
Drive Clutch Section Dimensions “L”
mm(in)
Standard Limit
8.2 (0.323) 7.8 (0.37)
Holdout Ring Axial Play of the Drive
Clutch Assembly
mm(in)
Standard Limit
0.3 (0.012) or less 0.4 (0.016)
Page 131 of 1600

4C1-68 FRONT WHEEL DRIVE
INSPECTION AND REPAIR
Make necessary correction or parts replacement if wear, damage or any other abnormal conditions are found
through inspection.
For inspection and servicing of disc caliper, and relative parts, refer to Section 5 “Service Brakes”.
Hub
Hub bearing, oil seal
Knuckle spindle
Disc
Caliper
Free wheeling hub parts
(Option)
Clutch, knob, follower, inner, ring and
spring
Visual Check
Check the following parts for wear, damage or other abnormal
conditions.
Page 327 of 1600

WORKSHOP MANUAL
TF SERIES
BRAKES
SECTION 5
Page 329 of 1600

BRAKES 5-1
SECTION 5
BRAKES
TABLE OF CONTENTS
PAGE
General Description......................................................................................................... 5-3
Main Data and Specifications ...................................<0011001100110011001100110011001100110011001100110011001100110011001100110011001100110011001100110011001100110011001100110011001100110011001100110011001100110011001100110011001100110011001100110011001100
11001100110011[ 5- 8
Special Parts Fixing Nut and Bolt.................................................................................. 5- 9
Servicing<0011001100110011001100110011001100110011001100110011001100110011001100110011001100110011001100110011001100110011001100110011001100110011001100110011001100110011001100110011001100110011001100110011001100
11001100110011[<0011001100110011001100110011001100110011001100110011001100110011001100110011001100110011001100110011001100110011001100110011001100110011001100110011001100110011001100110011001100110011001100110011001100
11001100110011001100110011001100110011001100110011[...... 5-15
Front Brake Assembly ..................................................................................................... 5-28
Removal and Installation............................................................................................ 5-28
Removal and installation of Disc Pad ....................................................................... 5-31
Disassembly <0011001100110011001100110011001100110011001100110011001100110011001100110011001100110011001100110011001100110011001100110011001100110011001100110011001100110011001100110011001100110011001100110011001100
110011[<0011001100110011001100110011001100110011001100110011001100110011001100110011001100110011001100110011001100110011001100110011001100110011001100110011001100110011001100110011001100110011001100110011001100
11001100110011001100110011001100110011[ 5-33
Inspection and Repair................................................................................................. 5-35
Reassembly <0011001100110011001100110011001100110011001100110011001100110011001100110011001100110011001100110011001100110011001100110011001100110011001100110011001100110011001100110011001100110011001100110011001100
1100110011[<0011001100110011001100110011001100110011001100110011001100110011001100110011001100110011001100110011001100110011001100110011001100110011001100110011001100110011001100110011001100110011001100110011001100
11001100110011001100110011001100110011[ 5-37
Rear Drum Brake Assembly............................................................................................ 5-39
Disassembly <0011001100110011001100110011001100110011001100110011001100110011001100110011001100110011001100110011001100110011001100110011001100110011001100110011001100110011001100110011001100110011001100110011001100
110011[<0011001100110011001100110011001100110011001100110011001100110011001100110011001100110011001100110011001100110011001100110011001100110011001100110011001100110011001100110011001100110011001100110011001100
11001100110011001100110011001100110011[ 5-39
Inspection and Repair................................................................................................. 5-40
Reassembly <0011001100110011001100110011001100110011001100110011001100110011001100110011001100110011001100110011001100110011001100110011001100110011001100110011001100110011001100110011001100110011001100110011001100
1100110011[<0011001100110011001100110011001100110011001100110011001100110011001100110011001100110011001100110011001100110011001100110011001100110011001100110011001100110011001100110011001100110011001100110011001100
11001100110011001100110011001100110011[ 5-42
Brake Control ................................................................................................................... 5-45
Removal and Installation .......................................<0011001100110011001100110011001100110011001100110011001100110011001100110011001100110011001100110011001100110011001100110011001100110011001100110011001100110011001100110011001100110011001100110011001100
1100110011[ 5-45
Master Cylinder ................................................................................................................5-46
Removal and Installation .......................................<0011001100110011001100110011001100110011001100110011001100110011001100110011001100110011001100110011001100110011001100110011001100110011001100110011001100110011001100110011001100110011001100110011001100
1100110011[ 5-46
Disassembly <0011001100110011001100110011001100110011001100110011001100110011001100110011001100110011001100110011001100110011001100110011001100110011001100110011001100110011001100110011001100110011001100110011001100
110011[<0011001100110011001100110011001100110011001100110011001100110011001100110011001100110011001100110011001100110011001100110011001100110011001100110011001100110011001100110011001100110011001100110011001100
11001100110011001100110011001100110011[ 5-47
Inspection and Repair................................................................................................. 5-49
Reassembly <0011001100110011001100110011001100110011001100110011001100110011001100110011001100110011001100110011001100110011001100110011001100110011001100110011001100110011001100110011001100110011001100110011001100
1100110011[<0011001100110011001100110011001100110011001100110011001100110011001100110011001100110011001100110011001100110011001100110011001100110011001100110011001100110011001100110011001100110011001100110011001100
11001100110011001100110011001100110011[ 5-51
Vacuum Servo ..................................................................................................................5-53
Removal and Installation .......................................<0011001100110011001100110011001100110011001100110011001100110011001100110011001100110011001100110011001100110011001100110011001100110011001100110011001100110011001100110011001100110011001100110011001100
1100110011[ 5-53
Parking Brake (Stem Type) ............................................................................................. 5-56
Removal and installation .......................................<0011001100110011001100110011001100110011001100110011001100110011001100110011001100110011001100110011001100110011001100110011001100110011001100110011001100110011001100110011001100110011001100110011001100
1100110011[ 5-56
Disassembly and Reassembly ................................................................................... 5-61
Inspection and Repair................................................................................................. 5-63
Parking Brake (Floor Mount Type) ................................................................................. 5-64
INDEX
Page 330 of 1600

5-2 BRAKES
PAGE
Removal and Installation .......................................<0011001100110011001100110011001100110011001100110011001100110011001100110011001100110011001100110011001100110011001100110011001100110011001100110011001100110011001100110011001100110011001100110011001100
1100110011[ 5-64
Troubleshooting .............................................................................................................. 5-67
Page 331 of 1600

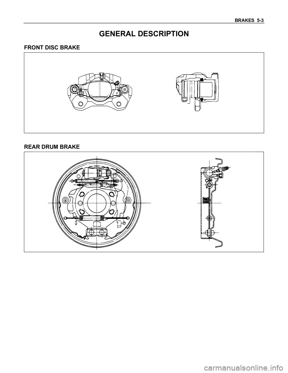
BRAKES 5-3
GENERAL DESCRIPTION
FRONT DISC BRAKE
REAR DRUM BRAKE
Page 332 of 1600

5-4 BRAKES
REAR WHEEL CYLINDER
BLEND PROPORTIONING VALVE
Page 333 of 1600

BRAKES 5-5
LOAD SENSING PROPORTIONING VALVE (LSPV)