fuse box JAGUAR S TYPE 2005 1.G Electrical Manual
[x] Cancel search | Manufacturer: JAGUAR, Model Year: 2005, Model line: S TYPE, Model: JAGUAR S TYPE 2005 1.GPages: 200, PDF Size: 5.93 MB
Page 62 of 200

Refer to the front of this book for detailed information and illustrations regarding the location and identification of harnesses, relays, fuses, grounds, 
control modules and control module pins.
NOTE: The values listed are approximately those that can be expected at the control module connector pins with all circuit conn
ections made and all 
components connected and fitted. The following abbreviations are used to represent values for Control Module Pin-Out data
I Input
O Output
B+ Battery Voltage PG Power Ground
SS Sensor / Signal Supply V
SG Sensor / Signal GroundC CAN Network
S SCP Network
D2 D2B Network D Serial and Encoded Data
V Voltage (DC)
PWM Pulse Width Modulated
CAUTION: The information on this data page is furnished to ai d the user in understanding circuit operation. THIS INFORMATION SH OULD BE USED FOR 
REFERENCE ONLY.DATE OF ISSUE: May 2004
Fig. 03.2
FOR CONTROL MODULE PIN-OUT INFORMATION, UNFOLD PAGE TO LEFT. COMPONENTS
Component Connector(s) Connector Description LocationAIR CONDITIONING COMPRESSOR CLUTCH PI49 2-WAY / BLACK LOWER LH SIDE OF ENGINE
AIR CONDITIONING COMPRESSOR CLUTCH RELAY — — FRONT POWER DISTRIBUTION FUSE BOX – R8
AIR CONDITIONING PRESSURE SENSOR FH110 4-WAY / BLACK ENGINE COMPARTMENT, LH SIDE, HIGH PRESSURE REFRIGERANT LINE, BETWEEN COMPRESSOR AND CONDENSER
BRAKE CANCEL SWITCH CA36 2-WAY / GREY TOP OF BRAKE PEDAL
CLUTCH CANCEL SWITCH CA285 (LHD) 2-WAY / BLACK TOP OF CLUTCH PEDAL (TOP SWITCH)
CA291 (RHD) 5-WAY / BLACK
COOLING FAN MODULE FH108 2-WAY / BLACK ENGINE COMPARTMENT, RH FRONT, REARWARD OF RADIATOR FH109 2-WAY / BLACK
ENGINE CONTROL MODULE PI1 134-WAY / BLACK FRONT BULKHEAD, P ASSENGER SIDE
FRONT POWER DISTRIBUTION FUSE BOX — — ENGINE COMPARTMENT, RH SIDE
FUEL INJECTOR 1 IL3 2-WAY / BLACK FUEL RAIL / INTAKE MANIFOLD
FUEL INJECTOR 2 IL6 2-WAY / BLACK FUEL RAIL / INTAKE MANIFOLD
FUEL INJECTOR 3 IL4 2-WAY / BLACK FUEL RAIL / INTAKE MANIFOLD
FUEL INJECTOR 4 IL7 2-WAY / BLACK FUEL RAIL / INTAKE MANIFOLD
FUEL INJECTOR 5 IL5 2-WAY / BLACK FUEL RAIL / INTAKE MANIFOLD
FUEL INJECTOR 6 IL8 2-WAY / BLACK FUEL RAIL / INTAKE MANIFOLD
FUEL PUMP 1 FP2 8-WAY / BLACK FUEL TANK, RH SIDE
FP4 (ROW) 4-WAY / BLACK
FP8 (NAS) 6-WAY / BLACK
FUEL PUMP RELAY — — REAR POWER DISTRIBUTION FUSE BOX – R15
IGNITION CAPACITOR PI54 2-WAY / BLACK LH CYLINDER HEAD, REAR
IGNITION MODULE AND COIL 1 PI2 4-WAY / BLACK RH CYLINDER HEAD
IGNITION MODULE AND COIL 2 PI6 4-WAY / BLACK LH CYLINDER HEAD
IGNITION MODULE AND COIL 3 PI3 4-WAY / BLACK RH CYLINDER HEAD
IGNITION MODULE AND COIL 4 PI7 4-WAY / BLACK LH CYLINDER HEAD
IGNITION MODULE AND COIL 5 PI4 4-WAY / BLACK RH CYLINDER HEAD
IGNITION MODULE AND COIL 6 PI8 4-WAY / BLACK LH CYLINDER HEAD
REAR ELECTRONIC MODULE CA63 17-WAY / BLACK LUGGAGE COMPARTMENT, RH REAR CA100 12-WAY / BLACK
CA101 20-WAY / BLACK
CA102 22-WAY / BLACK
CA103 26-WAY / NATURAL
REAR POWER DISTRIBUTION FUSE BOX — — LUGGAGE COMPARTMENT
STEERING WHEEL SPEED CONTROL SWITCHES SQ2 6-WAY / BLACK STEERING WHEELHARNESS IN-LINE CONNECTORS
Connector Connector Description / Location LocationFC10 14-WAY / GREEN / FASCIA HARNESS TO FRONT HARNESS BEHIND INSTRUMENT PANEL, RH SIDE
FC117 10-WAY / BLACK / STEERING WHEEL CASSETTE STEERING COLUMN
FH1 20-WAY / BLACK / CABIN HARNESS TO FRONT HARNESS RH ‘A’ POST, LOWER
FH3 16-WAY / BLUE / CABIN HARNESS TO FRONT HARNESS LH ‘A’ POST
IL10 12-WAY / BLACK / ENGINE HARNESS TO FUEL INJECTOR LINK REAR OF ENGINE
PI41 42-WAY / BLACK / ENGINE HARNESS TO VEHICLE HARNESSES ENGINE COMPARTMENT, BULKHEAD, PASSENGER SIDE
PI42 8-WAY / BLACK / ENGINE HARNESS TO FRONT HARNESS ENGINE COMPARTMENT, BULKHEAD, PASSENGER SIDEGROUNDS
Ground LocationCA156 LUGGAGE COMPARTMENT, RH SIDE
FH22 ENGINE COMPARTMENT, BEHIND LH HEADLAMP
FH42 ENGINE COMPARTMENT, BEHIND RH HEADLAMP
FH95 ENGINE COMPARTMENT, BEHIND LH HEADLAMP (RADIATOR FAN GROUND)
PI51 ENGINE COMPARTMENT, ENGINE BLOCK
NOTE: Refer to the Appendix at the rear of this book for Network Messages. Engine Control Module Pin Description and CharacteristicI PI1–9 BRAKE CANCEL SWITCH: NORMALLY CLOSED / GROUND WHEN ACTIVATED
SS PI1–12 SENSOR POWER SUPPLY 1: NOMINAL 5 V
SG PI1–19 SENSOR GROUND 1: GROUND
O PI1–27 FUEL PUMP DRIVE SIGNAL (TO REM): PWM, 150 Hz, NORMAL POSITIVE DUTY CYCLE RANGE = 4% – 51%
I PI1–33 CLUTCH CANCEL SWITCH: NORMALLY CLOSED / GROUND WHEN ACTIVATED
O PI1–34 AIR CONDITIONING COMPRESSOR CLUTCH RELAY DRIVE: TO ACTIVATE, ECM SWITCHES CIRCUIT TO GROUND
SS PI1–47 SPEED CONTROL SWITCH REQUEST: STEPPED RESISTANCE
I PI1–48 SPEED CONTROL SWITCHES SIGNAL GROUND: GROUND
O PI1–51 COOLING FAN MODULE CONTROL: PWM, 140 Hz, POSITIVE DUTY CYCLE RANGE 7% – 95%
O PI1–61 IGNITION COIL ACTIVATE – CYLINDER 2: TO ACTIVATE, ECM SWITCHES CIRCUIT TO GROUND
O PI1–62 IGNITION COIL ACTIVATE – CYLINDER 4: TO ACTIVATE, ECM SWITCHES CIRCUIT TO GROUND
O PI1–63 IGNITION COIL ACTIVATE – CYLINDER 6: TO ACTIVATE, ECM SWITCHES CIRCUIT TO GROUND
O PI1–87 IGNITION COIL ACTIVATE – CYLINDER 1: TO ACTIVATE, ECM SWITCHES CIRCUIT TO GROUND
O PI1–88 IGNITION COIL ACTIVATE – CYLINDER 3: TO ACTIVATE, ECM SWITCHES CIRCUIT TO GROUND
O PI1–89 IGNITION COIL ACTIVATE – CYLINDER 5: TO ACTIVATE, ECM SWITCHES CIRCUIT TO GROUND
O PI1–113 FUEL INJECTOR DRIVE – CYLINDER 5: TO ACTIVATE, ECM SWITCHES CIRCUIT TO GROUND
O PI1–114 FUEL INJECTOR DRIVE – CYLINDER 3: TO ACTIVATE, ECM SWITCHES CIRCUIT TO GROUND
O PI1–115 FUEL INJECTOR DRIVE – CYLINDER 1: TO ACTIVATE, ECM SWITCHES CIRCUIT TO GROUND
O PI1–118 FUEL INJECTOR DRIVE – CYLINDER 6: TO ACTIVATE, ECM SWITCHES CIRCUIT TO GROUND
O PI1–119 FUEL INJECTOR DRIVE – CYLINDER 4: TO ACTIVATE, ECM SWITCHES CIRCUIT TO GROUND
O PI1–120 FUEL INJECTOR DRIVE – CYLINDER 2: TO ACTIVATE, ECM SWITCHES CIRCUIT TO GROUND
I PI1–121 AIR CONDITIONING PRESSURE SENSOR SIGNAL, NOMINAL 0 –  5 V: TRANSDUCER – VOLTAGE INCREASES AS PRESSURE INCREASES
I PI1–131 IGNITION MONITOR BANK 1: PULSED SIGNAL, 3 PULSES PER ENGINE CYCLE
I PI1–132 IGNITION MONITOR BANK 2: PULSED SIGNAL, 3 PULSES PER ENGINE CYCLERear Electronic Module
Pin Description and CharacteristicB+ CA100–8 IGNITION SWITCHED POWER SUPPLY (II): B+
B+ CA101–1 FUEL PUMP POWER SUPPLY: B+ WHEN FUEL PUMP RELAY IS ACTIVATED
SG CA101–2 LOGIC GROUND / FUEL PUMP DRIVE SHIELD: GROUND
B+ CA101–3 BATTERY POWER SUPPLY: B+
O CA101–11 FUEL PUMP SUPPLY VOLTAGE: B+
O CA101–12 FUEL PUMP ACTIVATE: GROUND (PWM)
S CA102–1 SCP +
S CA102–2 SCP –
I CA103–19 FUEL PUMP DRIVE SIGNAL: PWM, 150 Hz, NORMAL POSITIVE DUTY CYCLE RANGE = 4% – 51% 
Page 63 of 200

Engine Management: V6 – Part 2
Jaguar S-TYPE 2005
Engine Management: V6 – Part 2
Fig. 03.2
13 4114
46 80
76 77 92
ll
15 45ll ll SS
81 118EE
Fig .01.1
Fig .01 .2 F
ig .01.3
Fig .01 .4
Fig . 01.5 F
ig . 01.6 F
ig .01 .7
Input
OutputI
O
B
P+Battery VoltagePower Ground Sensor/Signal Supply V
Sensor/Signal Ground Serial and Encoded Data
CAN
+
SCPC
S DD
–
D2B Network2
f03_2_200045
BG
PI1-113
BK
PI1-114
BG
PI1-115
BO
PI1-119
Y
PI1-088
GU
PI1-087
U
PI1-118
BR
PI1-120
GB
PI1-131
GR
PI1-063
YB
PI1-132
GW
PI1-062
GW
PI1-061
YR
PI1-089
BG
NR
BK
NR
BG
NR
BR
NR
BO
NR
U
NR1
3
5
2
4
6
IL10
-1 IL10
-7 IL10
-2 IL10
-8 IL10
-3 IL10
-9
BG
BK
BG
BR
BO
U
E98
E97
E102
E101
E100
E99
246
135
B
1
3
5
2
4
6
PI51
PIS9
PIS10
GU
GB
B
RW
Y
GB
B
RW
YR
GB
B
RW
GW
YB
B
RW
GW
YB
B
RW
GR
YB
B
RW
B
PIS31
B
B
B
B
B
PIS8
RW RW
RW
RW
RW
RW
RW
RW
B
PI54
-1
PI54 -2
WG
PI1-033
CA285 -2 -1 (RHD)
WG
NR
FH3-2
PI41-4
NY
WGYGWU
PI1-051
WRBG
PI1-034
UBGOYWU
RG
BG
Y
WG
RG
PI49-2
B
FH42
(FH22)
PI49-1
PI41
-36
E9171
FH108-1
WU
PI42-1 FH108-2
WG
FH109-1
NG
FH109-2
B
FH95
WR
FH1-15
CA103-19
28
GU
GU
GR
CA101-01RCA101-11YCA101-12
FP2-4
FP2-1
R
Y
BCA101-02
CA156
CA156
U
87
NG
B
SS
WR
PI41-26
PI1-027
52
31
R15
4
34II
CA102-2CA102-1CA101-3
20.220.2
FC10-13
PI41-25
FC10-12
PI41-24
PI1-048PI1-047
FP4-2
†FP8-6
†FP8-1
FP4-4
E9357
PI41-37
BG
O
F47 15A
WG
YG
FH110 -3 -2 -1
CA36 -2
-1
30II
U
WG
PIS22
OY
PIS21
PI41-19 PI41-18 PI41-17
BG
WU
PI1-121PI1-012PI1-019
BGOY
WU
BGOY
WU
PI1-009
PI41-28
U
FH3-1
U
WG WG
E118
PI41-42
B
52
R8
13
4
GU
CA100-8
31II
91
KB
B
B
CA291 -3 -1 (LHD)
WU
B
FAN
FRONT OF ENGINE
CYLINDER NUMBERING
FUEL INJECTORS IGNITION MODULES AND COILS
IGNITION
CAPACITOR AIR CONDITIONING
COMPRESSOR CLUTCH RELAY
AIR CONDITIONING
COMPRESSOR CLUTCH
REAR ELECTRONIC MODULEFUEL PUMP DIODE (2)
FUEL TANK
BRAKE
CANCEL
SWITCH
CLUTCH
CANCEL
SWITCH*
ENGINE CONTROL
MODULE
(CONTINUED FROM Fig. 03.1)
AIR CONDITIONING
PRESSURE SENSOR FUEL PUMP 1
REAR POWER DISTRIBUTION FUSE BOXFUEL PUMP
RELAY
COOLING FAN
COOLING FAN MODULE
FRONT POWER DISTRIBUTION FUSE BOX
*NOTE:
Clutch Cancel Switch
-
manual transmission vehicles only.
NOTE:
Vehicles with Adaptive Speed Control
-
refer to Speed Control Switches Fig. 05.3. NOTE:
The ECM communicates (CAN / SCP)
with the REM for fuel pump diagnostics.
† FP8: NAS only.
NOTE:
ECM power supplies and grounds shown on Fig. 03.1.
VIA
INERTIA SWITCH
-4
-3
-2
-1
-4
-3
-2
-1
-4
-3
-2
-1
-4
-3
-2
-2
-1
-1PI6
PI4
PI3
PI2
IL8
-2
-1
IL7
-2
-1
IL6
-2
-1
IL5
-2
-1
IL4
-2
-1
IL3
-4-3
-2
-1
PI7
-4
-3
-2
-1
PI8
OOOOOOOOOOOOOOOIIIIII B
+B+B+B+
B+OOOOIIP
1K0
2K2
510R 300R
180R
120R
RESISTOR PACK CANCEL
SET -
HEADWAY + HEADWAY - SET +
RESUME
SQ3-3
FC117-6SQ2-4SQS3
CASSETTE
SQ3-1
FC117-8
SQ2-6
SQS4
STEERING WHEEL SPEED CONTROL SWITCHES
VARIANT: V6 Vehicles
VIN RANGE: All
DATE OF ISSUE: May 2004 
Page 64 of 200

Refer to the front of this book for detailed information and illustrations regarding the location and identification of harnesses, relays, fuses, grounds, 
control modules and control module pins.
NOTE: The values listed are approximately those that can be expected at the control module connector pins with all circuit conn
ections made and all 
components connected and fitted. The following abbreviations are used to represent values for Control Module Pin-Out data
I Input
O Output
B+ Battery Voltage PG Power Ground
SS Sensor / Signal Supply V
SG Sensor / Signal GroundC CAN Network
S SCP Network
D2 D2B Network D Serial and Encoded Data
V Voltage (DC)
PWM Pulse Width Modulated
CAUTION: The information on this data page is furnished to ai d the user in understanding circuit operation. THIS INFORMATION SH OULD BE USED FOR 
REFERENCE ONLY.DATE OF ISSUE: May 2004
Fig. 03.3
FOR CONTROL MODULE PIN-OUT INFORMATION, UNFOLD PAGE TO LEFT. COMPONENTS
Component Connector(s) Connector Description LocationAPP SENSOR CA88 6-WAY / BLACK TOP OF ACCELERATOR PEDAL
BRAKE ON / OFF SWITCH CA37 2-WAY / GREEN TOP OF BRAKE PEDAL
CKP SENSOR PI21 2-WAY / BLACK ENGINE UNDER SIDE, FORWARD OF BELL HOUSING
CMP SENSOR 1 PI23 2-WAY / BLACK BANK 1 (RH) CAMSHAFT COVER, FRONT
CMP SENSOR 2 PI22 2-WAY / BLACK BANK 2 (LH) CAMSHAFT COVER, FRONT
ECT SENSOR PI25 2-WAY / BLACK ENGINE VEE, COOLANT OUTLET CASTING
EFT SENSOR PI27 2-WAY / BLACK FUEL RAIL, RH REAR
EGR VALVE PI15 6-WAY / BLACK INTAKE MANIFOLD, RH FRONT
ENGINE CONTROL MODULE PI1 134-WAY / BLACK FRONT BULKHEAD, P ASSENGER SIDE
EOT SENSOR PI24 2-WAY / BLACK ADJACENT TO OIL FILTER
EVAP CANISTER CLOSE VALVE CA270 2-WAY / BLACK ABOVE REAR AXLE (FUEL TANK COMPONENTS)
EVAP CANISTER PURGE VALVE FH111 2-WAY / BLACK ENGINE COMPARTMENT, LH SIDE, ADJACENT TO SUSPENSION TURRET
FRONT POWER DISTRIBUTION FUSE BOX — — ENGINE COMPARTMENT, RH SIDE
FTP SENSOR FP1 3-WAY / BLACK FUEL TANK PIPING, LH SIDE (UNDER ACCESS PLATE)
HO2 SENSOR DOWNSTREAM 1/2 PI11 4-WAY / BLACK RH EXHAUST, TOP OF CATALYST
HO2 SENSOR DOWNSTREAM 2/2 PI13 4-WAY / BLACK LH EXHAUST, TOP OF CATALYST
HO2 SENSOR UPSTREAM 1/1 PI10 4-WAY / BLACK RH EXHAUST, CATALYST CENTER
HO2 SENSOR UPSTREAM 2/1 PI12 4-WAY / BLACK RH EXHAUST, CATALYST CENTER
IP SENSOR PI28 3-WAY / BLACK FUEL RAIL, RH FRONT
KNOCK SENSOR 1 PI20 2-WAY / BLACK ENGINE VEE, BANK 1
KNOCK SENSOR 2 PI19 2-WAY / BLACK ENGINE VEE, BANK 2
MAF SENSOR PI14 5-WAY / BLACK ENGINE AIR INTAKE, ADJACENT TO AIR CLEANER
MAP SENSOR PI29 4-WAY / BLACK INTAKE MANIFOLD, LOWER REAR
THROTTLE MOTOR PI18 2-WAY / BLACK ENGINE AIR INTAKE, FRONT
THROTTLE MOTOR RELAY — — FRONT POWER DISTRIBUTION FUSE BOX – R5
TP SENSOR PI26 4-WAY / BLACK THROTTLE BODY, THROTTLE SHAFT
VVT SOLENOID VALVE 1 PI16 2-WAY / BLACK RH CYLINDER HEAD, FRONT
VVT SOLENOID VALVE 2 PI17 2-WAY / BLACK LH CYLINDER HEAD, FRONTHARNESS IN-LINE CONNECTORS
Connector Connector Description / Location LocationFC12 14-WAY / GREY / FASCIA HARNESS TO FRONT HARNESS BEHIND INSTRUMENT PANEL, PASSENGER SIDE
FC26 16-WAY / BLUE / CABIN HARNESS TO FASCIA HARNESS BEHIND INSTRUMENT PANEL, DRIVER SIDE
FH1 20-WAY / BLACK / CABIN HARNESS TO FRONT HARNESS RH ‘A’ POST, LOWER
FH3 16-WAY / BLUE / CABIN HARNESS TO FRONT HARNESS LH ‘A’ POST
FP2 8-WAY / BLACK / CABIN HARNESS TO FUEL PUMP HARNESS TOP OF FUEL TANK, RH SIDE
PI41 42-WAY / BLACK / ENGINE HARNESS TO VEHICLE HARNESSES ENGINE COMPARTMENT, BULKHEAD, PASSENGER SIDEGROUNDS
Ground LocationPI40 (LHD) ENGINE COMPARTMENT, BEHIND RH WHEEL ARCH LINER
PI40 (RHD) ENGINE COMPARTMENT, BEHIND LH WHEEL ARCH LINER
NOTE: Refer to the Appendix at the rear of this book for Network Messages. Engine Control Module Pin Description and CharacteristicO PI1–1 HO2 SENSOR HEATER CONTROL – 1/1: PWM, 1 CYCLE PER 128 mS, VARIABLE DUTY CYCLE
O PI1–2 HO2 SENSOR HEATER CONTROL – 1/1: PWM, 1 CYCLE PER 128 mS, VARIABLE DUTY CYCLE
PG PI1–4 POWER GROUND 1: GROUND
PG PI1–5 POWER GROUND 2: GROUND
I PI1–6 ENGINE CRANK: B+
I PI1–7 IGNITION ON: B+
I PI1–8 BRAKE ON / OFF SWITCH: NORMALLY OPEN / B+ WHEN ACTIVATED
I PI1–10 INERTIA SWITCH: NORMALLY CLOSED / OPEN CIRCUIT WHEN ACTIVATED
SS PI1–12 SENSOR POWER SUPPLY 1: NOMINAL 5 V
SS PI1–13 SENSOR POWER SUPPLY 2: NOMINAL 5 V
SG PI1–17 SMALL SIGNAL GROUND 1: GROUND
SG PI1–18 SMALL SIGNAL GROUND 2: GROUND
SG PI1–19 SENSOR GROUND 1: GROUND
SG PI1–20 SENSOR GROUND 2: GROUND
B+ PI1–22 BATTERY POWER SUPPLY: B+
B+ PI1–23 EMS SWITCHED POWER SUPPLY 1: B+
B+ PI1–24 EMS SWITCHED POWER SUPPLY 2: B+
SG PI1–29 HO2 SENSOR HEATER GROUND – 1/1: GROUND
SG PI1–30 HO2 SENSOR HEATER GROUND – 1/1: GROUND
I PI1–31 AUTOMATIC – PARK / NEUTRAL SIGNAL: B+ WHEN ACTIVATED MANUAL, ROW – PARK / NEUTRAL SIGNAL: B+ WHEN IGNITION CRANK (III)
MANUAL, NAS – CLUTCH PEDAL SAFETY SWITCH (PARK / NEUTRAL SIGNAL): B+ WHEN ACTIVATED
I PI1–36 CRANKSHAFT SENSOR SIGNAL: PULSED SIGNAL, 70 PULSES PER ENGINE CYCLE
SG PI1–37 CRANKSHAFT SENSOR SIGNAL GROUND: GROUND
O PI1–40 EMS CONTROL RELAY DRIVE: TO ACTIVATE, ECM SWITCHES CIRCUIT TO GROUND
O PI1–41 STARTER RELAY DRIVE: TO ACTIVATE, ECM SWITCHES CIRCUIT TO GROUND
SG PI1–43 TP AND APP SIGNALS SHIELD: GROUND
I PI1–44 MASS AIR FLOW SENSOR SIGNAL: NOMINAL 0 – 5 V BY ENGINE OPERATING CONDITION
SG PI1–45 MASS AIR FLOW SENSOR GROUND: GROUND
SG PI1–46 MASS AIR FLOW SENSOR GROUND: GROUND
I PI1–50 ENGINE FUEL TEMPERATURE SENSOR SIGNAL, NOMINAL 0 – 5 V: NTC SENSOR – VOLTAGE DECREASES AS TEMPERATURE INCREASES
O PI1–52 THROTTLE MOTOR RELAY DRIVE: TO ACTIVATE, ECM SWITCHES CIRCUIT TO GROUND
SG PI1–54 THROTTLE MOTOR GROUND: GROUND
O PI1–55 HO2 SENSOR HEATER CONTROL – 2/1: PWM, 1 CYCLE PER 128 mS, VARIABLE DUTY CYCLE
O PI1–56 HO2 SENSOR HEATER CONTROL – 2/1: PWM, 1 CYCLE PER 128 mS, VARIABLE DUTY CYCLE
O PI1–57 EGR DRIVE 1: B+; EGR DRIVE 1, 2, 3 AND 4 ARE OPERATED IN TURN
O PI1–58 EGR DRIVE 2: B+; EGR DRIVE 1, 2, 3 AND 4 ARE OPERATED IN TURN
O PI1–59 EGR DRIVE 3: B+; EGR DRIVE 1, 2, 3 AND 4 ARE OPERATED IN TURN
O PI1–60 EGR DRIVE 4: B+; EGR DRIVE 1, 2, 3 AND 4 ARE OPERATED IN TURN
O PI1–66 EVAP CANISTER PURGE VALVE DRIVE: PWM, 10 Hz, POSITIVE DUTY CYCLE RANGE 7% – 100%
O PI1–67 EVAP CANISTER CLOSE VALVE DRIVE: TO CLOSE, ECM SWITCHES CIRCUIT TO GROUND
I PI1–68 BANK 2 CAMSHAFT SENSOR SIGNAL: PULSED SIGNAL, 4 PULSES PER ENGINE CYCLE
SG PI1–69 BANK 2 CAMSHAFT SENSOR GROUND: GROUND
I PI1–70 ENGINE COOLANT TEMPERATURE SENSOR SIGNAL, NOMINAL 0 – 5 V: NTC SENSOR – VOLTAGE DECREASES AS TEMPERATURE INCREASES
I PI1–71 INTAKE AIR TEMPERATURE SENSOR SIGNAL, NOMINAL 0 – 5 V: NTC SENSOR – VOLTAGE DECREASES AS TEMPERATURE INCREASES
I PI1–73 INJECTION PRESSURE SENSOR SIGNAL, NOMINAL 0 – 5 V: POTENTIOMETER – VOLTAGE INCREASES AS PRESSURE INCREASES
I PI1–75 THROTTLE POSITION SENSOR 1 SIGNAL: IDLE = 0.60 V; FULL THROTTLE = 4.30 V
I PI1–76 THROTTLE POSITION SENSOR 2 SIGNAL: IDLE = 1.48 V; FULL THROTTLE = 4.40 V
I PI1–78 ENGINE OIL TEMPERATURE SENSOR SIGNAL, NOMINAL 0 – 5 V: NTC SENSOR – VOLTAGE DECREASES AS TEMPERATURE INCREASES
I PI1–79 GENERATOR FAULT; CHARGE WARNING
O PI1–80 THROTTLE MOTOR DRIVE: B+ TO ACTIVATE MOTOR
SG PI1–81 HO2 SENSOR HEATER GROUND – 2/1: GROUND
SG PI1–82 HO2 SENSOR HEATER GROUND – 2/1: GROUND
I PI1–83 HO2 SENSOR 1/1 SIGNAL: VARIABLE CURRENT
I PI1–84 HO2 SENSOR 1/1 SIGNAL: CONSTANT CURRENT
SG PI1–91 HO2 SENSOR HEATERS 1/2, 2/2 GROUND: GROUND
O PI1–92 HO2 SENSOR HEATER CONTROL – 1/2: PWM, 1 CYCLE PER 256 mS, POSITIVE DUTY CYCLE RANGE 0 mS = 0%, 77 mS = 30%, 256 mS = 100%
O PI1–93 HO2 SENSOR HEATER CONTROL – 2/2: PWM, 1 CYCLE PER 256 mS, POSITIVE DUTY CYCLE RANGE 0 mS = 0%, 77 mS = 30%, 256 mS = 100%
I PI1–94 BANK 1 CAMSHAFT SENSOR SIGNAL: PULSED SIGNAL, 4 PULSES PER ENGINE CYCLE
SG PI1–95 BANK 1 CAMSHAFT SENSOR GROUND: GROUND
I PI1–98 BANK 1 KNOCK SENSOR SIGNAL: VARIABLE VOLTAGE DEPENDENT ON ENGINE VIBRATION
I PI1–99 BANK 2 KNOCK SENSOR SIGNAL: VARIABLE VOLTAGE DEPENDENT ON ENGINE VIBRATION
SG PI1–100 SENSOR SHIELD: GROUND
I PI1–102 ACCELERATOR PEDAL POSITION SENSOR 1 SIGNAL: FOOT OFF = 0.75 V; FULLY DEPRESSED = 3.40 V (AUTO) 3.20 V (MAN)
I PI1–103 ACCELERATOR PEDAL POSITION SENSOR 2 SIGNAL: FOOT OFF = 3.38 V; FULLY DEPRESSED = 2.05 V (AUTO) 2.14 V (MAN)
I PI1–104 FUEL TANK PRESSURE SENSOR SIGNAL, NOMINAL 0 – 5 V: VOLTAGE INCREASES AS PRESSURE INCREASES
D PI1–105 SERIAL DATA LINK: SERIAL COMMUNICATION
O PI1–106 THROTTLE MOTOR DRIVE: B+ TO ACTIVATE MOTOR
I PI1–107 HO2 SENSOR 2/1 SIGNAL: VARIABLE CURRENT
I PI1–108 HO2 SENSOR 2/1 SIGNAL: CONSTANT CURRENT
O PI1–109 BANK 1 VVT SOLENOID VALVE: PWM, 300 Hz, POSITIVE DUTY CYCLE RANGE 0% – 100%
O PI1–110 BANK 2 VVT SOLENOID VALVE: PWM, 300 Hz, POSITIVE DUTY CYCLE RANGE 0% – 100%
SG PI1–111 FUEL INJECTORS 2, 3, 5, 8 GROUND: GROUND
SG PI1–116 FUEL INJECTORS 1, 4, 6, 7 GROUND: GROUND
C PI1–123 CAN –
C PI1–124 CAN +
I PI1–127 MAP SENSOR SIGNAL, NOMINAL 0 – 5 V: VOLTAGE INCREASES AS MANIFOLD ABSOLUTE PRESSURE INCREASES
I PI1–128 HO2 SENSOR 1/2 SIGNAL, NOMINAL 1 V SWING: 0.1 – 0.9 V SWING
I PI1–129 HO2 SENSOR 2/2 SIGNAL, NOMINAL 1 V SWING: 0.1 – 0.9 V SWING
SG PI1–130 HO2 SENSORS SHIELD: GROUND
B+ PI1–134 THROTTLE MOTOR POWER SUPPLY: B+ WHEN RELAY ACTIVATED 
Page 65 of 200

Engine Management: V8 N/A – Part 1
Jaguar S-TYPE 2005
Engine Management: V8 N/A – Part 1
Fig. 03.3
13 4114
46 80
76 77 92
ll
15 45ll ll SS
81 118EE
Fig .01.1
Fig .01 .2 F
ig .01.3
Fig .01 .4
Fig . 01.5 F
ig . 01.6 F
ig .01 .7
Input
OutputI
O
B
P+Battery VoltagePower Ground Sensor/Signal Supply V
Sensor/Signal Ground Serial and Encoded Data
CAN
+
SCPC
S DD
–
D2B Network2
f03_3_200045
YU
YR
YG YU
PIS29
PI40BR PI40AL
BBBBBBBBBB
PI1-116PI1-111PI1-091PI1-054PI1-030PI1-029PI1-018PI1-017PI1-004PI1-005
PIS30B
B
PIS28B
PI40AR
BB
PI1-082PI1-081
RWNGYRBWRURU
PI10 PI12
-3 -4 -1 -2 -3 -4 -1 -2
2/1
1/1
PI11 PI13-4 -3 -1 -2 -4 -3 -1 -2
2/2
1/2
R
Y
RU
WG
G
N
RW
WR
N
B
UY
WG
N
B
RW
WR
NUYNRWRW
PIS12
PIS13PIS11
PI1-008PI1-080PI1-106PI1-127PI1-012PI1-103PI1-102PI1-037PI1-036PI1-094PI1-095PI1-100PI1-068PI1-069PI1-098PI1-093PI1-056PI1-128PI1-092PI1-129PI1-001PI1-002PI1-130PI1-083PI1-084PI1-107PI1-108PI1-055PI1-044PI1-045PI1-046PI1-071PI1-019PI1-070PI1-078PI1-073PI1-050PI1-104PI1-020PI1-013PI1-043PI1-076PI1-075PI1-067PI1-066PI1-057PI1-058PI1-110PI1-109
B
B
1
2
-1
-2
PI16
-1
-2
PI17
YU
Y
PI20 -1
PI21
-1
PI23-2 PI22
-1
2
1
B
O
Y
R
N
G
B
N
PI21
-2 PI23
-1 PI22
-2
-2
BG
BG
BG BG
PIS19
PI19 -1B
N-2
B
O
Y
R
BG
N
G
N
GW
BK
PI1-099
N
BG
PI14 -1 -3 -2 PI25 -2 -1
-5
-4
IATS
PI24 -1 -2
GW
BK
U
BG
GU
PIS21
E89
PI28 -3 -2
-1
UY
BG
Y
BG
U
BG
OY
YR
BGPI27 -1 -2 FP1 -2
-3 -1
PI29 -2 -1 -4
RGOY BG
OY
BK
BG
PIS22
BG
FHS6
BG
BG BG
PI41-18
OY OYPI41-17
FP2
-3
FH3 -12
PI41 -14RG
RG
FP2
-2
FH3 -13 FP2
-6
FH3 -11
OY
OY
BK
U
UY
BG
Y
U
YR
OY
RG BK
O
B
BG
Y
PIS25
FHS7
TP1
PI18
-1
PI18
-2
PI26
-1
TP2
BG
BG
FC26
-8
FC26
-16
OY
OY
APP1
APP2
CA88
-5
O
B
BGY
FC26-5
FC26-6
FC12-3
FC12-4
B O
B
FC12-10
BBB
FC26-7FC26-13
FC12-5FC26-15
FC12-6
Y
BG
R
Y
RW
GW
OY
BG
B
BG
GW
RW
Y
R
GO
OY
BGFC12
-9
FC12
-2
PI41-8
PI41-7PI41-6PI41-12
PI41-3
O
BBBGY
CA88 -3 CA88
-4 CA88
-2CA88
-6 CA88
-1
PI26
-3 PI26
-2 PI26
-4
CA270 -2 -1 -2
-1
FH111 -2 -1
UY
GU
O
GU
E88
E87
PI41-29PI41-10
O
FH1-7 FH1-9
PI41-23
CA37
GO
NR
CAS22
GO GO
O
UY YU
YG
PI1-059PI1-060
YR
YU
PI15-4
PI15-1
PI15
-6
PI15
-3
GU GU
PI15 -2
PI15
-5E90
E92
PI1-006PI1-007PI1-010
GU GO
Y
PI1-123
G
PI1-124
Y
PI1-105
W
PI1-134GUPI1-052GR
PI41-38
PI41-39
NR
GR
48
YR
GR
20.120.120.2
PI1-031PI1-079PI1-041
GR GO
YR
02.229II02.202.202.2
PI1-022
NR
73
PI1-040
BW
01.7
PI1-024
WG
PI1-023
WG
E111
32IIE94E95
3
1 5
2
R5
4
F18 20A
GU
E116
115
EE113
E114
90
04.1
B
BB
B
1
2
3
4
1
2
VIA INERTIA SWITCH
ENGINE CRANK
EMS CONTROL RELAY GENERATOR:
FAULT; CHARGE WARNING
STARTER RELAY DRIVE
PARK; NEUTRAL
(CIRCUIT CONTINUED)
SERIAL COMMUNICATION
FRONT POWER DISTRIBUTION FUSE BOX
ENGINE CONTROL MODULE(CONTINUED Fig. 03.4)
VVT SOLENOIDVALVES EVAP CANISTER
PURGE VALVE EVAP CANISTER
CLOSE VALVE * BRAKE
ON/OFF
SWITCH
NOTES:
*EVAPCanisterCloseValveand
Fuel Tank Pressure Sensor – NAS
vehicles only.
Shielding shown as dashed lines
are braided wires.
BRD
STEPPER
MOTOR
EGR VALVE
TP SENSOR THROTTLE
MOTOR
APP SENSOR
THROTTLE MOTOR RELAY HO2 SENSORS
UPSTREAM HO2 SENSORS
DOWNSTREAM CKP
SENSOR CMP
SENSORS KNOCK
SENSORS MAF
SENSOR ECT
SENSOR EOT
SENSOR IP
SENSOR EFT
SENSOR MAP
SENSOR FTP
SENSOR *
II
O
OII
O
OI
OIIIII
OIIIIIIIIIIIIIIOOOOOOOOOO
B+B+B+IIIOOIICCD–+B+OPP
THROTTLE BODYVARIANT:
V8 N/A Vehicles
VIN RANGE: All
DATE OF ISSUE: May 2004 
Page 66 of 200

Refer to the front of this book for detailed information and illustrations regarding the location and identification of harnesses, relays, fuses, grounds, 
control modules and control module pins.
NOTE: The values listed are approximately those that can be expected at the control module connector pins with all circuit conn
ections made and all 
components connected and fitted. The following abbreviations are used to represent values for Control Module Pin-Out data
I Input
O Output
B+ Battery Voltage PG Power Ground
SS Sensor / Signal Supply V
SG Sensor / Signal GroundC CAN Network
S SCP Network
D2 D2B Network D Serial and Encoded Data
V Voltage (DC)
PWM Pulse Width Modulated
CAUTION: The information on this data page is furnished to ai d the user in understanding circuit operation. THIS INFORMATION SH OULD BE USED FOR 
REFERENCE ONLY.DATE OF ISSUE: May 2004
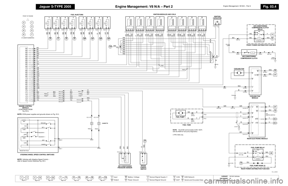
Fig. 03.4
FOR CONTROL MODULE PIN-OUT INFORMATION, UNFOLD PAGE TO LEFT. COMPONENTS
Component Connector(s) Connector Description LocationAIR CONDITIONING COMPRESSOR CLUTCH PI49 2-WAY / BLACK LOWER LH SIDE OF ENGINE
AIR CONDITIONING COMPRESSOR CLUTCH RELAY — — FRONT POWER DISTRIBUTION FUSE BOX – R8
AIR CONDITIONING PRESSURE SENSOR FH110 4-WAY / BLACK ENGINE COMPARTMENT, LH SIDE, HIGH PRESSURE REFRIGERANT LINE, BETWEEN COMPRESSOR AND CONDENSER
BRAKE CANCEL SWITCH CA36 2-WAY / GREY TOP OF BRAKE PEDAL
COOLING FAN MODULE FH108 2-WAY / BLACK ENGINE COMPARTMENT, RH FRONT, REARWARD OF RADIATOR
FH109 2-WAY / BLACK
ENGINE CONTROL MODULE PI1 134-WAY / BLACK FRONT BULKHEAD, P ASSENGER SIDE
FRONT POWER DISTRIBUTION FUSE BOX — — ENGINE COMPARTMENT, RH SIDE
FUEL INJECTOR 1 PI32 2-WAY / BLACK FUEL RAIL / INTAKE MANIFOLD
FUEL INJECTOR 2 PI36 2-WAY / BLACK FUEL RAIL / INTAKE MANIFOLD
FUEL INJECTOR 3 PI33 2-WAY / BLACK FUEL RAIL / INTAKE MANIFOLD
FUEL INJECTOR 4 PI37 2-WAY / BLACK FUEL RAIL / INTAKE MANIFOLD
FUEL INJECTOR 5 P34 2-WAY / BLACK FUEL RAIL / INTAKE MANIFOLD
FUEL INJECTOR 6 PI38 2-WAY / BLACK FUEL RAIL / INTAKE MANIFOLD
FUEL INJECTOR 7 PI35 2-WAY / BLACK FUEL RAIL / INTAKE MANIFOLD
FUEL INJECTOR 8 PI39 2-WAY / BLACK FUEL RAIL / INTAKE MANIFOLD
FUEL PUMP 1 FP2 8-WAY / BLACK FUEL TANK, RH SIDE
FP4 (ROW) 4-WAY / BLACK
FP8 (NAS) 6-WAY / BLACK
FUEL PUMP RELAY — — REAR POWER DISTRIBUTION FUSE BOX – R15
IGNITION CAPACITOR PI54 2-WAY / BLACK LH CYLINDER HEAD, REAR
IGNITION MODULE AND COIL 1 PI2 4-WAY / BLACK RH CYLINDER HEAD
IGNITION MODULE AND COIL 2 PI6 4-WAY / BLACK LH CYLINDER HEAD
IGNITION MODULE AND COIL 3 PI3 4-WAY / BLACK RH CYLINDER HEAD
IGNITION MODULE AND COIL 4 PI7 4-WAY / BLACK LH CYLINDER HEAD
IGNITION MODULE AND COIL 5 PI4 4-WAY / BLACK RH CYLINDER HEAD
IGNITION MODULE AND COIL 6 PI8 4-WAY / BLACK LH CYLINDER HEAD
IGNITION MODULE AND COIL 7 PI5 4-WAY / BLACK RH CYLINDER HEAD
IGNITION MODULE AND COIL 8 PI9 4-WAY / BLACK LH CYLINDER HEAD
REAR ELECTRONIC MODULE CA63 17-WAY / BLACK LUGGAGE COMPARTMENT, RH REAR
CA100 12-WAY / BLACK
CA101 20-WAY / BLACK
CA102 22-WAY / BLACK
CA103 26-WAY / NATURAL
REAR POWER DISTRIBUTION FUSE BOX — — LUGGAGE COMPARTMENT
STEERING WHEEL SPEED CONTROL SWITCHES SQ2 6-WAY / BLACK STEERING WHEELHARNESS IN-LINE CONNECTORS
Connector Connector Description / Location LocationFC10 14-WAY / GREEN / FASCIA HARNESS TO FRONT HARNESS BEHIND INSTRUMENT PANEL, RH SIDE
FC117 10-WAY / BLACK / STEERING WHEEL CASSETTE STEERING COLUMN
FH1 20-WAY / BLACK / CABIN HARNESS TO FRONT HARNESS RH ‘A’ POST, LOWER
FH3 16-WAY / BLUE / CABIN HARNESS TO FRONT HARNESS LH ‘A’ POST
PI41 42-WAY / BLACK / ENGINE HARNESS TO VEHICLE HARNESSES ENGINE COMPARTMENT, BULKHEAD, PASSENGER SIDE
PI42 8-WAY / BLACK / ENGINE HARNESS TO FRONT HARNESS ENGINE COMPARTMENT, BULKHEAD, PASSENGER SIDEGROUNDS
Ground LocationCA156 LUGGAGE COMPARTMENT, RH SIDE
FH22 ENGINE COMPARTMENT, BEHIND LH HEADLAMP
FH42 ENGINE COMPARTMENT, BEHIND RH HEADLAMP
FH95 ENGINE COMPARTMENT, BEHIND LH HEADLAMP (RADIATOR FAN GROUND)
PI51 ENGINE COMPARTMENT, ENGINE BLOCK
NOTE: Refer to the Appendix at the rear of this book for Network Messages. Engine Control Module Pin Description and CharacteristicI PI1–9 BRAKE CANCEL SWITCH: NORMALLY CLOSED / GROUND WHEN ACTIVATED
SS PI1–12 SENSOR POWER SUPPLY 1: NOMINAL 5 V
SG PI1–19 SENSOR GROUND 1: GROUND
O PI1–27 FUEL PUMP DRIVE SIGNAL (TO REM): PWM, 150 Hz, NORMAL POSITIVE DUTY CYCLE RANGE = 4% – 51%
O PI1–34 AIR CONDITIONING COMPRESSOR CLUTCH RELAY DRIVE: TO ACTIVATE, ECM SWITCHES CIRCUIT TO GROUND
SS PI1–47 SPEED CONTROL SWITCH REQUEST: STEPPED RESISTANCE
I PI1–48 SPEED CONTROL SWITCHES SIGNAL GROUND: GROUND
O PI1–51 COOLING FAN MODULE CONTROL: PWM, 140 Hz, POSITIVE DUTY CYCLE RANGE 7% – 95%
O PI1–61 IGNITION COIL ACTIVATE – CYLINDER 2: TO ACTIVATE, ECM SWITCHES CIRCUIT TO GROUND
O PI1–62 IGNITION COIL ACTIVATE – CYLINDER 4: TO ACTIVATE, ECM SWITCHES CIRCUIT TO GROUND
O PI1–63 IGNITION COIL ACTIVATE – CYLINDER 6: TO ACTIVATE, ECM SWITCHES CIRCUIT TO GROUND
O PI1–64 IGNITION COIL ACTIVATE – CYLINDER 8: TO ACTIVATE, ECM SWITCHES CIRCUIT TO GROUND
O PI1–87 IGNITION COIL ACTIVATE – CYLINDER 1: TO ACTIVATE, ECM SWITCHES CIRCUIT TO GROUND
O PI1–88 IGNITION COIL ACTIVATE – CYLINDER 3: TO ACTIVATE, ECM SWITCHES CIRCUIT TO GROUND
O PI1–89 IGNITION COIL ACTIVATE – CYLINDER 5: TO ACTIVATE, ECM SWITCHES CIRCUIT TO GROUND
O PI1–90 IGNITION COIL ACTIVATE – CYLINDER 7: TO ACTIVATE, ECM SWITCHES CIRCUIT TO GROUND
O PI1–112 FUEL INJECTOR DRIVE – CYLINDER 8: TO ACTIVATE, ECM SWITCHES CIRCUIT TO GROUND
O PI1–113 FUEL INJECTOR DRIVE – CYLINDER 5: TO ACTIVATE, ECM SWITCHES CIRCUIT TO GROUND
O PI1–114 FUEL INJECTOR DRIVE – CYLINDER 3: TO ACTIVATE, ECM SWITCHES CIRCUIT TO GROUND
O PI1–115 FUEL INJECTOR DRIVE – CYLINDER 2: TO ACTIVATE, ECM SWITCHES CIRCUIT TO GROUND
O PI1–117 FUEL INJECTOR DRIVE – CYLINDER 7: TO ACTIVATE, ECM SWITCHES CIRCUIT TO GROUND
O PI1–118 FUEL INJECTOR DRIVE – CYLINDER 6: TO ACTIVATE, ECM SWITCHES CIRCUIT TO GROUND
O PI1–119 FUEL INJECTOR DRIVE – CYLINDER 4: TO ACTIVATE, ECM SWITCHES CIRCUIT TO GROUND
O PI1–120 FUEL INJECTOR DRIVE – CYLINDER 1: TO ACTIVATE, ECM SWITCHES CIRCUIT TO GROUND
I PI1–121 AIR CONDITIONING PRESSURE SENSOR SIGNAL, NOMINAL 0 –  5 V: TRANSDUCER – VOLTAGE INCREASES AS PRESSURE INCREASES
I PI1–131 IGNITION MONITOR BANK 1: PULSED SIGNAL, 3 PULSES PER ENGINE CYCLE
I PI1–132 IGNITION MONITOR BANK 2: PULSED SIGNAL, 3 PULSES PER ENGINE CYCLERear Electronic Module
Pin Description and CharacteristicB+ CA100–8 IGNITION SWITCHED POWER SUPPLY (II): B+
B+ CA101–1 FUEL PUMP POWER SUPPLY: B+ WHEN FUEL PUMP RELAY IS ACTIVATED
SG CA101–2 LOGIC GROUND / FUEL PUMP DRIVE SHIELD: GROUND
B+ CA101–3 BATTERY POWER SUPPLY: B+
O CA101–11 FUEL PUMP SUPPLY VOLTAGE: B+
O CA101–12 FUEL PUMP ACTIVATE: GROUND (PWM)
S CA102–1 SCP +
S CA102–2 SCP –
I CA103–19 FUEL PUMP DRIVE SIGNAL: PWM, 150 Hz, NORMAL POSITIVE DUTY CYCLE RANGE = 4% – 51% 
Page 67 of 200

Engine Management: V8 N/A – Part 2
Jaguar S-TYPE 2005
Engine Management: V8 N/A – Part 2
Fig. 03.4
13 4114
46 80
76 77 92
ll
15 45ll ll SS
81 118EE
Fig .01.1
Fig .01 .2 F
ig .01.3
Fig .01 .4
Fig . 01.5 F
ig . 01.6 F
ig .01 .7
Input
OutputI
O
B
P+Battery VoltagePower Ground Sensor/Signal Supply V
Sensor/Signal Ground Serial and Encoded Data
CAN
+
SCPC
S DD
–
D2B Network2
f03_4_200045
WGYGWU
PI1-051
WRBG
PI1-034
UBR
PI1-115
RW
PI1-117
BG
PI1-113
U
PI1-118
Y
PI1-088
GU
PI1-087
UY
PI1-112
BO
PI1-119
GB
PI1-131
BGOYWUYB
PI1-132
GW
PI1-062
GW
PI1-061
GR
PI1-090
YR
PI1-089
PI32 -1 -2 PI33 -1 -2 PI34 -1 -2 PI35 -1 -2 PI36 -1 -2 PI37 -1 -2BG
NR
BK
NR
BG
NR
RW
NR
BR
NR
BO
NR1
3
5
7
2
4
E97
E96
E101
E100
E99
E98
246
135
B
1
3
5
7
4
6
PIS9
PIS10
GU
GB
B
RW
Y
YB
B
RW
YR
YB
B
RW
GR
GB
B
RW
GW
GB
B
RW
GR
GB
B
RW
B
PIS31
B
B
B
B
B
PIS8
RW
RW
RW
RW
RW
RWRW
B
PI54-1
PI54-2
WR
FH1-15
CA103-19
28
GU
GU
GR
CA101-01
R
CA101-11
Y
CA101-12BCA101-02
CA156
CA156
NG
B
WR
PI41-26
PI1-027
52
31
R15
4
34II
FC10-13
PI41-25
FC10-12
PI41-24
PI1-048PI1-047
BK
PI1-114
BG
PI1-120
PI38 -1 -2 PI39 -1 -2
U
NR
UY
NR6
8E103
E102
RW
RW
2
GW
YB
B
RW
-4
-4 -2 -2 -3-3 -1 -1
-4 -2 -3 -1
-4 -2 -3 -1YR
YB
B
RW
GR
PI1-063
YR
PI1-064
8
7
PI51
B
B
O
F47 15A
WG
YG
FH110 -3 -2 -1
CA36 -2 -1
30II
U
WG
PIS22
OY
PIS21
PI41-19 PI41-18 PI41-17
BG
WU
PI1-121PI1-012PI1-019
BGOY
WU
BGOY
WU
PI1-009
PI41-28
U
U
FHS7 FHS6
WG
YGBGOY
8
RG
BG
Y
WG
RG
B
FH42
(FH22)
PI41
-36
E9171
FH108-1
WU
PI42- 1
WG
NG
FH109-2
B
FH95
E9357
PI41-37
BG
B
52
R8
13
4
P
NYU
87
CA102-2CA102-1CA101-3
20.220.2
GU
CA100-8
31II
FP2-4
FP2- 1
R
Y
FP4-2
FP4-4
KB
B
E118
RW
B
FRONT OF ENGINE
CYLINDER NUMBERING
ENGINE CONTROL MODULE
(CONTINUED FROM Fig. 03.3)NOTE: ECM power supplies and grounds shown on Fig. 03.3.
NOTE: Vehicles with Adaptive Speed Control –
refer to Speed Control Switches Fig. 05.3.
AIR CONDITIONING
PRESSURE SENSOR BRAKE
CANCEL SWITCH REAR POWER DISTRIBUTION FUSE BOXFUEL PUMP DIODE (2)FUEL PUMP RELAY
REAR ELECTRONIC MODULE
VIA
INERTIA SWITCH
COOLING FAN
MODULE
FAN
FH109-1
FH108-2
COOLING FAN
PI49-2
PI49-1
PI41-42
AIR CONDITIONING
COMPRESSOR CLUTCH
FUEL TANK
FUEL PUMP 1 FRONT POWER DISTRIBUTION FUSE BOX
AIR CONDITIONING
COMPRESSOR CLUTCH RELAY
IGNITION
CAPACITOR
IGNITION MODULES AND COILS
PI9
PI8
PI7
PI6
-4 -2 -3 -1
PI5
-4 -2 -3 -1
PI4
-4 -2 -3 -1
PI3
-4 -2 -3 -1
PI2
FUEL INJECTORS
OOOOOOOOOOOOOOOOOOOIIIII
FH3-1
S
S
OOI B
+B+
B+
B+B+
OOI
NOTE:
The ECM communicates (CAN / SCP)
with the REM for fuel pump diagnostics.
† FP8: NAS only.
†FP8-6
†FP8-1
1K0
2K2
510R 300R
180R
120R
RESISTOR PACK CANCEL
SET -
HEADWAY + HEADWAY - SET +
RESUME
SQ3-3
FC117-6SQ2-4SQS3
CASSETTE
SQ3-1
FC117-8
SQ2-6
SQS4
STEERING WHEEL SPEED CONTROL SWITCHES
VARIANT: V8 N/A Vehicles
VIN RANGE: All
DATE OF ISSUE: May 2004 
Page 68 of 200

Refer to the front of this book for detailed information and illustrations regarding the location and identification of harnesses, relays, fuses, grounds, 
control modules and control module pins.
NOTE: The values listed are approximately those that can be expected at the control module connector pins with all circuit conn
ections made and all 
components connected and fitted. The following abbreviations are used to represent values for Control Module Pin-Out data
I Input
O Output
B+ Battery Voltage PG Power Ground
SS Sensor / Signal Supply V
SG Sensor / Signal GroundC CAN Network
S SCP Network
D2 D2B Network D Serial and Encoded Data
V Voltage (DC)
PWM Pulse Width Modulated
CAUTION: The information on this data page is furnished to ai d the user in understanding circuit operation. THIS INFORMATION SH OULD BE USED FOR 
REFERENCE ONLY.DATE OF ISSUE: May 2004
Fig. 03.5
FOR CONTROL MODULE PIN-OUT INFORMATION, UNFOLD PAGE TO LEFT. COMPONENTS
Component Connector(s) Connector Description LocationAPP SENSOR CA88 6-WAY / BLACK TOP OF ACCELERATOR PEDAL
BRAKE ON / OFF SWITCH CA37 2-WAY / GREEN TOP OF BRAKE PEDAL
CKP SENSOR PI21 2-WAY / BLACK ENGINE UNDER SIDE, FORWARD OF BELL HOUSING
CMP SENSOR 1 PI23 2-WAY / BLACK BANK 1 (RH) CAMSHAFT COVER, FRONT
CMP SENSOR 2 PI22 2-WAY / BLACK BANK 2 (LH) CAMSHAFT COVER, FRONT
ECT SENSOR PI25 2-WAY / BLACK ENGINE VEE, COOLANT OUTLET CASTING
EFT SENSOR PI27 2-WAY / BLACK FUEL RAIL, RH REAR
EGR VALVE PI15 6-WAY / BLACK INTAKE MANIFOLD, REAR
ENGINE CONTROL MODULE PI1 134-WAY / BLACK FRONT BULKHEAD, P ASSENGER SIDE
EOT SENSOR PI24 2-WAY / BLACK ADJACENT TO OIL FILTER
EVAP CANISTER CLOSE VALVE CA270 2-WAY / BLACK ABOVE REAR AXLE (FUEL TANK COMPONENTS)
EVAP CANISTER PURGE VALVE FH111 2-WAY / BLACK ENGINE COMPARTMENT, LH SIDE, ADJACENT TO SUSPENSION TURRET
FRONT POWER DISTRIBUTION FUSE BOX — — ENGINE COMPARTMENT, RH SIDE
FTP SENSOR FP1 3-WAY / BLACK FUEL TANK PIPING, LH SIDE (UNDER ACCESS PLATE)
HO2 SENSOR DOWNSTREAM 1/2 PI11 4-WAY / BLACK RH EXHAUST, TOP OF CATALYST
HO2 SENSOR DOWNSTREAM 2/2 PI13 4-WAY / BLACK LH EXHAUST, TOP OF CATALYST
HO2 SENSOR UPSTREAM 1/1 PI10 4-WAY / BLACK RH EXHAUST, CATALYST CENTER
HO2 SENSOR UPSTREAM 2/1 PI12 4-WAY / BLACK RH EXHAUST, CATALYST CENTER
IAT SENSOR 2 PI43 2-WAY / BLACK INTAKE MANIFOLD, RH SIDE, REAR
IP SENSOR PI28 3-WAY / BLACK FUEL RAIL, LH REAR
KNOCK SENSOR 1 PI20 2-WAY / BLACK ENGINE VEE, BANK 1
KNOCK SENSOR 2 PI19 2-WAY / BLACK ENGINE VEE, BANK 2
MAF SENSOR PI14 5-WAY / BLACK ENGINE AIR INTAKE, ADJACENT TO AIR CLEANER
MAP SENSOR PI29 4-WAY / BLACK INTAKE MANIFOLD, REAR, BELOW THROTTLE ASSEMBLY
THROTTLE MOTOR PI18 2-WAY / BLACK ENGINE AIR INTAKE, REAR
THROTTLE MOTOR RELAY — — FRONT POWER DISTRIBUTION FUSE BOX – R5
TP SENSOR PI26 4-WAY / BLACK THROTTLE BODY, THROTTLE SHAFTHARNESS IN-LINE CONNECTORS
Connector Connector Description / Location LocationFC12 14-WAY / GREY / FASCIA HARNESS TO FRONT HARNESS BEHIND INSTRUMENT PANEL, PASSENGER SIDE
FC26 16-WAY / BLUE / CABIN HARNESS TO FASCIA HARNESS BEHIND INSTRUMENT PANEL, DRIVER SIDE
FH1 20-WAY / BLACK / CABIN HARNESS TO FRONT HARNESS RH ‘A’ POST, LOWER
FH3 16-WAY / BLUE / CABIN HARNESS TO FRONT HARNESS LH ‘A’ POST
FP2 8-WAY / BLACK / CABIN HARNESS TO FUEL PUMP HARNESS TOP OF FUEL TANK, RH SIDE
PI41 42-WAY / BLACK / ENGINE HARNESS TO VEHICLE HARNESSES ENGINE COMPARTMENT, BULKHEAD, PASSENGER SIDEGROUNDS
Ground LocationPI40 (LHD) ENGINE COMPARTMENT, BEHIND RH WHEEL ARCH LINER
PI40 (RHD) ENGINE COMPARTMENT, BEHIND LH WHEEL ARCH LINER
NOTE: Refer to the Appendix at the rear of this book for Network Messages. Engine Control Module
Pin Description and CharacteristicO PI1–1 HO2 SENSOR HEATER CONTROL – 1/1: PWM, 1 CYCLE PER 128 mS, VARIABLE DUTY CYCLE
O PI1–2 HO2 SENSOR HEATER CONTROL – 1/1: PWM, 1 CYCLE PER 128 mS, VARIABLE DUTY CYCLE
PG PI1–4 POWER GROUND 1: GROUND
PG PI1–5 POWER GROUND 2: GROUND
I PI1–6 ENGINE CRANK: B+
I PI1–7 IGNITION ON: B+
I PI1–8 BRAKE ON / OFF SWITCH: NORMALLY OPEN / B+ WHEN ACTIVATED
I PI1–10 INERTIA SWITCH: NORMALLY CLOSED / OPEN CIRCUIT WHEN ACTIVATED
SS PI1–12 SENSOR POWER SUPPLY 1: NOMINAL 5 V
SS PI1–13 SENSOR POWER SUPPLY 2: NOMINAL 5 V
SG PI1–17 SMALL SIGNAL GROUND 1: GROUND
SG PI1–18 SMALL SIGNAL GROUND 2: GROUND
SG PI1–19 SENSOR GROUND 1: GROUND
SG PI1–20 SENSOR GROUND 2: GROUND
B+ PI1–22 BATTERY POWER SUPPLY: B+
B+ PI1–23 EMS SWITCHED POWER SUPPLY 1: B+
B+ PI1–24 EMS SWITCHED POWER SUPPLY 2: B+
SG PI1–29 HO2 SENSOR HEATER GROUND – 1/1: GROUND
SG PI1–30 HO2 SENSOR HEATER GROUND – 1/1: GROUND
I PI1–31 AUTOMATIC – PARK / NEUTRAL SIGNAL: B+ WHEN ACTIVATED MANUAL, ROW – PARK / NEUTRAL SIGNAL: B+ WHEN IGNITION CRANK (III)
MANUAL, NAS – CLUTCH PEDAL SAFETY SWITCH (PARK / NEUTRAL SIGNAL): B+ WHEN ACTIVATED
I PI1–36 CRANKSHAFT SENSOR SIGNAL: PULSED SIGNAL, 70 PULSES PER ENGINE CYCLE
SG PI1–37 CRANKSHAFT SENSOR SIGNAL GROUND: GROUND
O PI1–40 EMS CONTROL RELAY DRIVE: TO ACTIVATE, ECM SWITCHES CIRCUIT TO GROUND
O PI1–41 STARTER RELAY DRIVE: TO ACTIVATE, ECM SWITCHES CIRCUIT TO GROUND
SG PI1–43 TP AND APP SIGNALS SHIELD: GROUND
I PI1–44 MASS AIR FLOW SENSOR SIGNAL: NOMINAL 0 – 5 V BY ENGINE OPERATING CONDITION
SG PI1–45 MASS AIR FLOW SENSOR GROUND: GROUND
SG PI1–46 MASS AIR FLOW SENSOR GROUND: GROUND
I PI1–50 ENGINE FUEL TEMPERATURE SENSOR SIGNAL, NOMINAL 0 – 5 V: NTC SENSOR – VOLTAGE DECREASES AS TEMPERATURE INCREASES
O PI1–52 THROTTLE MOTOR RELAY DRIVE: TO ACTIVATE, ECM SWITCHES CIRCUIT TO GROUND
SG PI1–54 THROTTLE MOTOR GROUND: GROUND
O PI1–55 HO2 SENSOR HEATER CONTROL – 2/1: PWM, 1 CYCLE PER 128 mS, VARIABLE DUTY CYCLE
O PI1–56 HO2 SENSOR HEATER CONTROL – 2/1: PWM, 1 CYCLE PER 128 mS, VARIABLE DUTY CYCLE
O PI1–57 EGR DRIVE 1: B+; EGR DRIVE 1, 2, 3 AND 4 ARE OPERATED IN TURN
O PI1–58 EGR DRIVE 2: B+; EGR DRIVE 1, 2, 3 AND 4 ARE OPERATED IN TURN
O PI1–59 EGR DRIVE 3: B+; EGR DRIVE 1, 2, 3 AND 4 ARE OPERATED IN TURN
O PI1–60 EGR DRIVE 4: B+; EGR DRIVE 1, 2, 3 AND 4 ARE OPERATED IN TURN
O PI1–66 EVAP CANISTER PURGE VALVE DRIVE: PWM, 10 Hz, POSITIVE DUTY CYCLE RANGE 7% – 100%
O PI1–67 EVAP CANISTER CLOSE VALVE DRIVE: TO CLOSE, ECM SWITCHES CIRCUIT TO GROUND
I PI1–68 BANK 2 CAMSHAFT SENSOR SIGNAL: PULSED SIGNAL, 4 PULSES PER ENGINE CYCLE
SG PI1–69 BANK 2 CAMSHAFT SENSOR GROUND: GROUND
I PI1–70 ENGINE COOLANT TEMPERATURE SENSOR SIGNAL, NOMINAL 0 – 5 V: NTC SENSOR – VOLTAGE DECREASES AS TEMPERATURE INCREASES
I PI1–71 INTAKE AIR TEMPERATURE SENSOR SIGNAL, NOMINAL 0 – 5 V: NTC SENSOR – VOLTAGE DECREASES AS TEMPERATURE INCREASES
I PI1–72 INTAKE AIR TEMPERATURE SENSOR 2 SIGNAL, NOMINAL 0 – 5 V: NTC SENSOR – VOLTAGE DECREASES AS TEMPERATURE INCREASES
I PI1–73 INJECTION PRESSURE SENSOR SIGNAL, NOMINAL 0 – 5 V: POTENTIOMETER – VOLTAGE INCREASES AS PRESSURE INCREASES
I PI1–75 THROTTLE POSITION SENSOR 1 SIGNAL: IDLE = 0.60 V; FULL THROTTLE = 4.30 V
I PI1–76 THROTTLE POSITION SENSOR 2 SIGNAL: IDLE = 1.48 V; FULL THROTTLE = 4.40 V
I PI1–78 ENGINE OIL TEMPERATURE SENSOR SIGNAL, NOMINAL 0 – 5 V: NTC SENSOR – VOLTAGE DECREASES AS TEMPERATURE INCREASES
I PI1–79 GENERATOR FAULT; CHARGE WARNING
O PI1–80 THROTTLE MOTOR DRIVE: B+ TO ACTIVATE MOTOR
SG PI1–81 HO2 SENSOR HEATER GROUND – 2/1: GROUND
SG PI1–82 HO2 SENSOR HEATER GROUND – 2/1: GROUND
I PI1–83 HO2 SENSOR 1/1 SIGNAL: VARIABLE CURRENT
I PI1–84 HO2 SENSOR 1/1 SIGNAL: CONSTANT CURRENT
SG PI1–91 HO2 SENSOR HEATERS 1/2, 2/2 GROUND: GROUND
O PI1–92 HO2 SENSOR HEATER CONTROL – 1/2: PWM, 1 CYCLE PER 256 mS, POSITIVE DUTY CYCLE RANGE 0 mS = 0%, 77 mS = 30%, 256 mS = 100%
O PI1–93 HO2 SENSOR HEATER CONTROL – 2/2: PWM, 1 CYCLE PER 256 mS, POSITIVE DUTY CYCLE RANGE 0 mS = 0%, 77 mS = 30%, 256 mS = 100%
I PI1–94 BANK 1 CAMSHAFT SENSOR SIGNAL: PULSED SIGNAL, 4 PULSES PER ENGINE CYCLE
SG PI1–95 BANK 1 CAMSHAFT SENSOR GROUND: GROUND
I PI1–98 BANK 1 KNOCK SENSOR SIGNAL: VARIABLE VOLTAGE DEPENDENT ON ENGINE VIBRATION
I PI1–99 BANK 2 KNOCK SENSOR SIGNAL: VARIABLE VOLTAGE DEPENDENT ON ENGINE VIBRATION
SG PI1–100 SENSOR SHIELD: GROUND
I PI1–102 ACCELERATOR PEDAL POSITION SENSOR 1 SIGNAL: FOOT OFF = 0.75 V; FULLY DEPRESSED = 3.40 V (AUTO) 3.20 V (MAN)
I PI1–103 ACCELERATOR PEDAL POSITION SENSOR 2 SIGNAL: FOOT OFF = 3.38 V; FULLY DEPRESSED = 2.05 V (AUTO) 2.14 V (MAN)
I PI1–104 FUEL TANK PRESSURE SENSOR SIGNAL, NOMINAL 0 – 5 V: VOLTAGE INCREASES AS PRESSURE INCREASES
D PI1–105 SERIAL DATA LINK: SERIAL COMMUNICATION
O PI1–106 THROTTLE MOTOR DRIVE: B+ TO ACTIVATE MOTOR
I PI1–107 HO2 SENSOR 2/1 SIGNAL: VARIABLE CURRENT
I PI1–108 HO2 SENSOR 2/1 SIGNAL: CONSTANT CURRENT
SG PI1–111 FUEL INJECTORS 2, 3, 5, 8 GROUND: GROUND
SG PI1–116 FUEL INJECTORS 1, 4, 6, 7 GROUND: GROUND
C PI1–123 CAN –
C PI1–124 CAN +
I PI1–127 MAP SENSOR SIGNAL, NOMINAL 0 – 5 V: VOLTAGE INCREASES AS MANIFOLD ABSOLUTE PRESSURE INCREASES
I PI1–128 HO2 SENSOR 1/2 SIGNAL, NOMINAL 1 V SWING: 0.1 – 0.9 V SWING
I PI1–129 HO2 SENSOR 2/2 SIGNAL, NOMINAL 1 V SWING: 0.1 – 0.9 V SWING
SG PI1–130 HO2 SENSORS SHIELD: GROUND
B+ PI1–134 THROTTLE MOTOR POWER SUPPLY: B+ WHEN RELAY ACTIVATED 
Page 69 of 200

Engine Management: V8 SC – Part 1
Jaguar S-TYPE 2005
Engine Management: V8 SC – Part 1
Fig. 03.5
13 4114
46 80
76 77 92
ll
15 45ll ll SS
81 118EE
Fig .01.1
Fig .01 .2 F
ig .01.3
Fig .01 .4
Fig . 01.5 F
ig . 01.6 F
ig .01 .7
Input
OutputI
O
B
P+Battery VoltagePower Ground Sensor/Signal Supply V
Sensor/Signal Ground Serial and Encoded Data
CAN
+
SCPC
S DD
–
D2B Network2
f03_5_200045
PIS29
PI40BR
BBBBBBBBBB
PI1-116PI1-111PI1-091PI1-054PI1-030PI1-029PI1-018PI1-017PI1-004PI1-005
PIS30B
B
PIS28B
BB
PI1-082PI1-081
RWNGYRBWRURU
PI10 PI12 -3 -4 -1 -2 -3 -4 -1 -2
2/1
1/1
PI11 PI13-4 -3 -1 -2 -4 -3 -1 -2
2/2
1/2
R
Y
RU
WG
G
N
RW
WR
N
B
UY
WG
N
B
RW
WR
NUYNRWRW
PIS12
PIS13PIS11
PI1-008PI1-080PI1-106PI1-127PI1-012PI1-103PI1-102PI1-037PI1-036PI1-094PI1-095PI1-100PI1-068PI1-069PI1-098PI1-093PI1-056PI1-128PI1-092PI1-129PI1-001PI1-002PI1-130PI1-083PI1-084PI1-107PI1-108PI1-055PI1-044PI1-045PI1-046PI1-071PI1-019PI1-070PI1-078PI1-073PI1-050PI1-104PI1-020PI1-013PI1-043PI1-076PI1-075PI1-067PI1-066PI1-057PI1-058
PI20 -1
PI21
-1
PI23-2 PI22
-1
2
1
B
O
Y
R
N
G
B
N
PI21
-2 PI23
-1 PI22
-2
-2
BG
BG
BG BG
PIS19
PI19 -1B
N-2
B
O
Y
R
BG
N
G
N
GW
BK
PI1-099
N
BG
PI14 -1 -3 -2 PI25 -2 -1
-5
-4
PI24 -1 -2
GW
BK
U
BG
GU
PIS48
E89
PI28 -3 -2 -1
UY
BG
Y
BG
U
BG
OY
YR
BGPI27 -1 -2 -2 PI29 -2 -1 -4
RGOY BG
OY
BK
BG
PIS40
BG
FHS6
BG
BG BG
PI41-18
OY OYPI41-17
FP2
-3
PI41 -14RG
RG
FP2
-2 FP2
-6
OY
OY
BK
U
UY
BG
Y
U
YR
OY
RG BK
O
B
BG
Y
PIS25
FHS7
TP1
PI18
-1
PI18
-2
PI26
-1
TP2
BG
BG
FC26
-8
FC26
-16
OY
OY
APP1
APP2
O
B
BG
Y
FC26-5
FC26-6
FC12-3
FC12-4
B O
B
FC12-10
B
FC26-7FC26-13
FC12-5FC26-15
FC12-6
Y
BG
R
Y
RW
GW
BB
OY
BG
B
BG
GW
RW
Y
R
GO
OY
BGFC12
-9
FC12
-2
PI41-8
PI41-7PI41-6PI41-12
PI41-3
O
BBBGY
CA88 -4 CA88
-2 CA88
-6 CA88
-1
PI26
-3 PI26
-2 PI26
-4
CA270 -2 -1
FH111 -2 -1
UY
GU
O GU
E88
E87
PI41-29PI41-10
O
FH1-7 FH1-9
PI41-23
GO
NR
CAS22
GO GO
O
UY YU
YG
PI1-059PI1-060
YR
YU
PI43 -1 -2
PI1-072
YU
YU
BG
YU
YR
YG
YU
PI15 -4
PI15-1
PI15
-6
PI15
-3
GU GU
PI15-2
PI15
-5E90
E92
PI1-006PI1-007PI1-010
GU GO
Y
PI1-123
G
PI1-124
Y
PI1-105
W
PI1-134GUPI1-052GR
PI41-38
PI41-39
NR
GR
48
YR
GR
20.120.120.2
PI1-031PI1-079PI1-041
GR GO YR
02.229II02.202.202.2
PI1-022
NR
73
PI1-040
BW
01.7
PI1-024
WG
PI1-023
WG
E111
32IIE94E95
3
1 5
2
R5
4
F18 20A
GU
E113
E115
E114
E116
90
04.1
PIS47BG
PIS49
BG
PIS41OY
B
BB
B
1
2
3
4
1
2
VIA INERTIA SWITCH
ENGINE CRANK
EMS CONTROL RELAY GENERATOR:
FAULT; CHARGE WARNING
STARTER RELAY DRIVE
PARK; NEUTRAL
(CIRCUIT CONTINUED)
SERIAL COMMUNICATION
THROTTLE MOTOR RELAY
FRONT POWER DISTRIBUTION FUSE BOX
ENGINE CONTROLMODULE
(CONTINUED Fig. 03.6) HO2 SENSORS
UPSTREAM HO2 SENSORS
DOWNSTREAM CKP
SENSOR CMP
SENSORS KNOCK
SENSORS MAF
SENSOR ECT
SENSOR EOT
SENSOR IP
SENSOR EFT
SENSOR MAP
SENSOR FTP
SENSOR*
IAT SENSOR 2 EVAP CANISTER
PURGE VALVE EVAP CANISTER
CLOSE VALVE* BRAKE
ON / OFF SWITCH
NOTES:
*EVAP Canister Close Valve and
Fuel Tank Pressure Sensor - NAS
vehicles only.
Shielding shown as dashed lines
are braided wires.
BRD
STEPPER
MOTOR
EGR VALVE THROTTLE BODY
TP SENSORTHROTTLE
MOTOR
APP SENSOR
IATS
PI40AR
PI40AL FP1
-3
-1
FH3 -11
FH3
-13 FH3
-12
CA88 -5 CA88
-3
CA37 -2 -1
OOOOOOOOOIIIII
B+B+B+DC–C+OIIIIIOOPPB+
IIIOIOIIIIIIIIIIIIIIIIOOIO
VARIANT: V8 SC Vehicles
VIN RANGE: All
DATE OF ISSUE: May 2004 
Page 70 of 200

Refer to the front of this book for detailed information and illustrations regarding the location and identification of harnesses, relays, fuses, grounds, 
control modules and control module pins.
NOTE: The values listed are approximately those that can be expected at the control module connector pins with all circuit conn
ections made and all 
components connected and fitted. The following abbreviations are used to represent values for Control Module Pin-Out data
I Input
O Output
B+ Battery Voltage PG Power Ground
SS Sensor / Signal Supply V
SG Sensor / Signal GroundC CAN Network
S SCP Network
D2 D2B Network D Serial and Encoded Data
V Voltage (DC)
PWM Pulse Width Modulated
CAUTION: The information on this data page is furnished to ai d the user in understanding circuit operation. THIS INFORMATION SH OULD BE USED FOR 
REFERENCE ONLY.DATE OF ISSUE: May 2004
Fig. 03.6
FOR CONTROL MODULE PIN-OUT INFORMATION, UNFOLD PAGE TO LEFT. COMPONENTS
Component Connector(s) Connector Description LocationAIR CLEANER SOLENOID VALVE FH10 2-WAY / BLACK AIR CLEANER HOUSING
AIR CONDITIONING COMPRESSOR CLUTCH PI49 2-WAY / BLACK LOWER LH SIDE OF ENGINE
AIR CONDITIONING COMPRESSOR CLUTCH RELAY — — FRONT POWER DISTRIBUTION FUSE BOX – R8
AIR CONDITIONING PRESSURE SENSOR FH110 4-WAY / BLACK ENGINE COMPARTMENT, LH SIDE, HIGH PRESSURE REFRIGERANT LINE, BETWEEN COMPRESSOR AND CONDENSER
BRAKE CANCEL SWITCH CA36 2-WAY / GREY TOP OF BRAKE PEDAL
COOLING FAN MODULE FH108 2-WAY / BLACK ENGINE COMPARTMENT, RH FRONT, REARWARD OF RADIATOR
FH109 2-WAY / BLACK
ENGINE CONTROL MODULE PI1 134-WAY / BLACK FRONT BULKHEAD, P ASSENGER SIDE
FRONT POWER DISTRIBUTION FUSE BOX — — ENGINE COMPARTMENT, RH SIDE
FUEL INJECTOR 1 (V8 SC) IS1 2-WAY / BLACK FUEL RAIL / INTAKE MANIFOLD
FUEL INJECTOR 2 (V8 SC) IS7 2-WAY / BLACK FUEL RAIL / INTAKE MANIFOLD
FUEL INJECTOR 3 (V8 SC) IS2 2-WAY / BLACK FUEL RAIL / INTAKE MANIFOLD
FUEL INJECTOR 4 (V8 SC) IS8 2-WAY / BLACK FUEL RAIL / INTAKE MANIFOLD
FUEL INJECTOR 5 (V8 SC) IS3 2-WAY / BLACK FUEL RAIL / INTAKE MANIFOLD
FUEL INJECTOR 6 (V8 SC) IS9 2-WAY / BLACK FUEL RAIL / INTAKE MANIFOLD
FUEL INJECTOR 7 (V8 SC) IS4 2-WAY / BLACK FUEL RAIL / INTAKE MANIFOLD
FUEL INJECTOR 8 (V8 SC) IS10 2-WAY / BLACK FUEL RAIL / INTAKE MANIFOLD
FUEL PUMP 1 FP2 8-WAY / BLACK FUEL TANK, RH SIDE
FP4 (ROW) 4-WAY / BLACK
FP8 (NAS) 6-WAY / BLACK
FUEL PUMP 2 FP2 8-WAY / BLACK FUEL TANK, LH SIDE
FP3 (ROW) 4-WAY / BLACK
FP9 (NAS) 6-WAY / BLACK
FUEL PUMP 2 MODULE CA283 10-WAY / BLACK LUGGAGE COMPARTMENT, RH REAR
FUEL PUMP RELAY — — REAR POWER DISTRIBUTION FUSE BOX – R15
IGNITION CAPACITOR PI54 2-WAY / BLACK LH CYLINDER HEAD, REAR
IGNITION MODULE AND COIL 1 PI2 4-WAY / BLACK RH CYLINDER HEAD
IGNITION MODULE AND COIL 2 PI6 4-WAY / BLACK LH CYLINDER HEAD
IGNITION MODULE AND COIL 3 PI3 4-WAY / BLACK RH CYLINDER HEAD
IGNITION MODULE AND COIL 4 PI7 4-WAY / BLACK LH CYLINDER HEAD
IGNITION MODULE AND COIL 5 PI4 4-WAY / BLACK RH CYLINDER HEAD
IGNITION MODULE AND COIL 6 PI8 4-WAY / BLACK LH CYLINDER HEAD
IGNITION MODULE AND COIL 7 PI5 4-WAY / BLACK RH CYLINDER HEAD
IGNITION MODULE AND COIL 8 PI9 4-WAY / BLACK LH CYLINDER HEAD
INTERCOOLER PUMP CP2 2-WAY / BLACK ENGINE COMPARTMENT, RH SIDE, ADJACENT TO RADIATOR
REAR ELECTRONIC MODULE CA63 17-WAY / BLACK LUGGAGE COMPARTMENT, RH REAR CA100 12-WAY / BLACK
CA101 20-WAY / BLACK
CA102 22-WAY / BLACK
CA103 26-WAY / NATURAL
REAR POWER DISTRIBUTION FUSE BOX — — LUGGAGE COMPARTMENT
STEERING WHEEL SPEED CONTROL SWITCHES SQ2 6-WAY / BLACK STEERING WHEELHARNESS IN-LINE CONNECTORS
Connector Connector Description / Location LocationCP1 10-WAY / BLACK / INTERCOOLER PUMP LINK LEAD ENGINE COMPARTMENT, RH FRONT, ADJACENT TO RADIATOR
FC10 14-WAY / GREEN / FASCIA HARNESS TO FRONT HARNESS BEHIND INSTRUMENT PANEL, RH SIDE
FC117 10-WAY / BLACK / STEERING WHEEL CASSETTE STEERING COLUMN
FH1 20-WAY / BLACK / CABIN HARNESS TO FRONT HARNESS RH ‘A’ POST, LOWER
FH2 16-WAY / GREY / CABIN HARNESS TO FRONT HARNESS RH ‘A’ POST, LOWER
FH3 16-WAY / BLUE / CABIN HARNESS TO FRONT HARNESS LH ‘A’ POST
IS5 6-WAY / BLACK / ENGINE HARNESS TO FUEL INJECTOR LINK ENGINE, LH REAR
IS6 6-WAY / BLACK / ENGINE HARNESS TO FUEL INJECTOR LINK ENGINE, RH REAR
PI41 42-WAY / BLACK / ENGINE HARNESS TO VEHICLE HARNESSES ENGINE COMPARTMENT, BULKHEAD, PASSENGER SIDE
PI42 8-WAY / BLACK / ENGINE HARNESS TO FRONT HARNESS ENGINE COMPARTMENT, BULKHEAD, PASSENGER SIDEGROUNDS
Ground LocationCA156 LUGGAGE COMPARTMENT, RH SIDE
FH22 ENGINE COMPARTMENT, BEHIND LH HEADLAMP
FH42 ENGINE COMPARTMENT, BEHIND RH HEADLAMP
FH95 ENGINE COMPARTMENT, BEHIND LH HEADLAMP (RADIATOR FAN GROUND)
PI51 ENGINE COMPARTMENT, ENGINE BLOCK
NOTE: Refer to the Appendix at the rear of this book for Network Messages. Engine Control Module Pin Description and CharacteristicI PI1–9 BRAKE CANCEL SWITCH: NORMALLY CLOSED / GROUND WHEN ACTIVATED
I PI1–11 FUEL PUMP 2 MODULE MONITOR: 1 Hz FREQUENCY; 50% DUTY CYCLE = OK, 25% OR 75% DUTY CYCLE = FAULT
SS PI1–12 SENSOR POWER SUPPLY 1: NOMINAL 5 V
O PI1–14 AIR CLEANER SOLENOID VALVE DRIVE: TO ACTIVATE, ECM SWITCHES CIRCUIT TO GROUND
SG PI1–19 SENSOR GROUND 1: GROUND
O PI1–27 FUEL PUMP DRIVE SIGNAL (TO REM): PWM, 150 Hz, NORMAL POSITIVE DUTY CYCLE RANGE = 4% – 51%
O PI1–34 AIR CONDITIONING COMPRESSOR CLUTCH RELAY DRIVE: TO ACTIVATE, ECM SWITCHES CIRCUIT TO GROUND
SS PI1–47 SPEED CONTROL SWITCH REQUEST: STEPPED RESISTANCE
I PI1–48 SPEED CONTROL SWITCHES SIGNAL GROUND: GROUND
O PI1–51 COOLING FAN MODULE CONTROL: PWM, 140 Hz, POSITIVE DUTY CYCLE RANGE 7% – 95%
O PI1–53 FUEL PUMP 2 DRIVE (TO FUEL PUMP 2 MODULE): PWM, 150 Hz, NORMAL POSITIVE DUTY CYCLE RANGE = 4% – 51%
O PI1–61 IGNITION COIL ACTIVATE – CYLINDER 2: TO ACTIVATE, ECM SWITCHES CIRCUIT TO GROUND
O PI1–62 IGNITION COIL ACTIVATE – CYLINDER 4: TO ACTIVATE, ECM SWITCHES CIRCUIT TO GROUND
O PI1–63 IGNITION COIL ACTIVATE – CYLINDER 6: TO ACTIVATE, ECM SWITCHES CIRCUIT TO GROUND
O PI1–64 IGNITION COIL ACTIVATE – CYLINDER 8: TO ACTIVATE, ECM SWITCHES CIRCUIT TO GROUND
O PI1–87 IGNITION COIL ACTIVATE – CYLINDER 1: TO ACTIVATE, ECM SWITCHES CIRCUIT TO GROUND
O PI1–88 IGNITION COIL ACTIVATE – CYLINDER 3: TO ACTIVATE, ECM SWITCHES CIRCUIT TO GROUND
O PI1–89 IGNITION COIL ACTIVATE – CYLINDER 5: TO ACTIVATE, ECM SWITCHES CIRCUIT TO GROUND
O PI1–90 IGNITION COIL ACTIVATE – CYLINDER 7: TO ACTIVATE, ECM SWITCHES CIRCUIT TO GROUND
O PI1–112 FUEL INJECTOR DRIVE – CYLINDER 8: TO ACTIVATE, ECM SWITCHES CIRCUIT TO GROUND
O PI1–113 FUEL INJECTOR DRIVE – CYLINDER 5: TO ACTIVATE, ECM SWITCHES CIRCUIT TO GROUND
O PI1–114 FUEL INJECTOR DRIVE – CYLINDER 3: TO ACTIVATE, ECM SWITCHES CIRCUIT TO GROUND
O PI1–115 FUEL INJECTOR DRIVE – CYLINDER 2: TO ACTIVATE, ECM SWITCHES CIRCUIT TO GROUND
O PI1–117 FUEL INJECTOR DRIVE – CYLINDER 7: TO ACTIVATE, ECM SWITCHES CIRCUIT TO GROUND
O PI1–118 FUEL INJECTOR DRIVE – CYLINDER 6: TO ACTIVATE, ECM SWITCHES CIRCUIT TO GROUND
O PI1–119 FUEL INJECTOR DRIVE – CYLINDER 4: TO ACTIVATE, ECM SWITCHES CIRCUIT TO GROUND
O PI1–120 FUEL INJECTOR DRIVE – CYLINDER 1: TO ACTIVATE, ECM SWITCHES CIRCUIT TO GROUND
I PI1–121 AIR CONDITIONING PRESSURE SENSOR SIGNAL, NOMINAL 0 –  5 V: TRANSDUCER – VOLTAGE INCREASES AS PRESSURE INCREASES
I PI1–131 IGNITION MONITOR BANK 1: PULSED SIGNAL, 3 PULSES PER ENGINE CYCLE
I PI1–132 IGNITION MONITOR BANK 2: PULSED SIGNAL, 3 PULSES PER ENGINE CYCLERear Electronic Module
Pin Description and CharacteristicB+ CA100–8 IGNITION SWITCHED POWER SUPPLY (II): B+
B+ CA101–1 FUEL PUMP POWER SUPPLY: B+ WHEN FUEL PUMP RELAY IS ACTIVATED
SG CA101–2 LOGIC GROUND / FUEL PUMP DRIVE SHIELD: GROUND
B+ CA101–3 BATTERY POWER SUPPLY: B+
O CA101–11 FUEL PUMP SUPPLY VOLTAGE: B+
O CA101–12 FUEL PUMP ACTIVATE: GROUND (PWM)
S CA102–1 SCP +
S CA102–2 SCP –
I CA103–19 FUEL PUMP DRIVE SIGNAL: PWM, 150 Hz, NORMAL POSITIVE DUTY CYCLE RANGE = 4% – 51% 
Page 71 of 200

Engine Management: V8 SC – Part 2
Jaguar S-TYPE 2005
Engine Management: V8 SC – Part 2
Fig. 03.6
13 4114
46 80
76 77 92
ll
15 45ll ll SS
81 118EE
Fig .01.1
Fig .01 .2 F
ig .01.3
Fig .01 .4
Fig . 01.5 F
ig . 01.6 F
ig .01 .7
Input
OutputI
O
B
P+Battery VoltagePower Ground Sensor/Signal Supply V
Sensor/Signal Ground Serial and Encoded Data
CAN
+
SCPC
S DD
–
D2B Network2
f03_6_200045
U
UY
F49 15A
WGYGWU
PI1-051
WRBG
PI1-034
UBR
PI1-115
BW
PI1-117
BG
PI1-113
U
PI1-118
Y
PI1-088
GU
PI1-087
UY
PI1-112
BO
PI1-119
GB
PI1-131
BGOYWUYB
PI1-132
GW
PI1-062
GW
PI1-061
GR
PI1-090
YR
PI1-089
IS1 -1 -2 IS2 -1 -2 IS3 -1 -2 IS4 -1 -2 IS7 -1 -2 IS8 -1 -2BG
NR
BK
NR
BG
NR
BW
NR
BG
NR
BK
NR1
3
5
7
2
4
IS5
-2 IS5
-3 IS5
-4 IS5
-5 IS6
-2 IS6
-3
E105
E104
E109
E108
E107
E106
246
135
B
1
3
5
7
4
6
PIS9
PIS10
GU
GB
B
RW
Y
YB
B
RW
YR
YB
B
RW
GR
GB
B
RW
GW
GB
B
RW
GR
GB
B
RW
B
PIS43
B
B
B
B
B
PIS46RW
RW
RW
RW
RW
RW
RWRW
B
PI54-1
PI54-2
WR
FH1-15
CA103-19
28
GU
GU
GR
CA101-01RCA101-11YCA101-12BCA101-02
CA156
CA156
NG
B
WR
PI41-26
PI1-027
52
31
R15
4
34II
OY
WU
PI1-053
Y
PI1-011
FC10-13
PI41-25
FC10-12
PI41-24
PI1-048PI1-047
BK
PI1-114
BG
PI1-120
IS9 -1 -2 IS10 -1 -2BG
NR
BW
NR6
8
IS6
-4 IS6
-5
E112
E110
RW
RW
2
GW
YB
B
RW
YR
YB
B
RW
GR
PI1-063
YR
PI1-064
8
7
PI51
B
B
O
F47 15A
RCA283-10YB
CA156
N
Y
PI42-2 FH2-4 (LHD) FH3-14 (RHD)
PI42-3 FH2-5 (LHD) FH3-15 (RHD)
WU
Y
WU
Y
WG
YG
FH110 -3 -2 -1
CA36-2 -1
30II
U
WG
PIS22
OY
PIS21
PI41-19 PI41-18
PI41-17
BG
WU
PI1-121PI1-012PI1-019
BGOY
WU
BGOY
WU
WG
CP2-1 CP2-
2
FH42
B
CP1-9
B
PI1-014
PI42-7
U
FH10 -2 -1
GUUE86
PI1-009
PI41-28
U
FH3-1
U
FHS7 FHS6
WG
YGBGOY
8
PIS45
RW
PIS42
PIS44RWE118
E117
FH108-1
WU
PI42-1 FH108-2
WG
FH109-1
NG
FH109-2
B
FH95
E9357
NYU
87
S
S
20.220.2
GU
31II
FP2-4
FP2-1
R
Y
KB
B
FP2-7
FP2-8
R
Y
KB
B
B
B
RG
BG
Y
WG
RG
B
FH42
(FH22)
PI49-1
PI41
-36
E9171
PI41-37
BG
B
52
R8
13
4
B
B
VIA
INERTIA SWITCH
FRONT OF ENGINE
CYLINDER NUMBERING
FUEL INJECTORS IGNITION MODULES AND COILS
IGNITION
CAPACITOR
AIR CONDITIONING
COMPRESSOR CLUTCH RELAY
FRONT POWER DISTRIBUTION FUSE BOX
AIR CONDITIONING
COMPRESSOR CLUTCH
COOLING FAN
COOLING FAN MODULE
INTERCOOLER
PUMP
REAR ELECTRONIC MODULEFUEL PUMPRELAY
FUEL PUMP 2 MODULE FUEL PUMP DIODE (2)
REAR POWER DISTRIBUTION FUSE BOX
BRAKE
CANCEL SWITCH
AIR CONDITIONING
PRESSURE SENSOR
AIR CLEANER
SOLENOID VALVE
NOTE: Vehicles with Adaptive Speed Control -
refer to Speed Control Switches Fig. 05.3.ENGINE CONTROL MODULE
(CONTINUED FROM
Fig. 03.5)NOTE: ECM power supplies and grounds shown on Fig. 03.5.
FUEL PUMP 1
FUEL PUMP 2
OOOOOOOOOOOOOOOOIIIIOOOOOII
PI2 -4 -2 -3 -1
PI3-4 -2 -3 -1
PI4-4 -2 -3 -1
PI5-4 -2 -3 -1
PI6-4 -2 -3 -1
PI7-4 -2 -3 -1
PI8-4 -2
-3-1
PI9 -4
-2 -3 -1
PI41-42
PI49-2
FANOOOOIIP B
+B+B+
B+
B+
CA283-9 CA102-2 CA102-1 CA100-8 CA101-3
B+
FP3-4
CA283-2
CA283-1
CA283-4
CA283-7
CA283-3
FP3-2
FP4-2
FP4-4
OOOI
1K0
2K2
510R 300R
180R
120R
RESISTOR PACK CANCEL
SET -
HEADWAY + HEADWAY - SET +
RESUME
SQ3-3
FC117-6SQ2-4SQS3
CASSETTE
SQ3-1
FC117-8
SQ2-6
SQS4
STEERING WHEEL SPEED CONTROL SWITCHES
NOTE: The ECM communicates (CAN / SCP)
with the REM for fuel pump diagnostics.
†FP8,FP9:NASOnly.
†FP8-2
†FP8-5
†FP9-2
†FP9-5
FUEL TANK
VARIANT: V8 SC Vehicles
VIN RANGE: All
DATE OF ISSUE: May 2004