MERCEDES-BENZ ML320 1997 Complete Repair Manual
ML320 1997
MERCEDES-BENZ
MERCEDES-BENZ
https://www.carmanualsonline.info/img/4/57305/w960_57305-0.png
MERCEDES-BENZ ML320 1997 Complete Repair Manual
Trending: hood open, power steering, tire size, wiper fluid, timing belt, spark plugs replace, drain the coolant
Page 431 of 4133
Fig. 58: Testing Seat Occupation Recognition Sensor (2000 Models)
Courtesy of MERCEDES-BENZ OF NORTH AMERICA.
WIRE REPAIR
If any part of SRS wiring harness is damaged, DO NOT repair wiring harness, replace complete wiring harness.
2001 Mercedes-Benz ML320
2000-01 ACCESSORIES/SAFETY EQUIPMENT Merc edes-Benz - Air Bag Restraint Systems
me
Saturday, October 02, 2010 3:44:46 PMPage 67 © 2006 Mitchell Repair Information Company, LLC.
Page 432 of 4133
TORQUE SPECIFICATIONS
TORQUE SPECIFICATIONS
(1)
WIRING DIAGRAMS
ApplicationFt. Lbs (N.m)
Steering wheel hub bolt52-66 (70-90)
INCH Lbs. (N.m)
Driver air bag module bolts (torx)44-62 (5-7)
(1)Torque specifications are not av ailable for clockspring assembly, control module or passenger-side
air bag module.
2001 Mercedes-Benz ML320
2000-01 ACCESSORIES/SAFETY EQUIPMENT Merc edes-Benz - Air Bag Restraint Systems
me
Saturday, October 02, 2010 3:44:46 PMPage 68 © 2006 Mitchell Repair Information Company, LLC.
Page 433 of 4133
2001 Mercedes-Benz ML320
2000-01 ACCESSORIES/SAFETY EQUIPMENT Merc edes-Benz - Air Bag Restraint Systems
me
Saturday, October 02, 2010 3:44:46 PMPage 69 © 2006 Mitchell Repair Information Company, LLC.
Page 434 of 4133
Fig. 59: Air Bag System Wiring Diagram (2000 C230 & C280)
Courtesy of MERCEDES-BENZ OF NORTH AMERICA.
2001 Mercedes-Benz ML320
2000-01 ACCESSORIES/SAFETY EQUIPMENT Merc edes-Benz - Air Bag Restraint Systems
me
Saturday, October 02, 2010 3:44:46 PMPage 70 © 2006 Mitchell Repair Information Company, LLC.
Page 435 of 4133
2001 Mercedes-Benz ML320
2000-01 ACCESSORIES/SAFETY EQUIPMENT Merc edes-Benz - Air Bag Restraint Systems
me
Saturday, October 02, 2010 3:44:46 PMPage 71 © 2006 Mitchell Repair Information Company, LLC.
Page 436 of 4133
Fig. 60: Air Bag System Wiring Diagram (2000 CLK320 & CLK430)
Courtesy of MERCEDES-BENZ OF NORTH AMERICA.
2001 Mercedes-Benz ML320
2000-01 ACCESSORIES/SAFETY EQUIPMENT Merc edes-Benz - Air Bag Restraint Systems
me
Saturday, October 02, 2010 3:44:46 PMPage 72 © 2006 Mitchell Repair Information Company, LLC.
Page 437 of 4133
2001 Mercedes-Benz ML320
2000-01 ACCESSORIES/SAFETY EQUIPMENT Merc edes-Benz - Air Bag Restraint Systems
me
Saturday, October 02, 2010 3:44:46 PMPage 73 © 2006 Mitchell Repair Information Company, LLC.
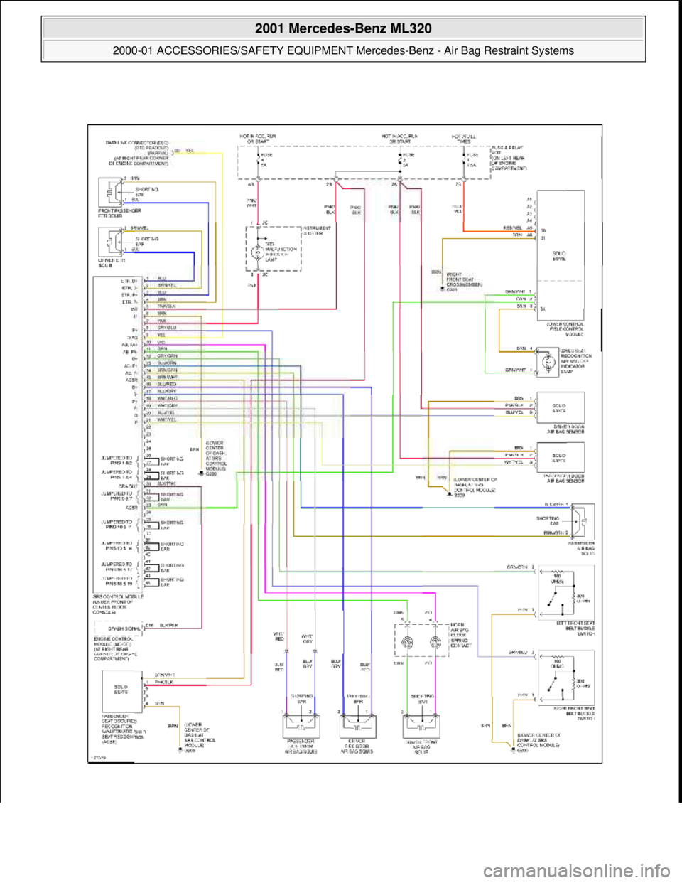
Page 438 of 4133
Fig. 61: Air Bag System Wiring Diagram (2000 E320 & E430-1of 2)
Courtesy of MERCEDES-BENZ OF NORTH AMERICA.
2001 Mercedes-Benz ML320
2000-01 ACCESSORIES/SAFETY EQUIPMENT Merc edes-Benz - Air Bag Restraint Systems
me
Saturday, October 02, 2010 3:44:46 PMPage 74 © 2006 Mitchell Repair Information Company, LLC.
Page 439 of 4133
2001 Mercedes-Benz ML320
2000-01 ACCESSORIES/SAFETY EQUIPMENT Merc edes-Benz - Air Bag Restraint Systems
me
Saturday, October 02, 2010 3:44:46 PMPage 75 © 2006 Mitchell Repair Information Company, LLC.
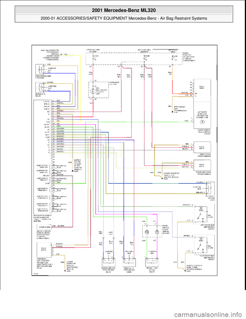
Page 440 of 4133
Fig. 62: Air Bag System Wiring Diagram (2000 E320 & E430-2of 2)
Courtesy of MERCEDES-BENZ OF NORTH AMERICA.
2001 Mercedes-Benz ML320
2000-01 ACCESSORIES/SAFETY EQUIPMENT Merc edes-Benz - Air Bag Restraint Systems
me
Saturday, October 02, 2010 3:44:46 PMPage 76 © 2006 Mitchell Repair Information Company, LLC.
Trending: snow chains, headrest, oil dipstick, service interval reset, fuse diagram, seat adjustment, battery replacement