MERCEDES-BENZ ML320 1997 Complete Repair Manual

MERCEDES-BENZ ML320 1997 Complete Repair Manual ML320 1997 MERCEDES-BENZ MERCEDES-BENZ https://www.carmanualsonline.info/img/4/57305/w960_57305-0.png MERCEDES-BENZ ML320 1997 Complete Repair Manual
Trending: phone, transmission, Exterior mirror lamp, engine oil capacity, Drive Mode, catalytic converter, flat tire

Page 441 of 4133

MERCEDES-BENZ ML320 1997  Complete Repair Manual  
2001 Mercedes-Benz ML320 
2000-01 ACCESSORIES/SAFETY EQUIPMENT Merc edes-Benz - Air Bag Restraint Systems  
me  
Saturday, October 02, 2010 3:44:46 PMPage 77 © 2006 Mitchell Repair Information Comp

Page 442 of 4133

MERCEDES-BENZ ML320 1997  Complete Repair Manual Fig. 63: Air Bag System Wiring Diagram (2000 SLK230)
Courtesy of MERCEDES-BENZ OF NORTH AMERICA.
 
2001 Mercedes-Benz ML320 
2000-01 ACCESSORIES/SAFETY EQUIPMENT Merc edes-Benz - Air Bag Restraint Sys

Page 443 of 4133

MERCEDES-BENZ ML320 1997  Complete Repair Manual  
2001 Mercedes-Benz ML320 
2000-01 ACCESSORIES/SAFETY EQUIPMENT Merc edes-Benz - Air Bag Restraint Systems  
me  
Saturday, October 02, 2010 3:44:46 PMPage 79 © 2006 Mitchell Repair Information Comp

Page 444 of 4133

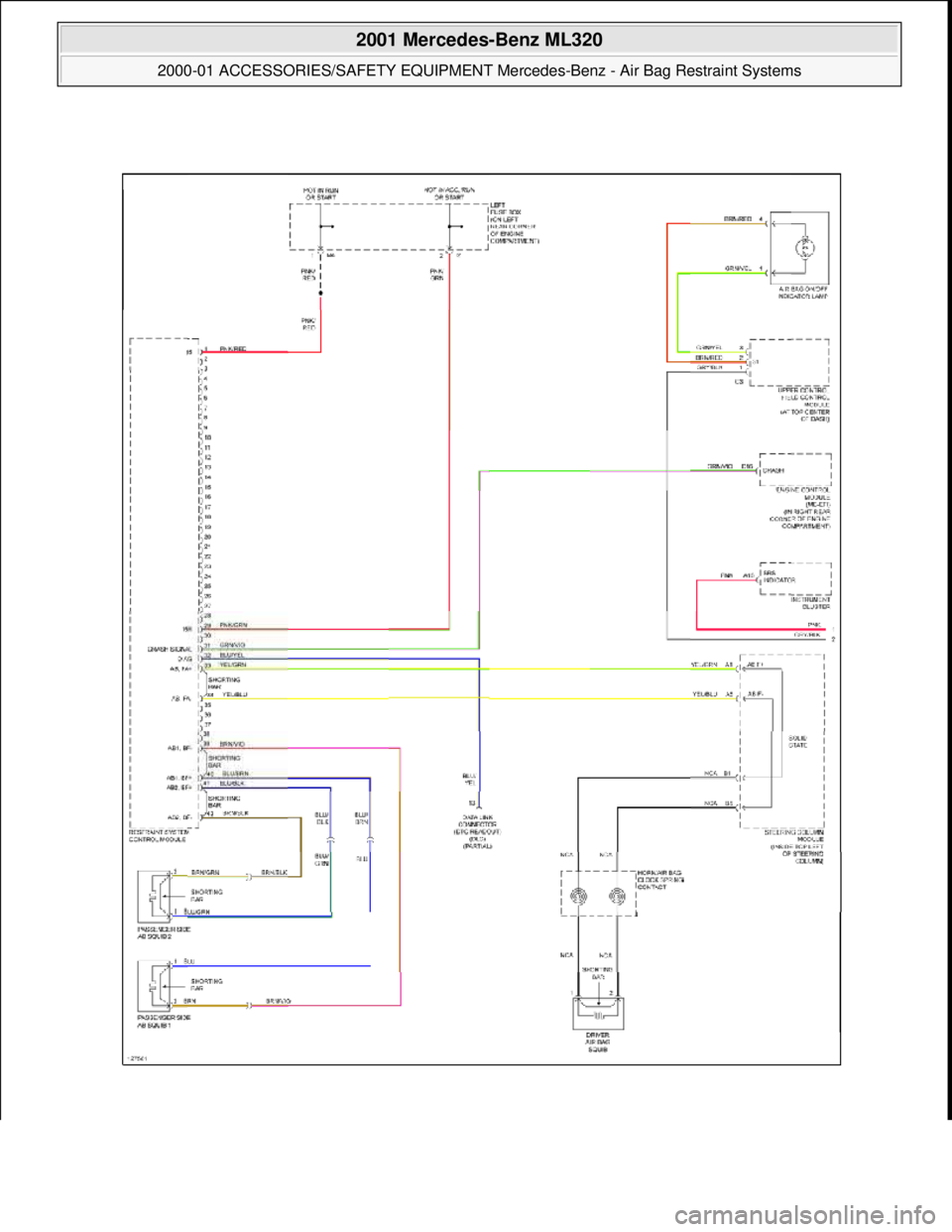
MERCEDES-BENZ ML320 1997  Complete Repair Manual Fig. 64: Air Bag System Wiring Diagram (2000 S430 & S500-1 Of 2)
Courtesy of MERCEDES-BENZ OF NORTH AMERICA.
 
2001 Mercedes-Benz ML320 
2000-01 ACCESSORIES/SAFETY EQUIPMENT Merc edes-Benz - Air Bag R

Page 445 of 4133

MERCEDES-BENZ ML320 1997  Complete Repair Manual  
2001 Mercedes-Benz ML320 
2000-01 ACCESSORIES/SAFETY EQUIPMENT Merc edes-Benz - Air Bag Restraint Systems  
me  
Saturday, October 02, 2010 3:44:46 PMPage 81 © 2006 Mitchell Repair Information Comp

Page 446 of 4133

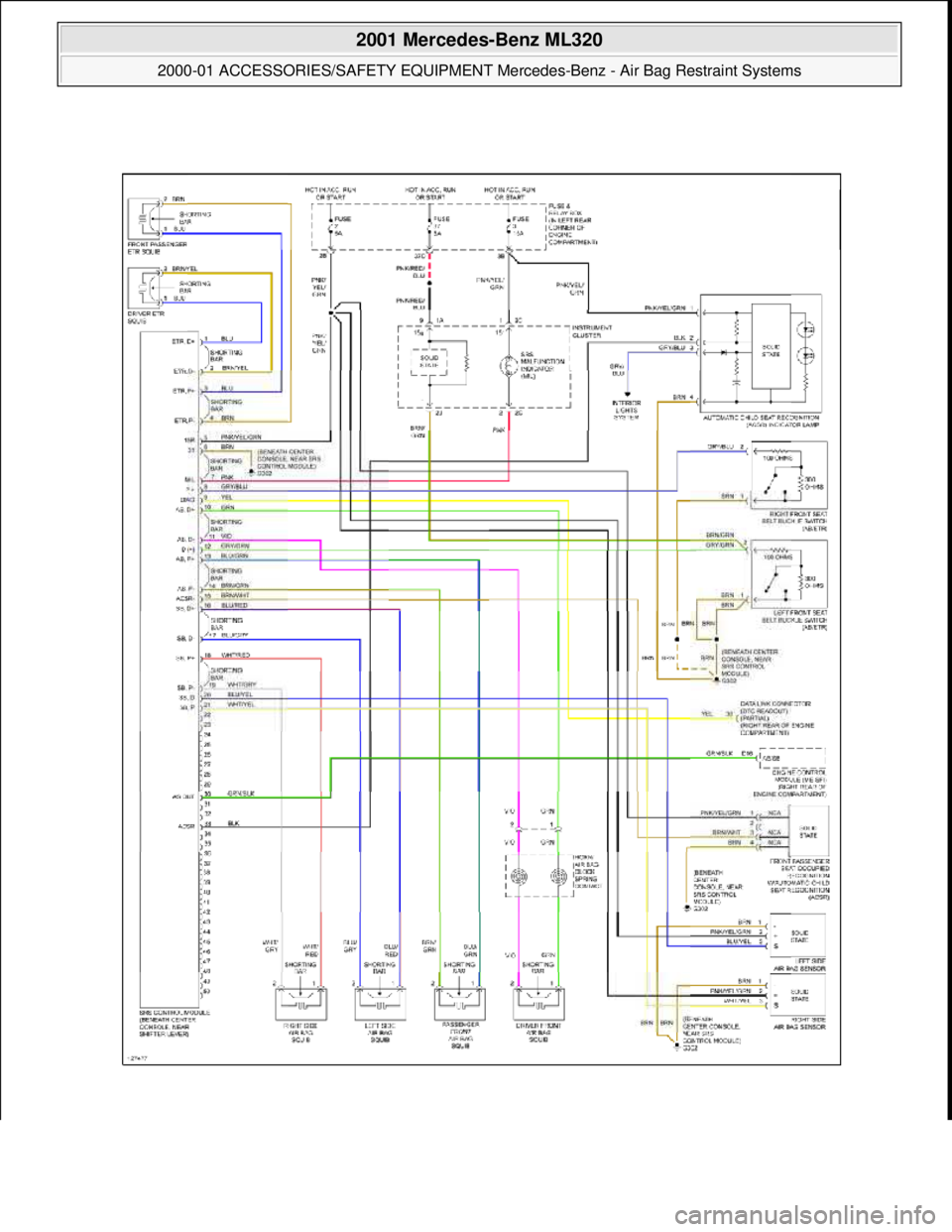
MERCEDES-BENZ ML320 1997  Complete Repair Manual Fig. 65: Air Bag System Wiring Diagram (2000 S430 & S500-2 Of 2)
Courtesy of MERCEDES-BENZ OF NORTH AMERICA.
 
2001 Mercedes-Benz ML320 
2000-01 ACCESSORIES/SAFETY EQUIPMENT Merc edes-Benz - Air Bag R

Page 447 of 4133

MERCEDES-BENZ ML320 1997  Complete Repair Manual  
2001 Mercedes-Benz ML320 
2000-01 ACCESSORIES/SAFETY EQUIPMENT Merc edes-Benz - Air Bag Restraint Systems  
me  
Saturday, October 02, 2010 3:44:46 PMPage 83 © 2006 Mitchell Repair Information Comp

Page 448 of 4133

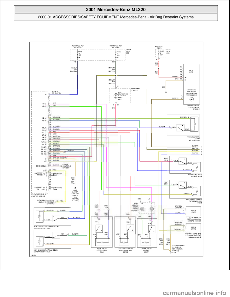
MERCEDES-BENZ ML320 1997  Complete Repair Manual Fig. 66: Air Bag System Wiring Diagram (2001 E320 & E430-1 Of 2)
Courtesy of MERCEDES-BENZ OF NORTH AMERICA.
 
2001 Mercedes-Benz ML320 
2000-01 ACCESSORIES/SAFETY EQUIPMENT Merc edes-Benz - Air Bag R

Page 449 of 4133

MERCEDES-BENZ ML320 1997  Complete Repair Manual  
2001 Mercedes-Benz ML320 
2000-01 ACCESSORIES/SAFETY EQUIPMENT Merc edes-Benz - Air Bag Restraint Systems  
me  
Saturday, October 02, 2010 3:44:46 PMPage 85 © 2006 Mitchell Repair Information Comp

Page 450 of 4133

MERCEDES-BENZ ML320 1997  Complete Repair Manual Fig. 67: Air Bag System Wiring Diagram (2001 E320 & E430-2 Of 2)
Courtesy of MERCEDES-BENZ OF NORTH AMERICA.
 
2001 Mercedes-Benz ML320 
2000-01 ACCESSORIES/SAFETY EQUIPMENT Merc edes-Benz - Air Bag R
Trending: key battery, brake pads, engine coolant, lug pattern, Flywheel, 612.963 in MODEL 163.113, auxiliary battery