relay MITSUBISHI LANCER 2006 Owner's Guide
[x] Cancel search | Manufacturer: MITSUBISHI, Model Year: 2006, Model line: LANCER, Model: MITSUBISHI LANCER 2006Pages: 800, PDF Size: 45.03 MB
Page 424 of 800

ENGINE AND TRANSMISSION
CONFIGURATION DIAGRAMS80-14
ENGINE AND TRANSMISSION <4G1-MPI (RHD)>
M1801000401950
AC301132AD
B-02
B-03B-04 B-05
B-22
B-23
B-24
B-25
B-26
Control wiring
harnessB-09
Connector colour
code
B : Black
BR : Brown
G : Green
GR : Grey
L : Blue
None : Milk white
O : Orange
R : Red
V : Violet
Y : Yellow*
Connector
symbol
-01
thru
-26
B
Earth cable
B-01(5-GR)Windshield wiper motor
B-02(2-GR)Fuel injector 1
B-03(2-GR)Fuel injector 2
B-04(2-GR)Fuel injector 3
B-05(2-GR)Fuel injector 4
B-06(3-GR)Throttle body throttle sensor
B-07(3-B)Vehicle speed sensor
B-09(2-GR)Brake fluid level indicator switch
B-10X(1)Engine speed detection connector
B-14X(4)Ignition coil relay
B-15X(4)A/T control relay
B-16X(4)Engine control relay
Page 425 of 800

AC301133AB
9
10
11
13
B-06B-07
B-01
B-10X
B-14X
B-15X
B-16X
B-17X
B-18
Battery wiring
harness
B-19
B-20
B-21
*
B-17X(4)A/C compressor relay
B-18(6-B)Control wiring harness and battery wiring
harness combination
B-19(10-GR)A/T control solenoid valve assembly
B-20(10-B)Inhibitor switch
B-21(4-B)Engine control oxygen sensor (Front)
B-22(1)Sta rt er
B-23(1-B)Sta rt er
B-24(1-B)Engine oil pressure switch
B-25(1)Alternator
B-26(4-GR)Alternator
ENGINE AND TRA
N SMISSION
CONF IGURA TION D I A G RA MS80-15
NOTE: On A/T only , the st andard routing positions
for the
corrug a ted tu be and wiring harne ss are
marked by*.
Page 428 of 800

ENGINE AND TRANSMISSION
CONFIGURATION DIAGRAMS80-18
ENGINE AND TRANSMISSION <4G6-MPI (LHD)>
M1801000401961
AC301135AD
B-02
B-03B-04
B-25
B-26
Control wiring
harnessB-01
Connector colour
code
B : Black
BR : Brown
G : Green
GR : Grey
L : Blue
None : Milk white
O : Orange
R : Red
V : Violet
Y : YellowConnector
symbol
-01
thru
-26
B
B-01(5-GR)Windshield wiper motor
B-02(2-GR)Fuel injector 1
B-03(2-GR)Fuel injector 2
B-04(2-GR)Fuel injector 3
B-05(2-GR)Fuel injector 4
B-06(4-B)Throttle body throttle sensor
B-07(3-B)Vehicle speed sensor
B-08(7-B)Air cleaner air flow sensor
B-09(2-GR)Brake fluid level indicator switch
B-10X(1)Engine speed detection connector
B-15X(4)A/T control relay
Page 429 of 800

AC502050
B-07
AB
910
11
13
B-06B-09
B-10X
B-15X
B-16X
B-17X
B-18
Battery wiring
harness
B-21
B-22
B-23
B-19
B-20
B-05B-08
B-24
Earth
cable
B-16X(4)Engine control relay
B-17X(4)A/C compressor relay
B-18(6-B)Control wiring harness and battery wiring
harness combination
B-19(10-GR)A/T control solenoid valve assembly
B-20(10-B)Inhibitor switch
B-21(4-B)Engine control oxygen sensor (Front)
B-22(1)Sta rt er
B-23(1-B)Sta rt er
B-24(1-B)Engine oil pressure switch
B-25(1)Alternator
B-26(4-GR)Alternator
ENGINE AND TRA N SMISSION
CONF IGURA TION D I A G RA MS80-19
Page 432 of 800

ENGINE AND TRANSMISSION
CONFIGURATION DIAGRAMS80-22
ENGINE AND TRANSMISSION <4G6-MPI (RHD)>
M1801000401972
AC301138
AD
B-02 B-03B-04
B-25
B-26
Control wiring
harness
B-09
Connector colour
code
B : Black
BR : Brown
G : Green
GR : Grey
L : Blue
None : Milk white
O : Orange
R : Red
V : Violet
Y : Yellow
Connector
symbol
-01
thru
-26
B
B-01(5-GR)Windshield wiper motor
B-02(2-GR)Fuel injector 1
B-03(2-GR)Fuel injector 2
B-04(2-GR)Fuel injector 3
B-05(2-GR)Fuel injector 4
B-06(4-B)Throttle body throttle sensor
B-07(3-B)Vehicle speed sensor
B-08(7-B)Air cleaner air flow sensor
B-09(2-GR)Brake fluid level indicator switch
B-10X(1)Engine speed detection connector
B-14X(4)Ignition coil relay
Page 433 of 800

AC301139AB
9
10
11
13
B-05B-07B-01
B-10X
B-14X
B-16X
B-17X
B-18
Battery wiring
harness
B-22
B-24B-06
B-08
B-23B-21
Earth
cable
B-16X(4)Engine control relay
B-17X(4)A/C compressor relay
B-18(6-B)Control wiring harness and battery wiring
harness combination
B-21(4-B)Engine control oxygen sensor (Front)
B-22(1)Sta rt er
B-23(1-B)Sta rt er
B-24(1-B)Engine oil pressure switch
B-25(1)Alternator
B-26(4-GR)Alternator
ENGINE AND TRA
N SMISSION
CONF IGURA TION D I A G RA MS80-23
Page 441 of 800

AC302010AC
(Front view)(Rear view)
C-208 C-209 C-210 C-211
C-212
C-213
C-214
C-215
C-217
C-218
C-219
C-220 C-221 C-222 C-223 C-224 C-225
C-226
C-227
JUNCTION BLOCK
Connector colour
code
B : Black
BR : Brown
G : Green
GR : Grey
L : Blue
None : Milk white
O : Orange
R : Red
V : Violet
Y : Yellow
C-213(5)Rear window defogger relay
C-214(5)Blower relay
C-215(15)Floor wiring harness (LH) and J/B
combination
C-217(3)Roof wiring harness and J/B combination
C-218(4)Rear fog lamp relay
C-219(4)Accessory socket relay
C-220(4)Fuel pump relay (2)
C-221(4)Heated seat relay
C-222(4)Fuel pump relay (1)
C-223(5)Power window relay
C-224(2)No connection
C-225(20)ETACS-ECU
C-226(24)ETACS-ECU
C-227(24-GR)ETACS-ECU
DASH P ANEL
CONF IGURA TION D I A G RA MS80-31
Page 447 of 800

AC302011AC
(Front view)(Rear view)
C-208 C-209 C-210 C-211
C-212
C-213
C-214
C-216
C-217
C-218
C-219
C-220 C-221 C-222 C-223 C-224 C-225
C-226
C-227
JUNCTION BLOCK
Connector colour
code
B : Black
BR : Brown
G : Green
GR : Grey
L : Blue
None : Milk white
O : Orange
R : Red
V : Violet
Y : Yellow
C-213(5)Rear window defogger relay
C-214(5)Blower relay
C-216(15)Floor wiring harness (RH) and J/B
combination
C-217(3)Roof wiring harness and J/B combination
C-218(4)Rear fog lamp relay
C-219(4)Accessory socket relay
C-220(4)Fuel pump relay (2)
C-221(4)No connection
C-222(4)Fuel pump relay (1)
C-223(5)Power window relay
C-224(2)No connection
C-225(20)ETACS-ECU
C-226(24)ETACS-ECU
C-227(24-GR)ETACS-ECU
DASH P ANEL
CONF IGURA TION D I A G RA MS80-37
Page 468 of 800

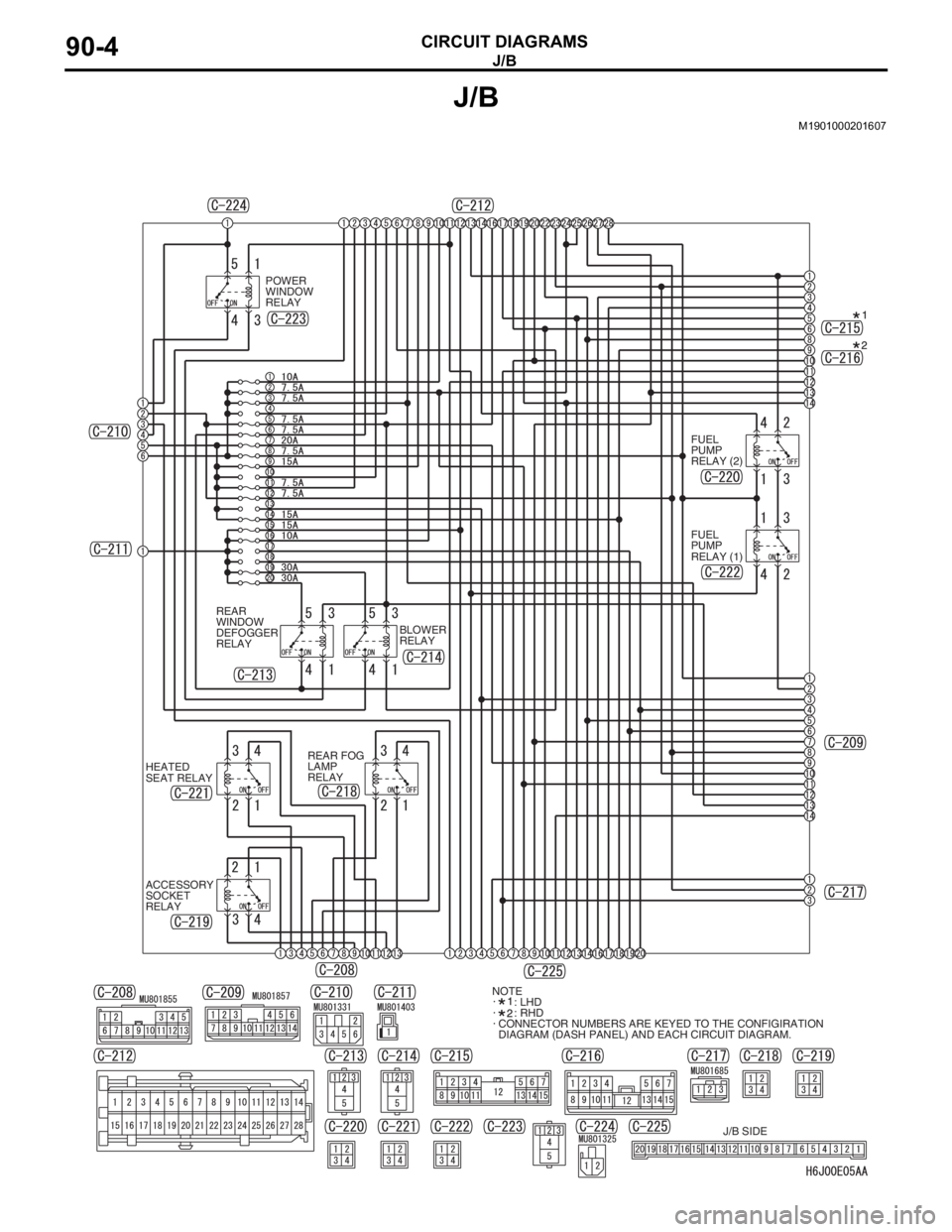
J/B
CIRCUIT DIAGRAMS90-4
J/B
M1901000201607
POWER
WINDOW
RELAY
FUEL
PUMP
RELAY (2)
FUEL
PUMP
RELAY (1)
REAR
WINDOW
DEFOGGER
RELAYBLOWER
RELAY
REAR FOG
LAMP
RELAY
J/B SIDE HEATED
SEAT RELAY
ACCESSORY
SOCKET
RELAY
: LHD
: RHD
CONNECTOR NUMBERS ARE KEYED TO THE CONFIGIRATION
DIAGRAM (DASH PANEL) AND EACH CIRCUIT DIAGRAM. NOTE
·
·
·
Page 469 of 800

J/B
CIRCUIT DIAGRAMS90-5
NOTE: .
•The triangle mark on the relay housing should face that on the J/B and the relay box.
AC209083
Front side
C-208
C-222C-224
C-220C-221
C-219
C-217 C-218C-212C-211 C-210
C-209
Fuel pump
relay (1)
Fuel pump
relay (2) Heated seat
relay
Rear fog
lamp relay No connection
To roof wiring
harnessTo floor wiring
harnessRear
window
defogger
relayBlower
relay To instrument panel
wiring harnessTo instrument panel
wiring harness
Power
window
relayETACS-ECU
C-225
AM
Rear side
C-223C-214C-213
1
23
4
Fuses
(No.1 to 20)
1
23
4 1
23
4 1
23
4 1
23
4
Accessory
socket relay
1
7
132
8
143
9
154
10
165
11
176
12
20
19
18
C-215
C-216