SSANGYONG KORANDO 2013 User Guide
KORANDO 2013
SSANGYONG
SSANGYONG
https://www.carmanualsonline.info/img/67/57503/w960_57503-0.png
SSANGYONG KORANDO 2013 User Guide
Page 863 of 1336
Lower main panel switch
3) Lower Main Panel Switch
Rear fog lamp switch (EU ONLY)
Steering wheel heating switchHLLD (Headlamp Leveling Device)4WD LOCK switch
ESP OFF switch This helps the driver to drive the vehicle comfortably by operating the switch for the driving situation.
Page 864 of 1336
8510-00
4WD LOCK switch
This switch is of push lock type, which
enables to increase/decrease the
torque to the rear wheels in AWD
mode.
Steering wheel heating
switch
This switch is of push return type,
which is used to activate or deactivate
the steering wheel heating function.
ESP OFF switch
The ESP OFF switch is of push return
type, which is used to stop or resume
the ESP function.
4WD LOCK switch
This switch is of push lock type, which
enables to increase/decrease the
torque to the rear wheels in AWD
mode.
HLLD
(Headlamp Leveling Device)
The headlamp aiming can be adjusted
by using this dial-type switch.
Rear fog lamp switch
(EU ONLY)
This switch is of push return type,
which sends ON/OFF signal to the
BCM so that the BCM can switch on
the lamps by activating the rear fog
lamp relay.
Page 873 of 1336
Light switch
Headlamps ON
Headlamp, side-marker, tail,
license plate, fog, and
instrument cluster lamps come
on.
Tail lamp ON
Side-marker, tail, license plate,
fog, and instrument cluster
lamps come on.
Automatic light ON
Head- and tail lamps
automatically turn on or off based
upon the intensity of the sunlight
analyzed by the automatic light
sensor.Lights OFF
High beam ON
To turn on the headlamp high
beam, push the lever towards
the instrument cluster with the
headlamp low beam on.Right turn signal lamp blinks
Passing
Regardless of the position of the light
switch, when holding the lever toward the
steering wheel, the headlights are on high
beam during the hold.Front fog lamp switch
To turn on the fog lights, turn this
switch while the tail lamps or
headlamps are turned on. Left turn signal lamp blinks
Page 886 of 1336
8310-00
1. LAMP SPECIFICATIONS
1) Exterior Lamps
2) Interior Lamps
Description Numbers Specification
Front room lamp 2 10W
Glove box lamp 1 5W
Center room lamp 1 10W
Luggage lamp 1 10W
Door courtesy lamp 2 5W
Description Numbers Specification
Headlamp High beam 2 H1-55W
Low beam 2 H7-55W
Turn signal lamp 2 P21W
Position lamp - LED
Front fog light 2 H16-19W
Rear fog light 2 21W
Side repeater - LED
Rear combination lamp Tail lamp - LED
Turn signal lamp 2 PY21W
Back-up lamp 2 W16W
Stop lamp 2 P21W
License plate lamp 2 W5W
High mounted stop lamp - LED
Puddle lamp 2 LED
Page 888 of 1336
8310-00
3. MAJOR CHANGES
Front side
Headlamp
- Headlamp (high/low beam) dualized and tail lamp changed to LED type
Fog lamp
- Fog lamp design changed
Headlamp
(high/low beam)Turn signal lamp
Tail lampTurn signal lamp
Tail lamp,
DRL (EU)*
Headlamp
(high beam)
Headlamp
(low beam)
Page 891 of 1336
1. EXTERIOR LAMP
1) Overview
Exterior lamps can be divided into front, rear and side lamps as follows.
Front lamp: headlamp and fog lamp
Rear lamp: combination lamp, license lamp, high mounted stop lamp and reflex reflector lamp
Side lamp: outside turn signal lamp and puddle (approach) lamp -
-
-
2) Layout
Front side
Outside turn signal lamp and
puddle lamp
HeadlampFog lamp
Turn signal lamp
Headlamp
(high beam)Headlamp
(low beam)
Puddle lamp
Outside turn
signal lamp
Fog lamp
Tail lamp,
DRL (EU)*
Page 893 of 1336
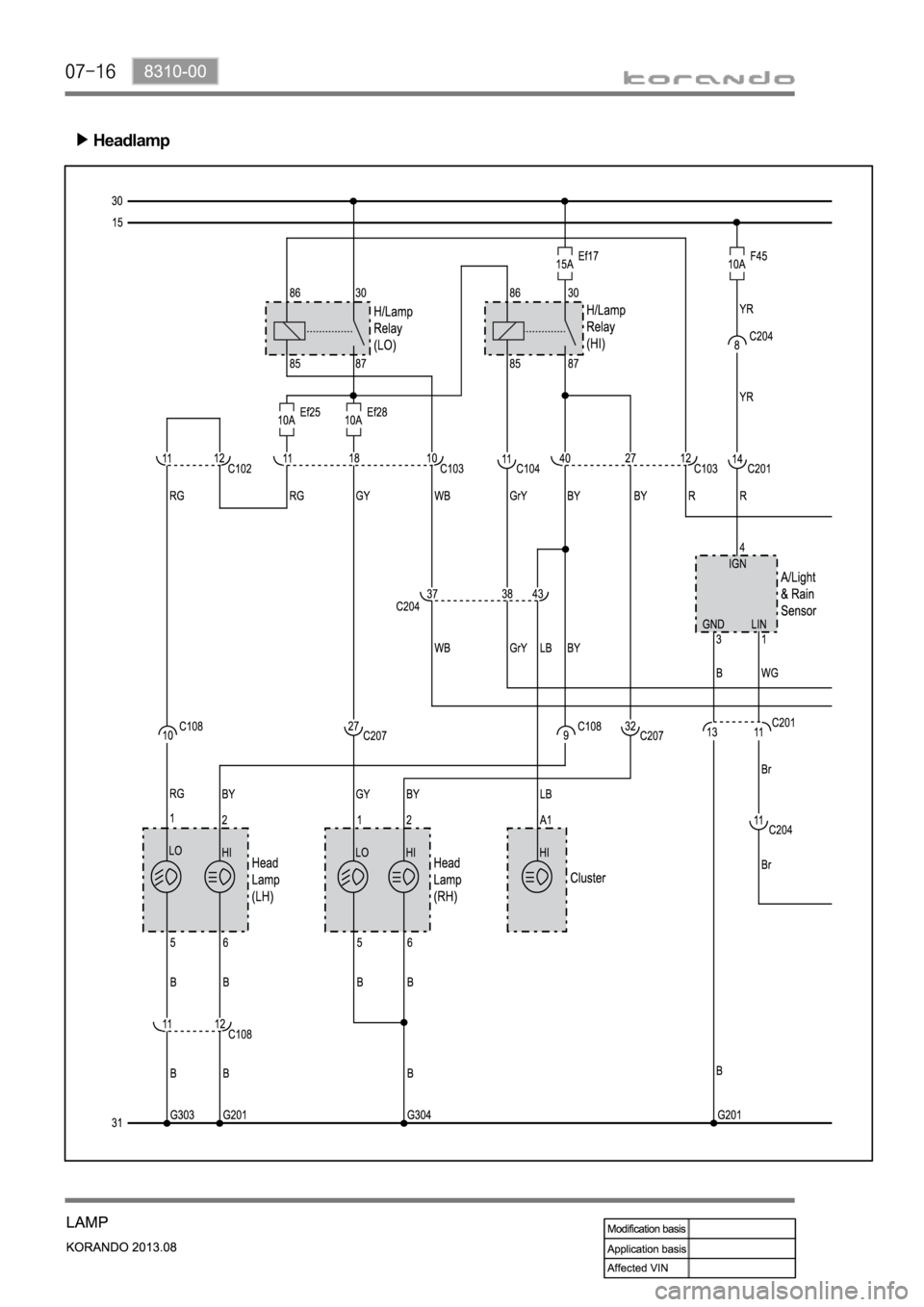
3) Operating Process
(1) Headlamp (high/low beam) operation process
The headlamp is usually operated by the multifunction switch or by the REKES or smart key through the
BCM.
The BCM controls the headlamp and tail lamp according to the signal from the AUTO light sensor
through LIN communication when the multifunction switch is in "AUTO" position.
Headlamp - low beam
Headlamp - high beam
DRL (Day Time Running Light)
DRL is the function to turn on the high beam and tail lamp without any intervention from the light
switch. DRL turns off the lamps when turning off the light switch. This is an additional safety device to
prevent the accident.
Page 895 of 1336
(3) Auto light (LIN)
The auto light sensor unit is installed to the back side of the ECM mirror located upper center of the
windshield, and detects the illuminance change. The BCM communicates with the auto light sensor
when the ignition is turned on, and turns on or off the tail lamp and headlamp automatically according to
the signals from the sensor when the multifunction switch is set to AUTO light.
The BCM communicates with the rain sensor even if the multifunction switch is in tail lamp.
Auto light switch Automatic light sensor unit
Page 896 of 1336
8310-00
Control by BCM
The rain sensor & AUTO light module communicates with BCM with IGN ON. When the AUTO light
switch is in the AUTO position, the BCM controls the tail lamp and headlamp according to the LIN
communication data.
Page 899 of 1336