sensor SUZUKI SX4 2006 1.G Service Workshop Manual
[x] Cancel search | Manufacturer: SUZUKI, Model Year: 2006, Model line: SX4, Model: SUZUKI SX4 2006 1.GPages: 1556, PDF Size: 37.31 MB
Page 1234 of 1556

Downloaded from www.Manualslib.com manuals search engine 9A-67 Wiring Systems:
TCM
WHTRED
717C06
4944C0114E013641351227C01212050
ECM
WHT
ABS
Cont.M
APP sensor Throttle position sensor
Throttle sensor
SUB
open close open close open close
open close
MAIN SUB MAIN
Throttle
motor
REDBLUGRNBRNWHTYELREDBLKWHTGRNREDYELBLU
E08
4
19
1
12E1911
6C482
156435234
RW
RW
33414054534544535251565554E01 C01
(CAN)
(CAN)
WHTGRY
GRN/WHTGRN/YELBRN
B
P/S
Cont.M
"F-3"
RED/BLU
GWGY
IG COIL
#2 IG COIL
#1
BW
Mode control
switch"A-3"
"E-1"
RB
"E-2"
ORNGRY/REDRED/BLU
GRY/REDRED/BLU
EVAP thermistor
1
3G32
8
ORN
WHT/BLKBLU/WHTORN
E382
G334
BW
Auto
Unit
A/C
pressure
sensorE36
C343
E3711011
2
3
BLU/WHTORN
915
8
915
WHT/BLKBLU/WHT
Auto A/C
Manual A/C
1
3
I6RW0C910939-03
Page 1235 of 1556

Downloaded from www.Manualslib.com manuals search engine Wiring Systems: 9A-68
A-5 Engine and A/C Control System Circuit Diagram (M16A engine)S6RW0D910E041
YEL/RED
E387
L3711012
L389
R15142
PNKYEL/RED
P
PNKYEL/RED
31
4
31
E371 C343
BLK/ORN
BLK/ORN
BLK/ORN
BLK/ORN
19
8
BLK42
R101
1
And
fuel gauge
Main
relay
1
BLK/WHT
BLK/REDBLU/YEL
C312Weld splice
GRN/WHTBLK/WHT
BLK/WHT
BLK/WHT
IG COILJ/B1
15A
FI
BLK/YEL
E2211
23
415A
20
BRN/WHT
BW
YR
4
20A
A/C
Compressor
relay
E229
Relay
BLU/YEL
BLU/YEL
Compressor
C1411
E3255
E371 C343
20
E371
C3434BLK/WHT
C43C42
Heated oxygen
sensor #2
IF EQPD
RED/BLU
BRN
Heated oxygen
sensor #1Condenser
fan motor Condenser
fan relay
WHT
BRN/WHT
BLK/RED
WHT/BLU
C01
1
34 2 134 2 1
471151
RED/WHT
52461050
ORN
57PNK
ECM
142
3
WHT
WHT
BLK/RED
BLK/REDBLK/WHT
BLK/RED
BLK/RED
BLK/RED
E01476015291
GRY
E22732
4
1
E23032
4
1
YEL
24
BLKBLK
56
BLK/REDRED
16 58
182419
Individual circuit
fuse box (No.1)
BLKBLK
9
RED/BLK
M
1
2E70
RED
Knock
sensor
C371
I6RW0D910927-02
Page 1236 of 1556

Downloaded from www.Manualslib.com manuals search engine 9A-69 Wiring Systems:
2C39
LT GRN
1
C47 C01
C01
C124
ECM
C912
1C922
1C932
1C942
1
#2 #1#3
#4
BLU/REDBLU/WHTBLU/YELBLU/ORN
BLK/RED
BLU/BLKGRN/ORNGRN/REDBRN/YEL
WHT/RED
EVAP
canister
purge
valve
C123 C122
ECT
sensor
GRY/BLU
GRY/BLU
"A-4"
Lg
30ARDTR
10
Relay
motor
"A-1"
Generator
BLU/REDLT GRNBRNGRN
BR
BY
46E014532
1
1
2
29 17
16 2
1
242528
26
27
21 4
3
5
BLK/YEL
2
3
55
E371 C343
18
19
OCV
1
2
6059
BLK/REDBLK/REDGRYGRYBLK/REDBLK/REDBLK/REDBLK/RED
BLK/RED
BLK/RED
BLK/RED
4
32
1E226
GRN/BLK
GRYBLK/REDBLU/YEL
53
RED/BLKGRY/RED
GRY/BLUGRY/BLU
GRN/RED
Individual circuit
fuse box (No.1)
15ATHR
MOR
3
GRN/WHT
MAF sensor
IF EQPD
4
53
1E222
Throttle
motor
relay
M
Weld spliceC311
EGR
valve IF EQPD
IF EQPD
4
6312
5
19
18 4 3
MAP
sensor
C363
1
2
I6RW0D910928-01
Page 1237 of 1556

Downloaded from www.Manualslib.com manuals search engine Wiring Systems: 9A-70
Weld spliceC311
GW
J/B
2
15ASTOP
30
15ADOME
37
E0120
GRN/WHT
GRN/WHT
GRN
E3234
E181
Brake
light
switch
1 2
ECM
2
CMP
sensor
C01
BLK
36
1531 30
1or3C32
20C01 E0148302813
RED/YEL
BLK/ORNBLK/ORN
BLK/ORN
BLKBLKBLK
C01 E0158
BLK/RED
3or2 2or1
J/B
E3251
2
YG
YEL/GRNYEL/BLKWHT/REDWHTYEL/RED
Starting
motor
relay Starting
motor
relay
"A-1"ICM
"A-7"YBYR
2
W"A-1"
CKP
sensor
3C31
21
PNKBLK/ORN
BLK/RED
12
Weld
splice
C313
I6RW0C910943-02
Page 1238 of 1556

Downloaded from www.Manualslib.com manuals search engine 9A-71 Wiring Systems:
TCM
WHTRED
717C06
124C01 E01145457195526C016513
ECM
WHT
ABS
Cont.M
APP sensor Throttle position sensor
Throttle sensor
SUB
open close open close open close
open close
MAIN SUB MAIN
Throttle
motor
REDBLUGRNBRNWHTYELREDBLKWHTGRNREDYELBLU
E08
3
18
1
12E1911
6C482
156435234
RW
RW
4142405443454434365135375250E01 C01
(CAN)
(CAN)
BLKGRY
GRN/WHTGRN/YELBRN
B
P/S
Cont.M
"F-3"
RED/BLU
GWGY
IG COIL
#2 IG COIL
#1
BW
Heater fan
switch"A-3"
"E-1"
RB
"E-2"
ORNGRY/RED
GRY/REDRED/BLU
EVAP thermistor
1
3G32
8
ORN
WHT/BLKBLU/WHTORN
E382
G334
BW
Auto
Unit
A/C
pressure
sensorE36
C343
E37110
2
3
BLU/WHTORN
915
WHT/BLKBLU/WHT
Auto A/C
Manual A/C
1
8915
3
I6RW0C910944-03
Page 1239 of 1556

Downloaded from www.Manualslib.com manuals search engine Wiring Systems: 9A-72
A-5 Engine and A/C Control System Circuit Diagram (J20A engine)S6RW0D910E042
YEL/RED
E387
L3711012
L389
R15142
PNKYEL/RED
P
PNKYEL/RED
31
433
31
E371 C343
BLK/ORN
BLK/ORN
BLK/ORN
BLK/ORN
19
8
BLK42
R101
1
And
fuel gauge
Main
relay
1
BLK/WHT
BLK/REDBLU/YEL
C312Weld splice
GRN/WHTBLK/WHT
BLK/WHT
BLK/WHT
IG COILJ/B1
15A
FI
BLK/YEL
E2211
23
415A
20
BRN/WHT
BW
YR
4
20A
A/C
Compressor
relay
E229
Relay
BLU/YEL
BLU/YEL
Compressor
C1411
C312
13
E3255
E371 C343
20
E371
C3434BLK/WHT
C42C40
Heated oxygen
sensor
RED/BLU
BRN
A/F sensor CKP
sensorCondenser
fan motor Condenser
fan relay
BLK
BLK/ORNBLK/ORN
BLK/ORN
RED
C01
1
34 2 143 12
4711393237
WHT
3848PNK
ECM
142
3
WHT
WHT
BLK/RED
BLK/REDBLK/WHT
BLK/RED
BLK/RED
BLK/RED
E01496015291
GRY
E22732
4
1
E23032
4
1
BLK/REDBLK/ORN
24
BLKBLK
58 56
BLK/REDRED
16 48
182419
Individual circuit
fuse box (No.1)
BLKBLKBLK/ORNBLK
93
RED/BLK
M
1
2E70
3651
BLUPNK
RED
Knock
sensor
C371
I6RW0C910942-03
Page 1240 of 1556

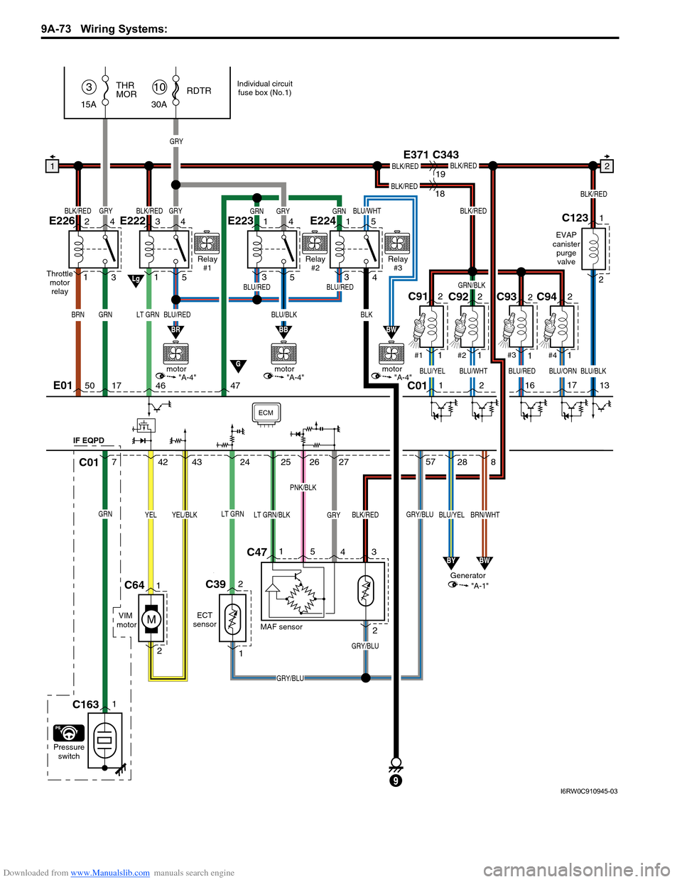
Downloaded from www.Manualslib.com manuals search engine 9A-73 Wiring Systems:
2C39
LT GRN
1
C47C01
C01
Pressure
switch
C64
ECM
C912
1C922
1C932
1C942
1
#2 #1#3
#4
BLU/REDBLU/WHTBLU/YELBLU/ORN
BLK/RED
GRN/BLK
BLU/WHT
BLU/BLK
EVAP
canister
purge
valve
C123
ECT
sensor
GRY/BLU
GRY/BLU
GRY
"A-4"
Lg
G
30ARDTR
10
Relay
#1
motor
"A-1"
Generator
BLU/REDBLU/BLKBLKLT GRNBRNGRN
BR
"A-4"motor
BB
"A-4"motor
BW
BY
4647E015017
1
1
2
13 17
16 2
1
242528
26
27
43 1
5
2
LT GRN/BLK
2
57
E371 C343
18
19
C163
GRN
1
7
VIM
motor
1
2
4243
BLK/REDBLK/REDGRYGRYGRYGRNGRN
BLU/REDBLU/RED
BLK/RED
BLK/RED
BLK/RED
BLK/RED
4
32
1E226
PNK/BLK
GRYBLK/REDBLU/YEL
BW
8
BRN/WHT
GRY/BLU
YEL
Individual circuit
fuse box (No.1)
15ATHR
MOR
3
YEL/BLK
MAF sensor IF EQPD
4
53
1E222
Relay
#2
4
51
3E223
Relay
#3
5
41
3E224
Throttle
motor
relay
9
M
I6RW0C910945-03
Page 1241 of 1556

Downloaded from www.Manualslib.com manuals search engine Wiring Systems: 9A-74
G333
E381S171
G346161514
GWGY
J/B
2
15ASTOP
30
15ADOME
37
E0120
GRN/WHT
GRN/WHT
GRN
12
10AIG1 SIG
26
LT GRN/BLK
8
GRN/YEL
622RED/WHTLT GRN21BLK/YEL
RED/WHT
RED/BLK
LT GRNBLK/YEL
RB
E325 E323 E325 E3234
15AIG COIL
20
5
E181
3 4Brake
light
switch
MAIN RESUME/
ACCEL SET/
COAST CANCEL
1 2
S61
12
Steering
switch
(Auto
cruise
switch)
Contact
coilContact
coil
11 610
121110
6
Cruise control (IF EQPD)
ECM
2
CMP
sensor
C01
BLK
34
1529 3031
3C32
52C01 E0122302813
RED/YEL
PNK/BLUBLKBLKBLKBLK
BLK/RED
12
J/B
E3251
2
"C-2"
G346
S171
YG
YEL/GRNYEL/BLKWHT/REDWHTYEL/RED
Starting
motor
relay Starting
motor
relay
"A-1"ICM
"A-7"YBYR
2
W"A-1"
E01
LT GRN/BLK
BLK
BLKBLK
7C019
CPP
cut
switch
E1921
2
79
BLK/ORNBLK/ORN
BLK/ORN
Current
sensor
C461
23
Weld
splice
C312
BLK/WHT
I6RW0C910946-04
Page 1242 of 1556

Downloaded from www.Manualslib.com manuals search engine 9A-75 Wiring Systems:
TCM
WHTRED
717C06
4944C0114E013641351227C01212050
ECM
WHT
ABS
Cont.M
APP sensor Throttle position sensor
Throttle sensor
SUB
open close open close open close
open close
MAIN SUB MAIN
Throttle
motor
REDBLUGRNBRNWHTYELREDBLKWHTGRNREDYELBLU
E08
4
19
1
12E1911
6C481
256435234
RW
RW
33414054534544535251565554E01 C01
(CAN)
(CAN)
WHTBLK
GRN/WHTGRN/YELBRN
B
P/S
Cont.M
"F-3"
RED/BLU
GWGY
IG COIL
#2 IG COIL
#1
BW
Mode control
switch"A-3"
"E-1"
19
GRN/BLK
GB
IG COIL
#3
18
GRN
G
IG COIL
#4
RB
"E-2"
ORNGRY/REDRED/BLU
GRY/REDRED/BLU
EVAP thermistor
1
3G32
8
ORN
WHT/BLKBLU/WHTORN
E382
G334
BW
Auto
Unit
A/C
pressure
sensorE36
C343
E3711011
2
3
BLU/WHTORN
915
89
15
WHT/BLKBLU/WHT
Auto A/C
Manual A/C
1
I6RW0C910947-03
Page 1243 of 1556

Downloaded from www.Manualslib.com manuals search engine Wiring Systems: 9A-76
A-6 A/T Control System Circuit DiagramS6RW0D910E007
GRN/RED
Shift
lock
relay
E241
GRN/RED
C0720 8 7 19 18
E371 C343GRN/YEL
Back-up light
14
RED
"D-8"
Brake light
switch
"D-7"
R
GW
Transaxle
range sensor
TCM
L101
4
A/T select
switch A/T
shift lock
solenoidA/T shift
lever assy
BLK/ORN
16
OFF
ON
RED
1
RED
PNK/BLKRED
GRN/ORNLT GRN/BLK
C166
P
R
N
D2L
PNK/BLK
5
4
E371 C343
17
PNK/BLK
BLKBLK
63
BLK/ORN
1720
BLK
14
BLKBLK
79
L348
J/C
E387
L371C343
E3711320
BCM
BCM
DLC
G21174
BLK
BLK
11
J/C
G309
4
G334
E38219
E371
C3438
BLK/ORNBLK/ORN
5
239
GRN
RED/BLK
E371
C34313
E32514RED/BLK
GRN/WHT
10ABACK21
15ADOME37
BLK
3
1
J/B
1
A
AB
B
J/C
G308A
A
BLU
BLU
BLU
BLU
R
15YEL
YEL
YEL
12
E382
G33412
GR
PB
B
WHTRED
RW"A-8"
14
6
BLK/ORN
G2715
B
B
J/C
Taiwan
IF EQPD
BLU
Except Taiwan
G308
9E04
5G04
WHT/RED
WHT/RED
16
(CAN)
M15A engine, M16A engine
J20A engine A
8
4AB4
1AB5
9AB2
6AB1
3AB7
11AB
3
10AB
B
I6RW0C910948-01