o2 sensor TOYOTA HIGHLANDER 2001 Service Manual PDF
[x] Cancel search | Manufacturer: TOYOTA, Model Year: 2001, Model line: HIGHLANDER, Model: TOYOTA HIGHLANDER 2001Pages: 2572, PDF Size: 34.8 MB
Page 628 of 2572

2005 HIGHLANDER (EWD592U)
269
B 29
W
E 6
MPX2
18
22 24 MPX1
G125 12 3J
IB2 1
IF3 5
A 10
B 9
VY O GR
IL2 1
GR
SB
SB BR
MPX2
R PBEW
BRY
BR
4A 3E 1
G
GR4F 7IB2 87 8
P 5
MPX2
MPX1
G GR
IL2A 9
B 2MPX-
MPX+
B 2 B 1
A 2 A 1 MPX1 6
A17MPX2 MPX1
V G
21 A 9 B
VC11(
A)
, C12(
B)
S30(
A)
, S31(
B)B 9(
A)
, B10(
B)
A10(
A)
, A11(
B)
A/C Control Assembly
Airbag Sensor Assembly
Body ECU
Combination Meter
Engine Contr ol Module
Power Window Master SW
with ECU Short Connector
Page 644 of 2572

2005 HIGHLANDER (EWD592U)
285
IF2 10
IC3 8
EA A1
2
BR P Y- B W- B Y- B
Engine Control Module
Skid Control ECU
with Actuator
L
V
B
W
P
BR
Combination SW
J 3
W 1
IC3 7
IF3 7 15A
H- LP
RH LWR
2
R- Y B G
2 1
IF3 15
IC4 1
EB A
R R- B W- B R- B
J 4
B 4
B
Washer Level
Malfunction
Indicator Lamp
Brake
ABS
VSC
Beam
Turn LH
Turn RH
19 AA 15 A 14 B 16
7 A 17 11 B B 10 B 4 B 12
L
GRTurn Signal Flasher SlipDriver' s
Seat Belt
TRAC OFFAirbag
A/T
OI L TEMP
MAINT REQD
Tire Air
Pressure(
2WD) (
2WD)
13 A 10A
IGN
1G 6
4M 4
4E 1
W
SB P
J 6
E E
IL1 9 P
P
(
USA) (
USA)
* 1 : 3MZ- FEFr om Power Source System (
See Page 62)
Brake Warning SW
Junction
ConnectorJunction
Connector
Junction
Connector Washer Level
Sensor
Combination Meter C11(
A)
, C12(
B)
2 1
Page 645 of 2572

2005 HIGHLANDER (EWD592U)
286
Combination Meter
IB2
IF3 5
A 10
B 6
B 18
B 29
I 31
Y O W GR GR
IL2 1
GR
SB
MPX2
MPX1
MPX1
MPX2
10
Y
S20
MPX1
Y
C 22
Y- B
MOPS
1
O 1
3E 1
E 19
G- B
THW2 1
E 2BRT 4
MPX1
V
(
*6)
3J 12G
G
GR
(
*5) (
*5)
B 9 A 21 3H 531
IE 1 6
B 9(
A)
, B10(
B)
C11(
A)
, C12(
B)
E 6(
B)
, E 7(
E)
, E 9(
C)
Body ECU
Combination Meter
Engine Coolant Temp.
Sensor
Engine Control Module
Oil Pr essure SW Sliding Roof
Control ECUTheft Deterrent ECU
E 28A 5
B 5
E2
BR
Short Connector S28(
A)
, S29(
B)
E14
W- BBR
BR
(
*1) (
*7) (
*7)(
*1)
Page 646 of 2572

2005 HIGHLANDER (EWD592U)
287
3
O 3Y
(
*2)
44O4F 7IB2 87 8
P 5
MPX2
MPX1
4A 5A 9
B 2MPX-
MPX+
G
A 2A1
B 2B1 A17
MPX2 MPX1
22 24
4 11
G 5
MPD2
MPD1
V
(
*3) G
(
*3)G
(
*4) BR BR BRSB V
G
R GR
IL2 12
A10(
A)
, A11(
B) S30(
A)
, S31(
B)
A/C Control Assembly
Airbag Sensor
Assembly
Gateway ECU Option Connector 1Power Window Master SW
with ECU
Shor t Connector
* 2 : w/o Theft Deterrent System * 1 : 3MZ- FE
* 3 : w/ Navigation System
* 4 : w/o Navigation System
* 5 : w/ Moon Roof
* 6 : w/ Theft Deterr ent System
* 7 : 2AZ- FE
Page 654 of 2572

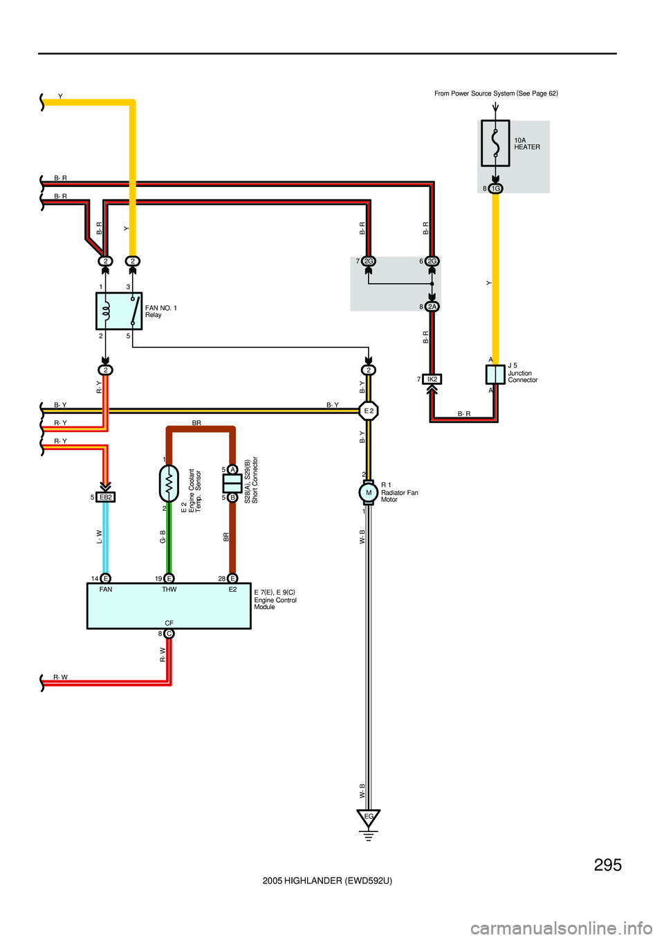
2005 HIGHLANDER (EWD592U)
295
25 1322
22
R- Y
B- Y
1 2
B- Y L- W
W- B
EG
W- BR- W
B- Y2G 7
2A 82G 6
A A
IK2 7
Y B- RB- R
Y
B- R
B- R
B- R FAN NO. 1
Relay
R 1J 5
B- Y
R- Y
R- Y B- R B- RY
R- W10A
HEATER
1G 8
FAN
CFE 2
E 14 E19
C 82 1
G- B
E 2
THWBR
EB2 5MFrom Power Source System (
See Page 62)
E 7(
E)
, E 9(
C)
Engine Coolant
Temp. Sensor
Engine Contr ol
ModuleJunction
Connector
Radiator Fan
Motor
E 28
E2A 5
B 5
BR
Shor t Connector S28(
A)
, S29(
B)
Page 657 of 2572

2005 HIGHLANDER (EWD592U)
298
Automatic Air Conditioning
10A
HEATER
1K 13
IK4 1
25 413A A1G 8
3A 4
3J 7
IL2 2
A 7A2
IH1 2IL25
IH1 1
21
IH1 3
IAM B 14AMH
B 13AMC
B 12SG- 1
B 11S5- 1
IJ1 1IJ12IJ13IJ14IJ15B 10TP
IJ1 6B 5TE
A14
B
GR
P
O
SB
LG Y- G
Y
LG- R LG- R
P- L P- L
O O
5421 2
4
B 6A
3
B- Y
Y
B Y
BRJ 5
BR O
HR IG+H 9
LG W P- LB
W- B
YY
W
50A HTR
7F 7
4L 74H 7
IC
W- B
I12 W- B
B
I14
1 2
E12VMSI
G- Y
A 17BLW
1 GND
W- BB
3
+B
RB 7BBW- B
ILL+ ILL- ILL- ACC IG BLK STX ILL+ +B 16 12 13 1 2 15 14 6 7
LG- R
LG- R Control Panel
M From Power Source System (
See Page 62)
A10(
A)
, A11(
B)
A/C Control Assembly
Air Mix Control Servo Motor
Blower Motor
Blower Motor
Control
Evapor ator Temp. Sensor
Fusible
Link Block
Heater
Relay
Junction
Connector
Page 658 of 2572

2005 HIGHLANDER (EWD592U)
299
M B 8AOF
B 7AOD
B 1SG- 4
B 9S5- 4
IL2 15 IL24IL213 IL23IL214B 6TPO
A15
V
G
B
BR
R LG
L
W
B
G
54123A 4MR/F
A 6AIF
A 5AIR
A13 7. 5A
ECU- B
2A 47. 5A
RAD
NO. 2
1K 3
IC3 5
1K 23I11 1G 10 3A13
A 12
+BA 13
ACCB 3B4 B 15 B16
W- L
V BR W
GR
W
L
Y
W
S5- 3 TS SG- 3 TR
521
Y
W
B
YY
2 1
R 62 1A12
CLK DPD SWD HAZ GND SG 89101834Control Panel
A 11GND
3F 133J 6
IB
W- B W- B
A 14DIM
SB
T15DIM 6 From Power Source System (
See Page 62)
A10(
A)
, A11(
B)
A/C Control Assembly
A/C Solar Sensor
Air Inlet Control Servo Motor
Air Vent Mode Control Servo Motor
Room Temp. Sensor
Telltale Light
Assembly
Page 659 of 2572

2005 HIGHLANDER (EWD592U)
300
Automatic Air Conditioning
2B
B 1B
5IK332
B- R B
TAM MPD2 MPD1
E 28
BR BR
E2 * 4 : w/o Navigation System * 3 : w/ Navigation System * 2 : 2AZ- FE * 1 : 3MZ- FE
(
*2) (
*1)BR
BR
BR
EE 5B
5A
6 EB2
A 1
2
1
A 3G 5 A17
MPX2 MPX1 22 244
11
BR
BR
V(
*3) G(
*3) R BRP 5
3E 13J 12
G
2A 1A YIB2 8
4F 7
4A 5
IL2 12
B 2
A 9MPX-
Y
IB2 1
IF3 5
A 10
B 6
B 18 B2 2A8
22C 2E3
IK3 18
B 1C 23
IK3 2
1
4
EH A2 13EB2 9
ED A A
J 7
W
J 2 78 MPX1 MPX2
SB
YV
GR G(
*4)
MPX2
MPX1
MPX1
LCK1
BR BRW- B G L
W- L
B- Y A 2
OY-G
Y- G
OMG CLT
Relay IK27
23 15 B- R
MPX+
A 21 9 BIL2 1B 29
SB GR
MPX- MPX+Y
HP MPX2ACMG
Diode
(
Cooling Fan) Y- G
(
*1) B 9(
A)
, B10(
B)
E 6(
B)
, E 7(
E)
, E 9(
C)
A10(
A)
, A11(
B)
S30(
A)
, S31(
B)
Dual
S28(
A)
, S29(
B)
C11(
A)
, C12(
B)
A/C Ambient Temp. Sensor
A/C Magnetic Clutch
A/C Lock Sensor Pr essure SW
A/C Contr ol Assembly
Air bag Sensor
Assembly
Body ECU
Combination MeterEngine Control Module
Gateway ECU
Ju nctio n
ConnectorJunction
Connector Power Window Master SW
with ECU
Short ConnectorShort Connector
E14 : * 1
E 9 : * 2
BR
1 2Engine Coolant
Temp. Sensor E 2
E 19THW
G- B G- B BR
W- B
W- B
BR
(
*2) (
*1) (
*1)(
*2)
Page 664 of 2572

2005 HIGHLANDER (EWD592U)
305
A 4A6A5
A13M
A14 54312B 14 B13 B10 B11 B12
IJ1 1
B Y- G
YGR
IJ1 2
OSB
IJ1 5
P- L O
IJ1 4
P
IJ1 3
I14
LG- R LG- R
IJ1 6
1 2B 5Y Y
LG G- Y LG- R
LG- R
B WY
MR/F AIF AIR AMH AMC TP S5- 1 SG- 1 TE 1416121312151154678910183
IG +B ILL+ ILL+ ILL- ILL- ACC 5V TEST SG BLK STX CLK DPD SWD HAZ GNDControl Panel
1 2 5A10(
A)
, A11(
B)
A/C Control Assembly
Air Inlet Control Servo Motor
Air Mix Control Servo Motor
Evaporator Temp.
Sensor E12
Page 665 of 2572

2005 HIGHLANDER (EWD592U)
306
Manual Air Conditioning
Y
B 2IL2 12
4A 54F 7 A 9
P 5G
BR
MPX+ MPX-
B 8B7B1B9B6
IL2 15 IL24IL213 IL23IL211
M 5 4123
V
G
B
BR
R GB WL LG
AOF AOD SG- 4 S5- 4 TPO
A153J 123E 1
B 1B2
A 1A2IB2 8MPX1 MPX2
IB2 1
IF3 5
(
*4)
G 5
8
24 22 MPD1
MPD2
R
R
GR R
V SB BR
BR
OYGR
7 11
MPX1 MPX2
A17
Y
Y
Y
O A 14
DIM DIM
T1 56
G SB
G
V (
*3)
(
*3)4
S30(
A)
, S31(
B)
A10(
A)
, A11(
B)
A/C Control Assembly
Air Vent Mode Control Servo Motor Airbag Sensor Assembly
Gateway ECU
Power Window Master SW
wi th ECU Short ConnectorTelltale Light Assembly