YAMAHA YZ250F 2015 Manuale duso (in Italian)
Manufacturer: YAMAHA, Model Year: 2015, Model line: YZ250F, Model: YAMAHA YZ250F 2015Pages: 384, PDF Dimensioni: 11.7 MB
Page 141 of 384

RUOTA POSTERIORE
4-11
c. Installare la nuova corona della ruota poste-
riore.
NOTA
Serrare i dadi autobloccanti in fasi e usando
uno schema incrociato.
▲▲▲▲▲▲▲▲▲▲▲▲▲▲▲▲▲▲▲▲▲▲▲▲▲▲▲▲▲▲▲▲
HAS1SM5134MONTAGGIO DELLA RUOTA POSTERIORE
1. Installare:
• Cuscinetto (lato destro) “1”
• Anello elastico di sicurezza “2”
• Distanziale “3”
• Cuscinetto (lato sinistro) “4”
• Paraolio “5”
NOTA
• Applicare grasso a base di sapone di litio al
cuscinetto e al labbro del paraolio quando li si
installa.
• Installare il cuscinetto con la guarnizione riv-
olta verso l’esterno.
• Per prima cosa installare il lato destro del cus-
cinetto.
• Installare il paraolio con i contrassegni o i nu-
meri identificativi del produttore rivolti verso
l’esterno.
ECA1DX1006
ATTENZIONE
Installare il cuscinetto premendo sulla pista
esterna in parallelo.
NOTA
Utilizzare un alloggiamento “1” che corrisponda
al diametro della pista esterna del cuscinetto e
del paraolio.
2. Installare:
• Disco freno “1”
• Bullone disco freno “2”
NOTA
Serrare i bulloni in fasi e usando uno schema
incrociato. Dado autobloccante corona della
ruota posteriore
42 Nm (4.2 m·kgf, 30 ft·lbf)
T R..
New
NewBullone disco freno
14 Nm (1.4 m·kgf, 10 ft·lbf)
LOCTITE®
5
43 1
25
LSLS
1
T R..
Page 142 of 384

RUOTA POSTERIORE
4-12
3. Installare:
• Collare “1”
NOTA
Applicare il grasso a base di sapone di litio sul
labbro del paraolio.
HAS1SM5135INSTALLAZIONE DELLA RUOTA POSTERI-
ORE (DISCO)
1. Installare:
• Ruota posteriore
NOTA
Installare correttamente il disco freno “1” tra le
pastiglie del freno “2”.
2. Installare:
• Catena di trasmissione “1”
NOTA
Spingere la ruota posteriore “2” in avanti e in-
stallare la catena di trasmissione.
3. Installare:
• Tendicatena sinistro “1”
• Asse ruota posteriore “2”
NOTA
• Installare l’estrattore sinistro della catena di
trasmissione e inserire l’asse della ruota pos-
teriore dal lato sinistro.
• Applicare il grasso a base di sapone di litio
sull’asse della ruota posteriore.
4. Installare:
• Tendicatena destro “1”
• Rondella “2”
• Dado asse ruota posteriore “3”
NOTA
A questo punto, serrare temporaneamente il
dado (asse ruota posteriore).
5. Regolare:
• Tensione della catena “a”
Fare riferimento a “REGOLAZIONE TEN-
SIONE DELLA CATENA” a pagina 3-31.
1
LS
Tensione della catena di trasmis-
sione
50–60 mm (1.97–2.36 in)
1 2
LS
2
1
3
a
Page 143 of 384

RUOTA POSTERIORE
4-13
6. Serrare:
• Dado asse ruota posteriore “1”
• Controdado “2”Dado dell’asse ruota
135 Nm (13.5 m·kgf, 98 ft·lbf)
Controdado
21 Nm (2.1 m·kgf, 15 ft·lbf)
T R..
T R..
1
2
Page 144 of 384

FRENO ANTERIORE
4-14
HAS1SM5136
FRENO ANTERIORE
Rimozione della pinza freno anteriore
Ordine DenominazioneQuan-
titàOsservazioni
Liquido dei freniScaricare.
Fare riferimento a “SPURGO DELL’IMPI-
ANTO FRENI” a pagina 3-25.
1 Bullone di giunzione 1
2 Rondelle in rame 2
3 Tubi del freno anteriore 1
4 Tappo perno pastiglia freno 1
5 Perno pastiglia freno 1
6 Pastiglie freno 2
7 Molla pastiglia freno 1
8 Gruppo pinza freno anteriore 1
9 Supporto pinza freno anteriore 1
Per l’installazione, invertire la procedura di
rimozione.
3
9
1
2
8
4
5 7
6
T.R.30 Nm (3.0 mlbf) kgf, 22 ft
T.R.28 Nm (2.8 mlbf) kgf, 20 ft
T.R.17 Nm (1.7 mlbf) kgf, 12 ft
T.R.2.5 Nm (0.25 mlbf) kgf, 1.8 ft
T.R.6 Nm (0.6 mlbf) kgf, 4.3 ft
Page 145 of 384

FRENO ANTERIORE
4-15
Smontaggio pinza del freno anteriore
Ordine DenominazioneQuan-
titàOsservazioni
1 Pistoncino della pinza freno 2
2Guarnizione parapolvere pistoncino della pinza
freno2
3 Guarnizione pistoncino della pinza freno 2
4 Vite di spurgo 1
Per il montaggio, invertire la procedura di
smontaggio.
12
34
S
S
BF
BFT R..
S
6 Nm (0.6 m
kgf, 4.3 ft Ibf)
Page 146 of 384

FRENO ANTERIORE
4-16
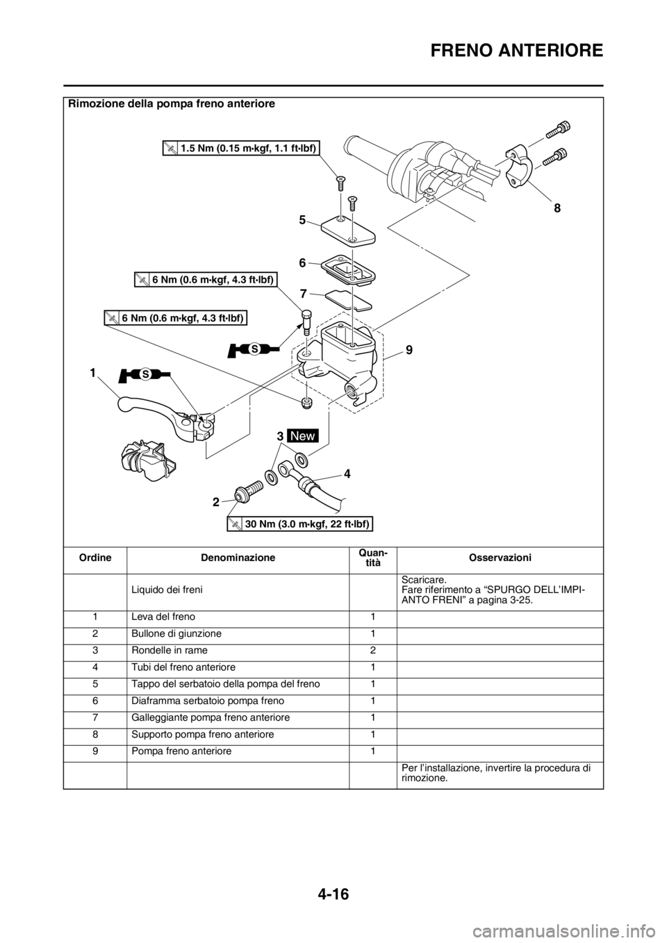
Rimozione della pompa freno anteriore
Ordine DenominazioneQuan-
titàOsservazioni
Liquido dei freniScaricare.
Fare riferimento a “SPURGO DELL’IMPI-
ANTO FRENI” a pagina 3-25.
1 Leva del freno 1
2 Bullone di giunzione 1
3 Rondelle in rame 2
4 Tubi del freno anteriore 1
5 Tappo del serbatoio della pompa del freno 1
6 Diaframma serbatoio pompa freno 1
7 Galleggiante pompa freno anteriore 1
8 Supporto pompa freno anteriore 1
9 Pompa freno anteriore 1
Per l’installazione, invertire la procedura di
rimozione.
5
6
7
23
48
9
1
T.R.30 Nm (3.0 mlbf) kgf, 22 ft
T.R.1.5 Nm (0.15 mlbf) kgf, 1.1 ft
T.R.6 Nm (0.6 mlbf) kgf, 4.3 ft
T.R.6 Nm (0.6 mlbf) kgf, 4.3 ft
Page 147 of 384

FRENO ANTERIORE
4-17
Smontaggio della pompa freno anteriore
Ordine DenominazioneQuan-
titàOsservazioni
1 Asta di blocco 1
2 Guaina parapolvere 1
3 Anello elastico di sicurezza 1
4 Rondella 1
5 Componenti pompa del freno 1
Per il montaggio, invertire la procedura di
smontaggio.
BF
5
4
3
2
1
S
New
New
Page 148 of 384

FRENO ANTERIORE
4-18
HAS1SM5137INTRODUZIONEEWA14100
AVVERTENZA
Se è necessario smontare i componenti del
freno a disco, osservare le precauzioni seg-
uenti.
• Non smontare mai i componenti del freno
a meno che non sia assolutamente neces-
sario.
• Se vi sono problemi dovuti ai collegamenti
sull’impianto freni idraulico, effettuare le
seguenti operazioni.
Smontare l’impianto dei freni, drenare il
liquido dei freni e pulirlo. Quindi aggiunge-
re una quantità adatta di liquido dei freni.
Quindi spurgare dopo il rimontaggio.
• Utilizzare solo liquido dei freni per il lavag-
gio dei componenti dei freni.
• Utilizzare liquido dei freni nuovo per pulire
i componenti dei freni.
• Pulire immediatamente il liquido dei freni
versato poiché può danneggiare le super-
fici verniciate o gli elementi in plastica.
• Manipolare il liquido dei freni con partico-
lare attenzione per evitare che venga a
contatto con gli occhi con conseguente
possibile perdita della vista.
• PRONTO SOCCORSO SE IL LIQUIDO DEI
FRENI ENTRA NEGLI OCCHI:
• Sciacquare con acqua per 15 minuti e riv-
olgersi immediatamente a un medico.
HAS1SM5138CONTROLLO DEL DISCO FRENO ANTE-
RIORE
1. Togliere:
• Ruota anteriore
Fare riferimento a “RUOTA ANTERIORE” a
pagina 4-4.
2. Controllare:
• Disco freno anteriore
Danni/grippaggio Sostituire.
3. Misurare:
• Spessore del disco freno
Misurare lo spessore del disco del freno in
diverse posizioni.
Non conforme alle specifiche Sostituire.4. Installare:
• Ruota anteriore
Fare riferimento a “RUOTA ANTERIORE” a
pagina 4-4.
HAS1SM5139RIMOZIONE DELLA PINZA FRENO ANTE-
RIORE
NOTA
Prima di smontare la pinza del freno, scaricare
il liquido dei freni dall’intero circuito dei freni.
1. Togliere:
• Bullone di giunzione
• Rondelle in rame
• Tubo del freno
NOTA
Inserire l’estremità del tubo del freno in un con-
tenitore ed estrarre il liquido dei freni.
HAS1SM5140SMONTAGGIO DELLA PINZA FRENO AN-
TERIORE
1. Togliere:
• Pistoncino della pinza freno “1”
• Guarnizione parapolvere pistoncino della
pinza freno “2”
• Guarnizioni pistoncino pinza freno “3”
▼▼▼▼▼▼▼▼▼▼▼▼▼▼▼▼▼▼▼▼▼▼▼▼▼▼▼▼▼▼▼▼
a. Soffiare aria compressa nell’apertura del gi-
unto del tubo del freno per spingere il pist-
oncino fuori dalla pinza del freno.Limite spessore del disco freno
2.5 mm (0.10 in)
3
2
1
Page 149 of 384

FRENO ANTERIORE
4-19
EWA13550
AVVERTENZA
• Coprire il pistoncino della pinza del freno
con un panno. Fare attenzione a non subi-
re infortuni quando il pistone viene espul-
so dalla pinza del freno.
• Non utilizzare un cacciavite o simili per la
rimozione del pistoncino della pinza freno.
b. Rimuovere le guarnizioni parapolvere e del
pistoncino della pinza freno.
▲▲▲▲▲▲▲▲▲▲▲▲▲▲▲▲▲▲▲▲▲▲▲▲▲▲▲▲▲▲▲▲
HAS1SM5141CONTROLLO DELLA PINZA FRENO ANTE-
RIORE
1. Controllare:
• Pistoncino della pinza freno “1”
Ruggine/graffi/usura Sostituire il pistonci-
no della pinza del freno.
• Cilindretto pinza freno “2”
Graffi/usura Sostituire il gruppo della
pinza del freno.
• Corpo pinza freno “3”
Incrinature/danni Sostituire il gruppo della
pinza freno.
• Passaggi di mandata liquido freni
(corpo pinza freno)
Ostruzione Pulire soffiando aria compres-
sa.
EWA13600
AVVERTENZA
Quando la pinza del freno è smontata, sos-
tituire la guarnizione parapolvere e la
guarnizione del pistoncino della pinza fre-
no.2. Controllare:
• Supporto pinza freno
Incrinatura/danni Sostituire.
HAS1SM5142MONTAGGIO DELLA PINZA FRENO ANTE-
RIORE
EWA13620
AVVERTENZA
• Prima dell’installazione, pulire e lubrifi-
care le parti interne. Utilizzare solo liquido
dei freni nuovo per la pulizia e la lubrifica-
zione.
• Non utilizzare mai solventi nei componenti
interni dei freni poiché causano rigonfia-
menti e deformazioni delle guarnizioni dei
pistoni.
• Quando la pinza del freno è smontata, sos-
tituire la guarnizione parapolvere e la
guarnizione del pistoncino della pinza fre-
no.
HAS1SM5143INSTALLAZIONE DEL PISTONCINO DELLA
PINZA FRENO
1. Pulire:
• Pinza freno
• Guarnizione pistoncino della pinza freno
• Guarnizione parapolvere pistoncino della
pinza freno
• Pistoncino della pinza freno
Utilizzare liquido dei freni per la pulizia.
2. Installare:
• Guarnizioni pistoncino pinza freno “1”
• Guarnizione parapolvere pistoncino della
pinza freno “2”
EWA33DD033
AVVERTENZA
Utilizzare sempre guarnizioni parapolvere e
del pistoncino della pinza freno nuove.
NOTA
• Applicare il grasso siliconico sulla guarnizione
pistoncino pinza freno e sulla guarnizione
parapolvere pistoncino pinza freno.
• Inserire correttamente le guarnizioni parapol-
vere e del pistoncino della pinza freno nelle
scanalature della pinza del freno.
2
113
Liquido dei freni consigliato
DOT 4
New
New
Page 150 of 384

FRENO ANTERIORE
4-20
3. Installare:
• Pistoncino della pinza freno “1”
NOTA
Applicare il liquido freni sulla superficie esterna
del pistone.
ECA33DD047
ATTENZIONE
• Installare il pistoncino con lato “a” rivolto
verso la pinza del freno.
• Non forzare mai per inserire.
HAS1SM5144INSTALLAZIONE DELLA PINZA FRENO AN-
TERIORE
1. Installare:
• Supporto pinza freno anteriore
• Pinza freno anteriore
(temporaneamente)
• Rondelle in rame
• Tubo del freno
• Bullone di giunzione
EWA13530
AVVERTENZA
È essenziale posizionare correttamente il
tubo del freno per garantire il funzionamen-
to in tutta sicurezza del veicolo. Fare riferi-
mento a “PERCORSO DEI CAVI” a pagina 2-
33.
ECA14170
ATTENZIONE
Assicurarsi che la parte del tubo “a” del
tubo del freno tocchi la sporgenza “b” sulla
pinza del freno.
2. Installare:
• Pinza freno anteriore
• Molla pastiglia freno
• Pastiglia del freno
• Perno pastiglia freno
• Supporto del tubo flessibile del freno
Fare riferimento a “CONTROLLO DELLE
PASTIGLIE DEL FRENO ANTERIORE” a
pagina 3-27.
3. Serrare:
• Bullone di montaggio del supporto del tubo
flessibile del freno “1”
NOTA
Assicurarsi che il supporto del tubo flessibile
del freno “2” sia installato con la sua estremità
superiore “a” allineata con il segno verniciato
“b” sul tubo flessibile dell'impianto dei freni.
Supporto pinza freno anteriore
28 Nm (2.8 m·kgf, 20 ft·lbf)
Bullone di giunzione tubo del fre-
no
30 Nm (3.0 m·kgf, 22 ft·lbf)
1
1
22
1
a
1
New
T R..
Perno pastiglia freno
17 Nm (1.7 m·kgf, 12 ft·lbf)
Bullone di montaggio del sup-
porto del tubo flessibile del freno
9 Nm (0.9 m·kgf, 6.5 ft·lbf)
a
b
T R..
T R..
2
1 b
a