8W-50 FRONT LIGHTING
Component Page
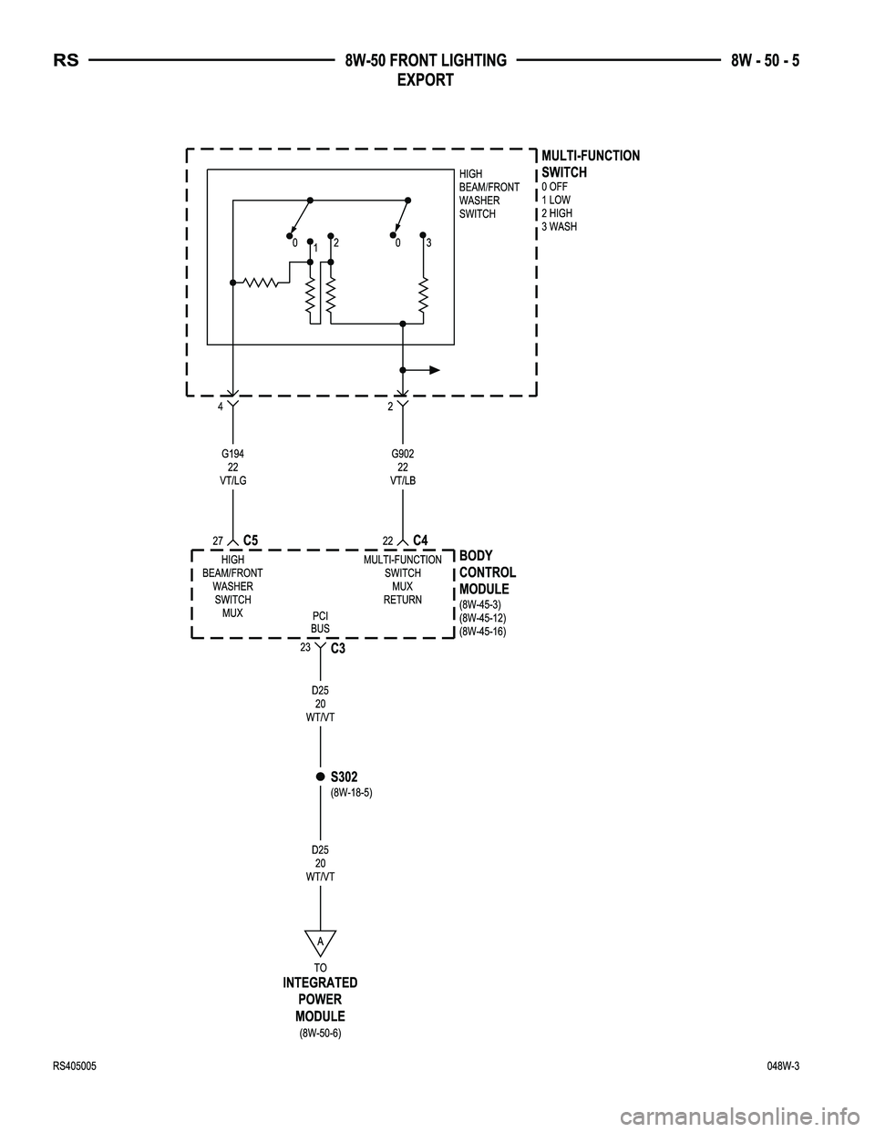
Body Control Module............. 8W-50-2, 4, 5
Front Control Module.... 8W-50-3, 4, 6, 7, 8, 9, 10
Front Fog Lamp Relay............... 8W-50-10
Fuse 1............................ 8W-50-10
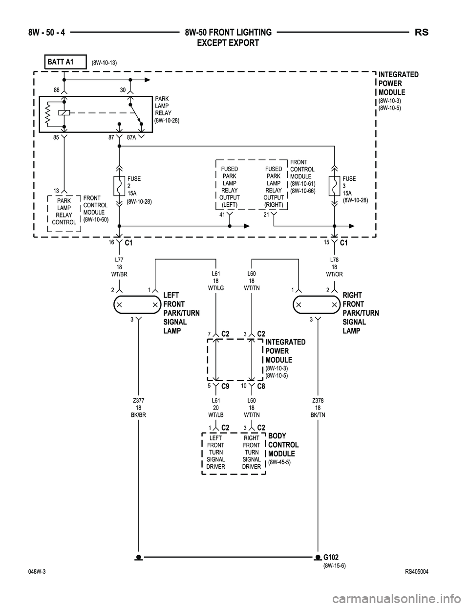
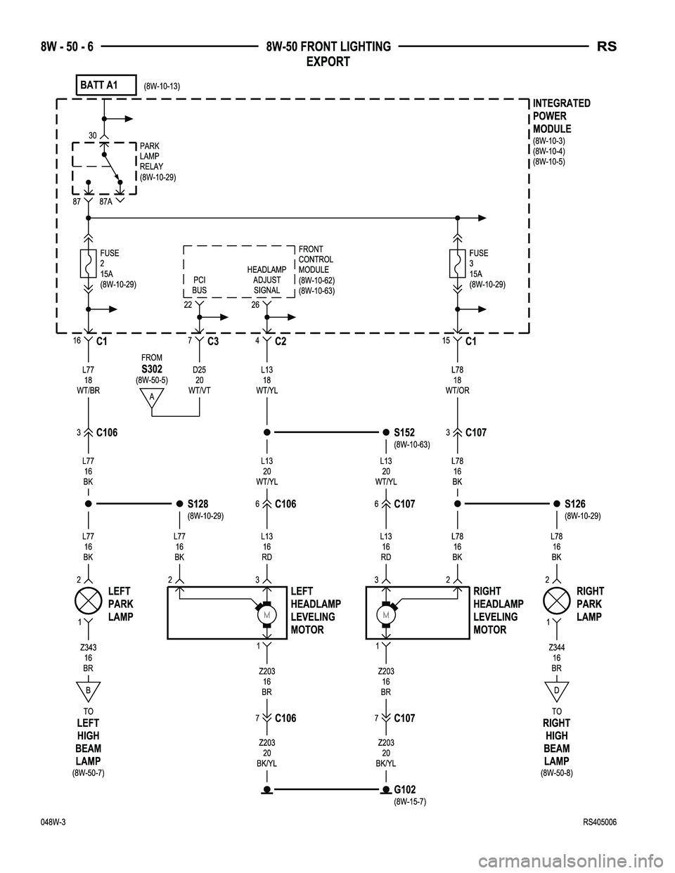
Fuse 2.......................... 8W-50-4, 6
Fuse 3.......................... 8W-50-4, 6
G102......................... 8W-50-4, 6, 10
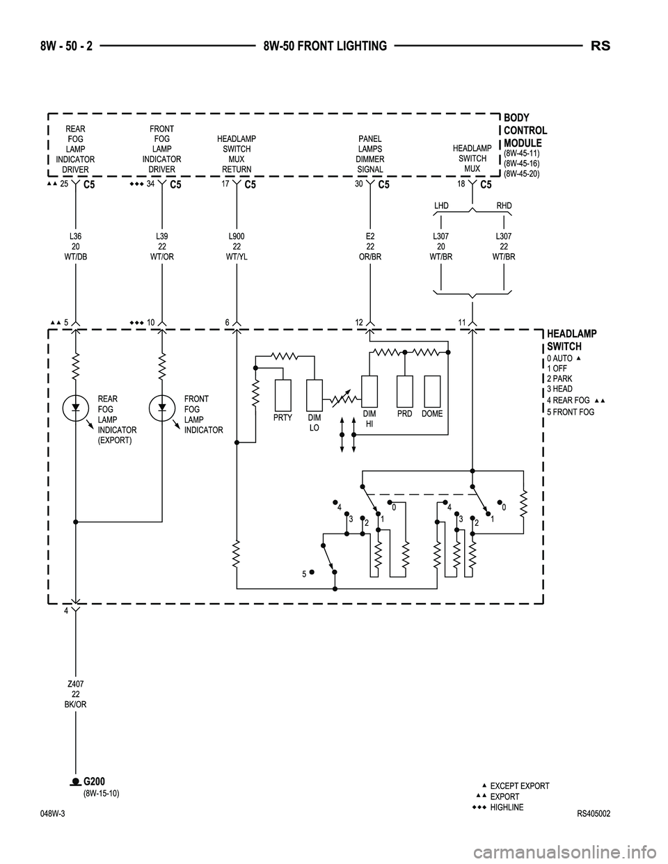
G200............................ 8W-50-2, 9
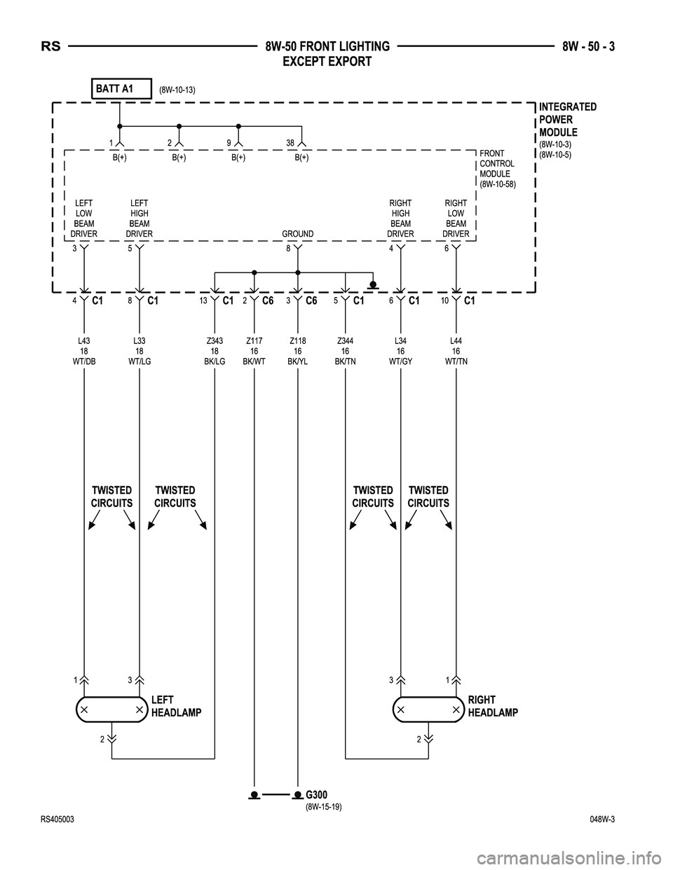
G300.............................. 8W-50-3
Headlamp Switch.................. 8W-50-2, 9
Integrated Power
Module........... 8W-50-3, 4, 5, 6, 7, 8, 9, 10
Left Fog Lamp..................... 8W-50-10
Left Front Park/Turn Signal Lamp....... 8W-50-4Component Page
Left Headlamp...................... 8W-50-3
Left Headlamp Leveling Motor........ 8W-50-6, 9
Left High Beam Lamp.............. 8W-50-6, 7
Left Low Beam Lamp................. 8W-50-7
Left Park Lamp................... 8W-50-6, 7
Multi-Function Switch................ 8W-50-5
Park Lamp Relay.................. 8W-50-4, 6
Right Fog Lamp.................... 8W-50-10
Right Front Park/Turn Signal Lamp..... 8W-50-4
Right Headlamp..................... 8W-50-3
Right Headlamp Leveling Motor...... 8W-50-6, 9
Right High Beam Lamp............. 8W-50-6, 8
Right Low Beam Lamp................ 8W-50-8
Right Park Lamp.................. 8W-50-6, 8
RS8W-50 FRONT LIGHTING8W-50-1