DODGE TOWN AND COUNTRY 2004 Service Manual

DODGE TOWN AND COUNTRY 2004 Service Manual TOWN AND COUNTRY 2004 DODGE DODGE https://www.carmanualsonline.info/img/12/56919/w960_56919-0.png DODGE TOWN AND COUNTRY 2004 Service Manual
Trending: automatic transmission, service reset, wheel torque, change wheel, alternator, instrument cluster, airbag disable

Page 1021 of 2585

DODGE TOWN AND COUNTRY 2004  Service Manual

Page 1022 of 2585

DODGE TOWN AND COUNTRY 2004  Service Manual

Page 1023 of 2585

DODGE TOWN AND COUNTRY 2004  Service Manual

Page 1024 of 2585

DODGE TOWN AND COUNTRY 2004  Service Manual

Page 1025 of 2585

DODGE TOWN AND COUNTRY 2004  Service Manual

Page 1026 of 2585

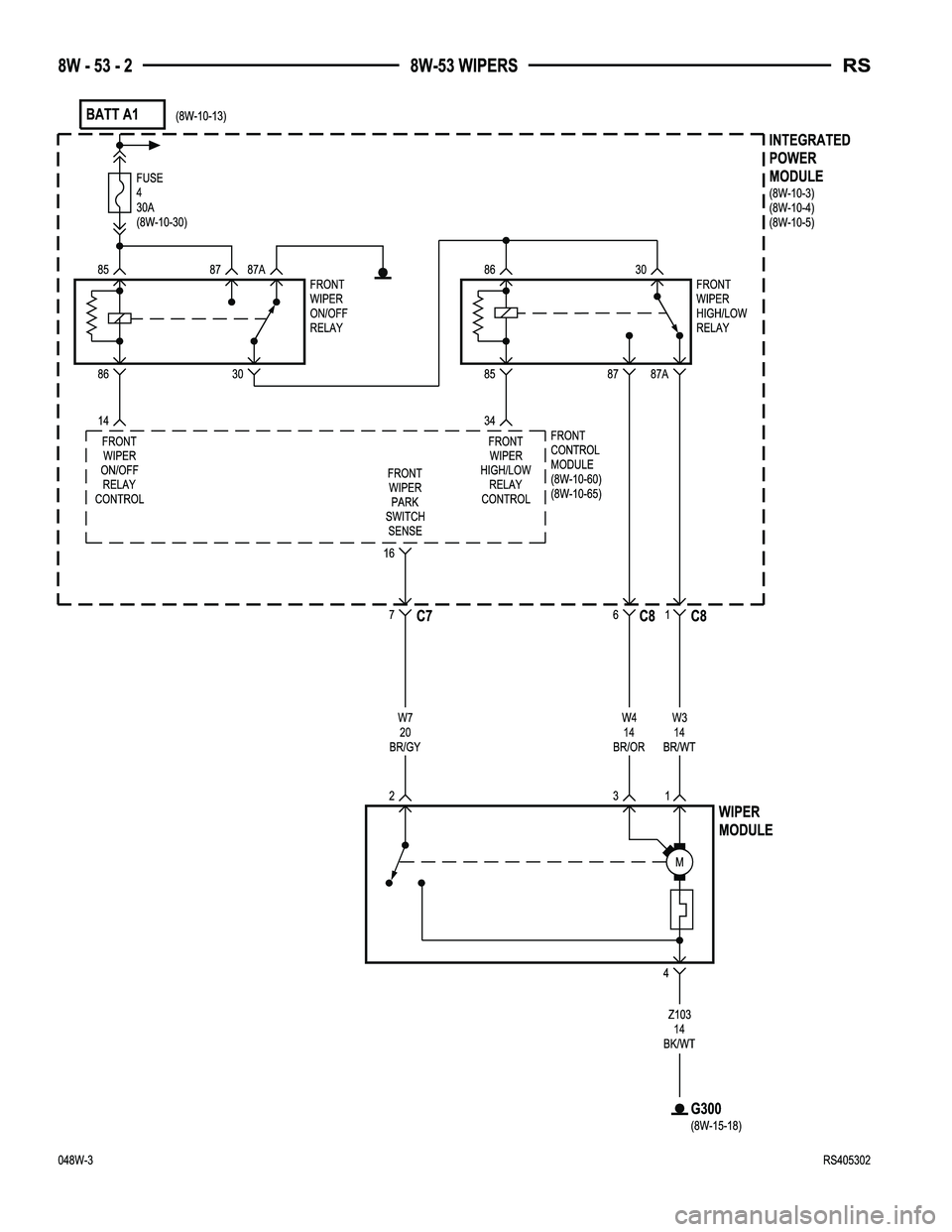
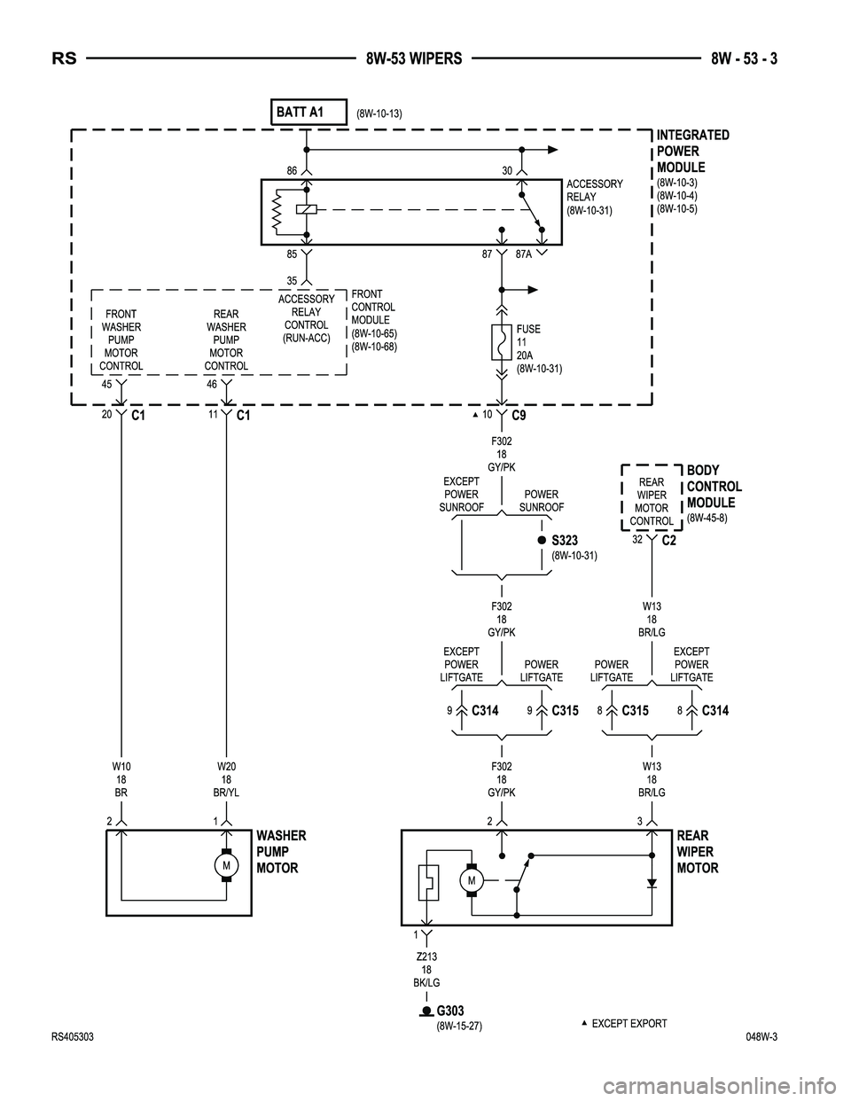
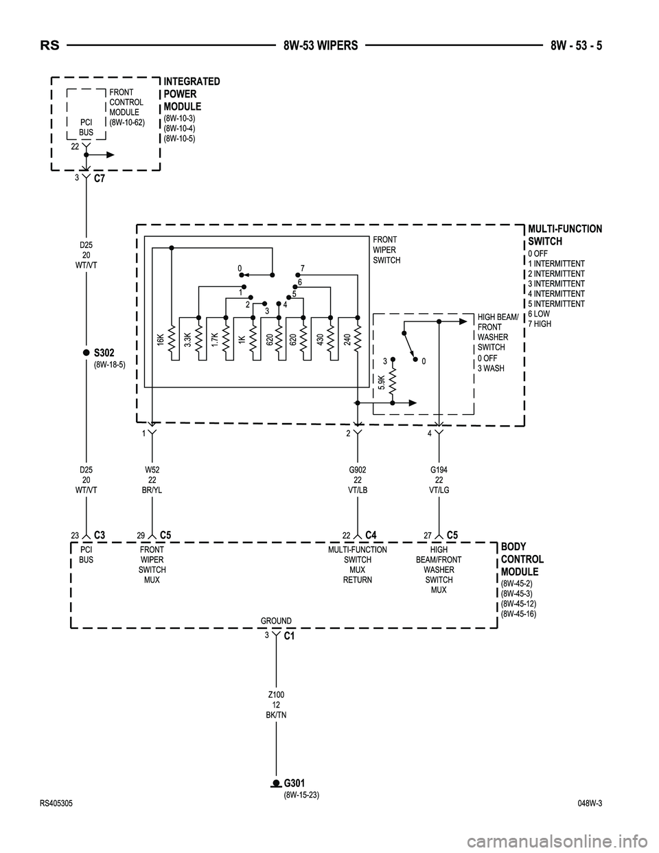
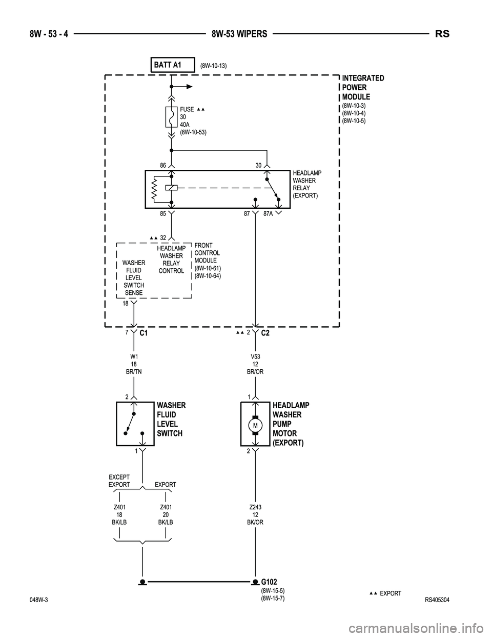
DODGE TOWN AND COUNTRY 2004  Service Manual 8W-53 WIPERS
Component Page
A/C-Heater Control................... 8W-53-7
Accessory Relay..................... 8W-53-3
Body Control Module........... 8W-53-3, 5, 6, 7
Front Control Module........... 8

Page 1027 of 2585

DODGE TOWN AND COUNTRY 2004  Service Manual

Page 1028 of 2585

DODGE TOWN AND COUNTRY 2004  Service Manual

Page 1029 of 2585

DODGE TOWN AND COUNTRY 2004  Service Manual

Page 1030 of 2585

DODGE TOWN AND COUNTRY 2004  Service Manual
Trending: lights, oil, compression ratio, oil additives, oil type, turn signal, oil viscosity