DODGE TOWN AND COUNTRY 2004 Service Manual

DODGE TOWN AND COUNTRY 2004 Service Manual TOWN AND COUNTRY 2004 DODGE DODGE https://www.carmanualsonline.info/img/12/56919/w960_56919-0.png DODGE TOWN AND COUNTRY 2004 Service Manual
Trending: oil temperature, clock reset, coolant temperature, wipers, brake pads replacement, parking sensors, check engine light

Page 1031 of 2585

DODGE TOWN AND COUNTRY 2004  Service Manual

Page 1032 of 2585

DODGE TOWN AND COUNTRY 2004  Service Manual

Page 1033 of 2585

DODGE TOWN AND COUNTRY 2004  Service Manual

Page 1034 of 2585

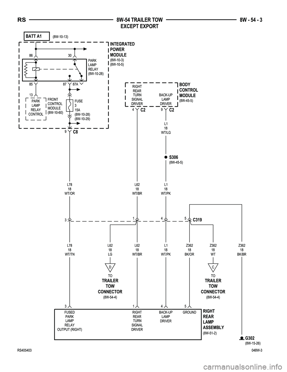
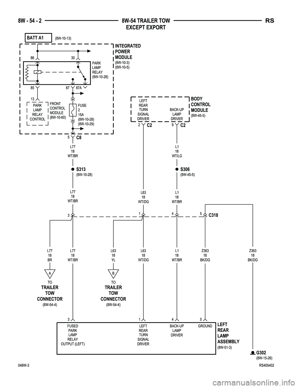
DODGE TOWN AND COUNTRY 2004  Service Manual 8W-54 TRAILER TOW
Component Page
Body Control Module............... 8W-54-2, 3
Front Control Module............... 8W-54-2, 3
Fuse 2............................ 8W-54-2
Fuse 3.........................

Page 1035 of 2585

DODGE TOWN AND COUNTRY 2004  Service Manual

Page 1036 of 2585

DODGE TOWN AND COUNTRY 2004  Service Manual

Page 1037 of 2585

DODGE TOWN AND COUNTRY 2004  Service Manual

Page 1038 of 2585

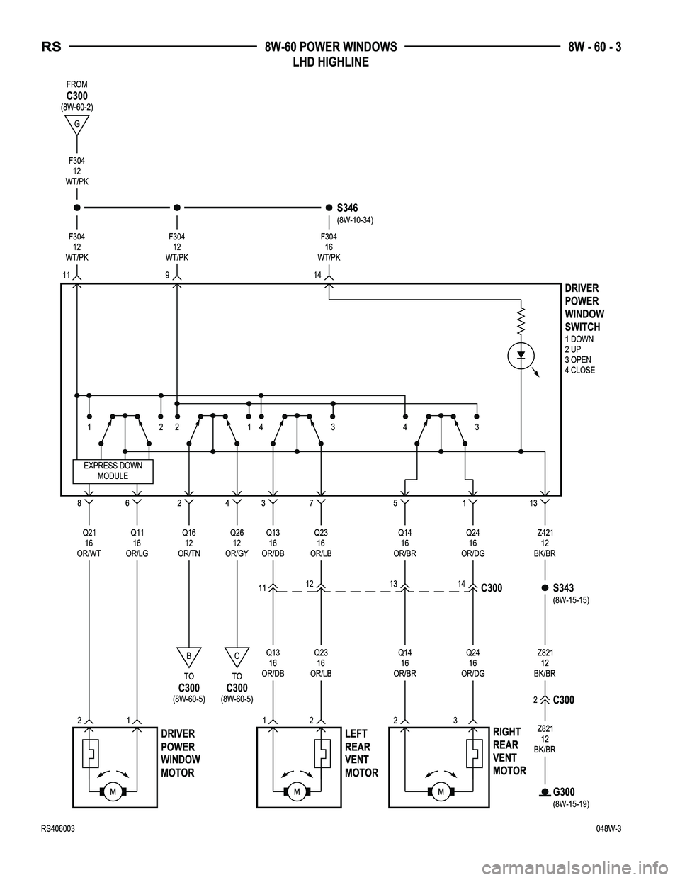
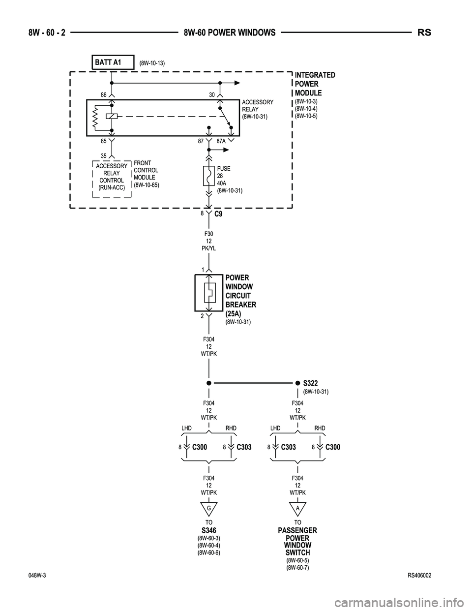
DODGE TOWN AND COUNTRY 2004  Service Manual 8W-60 POWER WINDOWS
Component Page
Accessory Relay..................... 8W-60-2
Driver Power Window Motor....... 8W-60-3, 4, 6
Driver Power Window Switch . . . 8W-60-3, 4, 5, 6, 7
Front Control Module

Page 1039 of 2585

DODGE TOWN AND COUNTRY 2004  Service Manual

Page 1040 of 2585

DODGE TOWN AND COUNTRY 2004  Service Manual
Trending: remote start, instrument cluster, traction control, tire type, diagnostic menu, transmission, climate control