8W-51 REAR LIGHTING
Component Page
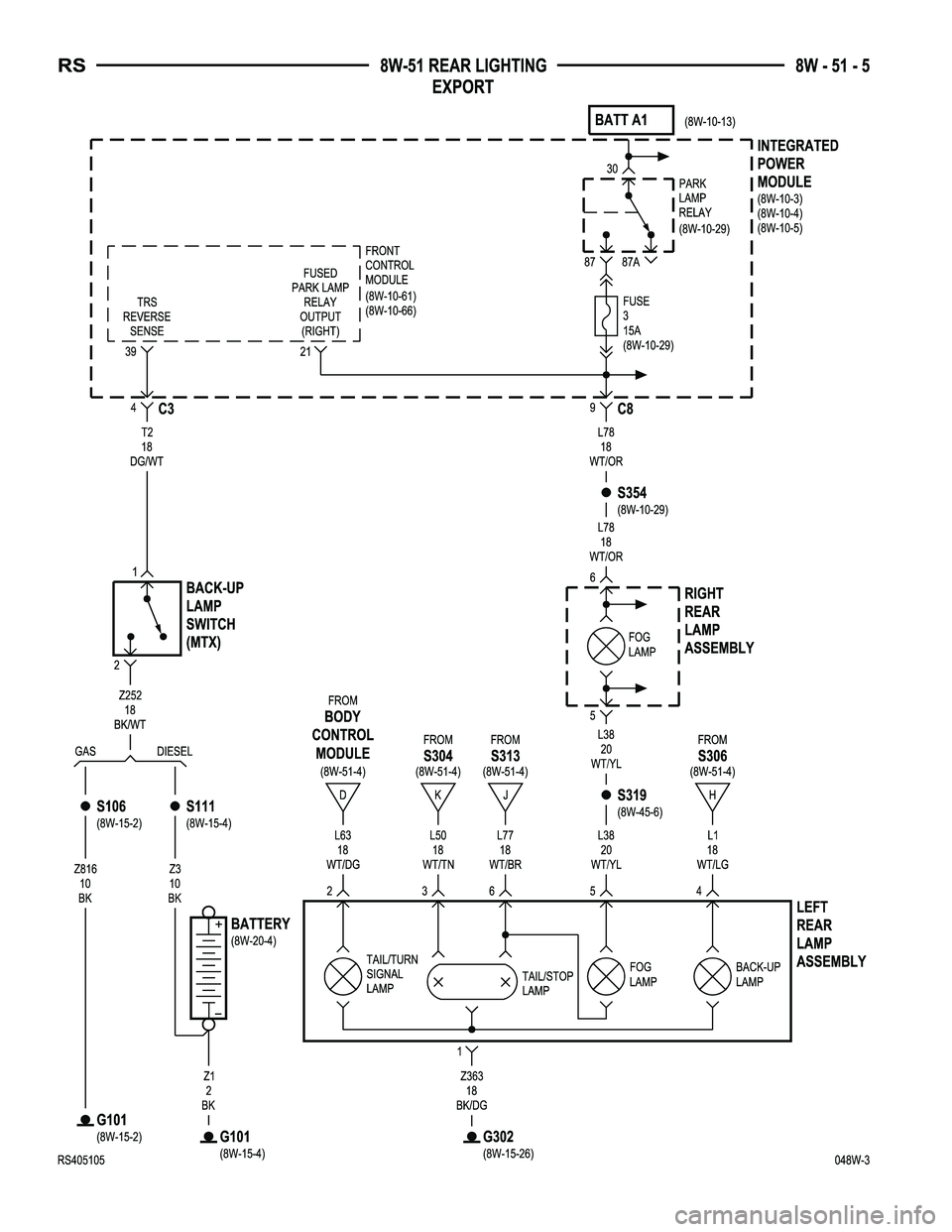
Back-Up Lamp Switch................ 8W-51-5
Battery............................ 8W-51-5
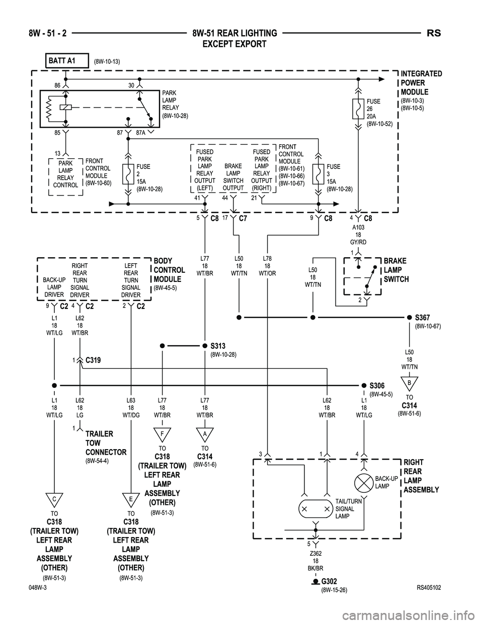
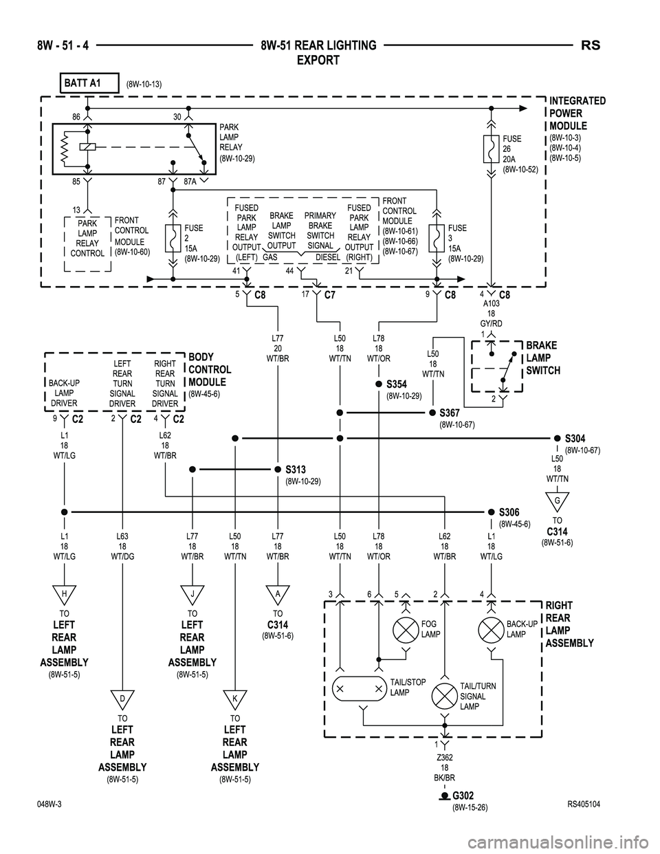
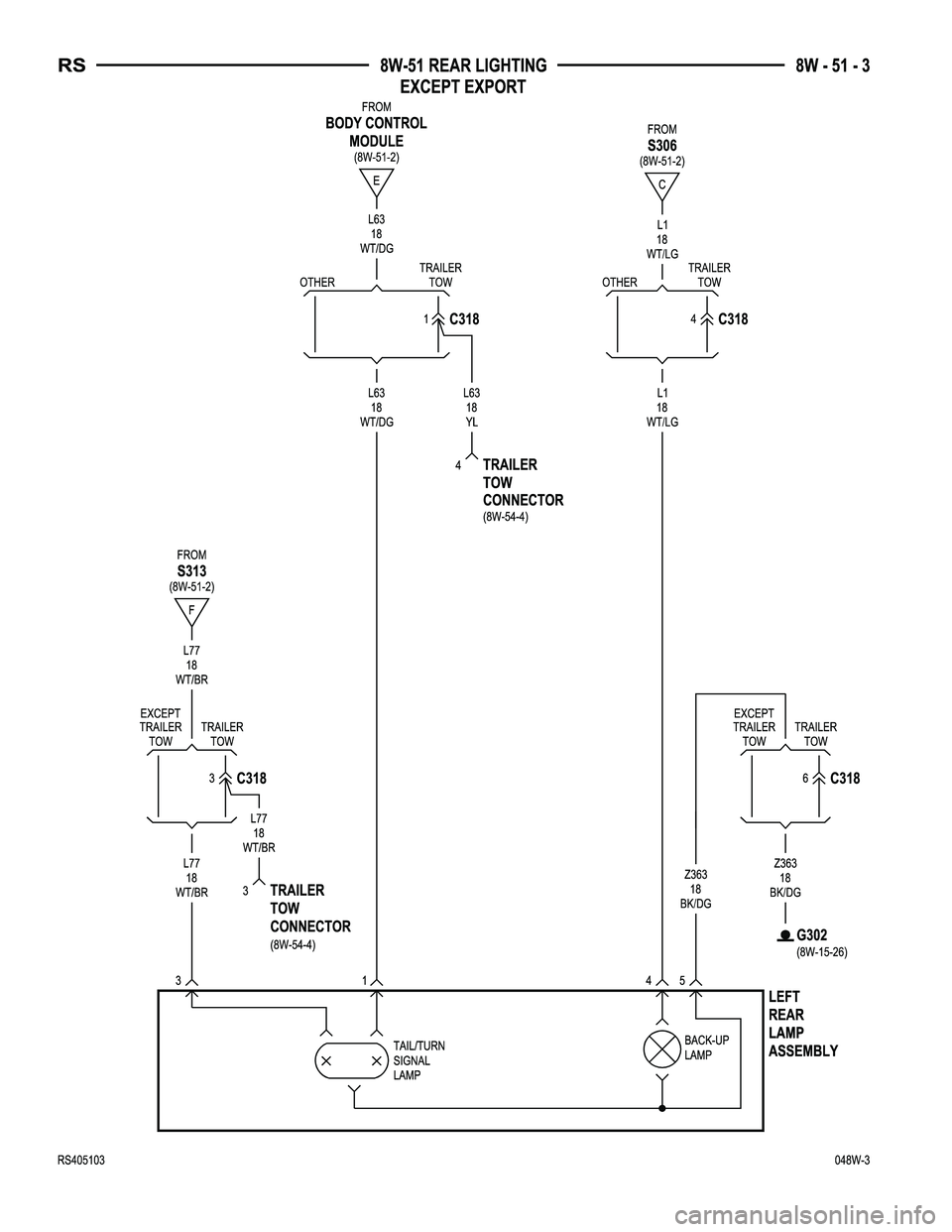
Body Control Module........... 8W-51-2, 3, 4, 5
Brake Lamp Switch................ 8W-51-2, 4
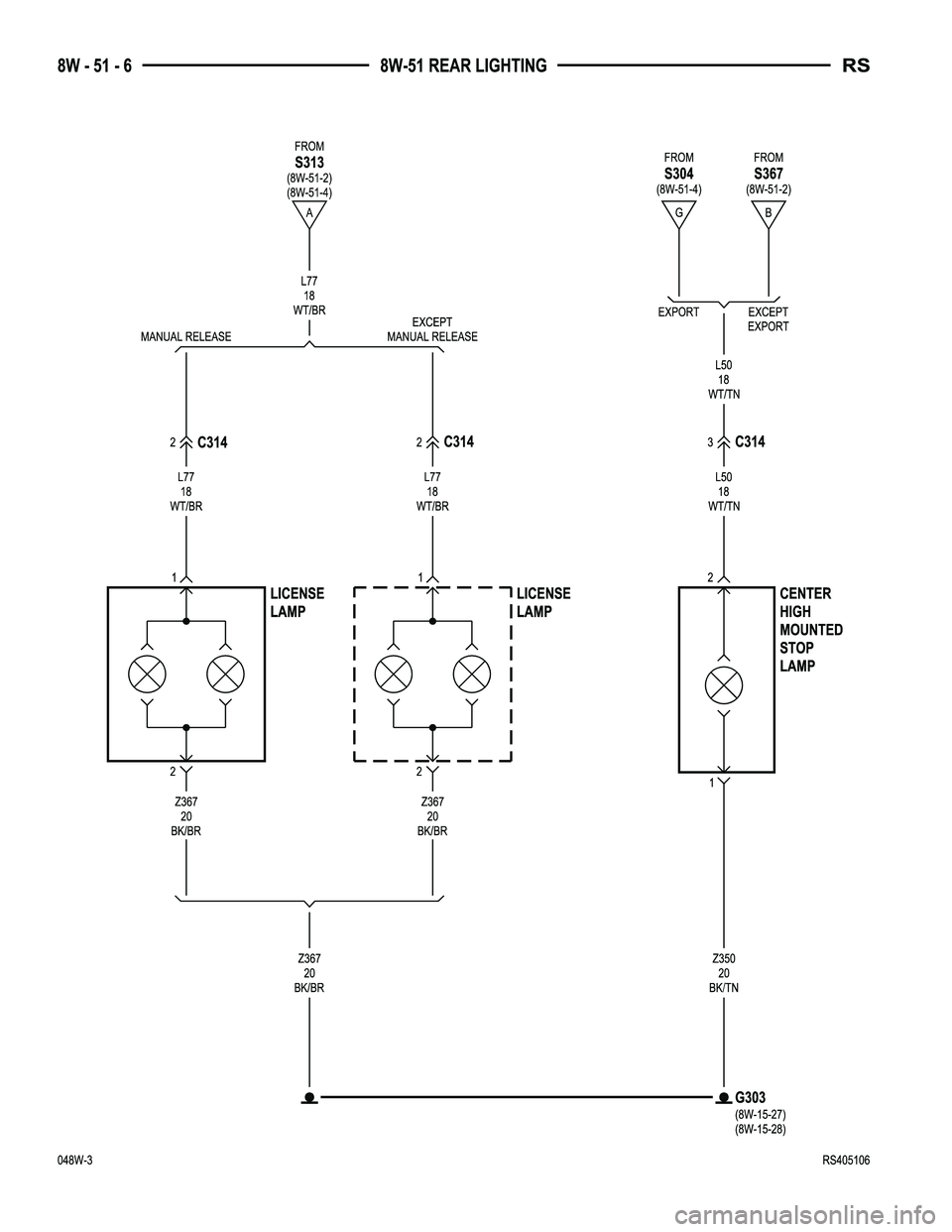
Center High Mounted Stop Lamp....... 8W-51-6
Front Control Module............. 8W-51-2, 4, 5
Fuse 2.......................... 8W-51-2, 4
Fuse 3......................... 8W-51-2, 4, 5
Fuse 26.......................... 8W-51-2, 4
G101.............................. 8W-51-5Component Page
G302........................ 8W-51-2, 3, 4, 5
G303.............................. 8W-51-6
Integrated Power Module.......... 8W-51-2, 4, 5
Left Rear Lamp Assembly........ 8W-51-2, 3, 4, 5
License Lamp....................... 8W-51-6
Park Lamp Relay................ 8W-51-2, 4, 5
Right Rear Lamp Assembly........ 8W-51-2, 4, 5
Trailer Tow Connector.............. 8W-51-2, 3
RS8W-51 REAR LIGHTING8W-51-1
8W-52 TURN SIGNALS
Component Page
Body Control Module........... 8W-52-2, 3, 4, 5
Fuse 24............................ 8W-52-5
G102.............................. 8W-52-2
G200............................ 8W-52-2, 3
G302.............................. 8W-52-4
Instrument Cluster................... 8W-52-5
Instrument Panel Switch Bank....... 8W-52-2, 3
Integrated Power Module.......... 8W-52-2, 3, 5
Left Front Park/Turn Signal Lamp....... 8W-52-2
Left Rear Lamp Assembly............. 8W-52-4Component Page
Left Repeater Lamp.................. 8W-52-5
Left Turn Signal Lamp................ 8W-52-3
Multi-Function Switch.............. 8W-52-2, 3
Right Front Park/Turn Signal Lamp..... 8W-52-2
Right Rear Lamp Assembly............ 8W-52-4
Right Repeater Lamp................. 8W-52-5
Right Turn Signal Lamp............... 8W-52-3
Trailer Tow Connector................ 8W-52-4
RS8W-52 TURN SIGNALS8W-52-1