8W-31 TRANSMISSION CONTROL SYSTEM
Component Page
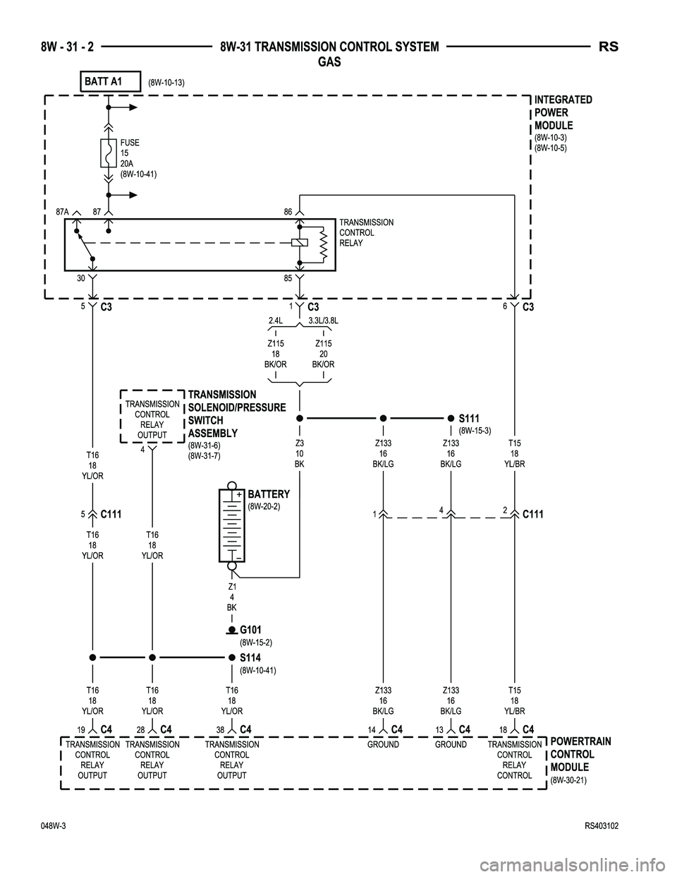
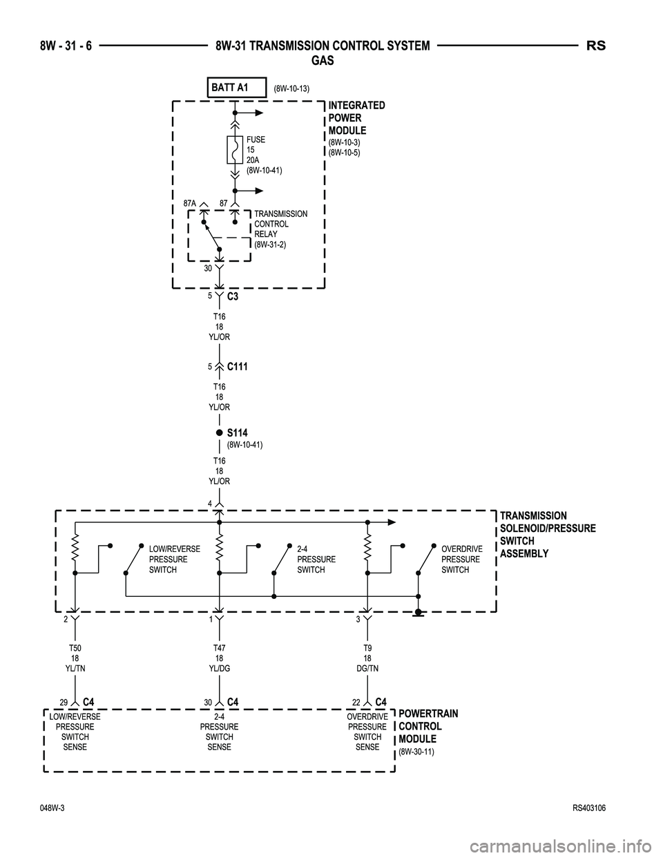
Battery............................ 8W-31-2
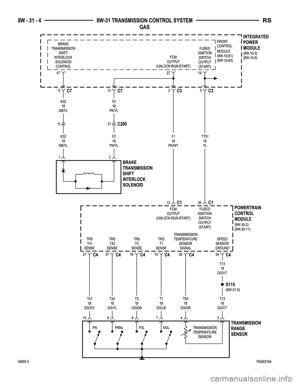
Brake Transmission Shift Interlock
Solenoid......................... 8W-31-4
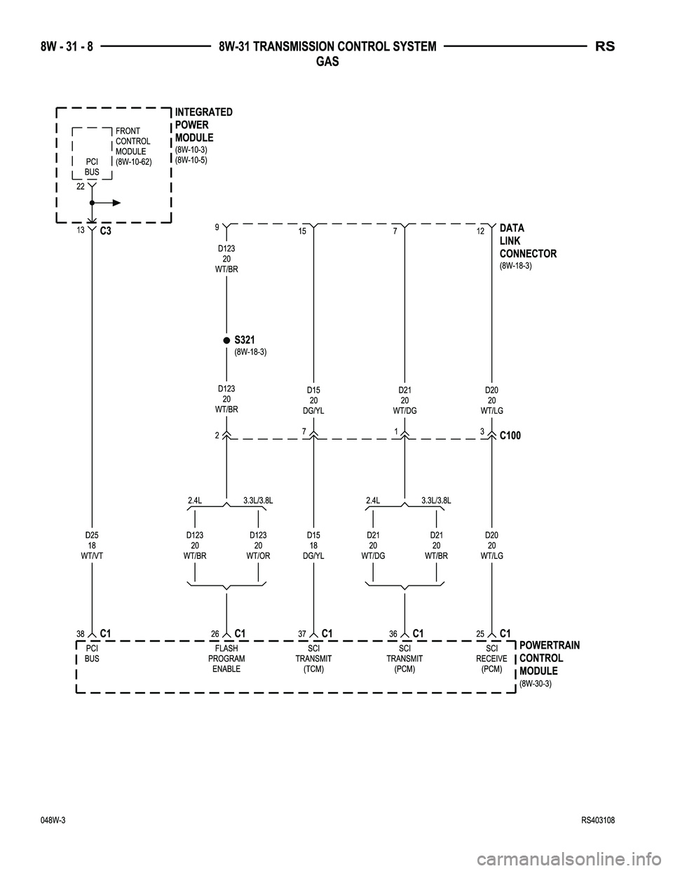
Data Link Connector................. 8W-31-8
Front Control Module............... 8W-31-4, 8
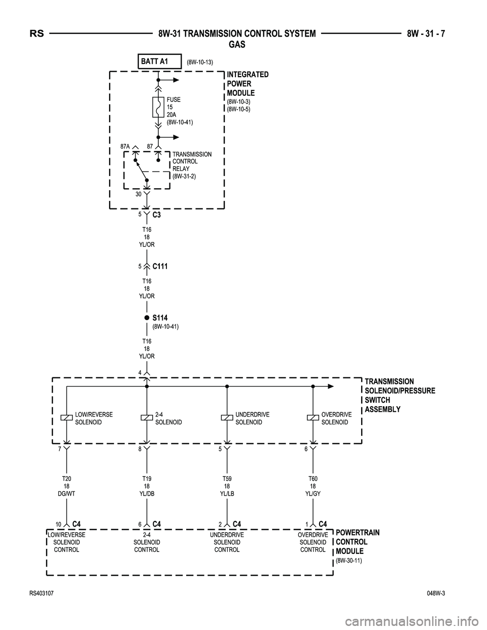
Fuse 15........................ 8W-31-2, 6, 7
G101.............................. 8W-31-2
Ignition Switch...................... 8W-31-3Component Page
Input Speed Sensor.................. 8W-31-5
Integrated Power Module.... 8W-31-2, 3, 4, 6, 7, 8
Output Speed Sensor................. 8W-31-5
Powertrain Control Module . 8W-31-2, 3, 4, 5, 6, 7, 8
Transmission Control Relay........ 8W-31-2, 6, 7
Transmission Range Sensor.......... 8W-31-4, 5
Transmission Solenoid/Pressure Switch
Assembly.................... 8W-31-2, 6, 7
RS8W-31 TRANSMISSION CONTROL SYSTEM8W-31-1
8W-33 VEHICLE SPEED CONTROL
Component Page
Brake Lamp Switch.................. 8W-33-3
Clockspring....................... 8W-33-2, 4
Clutch Pedal Upstop Switch............ 8W-33-4
Engine Control Module................ 8W-33-4
G101.............................. 8W-33-3
G300.............................. 8W-33-4
Input Speed Sensor.................. 8W-33-2Component Page
Left Speed Control Switch........... 8W-33-2, 4
Output Speed Sensor................. 8W-33-2
Powertrain Control Module.......... 8W-33-2, 3
Right Speed Control Switch.......... 8W-33-2, 4
Speed Control Servo.................. 8W-33-3
Vehicle Speed Sensor............... 8W-33-2, 4
RS8W-33 VEHICLE SPEED CONTROL8W-33-1