8W-35 ANTILOCK BRAKES
Component Page
Body Control Module................. 8W-35-2
Brake Lamp Switch.................. 8W-35-3
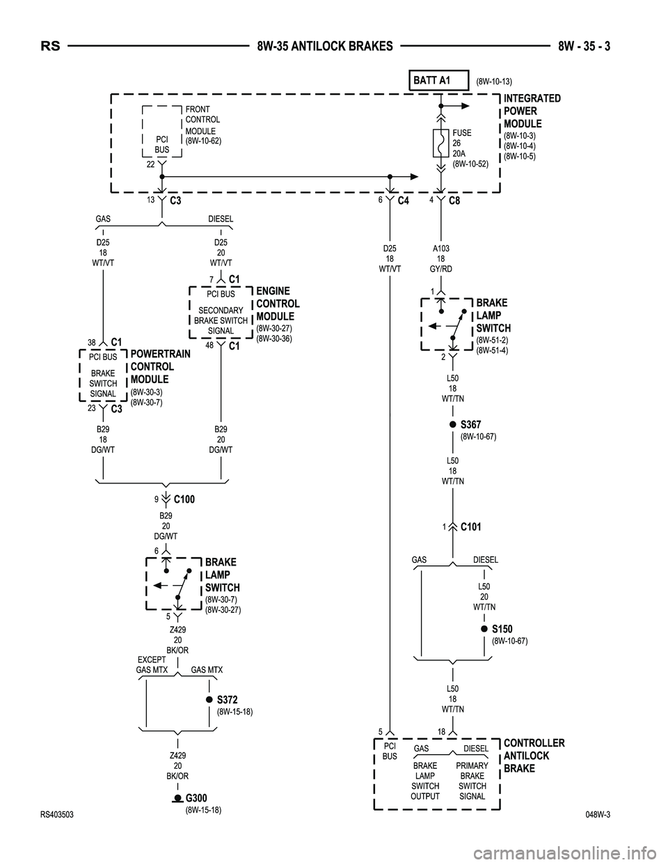
Controller Antilock Brake.......... 8W-35-2, 3, 4
Engine Control Module................ 8W-35-3
Front Control Module................. 8W-35-3
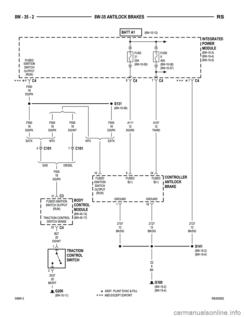
Fuse 9............................ 8W-35-2
Fuse 21............................ 8W-35-2
Fuse 26............................ 8W-35-3
G100.............................. 8W-35-2Component Page
G200.............................. 8W-35-2
G300.............................. 8W-35-3
Integrated Power Module............ 8W-35-2, 3
Left Front Wheel Speed Sensor......... 8W-35-4
Left Rear Wheel Speed Sensor.......... 8W-35-4
Powertrain Control Module............ 8W-35-3
Right Front Wheel Speed Sensor........ 8W-35-4
Right Rear Wheel Speed Sensor......... 8W-35-4
Traction Control Switch............... 8W-35-2
RS8W-35 ANTILOCK BRAKES8W-35-1
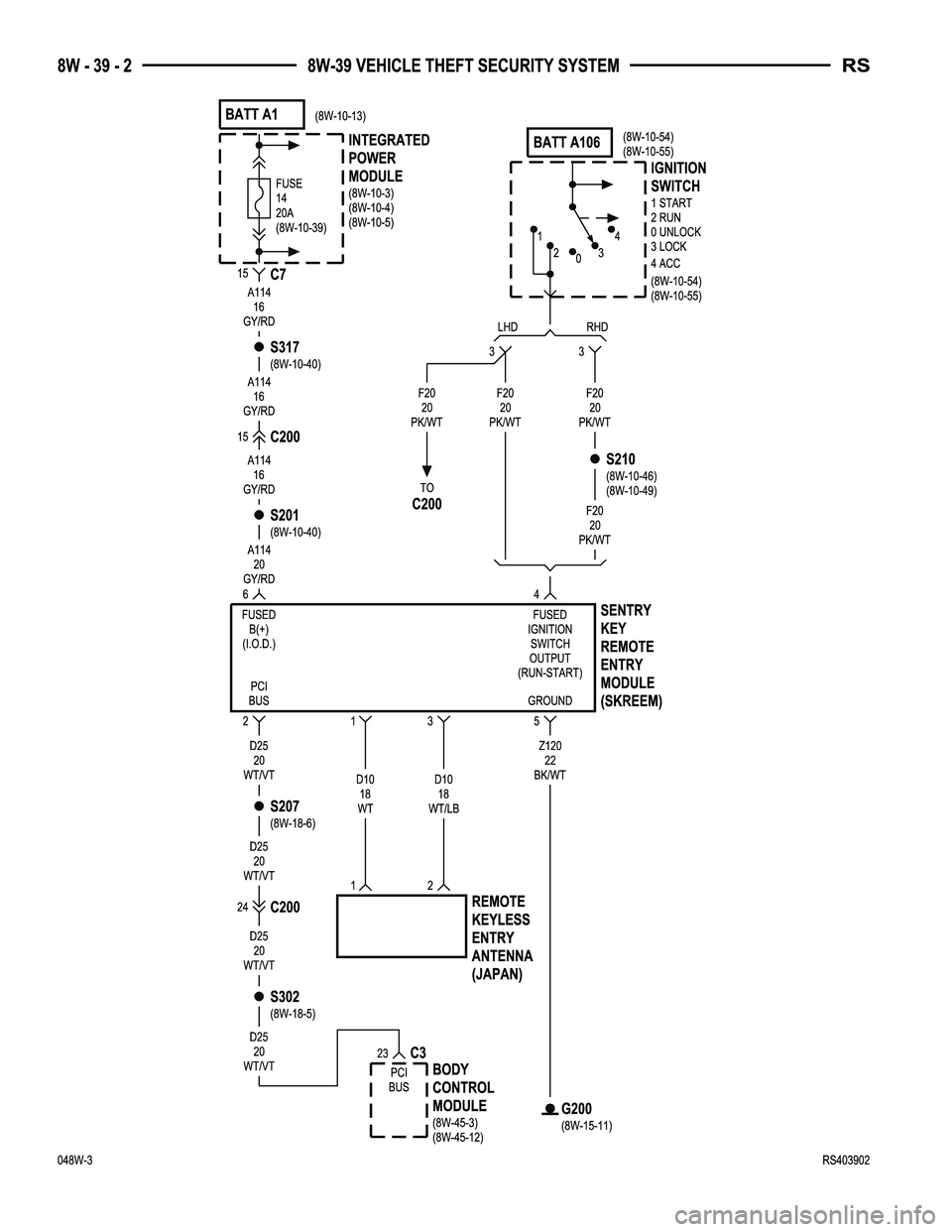
8W-39 VEHICLE THEFT SECURITY SYSTEM
Component Page
Body Control Module........... 8W-39-2, 3, 6, 7,
8, 9, 10, 11, 12, 13
Clockspring........................ 8W-39-5
Driver Door Lock Switch........... 8W-39-11, 12
Front Control Module............... 8W-39-3, 5
Front Intrusion Sensor................ 8W-39-4
Fuse 8............................ 8W-39-5
Fuse 14............................ 8W-39-2
G102.............................. 8W-39-5
G200.......................... 8W-39-2, 3, 5
G300............ 8W-39-6, 7, 8, 9, 10, 11, 12, 13
G301............... 8W-39-6, 7, 8, 9, 10, 11, 12
G302............................. 8W-39-13
G303............................. 8W-39-13
High Note Horn..................... 8W-39-5
Hood Ajar Switch................... 8W-39-13
Horn Relay......................... 8W-39-5
Horn Switch........................ 8W-39-5
Ignition Switch.................... 8W-39-2, 3
Integrated Power Module.......... 8W-39-2, 3, 5
Left Cylinder Lock Switch......... 8W-39-11, 12
Left Front Door Ajar Switch............ 8W-39-6
Left Front Door Lock Motor/Ajar
Switch........................ 8W-39-6, 7
Left Sliding Door Control Module...... 8W-39-8, 9Component Page
Left Sliding Door Latch Sensing Switch . . . 8W-39-8
Left Sliding Door Lock Motor........... 8W-39-9
Left Sliding Door Lock Motor/Ajar
Switch......................... 8W-39-10
Liftgate Ajar Switch................. 8W-39-13
Liftgate Cinch/Release Motor.......... 8W-39-13
Low Note Horn...................... 8W-39-5
Passenger Door Lock Switch........ 8W-39-11, 12
Power Liftgate Module............... 8W-39-13
Rear Intrusion Sensor................ 8W-39-4
Remote Keyless Entry Antenna......... 8W-39-2
Right Cylinder Lock Switch........ 8W-39-11, 12
Right Front Door Ajar Switch........... 8W-39-6
Right Front Door Lock Motor/Ajar
Switch........................ 8W-39-6, 7
Right Sliding Door Control Module.... 8W-39-8, 9
Right Sliding Door Latch Sensing Switch . . 8W-39-8
Right Sliding Door Lock Motor.......... 8W-39-9
Right Sliding Door Lock Motor/Ajar
Switch......................... 8W-39-10
Sentry Key Remote Entry Module....... 8W-39-2
Siren............................. 8W-39-3
Thatcham Alarm Indicator............. 8W-39-4
Thatcham Alarm Module............ 8W-39-3, 4
RS8W-39 VEHICLE THEFT SECURITY SYSTEM8W-39-1