8W-40 INSTRUMENT CLUSTER
Component Page
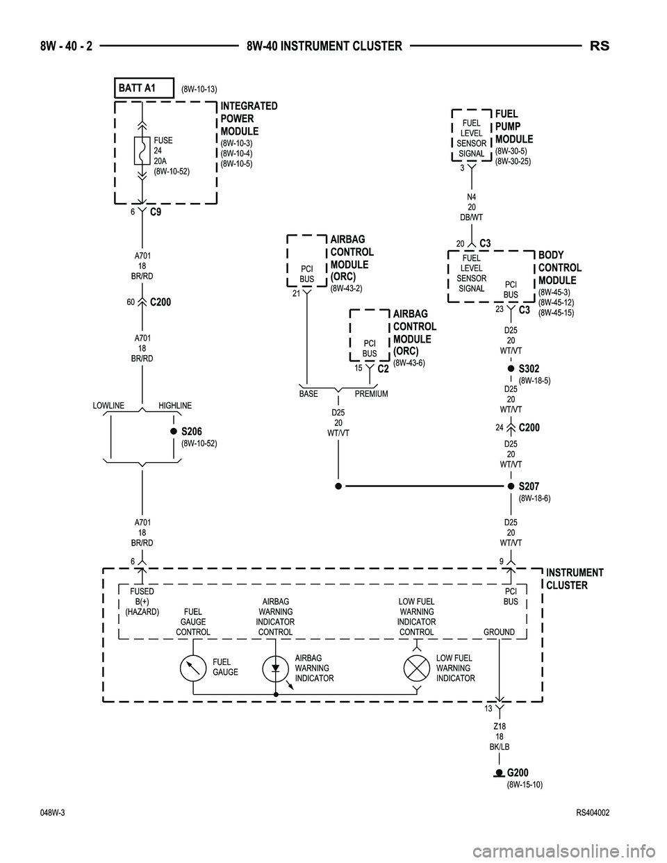
Airbag Control Module................ 8W-40-2
Body Control Module......... 8W-40-2, 3, 4, 5, 6,
7, 8, 9, 11, 12
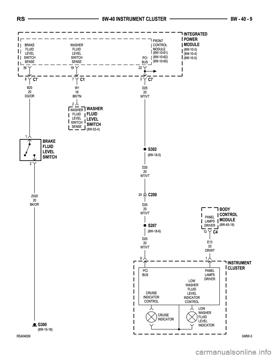
Brake Fluid Level Switch.............. 8W-40-9
Clockspring........................ 8W-40-10
Controller Antilock Brake.......... 8W-40-10, 14
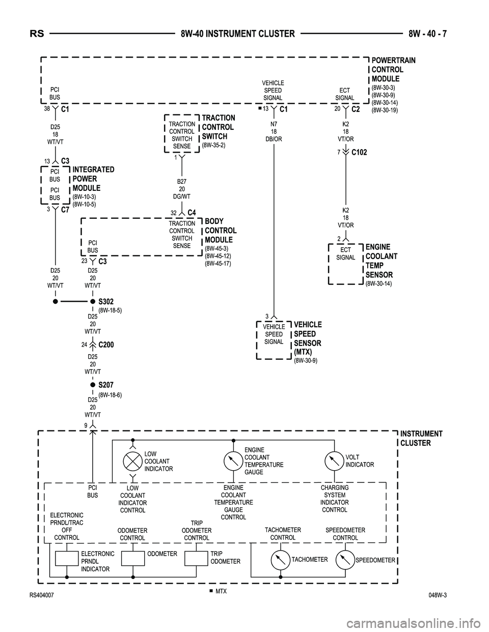
Engine Control Module.......... 8W-40-8, 10, 14
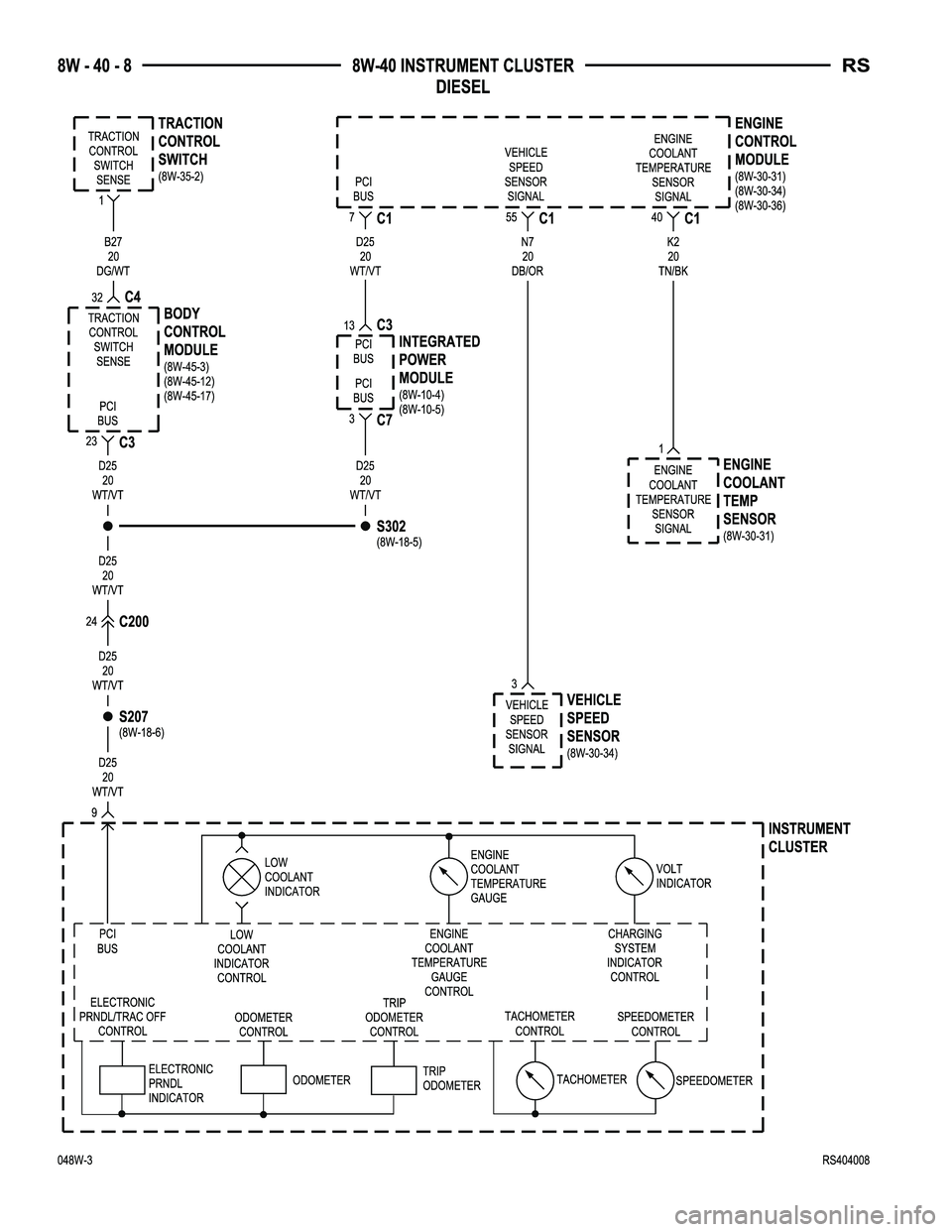
Engine Coolant Temp Sensor......... 8W-40-7, 8
Engine Oil Pressure Sensor........... 8W-40-14
Engine Oil Pressure Switch........... 8W-40-14
Front Control Module........ 8W-40-9, 10, 13, 14
Fuel Pump Module................... 8W-40-2
Fuse 24............................ 8W-40-2
G200..................... 8W-40-2, 11, 12, 13
G300.............................. 8W-40-9
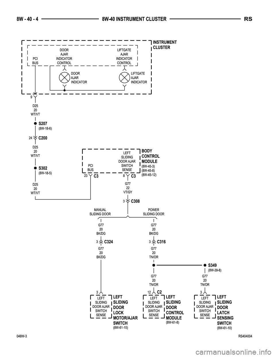
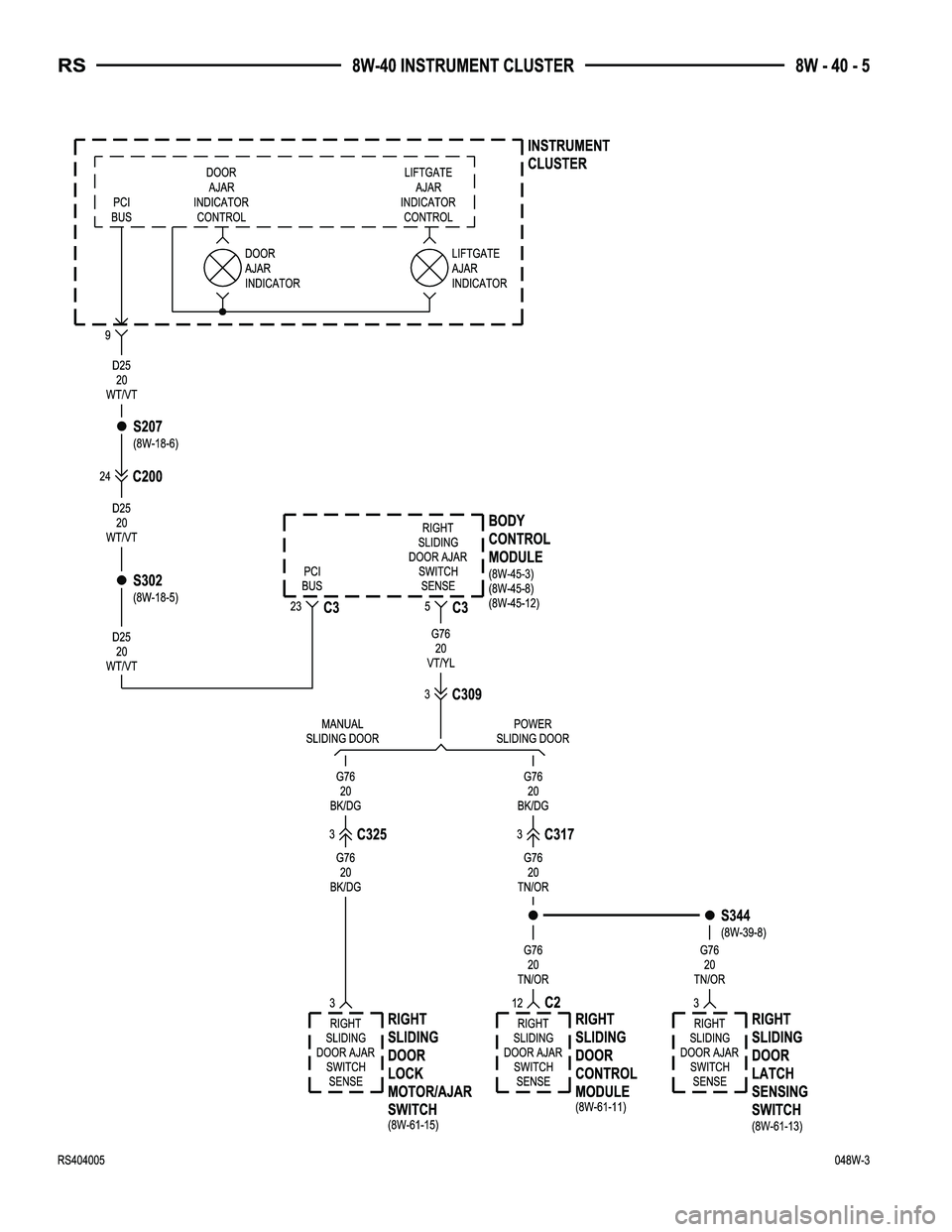
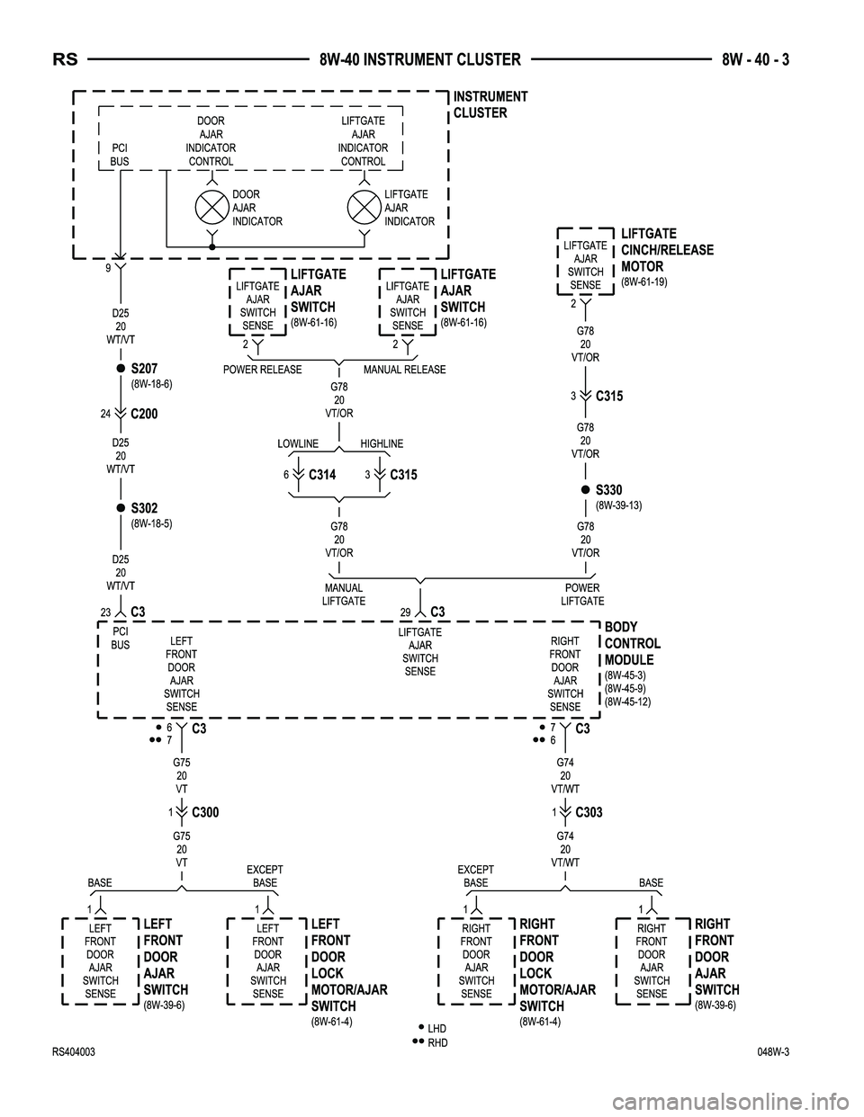
Instrument Cluster........ 8W-40-2, 3, 4, 5, 6, 7,
8, 9, 11, 12, 13
Integrated Power Module........ 8W-40-2, 7, 8, 9,
10, 13, 14
Left Front Door Ajar Switch............ 8W-40-3
Left Front Door Lock Motor/Ajar Switch . . 8W-40-3Component Page
Left Sliding Door Control Module........ 8W-40-4
Left Sliding Door Latch Sensing Switch . . . 8W-40-4
Left Sliding Door Lock Motor/Ajar Switch . 8W-40-4
Left Speed Control Switch............ 8W-40-10
Liftgate Ajar Switch.................. 8W-40-3
Liftgate Cinch/Release Motor........... 8W-40-3
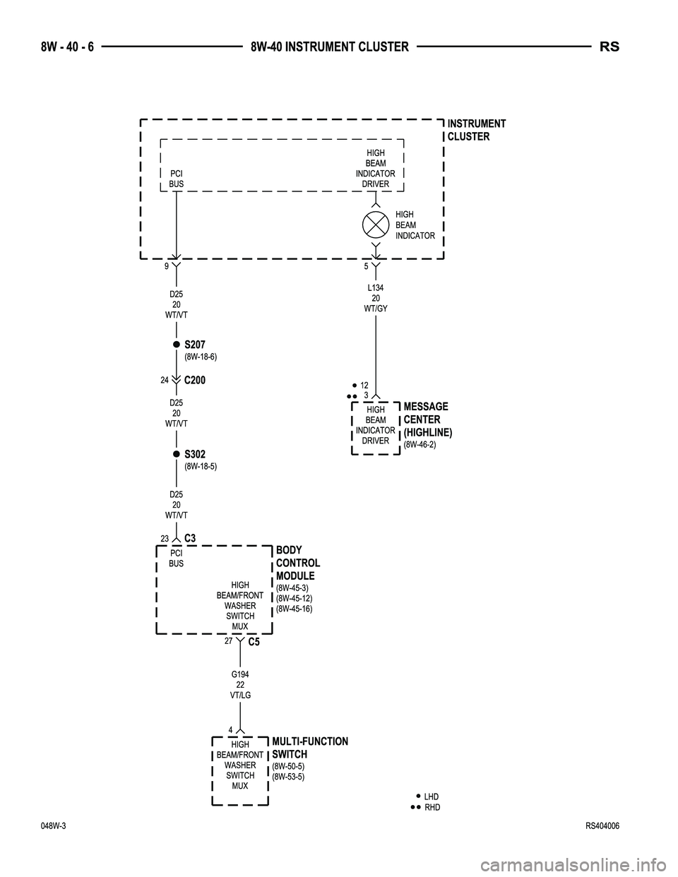
Message Center.................. 8W-40-6, 13
Multi-Function Switch................ 8W-40-6
Parking Brake Switch............. 8W-40-11, 12
Powertrain Control Module....... 8W-40-7, 10, 14
Right Front Door Ajar Switch........... 8W-40-3
Right Front Door Lock Motor/Ajar
Switch.......................... 8W-40-3
Right Sliding Door Control Module...... 8W-40-5
Right Sliding Door Latch Sensing Switch . . 8W-40-5
Right Sliding Door Lock Motor/Ajar
Switch.......................... 8W-40-5
Right Speed Control Switch........... 8W-40-10
Traction Control Switch............. 8W-40-7, 8
Vehicle Speed Sensor............... 8W-40-7, 8
Washer Fluid Level Switch............. 8W-40-9
RS8W-40 INSTRUMENT CLUSTER8W-40-1