INFINITI FX35 2004 Service Manual

INFINITI FX35 2004 Service Manual FX35 2004 INFINITI INFINITI https://www.carmanualsonline.info/img/42/57021/w960_57021-0.png INFINITI FX35 2004 Service Manual
Trending: Cylinder, brake fluid, trunk release, refrigerant type, stop start, key, diagnostic menu

Page 1321 of 4449

INFINITI FX35 2004  Service Manual DI-78
WARNING CHIME
Revision: 2004 November 2004 FX35/FX45
5. CHECK SEAT BELT BUCKLE SWITCH CIRCUIT
1. Disconnect combination meter connector.
2. Check continuity between combination meter harness con

Page 1322 of 4449

INFINITI FX35 2004  Service Manual CLOCK
DI-79
C
D
E
F
G
H
I
J
L
MA
B
DI
Revision: 2004 November 2004 FX35/FX45
CLOCKPFP:25820
Wiring Diagram — CLOCK —AKS0056I
TKWM0699E

Page 1323 of 4449

INFINITI FX35 2004  Service Manual DI-80
CLOCK
Revision: 2004 November 2004 FX35/FX45
Removal and Installation of ClockAKS007G3
REMOVAL
1. Remove instrument clock finisher. Refer to IP-12, "(E) Instru-
ment Clock Finisher" .
2. Remove

Page 1324 of 4449

INFINITI FX35 2004  Service Manual REAR VIEW MONITOR
DI-81
C
D
E
F
G
H
I
J
L
MA
B
DI
Revision: 2004 November 2004 FX35/FX45
REAR VIEW MONITORPFP:28260
System DescriptionAKS0068D
The rear view monitor is equipped to check the rearward

Page 1325 of 4449

INFINITI FX35 2004  Service Manual DI-82
REAR VIEW MONITOR
Revision: 2004 November 2004 FX35/FX45
to the display terminals 15 and 16.
Rear view camera guideline will be projected on the display.
Display shows image from rear view came

Page 1326 of 4449

INFINITI FX35 2004  Service Manual REAR VIEW MONITOR
DI-83
C
D
E
F
G
H
I
J
L
MA
B
DI
Revision: 2004 November 2004 FX35/FX45
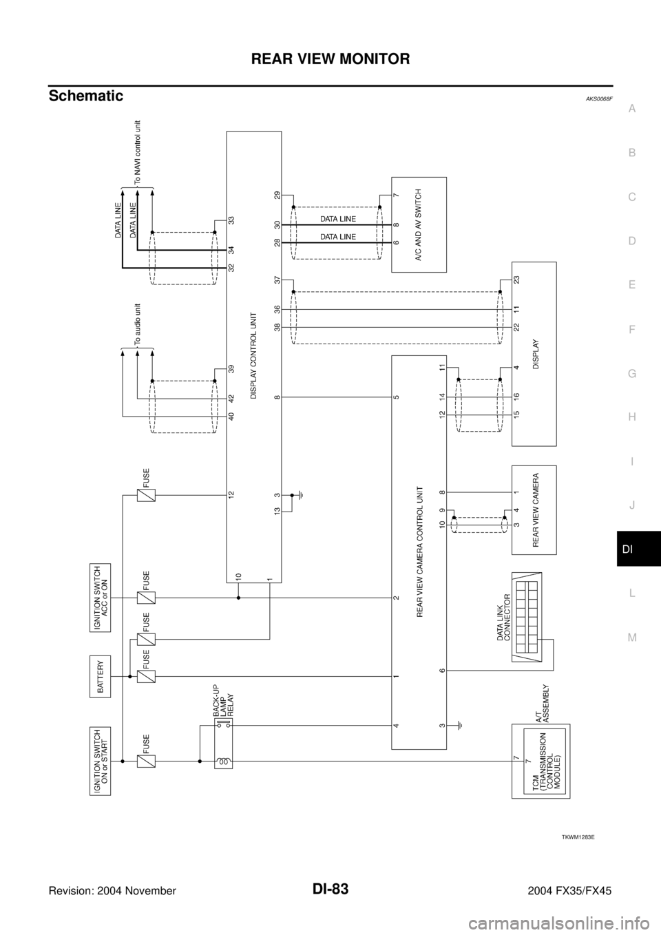
SchematicAKS0068F
TKWM1283E

Page 1327 of 4449

INFINITI FX35 2004  Service Manual DI-84
REAR VIEW MONITOR
Revision: 2004 November 2004 FX35/FX45
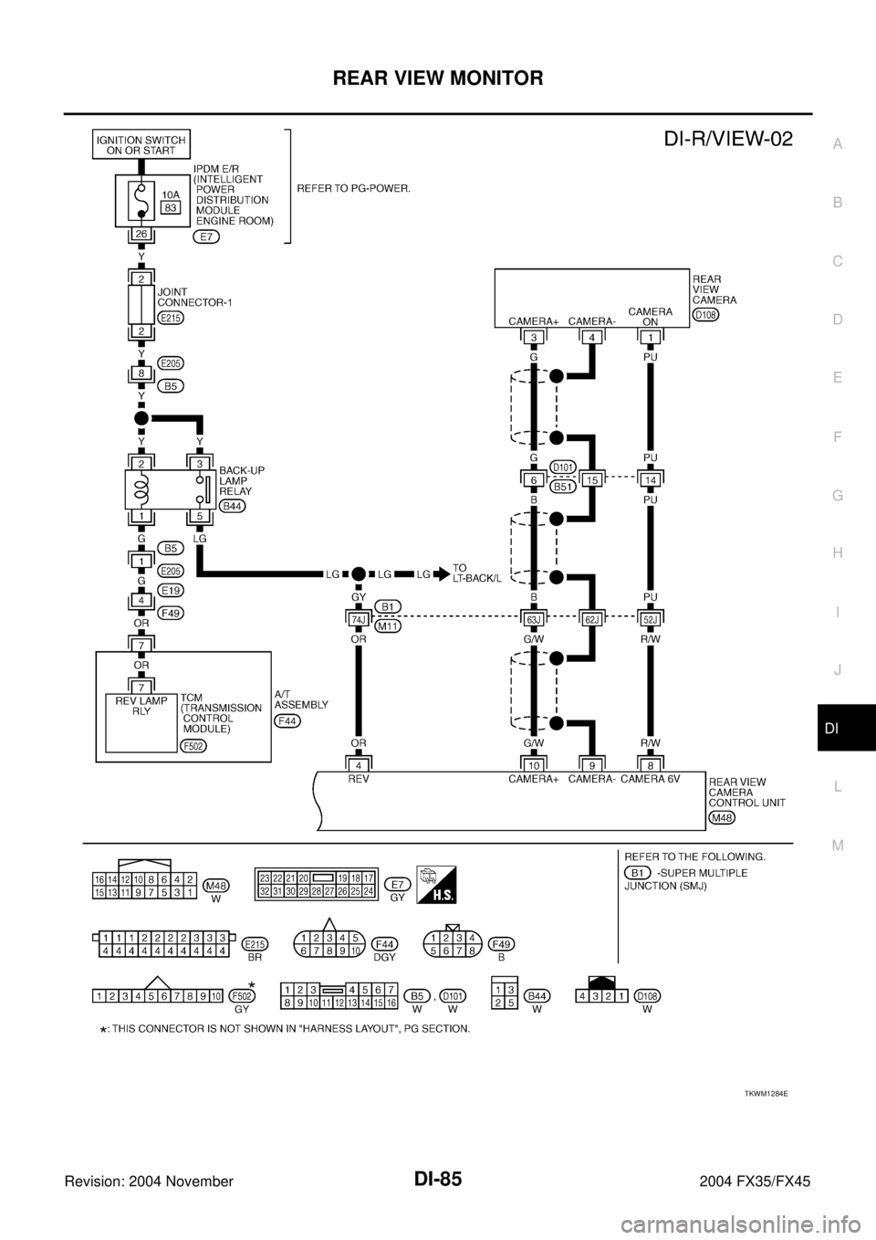
Wiring Diagram — R/VIEW —AKS0068G
TKWM0701E

Page 1328 of 4449

INFINITI FX35 2004  Service Manual REAR VIEW MONITOR
DI-85
C
D
E
F
G
H
I
J
L
MA
B
DI
Revision: 2004 November 2004 FX35/FX45
TKWM1284E

Page 1329 of 4449

INFINITI FX35 2004  Service Manual DI-86
REAR VIEW MONITOR
Revision: 2004 November 2004 FX35/FX45
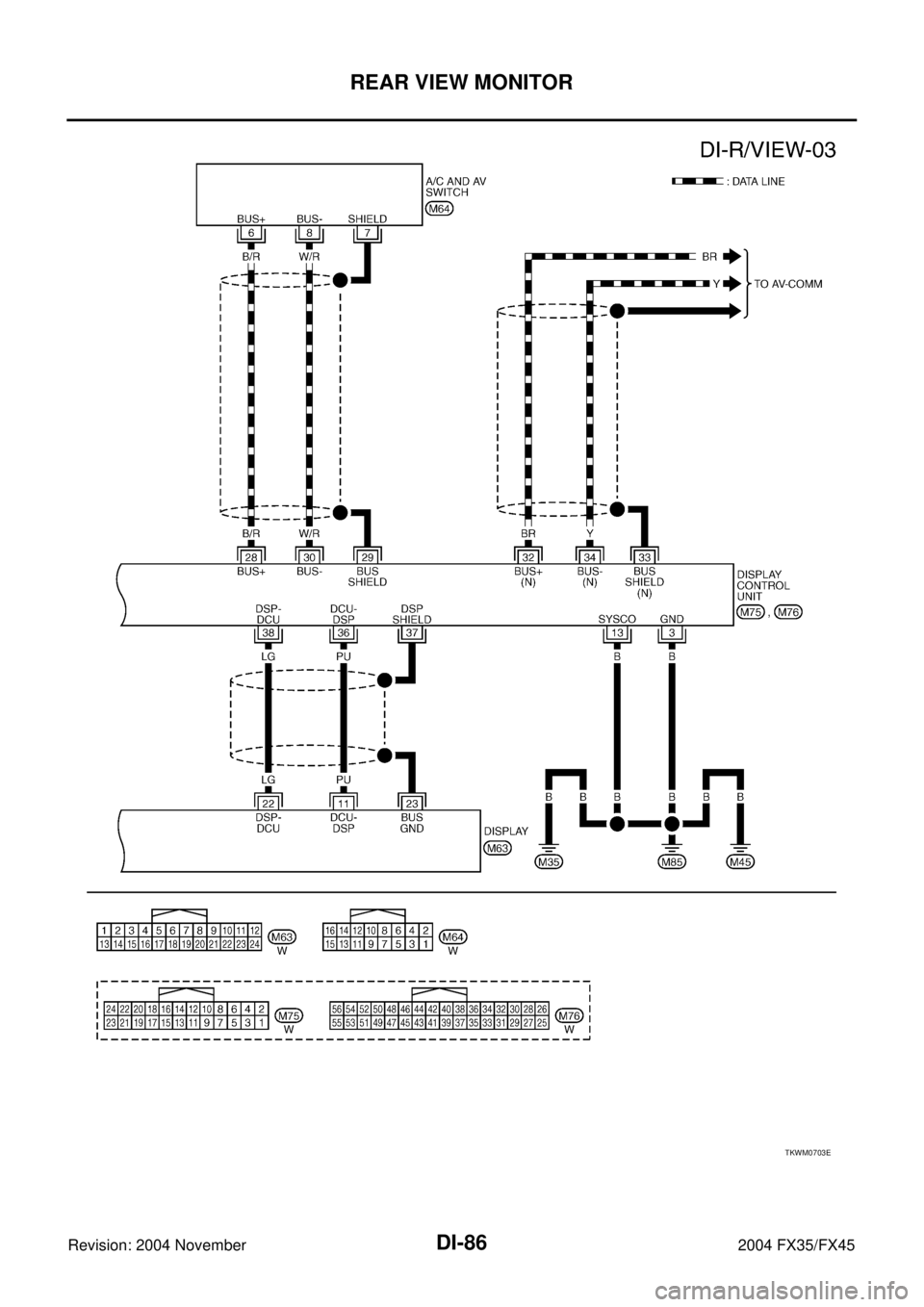
TKWM0703E

Page 1330 of 4449

INFINITI FX35 2004  Service Manual REAR VIEW MONITOR
DI-87
C
D
E
F
G
H
I
J
L
MA
B
DI
Revision: 2004 November 2004 FX35/FX45
Terminals and Reference Value for Rear View Camera Control UnitAKS0068H
CONSULT-II FunctionAKS007FM
CONSULT-II
Trending: checking oil, parking brake, immobilizer, traction control, mirror, odometer, service interval reset