INFINITI FX35 2004 Service Manual

INFINITI FX35 2004 Service Manual FX35 2004 INFINITI INFINITI https://www.carmanualsonline.info/img/42/57021/w960_57021-0.png INFINITI FX35 2004 Service Manual
Trending: seats, air conditioning, propeller shaft, overheating, propeller, window wiring, service schedule

Page 1291 of 4449

INFINITI FX35 2004  Service Manual DI-48
WARNING LAMPS
Revision: 2004 November 2004 FX35/FX45
Oil Pressure Warning Lamp Stays Off (Ignition Switch ON)AKS005NF
1. CHECK SELF-DIAGNOSTIC RESULTS OF UNIFIED METER AND A/C AMP.
1. Start engi

Page 1292 of 4449

INFINITI FX35 2004  Service Manual WARNING LAMPS
DI-49
C
D
E
F
G
H
I
J
L
MA
B
DI
Revision: 2004 November 2004 FX35/FX45
5. CHECK OIL PRESSURE SWITCH CIRCUIT
1. Turn ignition switch OFF.
2. Disconnect the IPDM E/R connector and the oil

Page 1293 of 4449

INFINITI FX35 2004  Service Manual DI-50
WARNING LAMPS
Revision: 2004 November 2004 FX35/FX45
3. CHECK OIL PRESSURE SWITCH CIRCUIT
1. Disconnect the IPDM E/R connector.
2. Check continuity between IPDM E/R harness connector E9 ter-
min

Page 1294 of 4449

INFINITI FX35 2004  Service Manual A/T INDICATOR
DI-51
C
D
E
F
G
H
I
J
L
MA
B
DI
Revision: 2004 November 2004 FX35/FX45
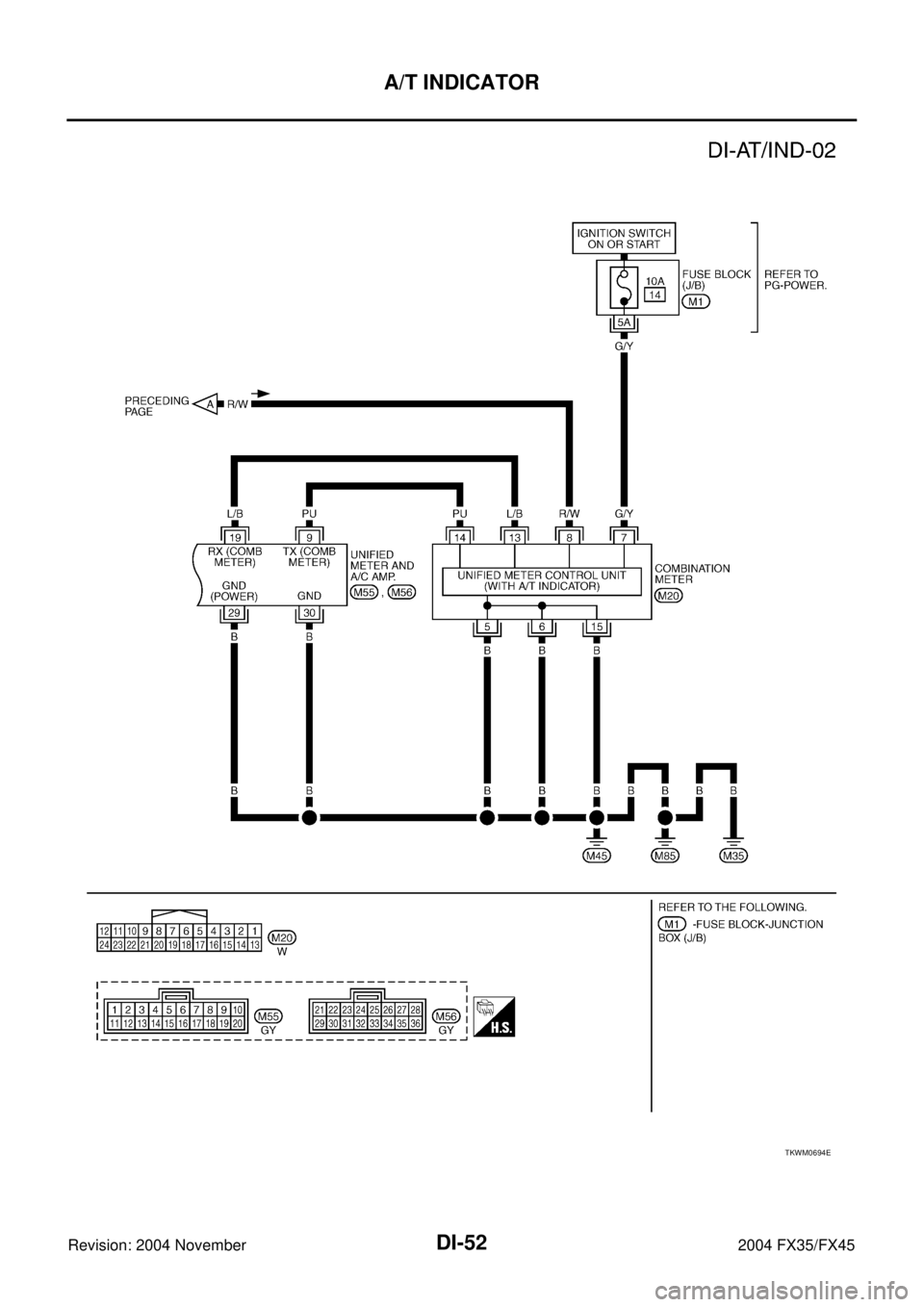
A/T INDICATORPFP:24814
Wiring Diagram — AT/IND —AKS005NI
TKWM1282E

Page 1295 of 4449

INFINITI FX35 2004  Service Manual DI-52
A/T INDICATOR
Revision: 2004 November 2004 FX35/FX45
TKWM0694E

Page 1296 of 4449

INFINITI FX35 2004  Service Manual A/T INDICATOR
DI-53
C
D
E
F
G
H
I
J
L
MA
B
DI
Revision: 2004 November 2004 FX35/FX45
A/T Indicator Is MalfunctionAKS005NJ
1. CHECK SELF-DIAGNOSIS OF COMBINATION METER
Perform combination meter self-di

Page 1297 of 4449

INFINITI FX35 2004  Service Manual DI-54
A/T INDICATOR
Revision: 2004 November 2004 FX35/FX45
4. CHECK A/T DEVICE
Perform A/T device inspection. Refer to AT- 1 7 2 ,  "
DTC P1815 MANUAL MODE SWITCH"  in AT section.
OK or NG
OK >> GO TO

Page 1298 of 4449

INFINITI FX35 2004  Service Manual WARNING CHIME
DI-55
C
D
E
F
G
H
I
J
L
MA
B
DI
Revision: 2004 November 2004 FX35/FX45
WARNING CHIMEPFP:24814
Component Parts and Harness Connector LocationAKS005NK
System DescriptionAKS005NL
FUNCTION
P

Page 1299 of 4449

INFINITI FX35 2004  Service Manual DI-56
WARNING CHIME
Revision: 2004 November 2004 FX35/FX45
through 15A fuse [No. 1, located in the fuse block (J/B)]
to BCM terminal 38, and
through 10A fuse [No. 12, located in the fuse block (J/B

Page 1300 of 4449

INFINITI FX35 2004  Service Manual WARNING CHIME
DI-57
C
D
E
F
G
H
I
J
L
MA
B
DI
Revision: 2004 November 2004 FX35/FX45
to Intelligent Key unit terminal 27.
Ground is supplied
to BCM terminal 62
through front door switch (driver sid
Trending: engine oil capacity, window wiring, manual transmission, oil pressure, Fuel system, service reset, seats