warning INFINITI FX35 2004 Service Manual
Page 1282 of 4449

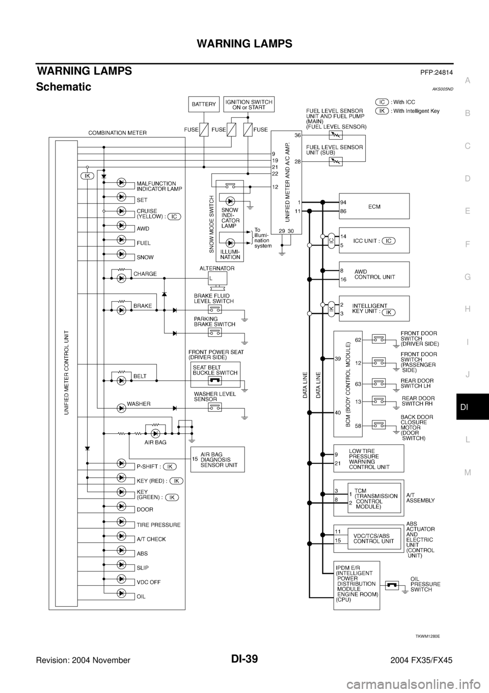
Page 1283 of 4449

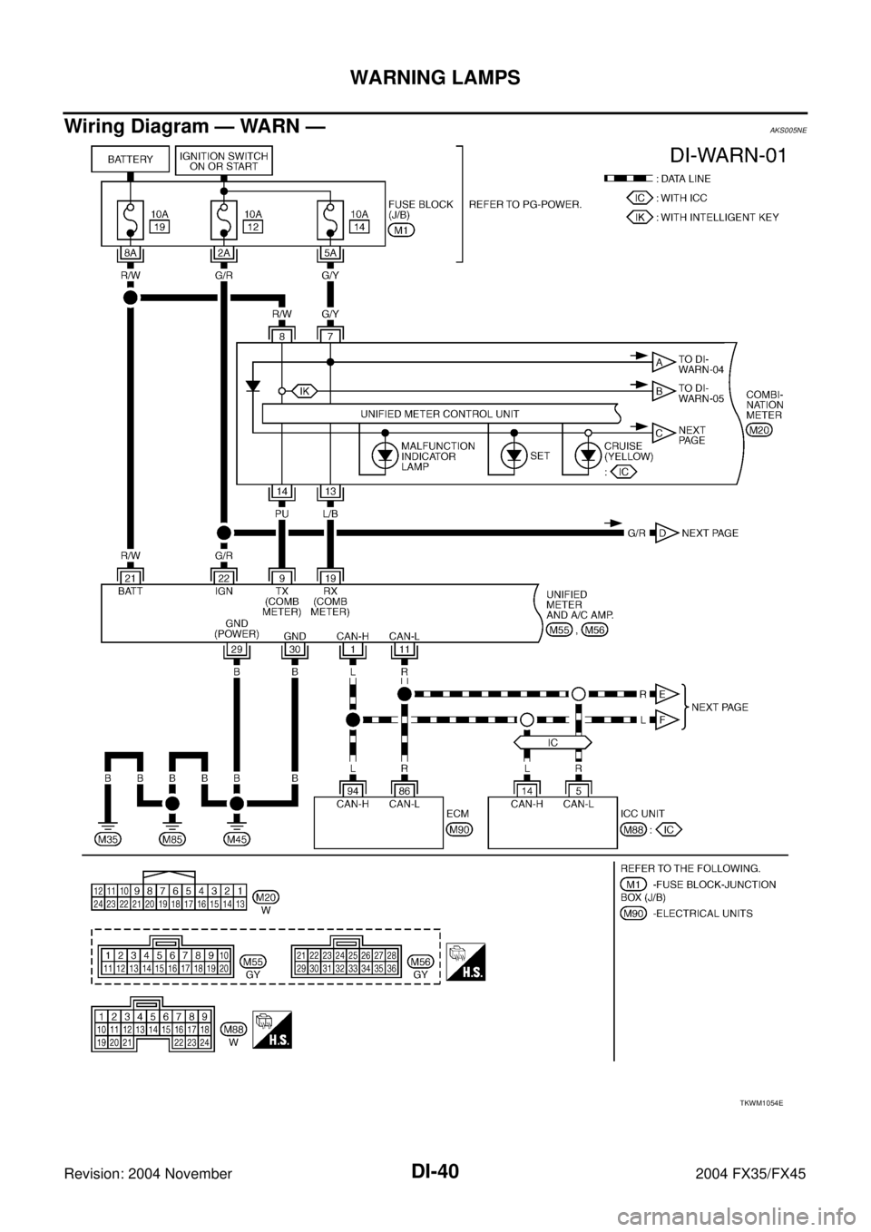
Page 1284 of 4449

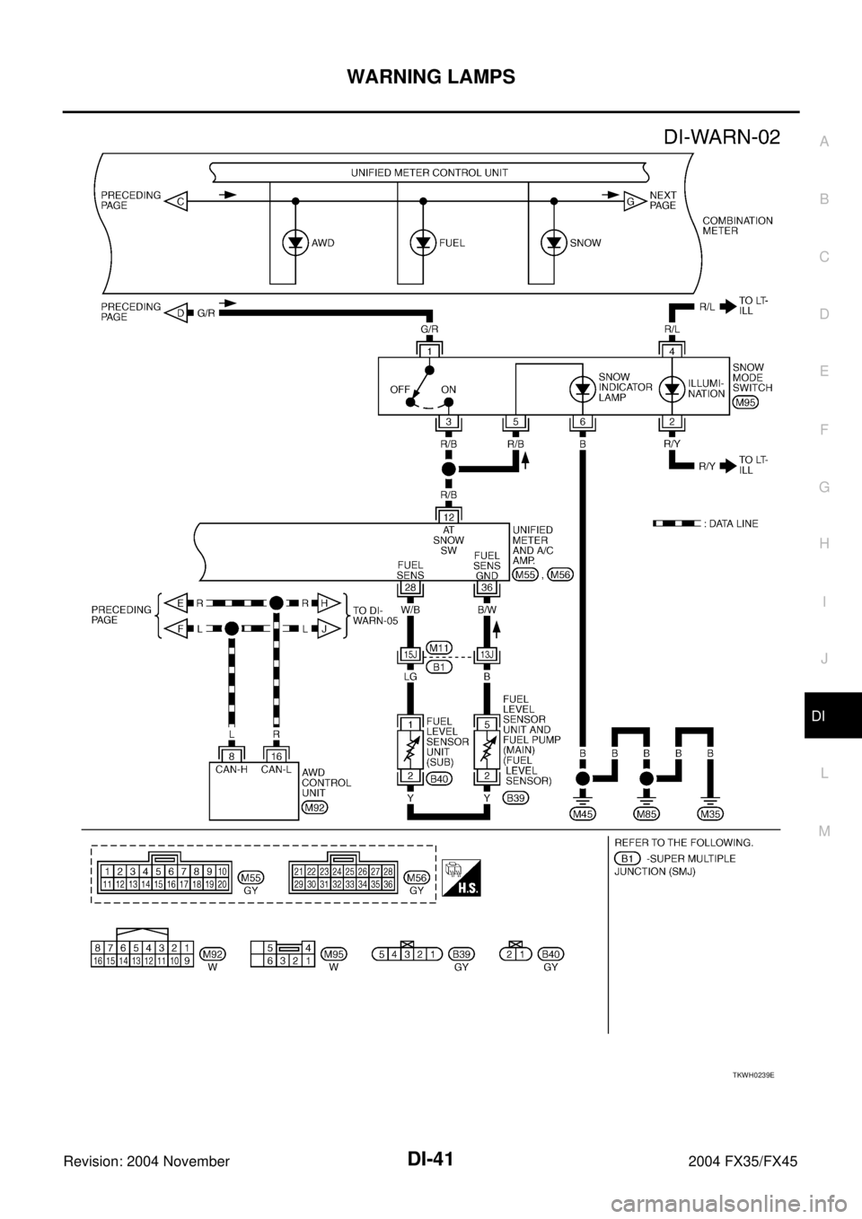
Page 1285 of 4449

Page 1286 of 4449

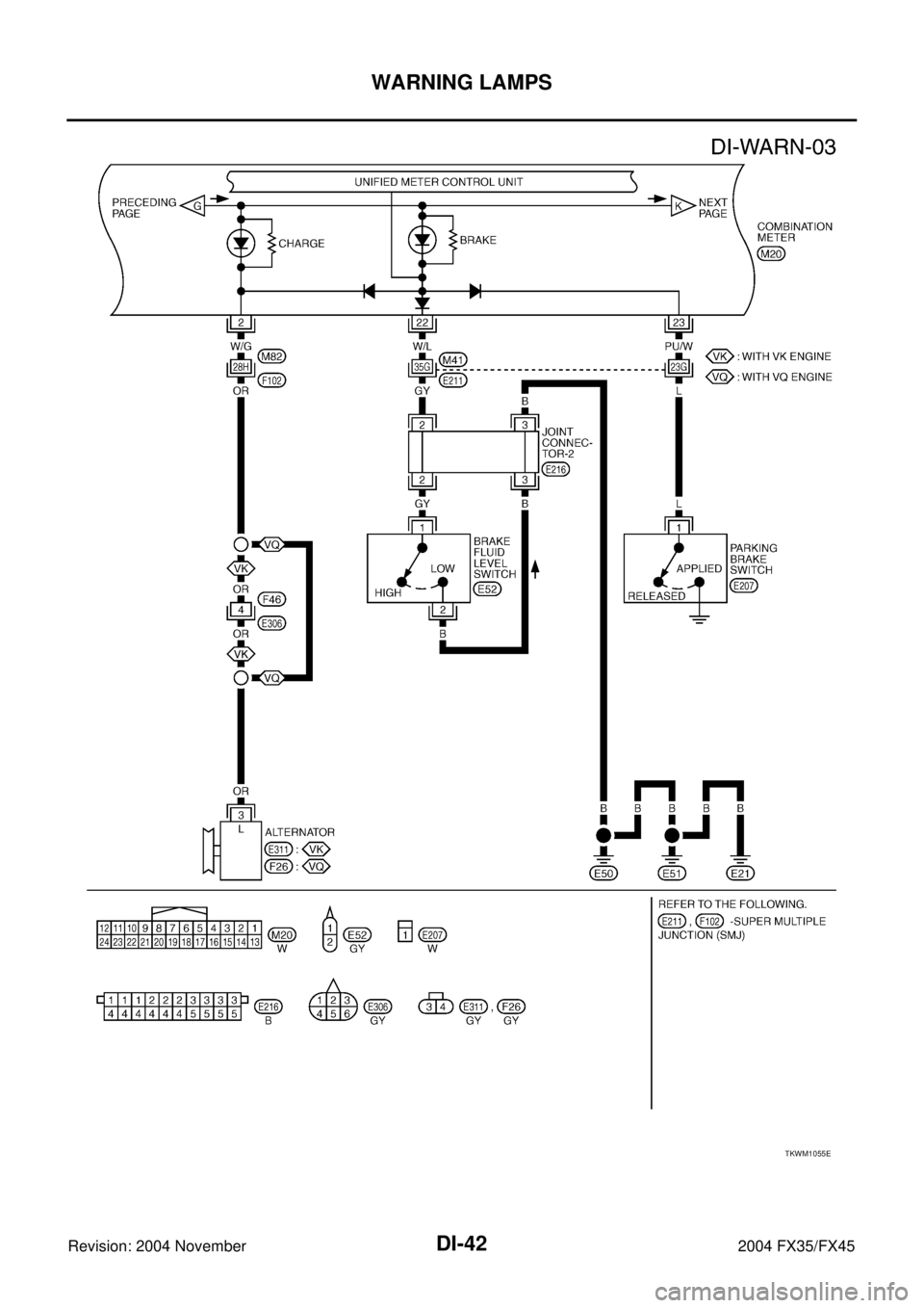
Page 1287 of 4449

Page 1288 of 4449

Page 1289 of 4449

Page 1290 of 4449

Page 1291 of 4449

Page:
< prev 1-10 ... 91-100 101-110 111-120 121-130 131-140 141-150 151-160 161-170 171-180 ... 350 next >