warning INFINITI FX35 2004 Service Manual

INFINITI FX35 2004 Service Manual FX35 2004 INFINITI INFINITI https://www.carmanualsonline.info/img/42/57021/w960_57021-0.png INFINITI FX35 2004 Service Manual

Page 1292 of 4449

INFINITI FX35 2004  Service Manual WARNING LAMPS
DI-49
C
D
E
F
G
H
I
J
L
MA
B
DI
Revision: 2004 November 2004 FX35/FX45
5. CHECK OIL PRESSURE SWITCH CIRCUIT
1. Turn ignition switch OFF.
2. Disconnect the IPDM E/R connector and the oil

Page 1293 of 4449

INFINITI FX35 2004  Service Manual DI-50
WARNING LAMPS
Revision: 2004 November 2004 FX35/FX45
3. CHECK OIL PRESSURE SWITCH CIRCUIT
1. Disconnect the IPDM E/R connector.
2. Check continuity between IPDM E/R harness connector E9 ter-
min

Page 1298 of 4449

INFINITI FX35 2004  Service Manual WARNING CHIME
DI-55
C
D
E
F
G
H
I
J
L
MA
B
DI
Revision: 2004 November 2004 FX35/FX45
WARNING CHIMEPFP:24814
Component Parts and Harness Connector LocationAKS005NK
System DescriptionAKS005NL
FUNCTION
P

Page 1299 of 4449

INFINITI FX35 2004  Service Manual DI-56
WARNING CHIME
Revision: 2004 November 2004 FX35/FX45
through 15A fuse [No. 1, located in the fuse block (J/B)]
to BCM terminal 38, and
through 10A fuse [No. 12, located in the fuse block (J/B

Page 1300 of 4449

INFINITI FX35 2004  Service Manual WARNING CHIME
DI-57
C
D
E
F
G
H
I
J
L
MA
B
DI
Revision: 2004 November 2004 FX35/FX45
to Intelligent Key unit terminal 27.
Ground is supplied
to BCM terminal 62
through front door switch (driver sid

Page 1301 of 4449

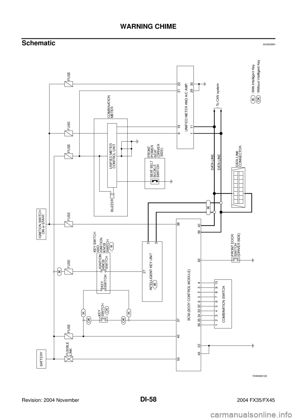
INFINITI FX35 2004  Service Manual DI-58
WARNING CHIME
Revision: 2004 November 2004 FX35/FX45
SchematicAKS0069H
TKWM0812E

Page 1302 of 4449

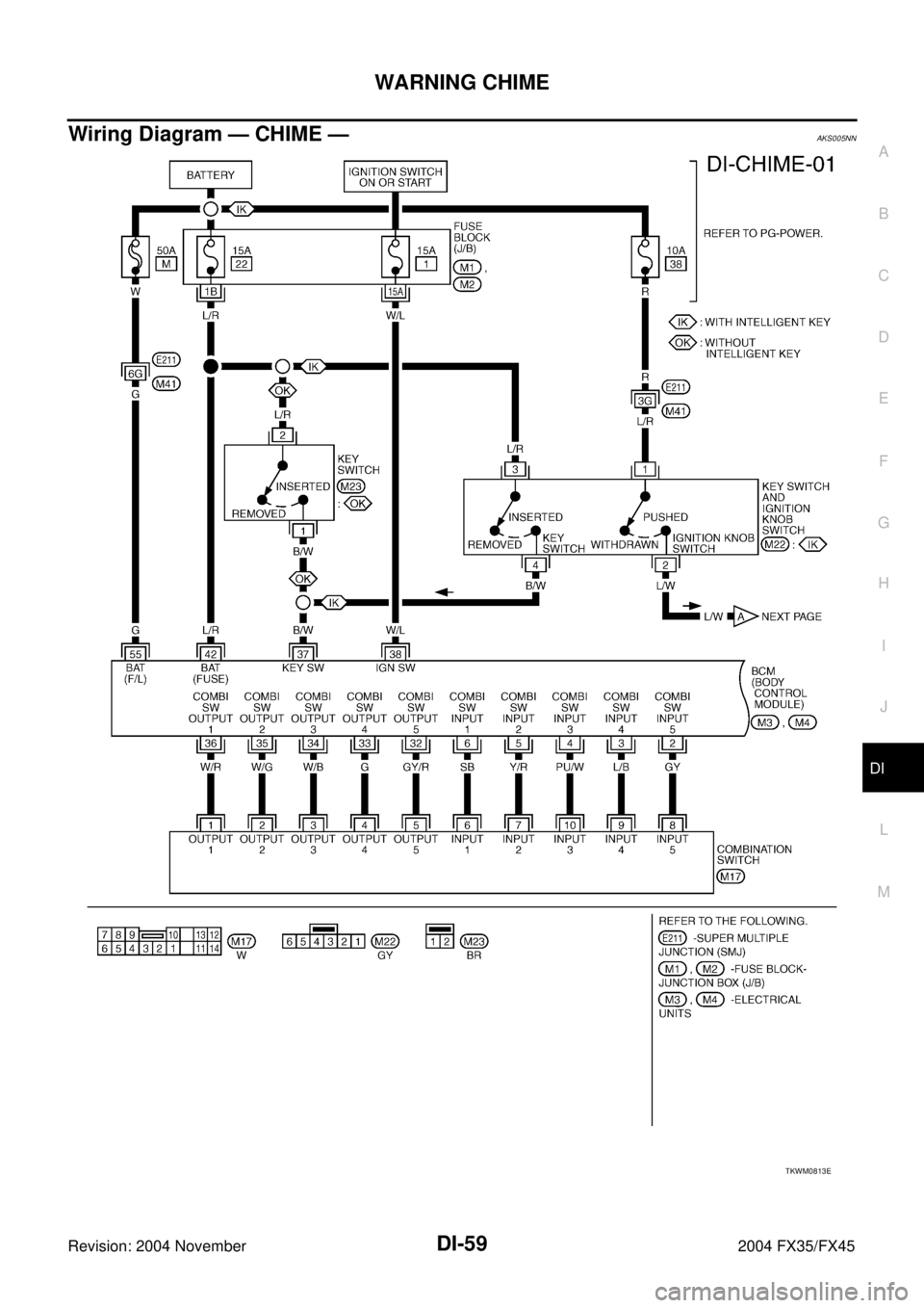
INFINITI FX35 2004  Service Manual WARNING CHIME
DI-59
C
D
E
F
G
H
I
J
L
MA
B
DI
Revision: 2004 November 2004 FX35/FX45
Wiring Diagram — CHIME —AKS005NN
TKWM0813E

Page 1303 of 4449

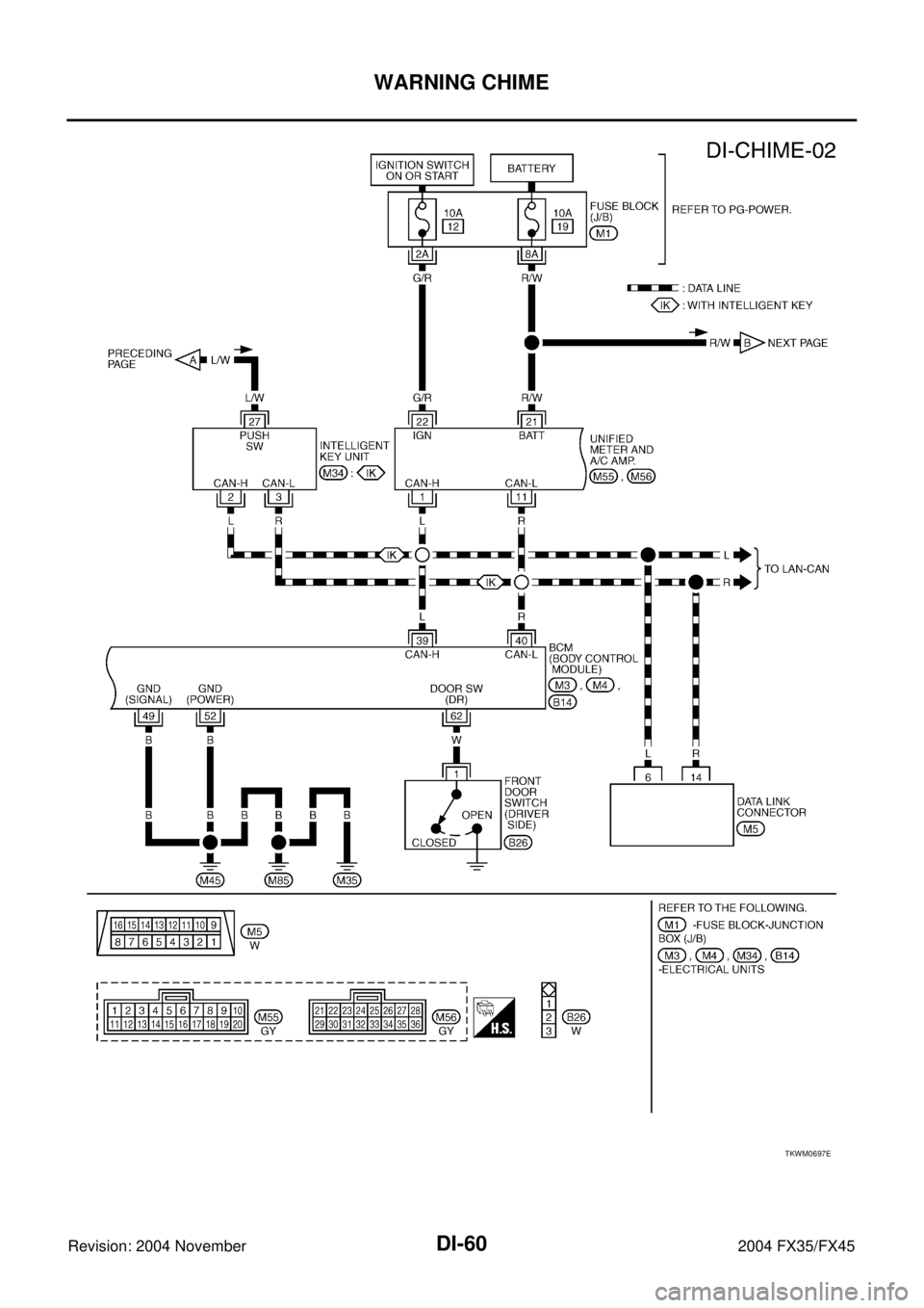
INFINITI FX35 2004  Service Manual DI-60
WARNING CHIME
Revision: 2004 November 2004 FX35/FX45
TKWM0697E

Page 1304 of 4449

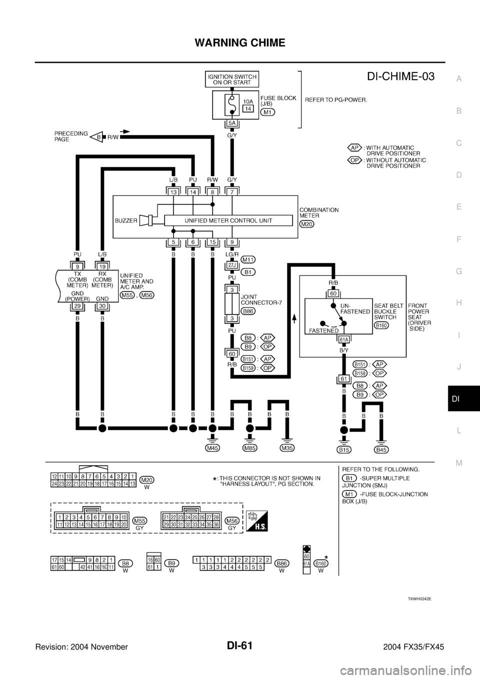
INFINITI FX35 2004  Service Manual WARNING CHIME
DI-61
C
D
E
F
G
H
I
J
L
MA
B
DI
Revision: 2004 November 2004 FX35/FX45
TKWH0242E

Page 1305 of 4449

INFINITI FX35 2004  Service Manual DI-62
WARNING CHIME
Revision: 2004 November 2004 FX35/FX45
Terminals and Reference Value for BCMAKS005NO
Te r m i n a l  
No.Wire 
colorItemMeasuring condition
Reference value
Ignition 
switchOperatio