INFINITI FX35 2004 Service Manual
FX35 2004
INFINITI
INFINITI
https://www.carmanualsonline.info/img/42/57021/w960_57021-0.png
INFINITI FX35 2004 Service Manual
Trending: ESP, glove box, ESP inoperative, checking oil, service reset, navigation system, battery
Page 2691 of 4449
EI-12
CLIP AND FASTENER
Revision: 2004 November 2004 FX35/FX45
SIIA0316E
Page 2692 of 4449
CLIP AND FASTENER
EI-13
C
D
E
F
G
H
J
K
L
MA
B
EI
Revision: 2004 November 2004 FX35/FX45
SIIA0317E
Page 2693 of 4449
EI-14
FRONT BUMPER
Revision: 2004 November 2004 FX35/FX45
FRONT BUMPERPFP:F2022
Removal and InstallationAIS00379
CAUTION:
Bumper fascia is made of resin. Do not apply strong force to it, and be careful to prevent contact with
oil.
Page 2694 of 4449
FRONT BUMPER
EI-15
C
D
E
F
G
H
J
K
L
MA
B
EI
Revision: 2004 November 2004 FX35/FX45
PIIA4330E
1. Bumper stay 2. Front bumper guard bar 3. Bumper reinforcement
4. Nut 5. Bolt 6. Energy absorber
Page 2695 of 4449

EI-16
FRONT BUMPER
Revision: 2004 November 2004 FX35/FX45
REMOVAL
1. Remove front grille. Refer to EI-23, "Removal and Installation" .
2. Remove fillet molding assembly. Only the place connected with
a front bumper fascia is removed.
3. Remove bolts and clips of front undercover.
4. Remove screws and clips of right/left fender protectors on front
side. Refer to EI-25, "
Removal and Installation" .
5. Remove bolts of right/left fender.
6. Insert driver rolled with cloth between bumper fascia and “S”
type clips, and remove bumper fascia.
7. Disconnect harness connector of fog lamps.
8. Remove bumper fascia assembly.
9. Remove bumper energy absorber.
10. Remove bolts and nuts of bumper reinforcement, and remove
bumper reinforcement. Remove bolts and nuts with power tool.
11. Remove ICC sensor with bracket. Refer to Refer to ACS-67,
"REMOVAL AND INSTALLATION" .
12. Remove nuts of bumper stay, and remove bumper stay. Remove
nuts with power tool.
13. Remove nuts of front bumper guard bar, and remove front
bumper guard bar. Remove nuts with power tool.
14. Remove fog lamps located in bumper fascia. Refer to LT- 8 8 ,
"Removal and Installation" .
INSTALLATION
Install in the reverse order of removal.
7. Clip (C205) 8. Bumper fascia assembly 9. Number plate holder
10. Bolt 11. Bolt 12. Bolt
13. Nut 14. Bolt 15. Clip (“S” type)
16. Fillet molding 17. Bolt
PIIA4350E
PIIA4338E
PIIA4331E
PIIA4339E
Page 2696 of 4449
FRONT BUMPER
EI-17
C
D
E
F
G
H
J
K
L
MA
B
EI
Revision: 2004 November 2004 FX35/FX45
FRONT FILLET MOLDING ASSEMBLY
Removal
1. Remove screws of fillet molding assembly.
2. Remove clips of fillet molding assembly.
3. Remove fillet molding assembly.
Installation
1. Clean adhesive portion of front fender with white gasoline.
2. Strip pattern from the new double adhesive tape and paste on front fender.
3. Fillet molding assembly hold with front fender.
PIIA4350E
Page 2697 of 4449
EI-18
REAR BUMPER
Revision: 2004 November 2004 FX35/FX45
REAR BUMPERPFP:H5022
Removal and InstallationAIS0037A
CAUTION:
Bumper fascia is made of resin. Do not apply strong force to it, and be careful to prevent contact with
oil.
Page 2698 of 4449
REAR BUMPER
EI-19
C
D
E
F
G
H
J
K
L
MA
B
EI
Revision: 2004 November 2004 FX35/FX45
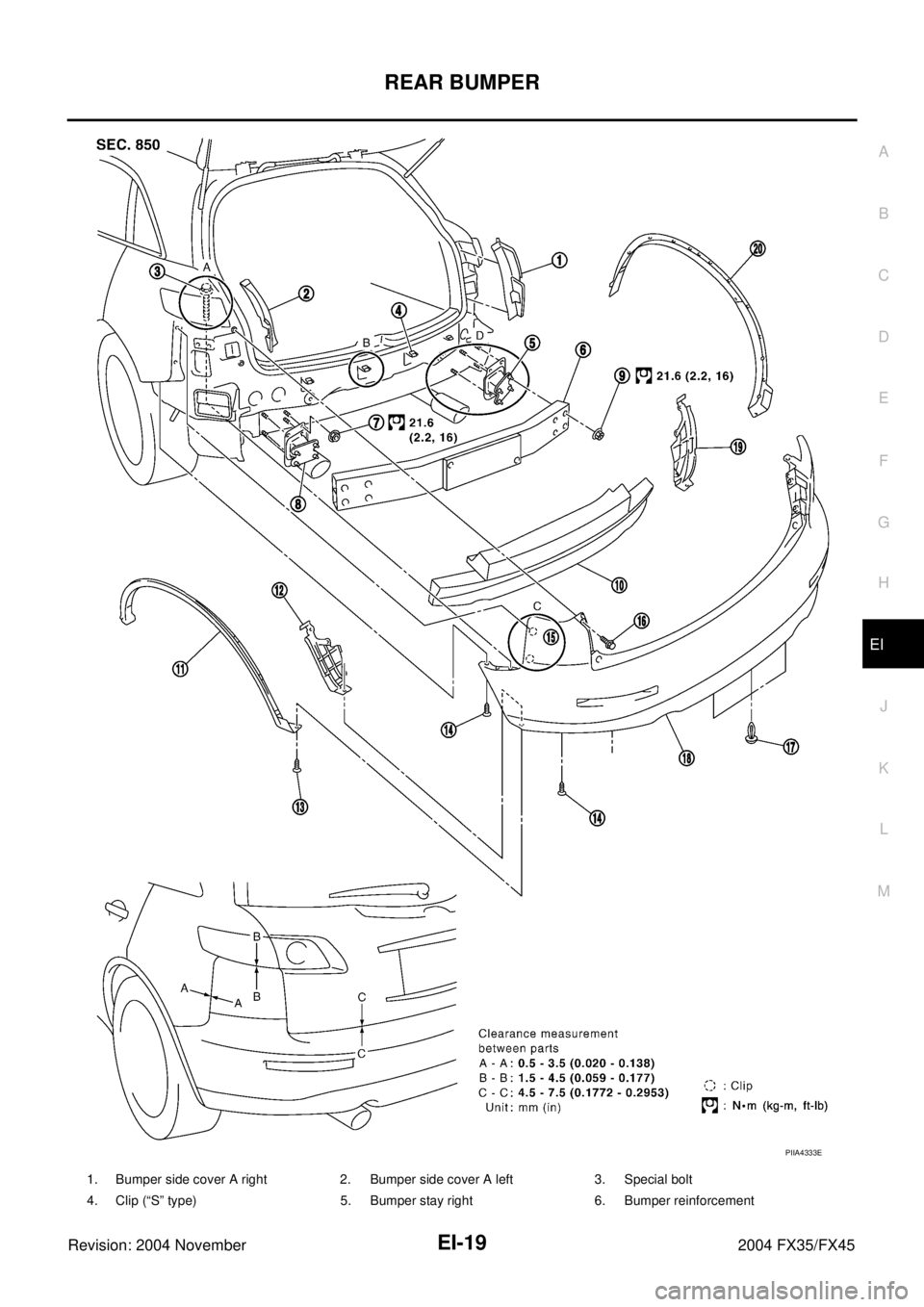
PIIA4333E
1. Bumper side cover A right 2. Bumper side cover A left 3. Special bolt
4. Clip (“S” type) 5. Bumper stay right 6. Bumper reinforcement
Page 2699 of 4449
EI-20
REAR BUMPER
Revision: 2004 November 2004 FX35/FX45
REMOVAL
1. Remove bumper side cover A.
2. Remove fillet molding assembly. Only the place connected with
a rear bumper fascia is removed.
3. Remove luggage side inspection cover.
4. Remove bumper fascia special bolts from right/left rear fender.
5. Remove bumper fascia bolts from right/left rear fender.
6. Remove lower portion of bumper fascia bolts.
7. Insert driver rolled with cloth between bumper fascia and “S”
type clips, and remove bumper fascia.
8. Remove bumper fascia assembly.
9. Remove bumper energy absorber.
10. Remove bumper reinforcement nuts and remove bumper rein-
force assembly. Remove nuts with power tool.
7. Nut 8. Bumper stay left 9. Nut
10. Energy absorber 11. Fillet molding left 12. Bumper closing left
13. Bolt 14. Bolt 15. Clip (C101)
16. Bolt 17. Clip (C205) 18. Bumper fascia assembly
19. Bumper closing right 20. Fillet molding right
PIIA4347E
PIIA4334E
PIIA4335E
PIIA4336E
Page 2700 of 4449
REAR BUMPER
EI-21
C
D
E
F
G
H
J
K
L
MA
B
EI
Revision: 2004 November 2004 FX35/FX45
11. Remove bumper nuts and remove bumper stay. Remove nuts
with power tool.
INSTALLATION
Install in the reverse order of removal.
REAR BUMPER FASCIA
Removal
1. Remove rear fender cover bolt and remove rear fender.
2. Remove bracket clips and remove bracket.
3. Remove rear reflex reflector assembly screw and remove rear
reflex reflector assembly.
Installation
Install in the reverse order of removal.
PIIA4337E
PIIA4960E
PIIA6416E
PIIA6417E
Trending: steering fluid, jacking points, set clock, child restraint, fuel type, Door lock control unit, oil pressure