INFINITI FX35 2004 Service Manual

INFINITI FX35 2004 Service Manual FX35 2004 INFINITI INFINITI https://www.carmanualsonline.info/img/42/57021/w960_57021-0.png INFINITI FX35 2004 Service Manual
Trending: gas mileage, air suspension, oil pressure, steering fluid, check engine, fog light bulb, Head bolts

Page 3591 of 4449

INFINITI FX35 2004  Service Manual LT-36
HEADLAMP - XENON TYPE -
Revision: 2004 November 2004 FX35/FX45
NOTE:
After installation, perform aiming adjustment. Refer to LT- 3 4 ,  "
Aiming Adjustment" .  
PARKING LAMP (CLEARANCE LAMP)
1.

Page 3592 of 4449

INFINITI FX35 2004  Service Manual HEADLAMP - XENON TYPE -
LT-37
C
D
E
F
G
H
I
J
L
MA
B
LT
Revision: 2004 November 2004 FX35/FX45
NOTE:
After installation, perform aiming adjustment. Refer to LT- 3 4 ,  "
Aiming Adjustment" .
Disassemb

Page 3593 of 4449

INFINITI FX35 2004  Service Manual LT-38
DAYTIME LIGHT SYSTEM
Revision: 2004 November 2004 FX35/FX45
DAYTIME LIGHT SYSTEMPFP:284B2
Component Parts and Harness Connector LocationAKS007MZ
System DescriptionAKS007N0
DAYTIME LIGHT SYSTEM t

Page 3594 of 4449

INFINITI FX35 2004  Service Manual DAYTIME LIGHT SYSTEM
LT-39
C
D
E
F
G
H
I
J
L
MA
B
LT
Revision: 2004 November 2004 FX35/FX45
through grounds M35, M45 and M85
to BCM (body control module) terminals 49 and 52
through grounds M35, M4

Page 3595 of 4449

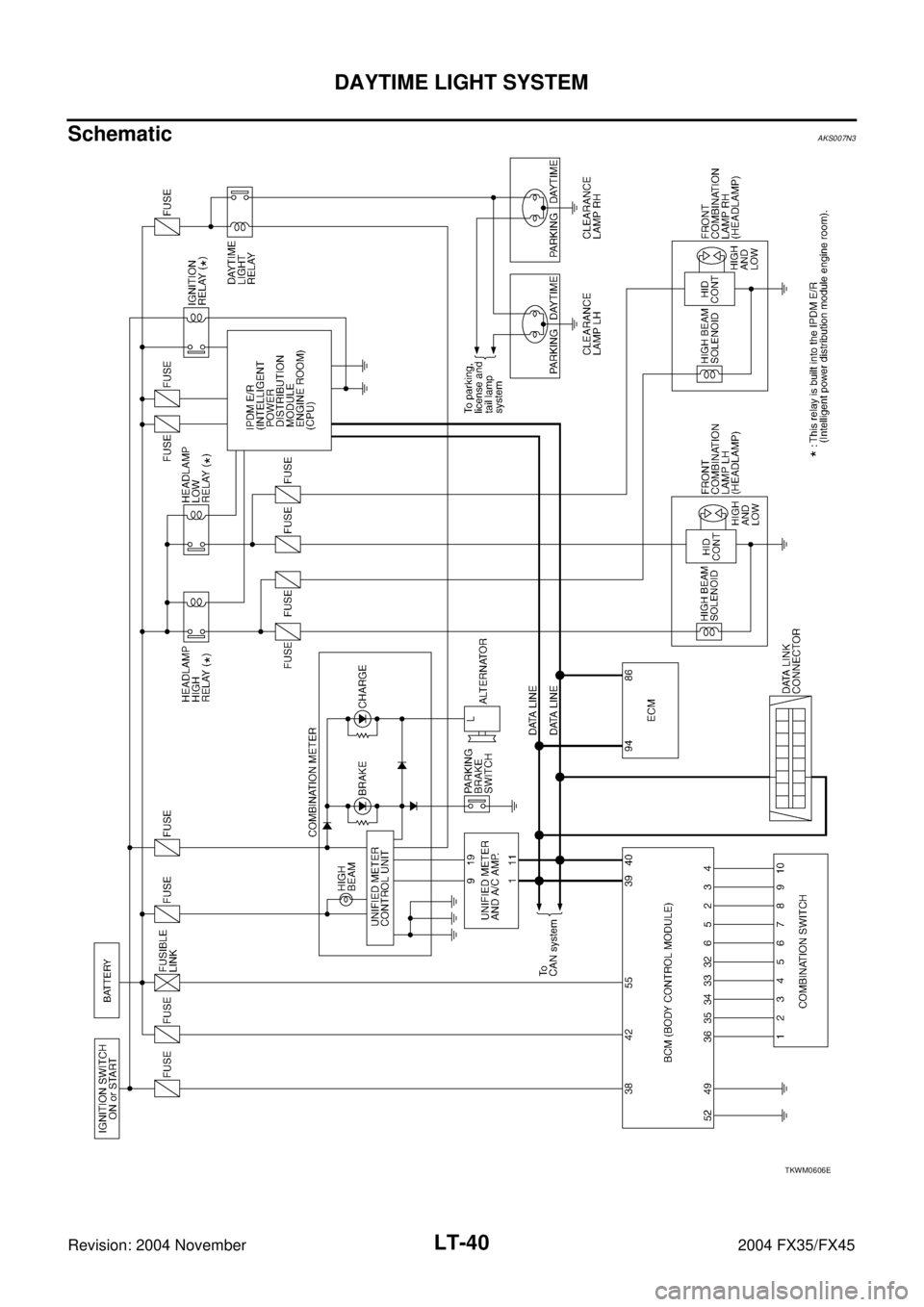
INFINITI FX35 2004  Service Manual LT-40
DAYTIME LIGHT SYSTEM
Revision: 2004 November 2004 FX35/FX45
SchematicAKS007N3
TKWM0606E

Page 3596 of 4449

INFINITI FX35 2004  Service Manual DAYTIME LIGHT SYSTEM
LT-41
C
D
E
F
G
H
I
J
L
MA
B
LT
Revision: 2004 November 2004 FX35/FX45
Wiring Diagram — DTRL —AKS007N4
TKWM0607E

Page 3597 of 4449

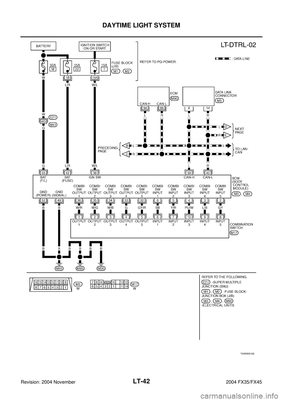
INFINITI FX35 2004  Service Manual LT-42
DAYTIME LIGHT SYSTEM
Revision: 2004 November 2004 FX35/FX45
TKWM0816E

Page 3598 of 4449

INFINITI FX35 2004  Service Manual DAYTIME LIGHT SYSTEM
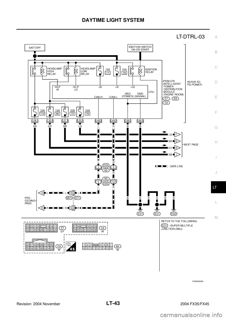
LT-43
C
D
E
F
G
H
I
J
L
MA
B
LT
Revision: 2004 November 2004 FX35/FX45
TKWM0609E

Page 3599 of 4449

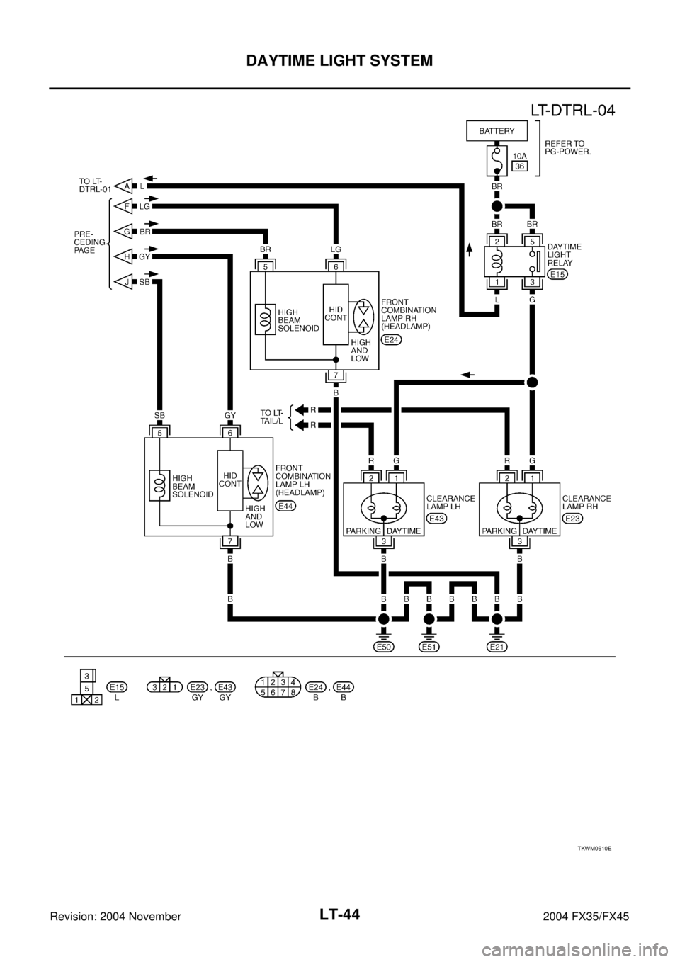
INFINITI FX35 2004  Service Manual LT-44
DAYTIME LIGHT SYSTEM
Revision: 2004 November 2004 FX35/FX45
TKWM0610E

Page 3600 of 4449

INFINITI FX35 2004  Service Manual DAYTIME LIGHT SYSTEM
LT-45
C
D
E
F
G
H
I
J
L
MA
B
LT
Revision: 2004 November 2004 FX35/FX45
Terminals and Reference Values for BCMAKS007XM
Te r m i n a l  
No.Wire 
colorSignal nameMeasuring condition
Trending: steering column, oil type, oil filter, Automatic Air conditioner, brakes, differential, power steering reservoir tank hose