navigation INFINITI FX35 2005 Service Manual

INFINITI FX35 2005 Service Manual FX35 2005 INFINITI INFINITI https://www.carmanualsonline.info/img/42/57020/w960_57020-0.png INFINITI FX35 2005 Service Manual

Page 1 of 4731

INFINITI FX35 2005  Service Manual ABCDEFGHIJKMLQUICK REFERENCE INDEX AGENERAL INFORMATIONGIGeneral InformationBENGINEEMEngine MechanicalLUEngine Lubrication SystemCOEngine Cooling SystemECEngine Control SystemFLFuel SystemEXExhaust Sy

Page 479 of 4731

INFINITI FX35 2005  Service Manual ATC-42
TROUBLE DIAGNOSIS
Revision: 2005 July 2005 FX
How to Perform Trouble Diagnosis for Quick and Accurate RepairAJS0014K
WORK FLOW 
SYMPTOM TABLE
*1  ATC-61, "Operational Check"
SHA900E
Symptom Ref

Page 600 of 4731

INFINITI FX35 2005  Service Manual AV-1
AUDIO VISUAL, NAVIGATION & TELEPHONE SYS- TEM
K  ELECTRICAL
CONTENTS
C 
D  E 
F 
G  H 
I 
J 
L 
M
SECTION AV
A 
B
AV 
Revision: 2005 July  2005 FX
AUDIO VISUAL, NAVIGATION & TELEPHONE SYSTEM
PREC

Page 601 of 4731

INFINITI FX35 2005  Service Manual AV-2Revision: 2005 July 2005 FX 
Window Antenna Repair  ...................................... 
... 54 
CHECK ELEMENT  ...........................................  ... 54 
Removal and Installation of

Page 602 of 4731

INFINITI FX35 2005  Service Manual AV-3
C 
D  E 
F 
G  H 
I 
J 
L 
M  A 
B
AV 
Revision: 2005 July  2005 FX 
HISTORY OF ERRORS  ................................... 
. 136 
DIAGNOSIS BY HISTORY OF ERRORS  ........  . 137 
NAVIGATION ...

Page 607 of 4731

INFINITI FX35 2005  Service Manual AV-8
AUDIO
Revision: 2005 July 2005 FX
System DescriptionAKS005T3
BASE SYSTEM
Refer to Owners Manual for audio system operating instructions. 
Power is supplied at all times
through 15A fuse (No. 32

Page 608 of 4731

INFINITI FX35 2005  Service Manual AUDIO AV-9
C 
D  E 
F 
G  H 
I 
J 
L 
M  A 
B
AV 
Revision: 2005 July  2005 FX
to display control unit terminal 10 (with navigation system) or display unit terminal 2 (without navigation 
system) and

Page 615 of 4731

INFINITI FX35 2005  Service Manual AV-16
AUDIO
Revision: 2005 July 2005 FX
Schematic - BOSE System - With Navigation SystemAKS007X3
TKWH0258E

Page 616 of 4731

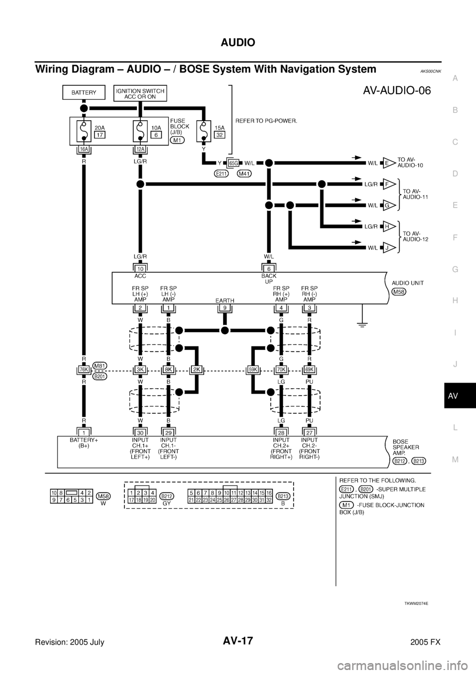
INFINITI FX35 2005  Service Manual AUDIO AV-17
C 
D  E 
F 
G  H 
I 
J 
L 
M  A 
B
AV 
Revision: 2005 July  2005 FX
Wiring Diagram – AUDIO – / BOSE System With Navigation SystemAKS00CNK
TKWM2074E

Page 624 of 4731

INFINITI FX35 2005  Service Manual AUDIO AV-25
C 
D  E 
F 
G  H 
I 
J 
L 
M  A 
B
AV 
Revision: 2005 July  2005 FX
Schematic - BOSE System - Without Navigation SystemAKS00CNL
TKWH0259E
Page:   1-10 11-20 21-30 31-40 41-50 ... 120 next >