warning INFINITI FX35 2008 Service Manual
[x] Cancel search | Manufacturer: INFINITI, Model Year: 2008, Model line: FX35, Model: INFINITI FX35 2008Pages: 3924, PDF Size: 81.37 MB
Page 1200 of 3924

DI-74
< SERVICE INFORMATION >
LANE DEPARTURE WARNING SYSTEM
The target may not be detected when there is the same pattern of black and white as the target when
the pattern is within 1 m (3.28 ft) from either si de and upward/downward position from the target. (It
is desirable that the vehicle is positioned on the opposite side of a single-color wall.)
1. Mark a point at the center of lateral surface of each wheels (“A”,
“B”, “C” and “D”).
NOTE:
Dangle a string with a cone from the fender so as to pass
through the center of wheel, and t hen mark a point at the center
of lateral surface of wheels.
2. Draw a line passing through points “A” and “B” on the left side of vehicle (line “LH”).
NOTE:
Approximately 4 m (13.12 ft) or more from the forward end of
vehicle.
3. Mark points on the line “LH”, at the positions 3850 mm (151.57 in) from the point “A” (“E”).
4. Draw a line passing through the points “C” and “D” on t he right side of vehicle as with the step 2 (line
“RH”).
NOTE:
Approximately 4 m (13.12 ft) or more from the forward end of vehicle.
5. Mark points on the line “RH”, at the positions 3850 mm (151.57 in) from the point “C” (“F”).
6. Draw a line passing through the points “E” and “F” (line “FW”).
7. Mark point at the center of the point “E” and “F”, on the line
“FW”.
CAUTION:
Make sure that “E” through “X” is equal to “F” through “X”.
8. Position the center of the right target to the point of “X”.
VEHICLE HEIGHT CHECK
PKIB4694E
PKIB4695E
PKIB5331E
3AA93ABC3ACD3AC03ACA3AC03AC63AC53A913A773A893A873A873A8E3A773A983AC73AC93AC03AC3
3A893A873A873A8F3A773A9D3AAF3A8A3A8C3A863A9D3AAF3A8B3A8C
Page 1201 of 3924

LANE DEPARTURE WARNING SYSTEMDI-75
< SERVICE INFORMATION >
C
DE
F
G H
I
J
L
M A
B
DI
N
O P
Measure the wheel arch height. And calculate “Dh”.
NOTE:
“Dh” may be calculated as a minus value.
AIMING ADJUSTMENT
Operation Procedure
CAUTION:
Perform the adjustment under unloaded vehicle condition.
LDW indicator is turned off after the remo val/installation, and blinks after replacement.
NOTE:
When the DTC (C1B01 CAM AIMING INCMP) is disp layed on CONSULT-III screen, perform the aiming
adjustment after erasing the DTC.
1. Select “Work Support” on LDW with CONSULT-III.
2. Select “AUTO AIM”.
3. Confirm following.
a. The target should be accurately placed.
b. The vehicle should be stopped.
4. Select “Start” to perform aiming.
CAUTION:
Never Select “Start” when the target is not placed.
5. Input “Dh”, and then select “Start”. NOTE:
Check the value “Dh”. Refer to "VEHICLE HEIGHT CHECK".
CAUTION:
Never change “Ht” and “Dt”.
6. Check it display item.
a. “Normally Completed” is displayed, then selecting “Completion”.
b. Perform the following services when displa yed “SUSPENSION” or “ABNORMALLY COMPLETED”.
NOTE:
Replace camera unit if “SUSPENSION” is repeatedly indicated though the above tw o service is performed.
7. Check if “Normally Completed” is displayed and close the aiming adjustment procedure by selecting
“End”.
Check After The Adjustment
1. Perform self-diagnosis of LDW camera unit. Refer to DI-81, "CONSULT-III Function (LDW)".
2. Test the LDW system operation by running test. Refer to DI-71, "
Action Test".
Dh [mm] = (Hfl + Hfr)
÷ 2 − 840
where, Hfl: Front left wheel arch height [mm]
Hfr: Front right wheel arch height [mm]
SKIB3164E
Displays item Service procedure
SUSPENSION 00H Routine not activated
Position the target appropriately again. Perform the aiming again.
Refer to "Camera Aiming Adjustment".
10H Writing error
ABNORMALLY COMPLETED —
3AA93ABC3ACD3AC03ACA3AC03AC63AC53A913A773A893A873A873A8E3A773A983AC73AC93AC03AC3
3A893A873A873A8F3A773A9D3AAF3A8A3A8C3A863A9D3AAF3A8B3A8C
Page 1202 of 3924

DI-76
< SERVICE INFORMATION >
LANE DEPARTURE WARNING SYSTEM
Component Parts and Harn ess Connector Location
INFOID:0000000001328496
SKIB8486E
3AA93ABC3ACD3AC03ACA3AC03AC63AC53A913A773A893A873A873A8E3A773A983AC73AC93AC03AC3
3A893A873A873A8F3A773A9D3AAF3A8A3A8C3A863A9D3AAF3A8B3A8C
Page 1203 of 3924

LANE DEPARTURE WARNING SYSTEMDI-77
< SERVICE INFORMATION >
C
DE
F
G H
I
J
L
M A
B
DI
N
O P
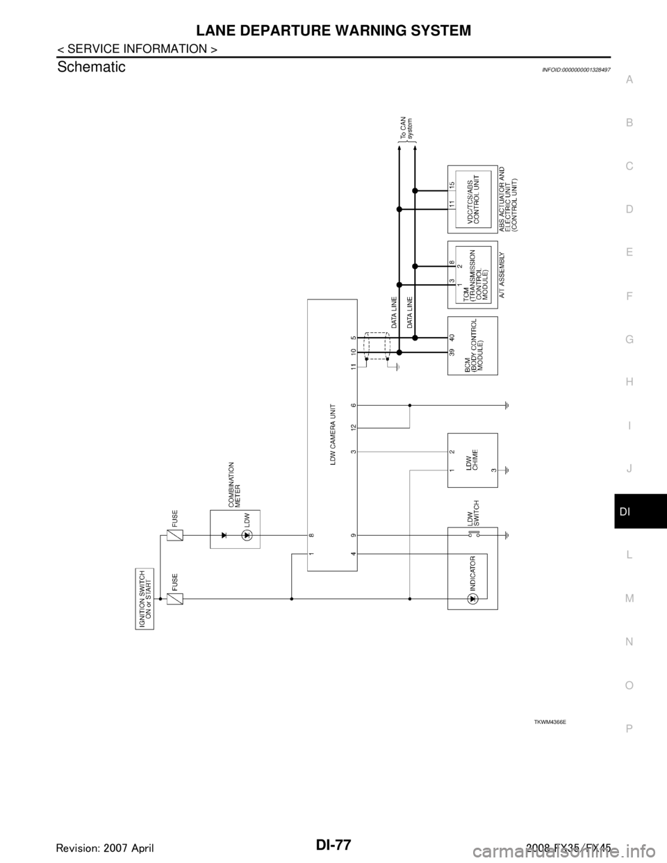
SchematicINFOID:0000000001328497
TKWM4366E
3AA93ABC3ACD3AC03ACA3AC03AC63AC53A913A773A893A873A873A8E3A773A983AC73AC93AC03AC3
3A893A873A873A8F3A773A9D3AAF3A8A3A8C3A863A9D3AAF3A8B3A8C
Page 1204 of 3924

DI-78
< SERVICE INFORMATION >
LANE DEPARTURE WARNING SYSTEM
Wiring Diagram - LDW -
INFOID:0000000001328498
TKWM4367E
3AA93ABC3ACD3AC03ACA3AC03AC63AC53A913A773A893A873A873A8E3A773A983AC73AC93AC03AC3
3A893A873A873A8F3A773A9D3AAF3A8A3A8C3A863A9D3AAF3A8B3A8C
Page 1205 of 3924

LANE DEPARTURE WARNING SYSTEMDI-79
< SERVICE INFORMATION >
C
DE
F
G H
I
J
L
M A
B
DI
N
O P
TKWM4368E
3AA93ABC3ACD3AC03ACA3AC03AC63AC53A913A773A893A873A873A8E3A773A983AC73AC93AC03AC3
3A893A873A873A8F3A773A9D3AAF3A8A3A8C3A863A9D3AAF3A8B3A8C
Page 1206 of 3924

DI-80
< SERVICE INFORMATION >
LANE DEPARTURE WARNING SYSTEM
TKWM4369E
3AA93ABC3ACD3AC03ACA3AC03AC63AC53A913A773A893A873A873A8E3A773A983AC73AC93AC03AC3
3A893A873A873A8F3A773A9D3AAF3A8A3A8C3A863A9D3AAF3A8B3A8C
Page 1207 of 3924

LANE DEPARTURE WARNING SYSTEMDI-81
< SERVICE INFORMATION >
C
DE
F
G H
I
J
L
M A
B
DI
N
O P
Terminal and Reference Va lue for LDW Camera UnitINFOID:0000000001328499
NOTE:
*: Perform “Active Test” with CONSULT-III. Refer to DI-81, "
CONSULT-III Function (LDW)".
CONSULT-III Function (LDW)INFOID:0000000001328500
DESCRIPTION
CONSULT-III performs the following functions communicating with the LDW camera unit.
WORK SUPPORT
Display Item
SELF DIAGNOSTIC RESULT
Display Item
Te r m i n a l
No. Wire
Color Item Condition
Reference Value
(Approx. [V])
Ignition
switch Operation or condition
1 B/R Ignition power supply ON — Battery voltage
3 R/W LDW chime ON LDW chime Activated
*0
Not activated 12
4 Y System ON indicator ON LDW system ON 0
OFF 12
5 R CAN-L — — —
6 B Ground ON — 0
8 G/W LDW indicator lamp ON LDW indicator lamp Illuminated
*0
Turned OFF 12
9 G LDW switch ON LDW switch Pressed 0
Released 5
10 L CAN-H — — — 11 — Shield — — —
12 B Ground ON — 0
Select diag mode Function
Work support Displays causes of automatic cancellation of the LDW system.
Self Diagnostic Result Displays malfunctioning system memorized in LDW camera unit.
Data Monitor Displays real-time input/output data of LDW camera unit.
CAN DIAG SUPPORT MNTR The results of transmit/receive diagnosis of CAN communication can be read.
Active Test Enables operation check of electrical loads by sending driving signal to them.
Ecu Identification Displays part number of LDW camera unit.
Operation Function Reference page
AUTO AIM Outputs camera unit, calculates dislocation of the camera, and displays adjustment di-
rection.
DI-71, "
Camera
Aiming Adjust-
ment"
3AA93ABC3ACD3AC03ACA3AC03AC63AC53A913A773A893A873A873A8E3A773A983AC73AC93AC03AC3
3A893A873A873A8F3A773A9D3AAF3A8A3A8C3A863A9D3AAF3A8B3A8C
Page 1208 of 3924
![INFINITI FX35 2008 Service Manual
DI-82
< SERVICE INFORMATION >
LANE DEPARTURE WARNING SYSTEM
NOTE:
When a DTC is detected, the LDW system dose not operate.
When the DTC except “ABNRML TEMP DETECT [C1B03] ” is detected, the INFINITI FX35 2008 Service Manual
DI-82
< SERVICE INFORMATION >
LANE DEPARTURE WARNING SYSTEM
NOTE:
When a DTC is detected, the LDW system dose not operate.
When the DTC except “ABNRML TEMP DETECT [C1B03] ” is detected, the](/img/42/57017/w960_57017-1207.png)
DI-82
< SERVICE INFORMATION >
LANE DEPARTURE WARNING SYSTEM
NOTE:
When a DTC is detected, the LDW system dose not operate.
When the DTC except “ABNRML TEMP DETECT [C1B03] ” is detected, the LDW indicator lamp turns ON.
When the DTC “ABNRML TEMP DETECT [C1B03] ” is detected, the LDW system ON indicator lamp blinks.
DATA MONITOR
Display Item
ACTIVE TEST
CAUTION:
Never perform the active test while driving.
Active test cannot be started while LDW indicator lamp is illuminated.
Display item [Code] Malfunctions detected where... Reference
page
CAMERA UNIT MALF [C1B00] LDW camera unit internal malfunction DI-85
CAM AIMING INCMP [C1B01] LDW camera aiming is not adjusted. DI-85
VHCL SPD DATA MALF [C1B02]LDW camera unit detected different vehicle speed signal from TCM and ABS ac-
tuator and electric unit (control unit). DI-85
ABNRML TEMP DETECT [C1B03] Temperature around LDW camera unit is excessively high.
DI-86
CAN COMM CIRCUIT [U1000] LDW camera unit detected CAN communication malfunction. DI-86
CONTROL UNIT (CAN) [U1010] LDW camera unit detected internal CAN communication circuit malfunction. DI-86
Monitored Item [unit] Description
VHCL SPD SE [km/h] or [mph] Displays vehicle speed calculated by LDW camera unit through CAN communication [ABS
actuator and electric unit (control unit) transmits wheel sensor signal through CAN communi-
cation].
VHCL SPD AT [km/h] or [mph] Displays vehicle speed calculated from A/T vehicle speed sensor by LDW camera unit
through CAN communication (TCM transmits A/T vehicle speed sensor signal through CAN
communication).
FCTRY AIM YAW [deg] Displays camera unit installation condition.
FCTRY AIM ROL [deg] Displays camera unit installation condition.
FCTRY AIM PIT [deg] Displays camera unit installation condition.
XOFFSET [pixel] Displays camera unit installation condition.
MAIN SW [On/Off] Displays [On/Off] status as judged from LDW switch signal.
SW ON LAMP [On/Off] Displays [On/Off] status of LDW system ON indicator signal output.
INDICATE LAMP [On/Off] Displays [On/Off] status of LDW indicator signal output.
BUZZER OUTPUT [On/Off] Displays [On/Off] status of LDW chime operation signal output.
LDW INACCURAT [On/Off] Displays LDW camera unit status.
TURN SIGNAL [Off/LH/RH] Displays “Tur n signal” status, determined from BCM thro ugh CAN communication.
LANE DETCT LH [On/Off] Displays left lane marker is detected.
LANE DETCT RH [On/Off] Displays right lane marker is detected.
CROSS LANE LH [On/Off] Displays vehicle is crossing left lane.
CROSS LANE RH [On/Off] Displays vehicle is crossing right lane.
WARN LANE LH [On/Off] Displays warning for left lane.
WARN LANE RH [On/Off] Displays warning for right lane.
VALID POS LH [VLD/INVLD] Displays lateral position for left lane marker is valid.
VALID POS RH [VLD/INVLD] Displays lateral position for right lane marker is valid.
AIMING DONE [OK/NG] Displa ys camera aiming done.
AIMING RESULT [OK/NOK] Disp lays camera aiming result.
3AA93ABC3ACD3AC03ACA3AC03AC63AC53A913A773A893A873A873A8E3A773A983AC73AC93AC03AC3
3A893A873A873A8F3A773A9D3AAF3A8A3A8C3A863A9D3AAF3A8B3A8C
Page 1209 of 3924

LANE DEPARTURE WARNING SYSTEMDI-83
< SERVICE INFORMATION >
C
DE
F
G H
I
J
L
M A
B
DI
N
O P
1. Select “Active Test”.
2. Select any field, “BUZZER DRIVE ”, “SYSTEM ON LAMP DRIVE” and “INDICATOR LAMP DRIVE”, on
selection screen.
3. Select necessary item and “Start”.
4. Active test screen will be shown.
Display Item
BUZZER DRIVE
Select “On” and “Off” to check if LDW chime operates as follows.
SYSTEM ON LAMP DRIVE
Select “ON” and “OFF” to check if LDW s ystem ON indicator operates as follows.
NOTE:
Perform “SYSTEM ON LAMP DRIVE” when LDW system ON indicator turns OFF.
INDICATOR LAMP DRIVE
Select “On” and “Off” to check that LDW indicator lamp operates as follows.
Trouble DiagnosisINFOID:0000000001328501
HOW TO PERFORM TROUBLE DIAGNOSIS
1. Check the symptom and customer complaint.
2. Understand the outline of system. Refer to DI-69, "
System Description".
3. Perform the preliminary inspection. Refer to DI-84, "
Preliminary Check".
4. Referring to symptom chart, repair or replace the cause of the malfunction. Refer to "SYMPTOM CHART".
5. Erase DTC and perform self-diagnosis of LDW sys tem again. Then perform LDW system running test.
Refer to DI-81, "
CONSULT-III Function (LDW)" and DI-71, "Action Test".
6. Does LDW system operate normally? If it oper ates normally, GO TO 7. If not, GO TO 3.
7. INSPECTION END
SYMPTOM CHART
Active test item Operation item Function
BUZZER DRIVE LDW chime This test is able to check LDW chime operation.
SYSTEM ON LAMP DRIVE LDW system ON indicator This test is able to check LDW system ON indicator operation.
INDICATOR LAMP DRIVE LDW indicator lamp This test is able to check LDW indicator lamp operation.
“BUZZER DRIVE”
Select “On” : LDW chime is activated.
Select “Off” : LDW chime is not activated.
“SYSTEM ON LAMP DRIVE”
Select “On” : LDW system ON indicator illuminates.
Select “Off” : LDW system ON indicator turns OFF.
“INDICATOR LAMP DRIVE”
Select “On” : LDW indicator lamp illuminates.
Select “Off” : LDW indicator lamp OFF.
3AA93ABC3ACD3AC03ACA3AC03AC63AC53A913A773A893A873A873A8E3A773A983AC73AC93AC03AC3
3A893A873A873A8F3A773A9D3AAF3A8A3A8C3A863A9D3AAF3A8B3A8C