warning INFINITI FX35 2008 Service Manual
[x] Cancel search | Manufacturer: INFINITI, Model Year: 2008, Model line: FX35, Model: INFINITI FX35 2008Pages: 3924, PDF Size: 81.37 MB
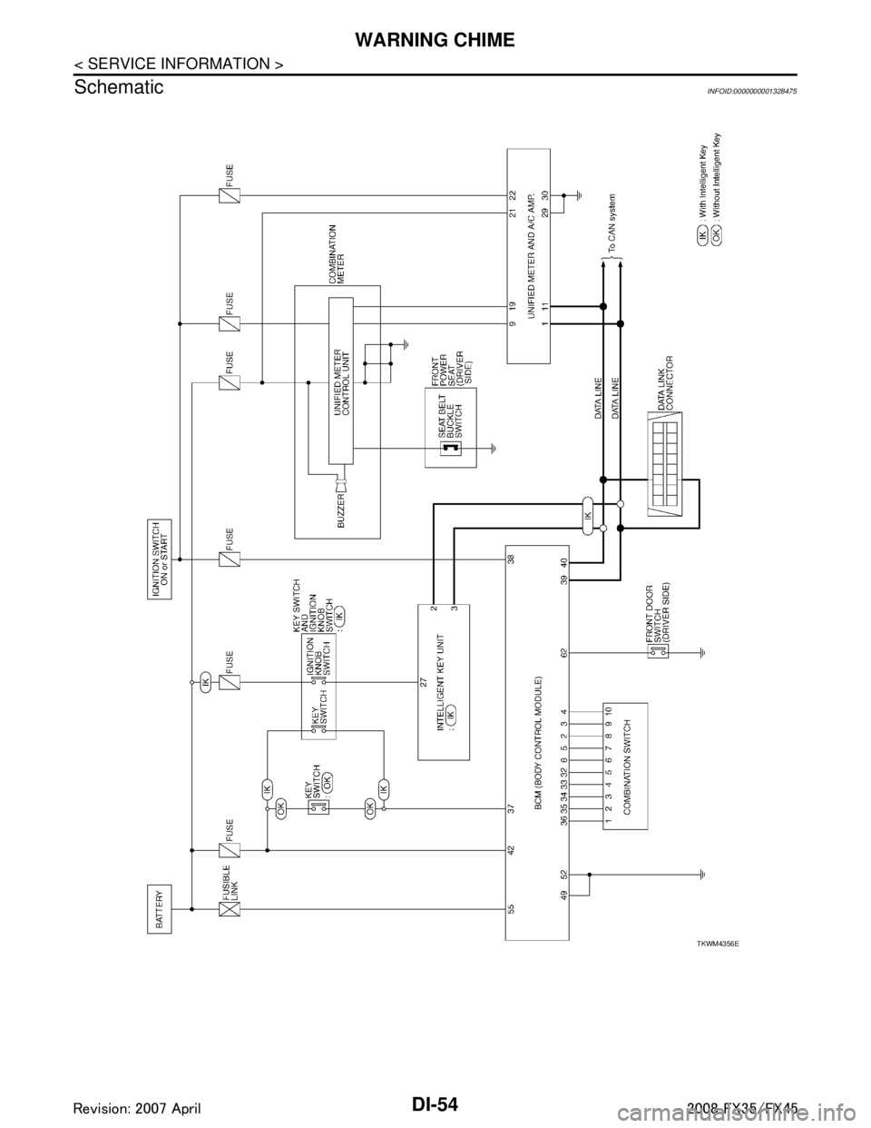
Page 1180 of 3924

DI-54
< SERVICE INFORMATION >
WARNING CHIME
Schematic
INFOID:0000000001328475
TKWM4356E
3AA93ABC3ACD3AC03ACA3AC03AC63AC53A913A773A893A873A873A8E3A773A983AC73AC93AC03AC3
3A893A873A873A8F3A773A9D3AAF3A8A3A8C3A863A9D3AAF3A8B3A8C
Page 1181 of 3924

WARNING CHIMEDI-55
< SERVICE INFORMATION >
C
DE
F
G H
I
J
L
M A
B
DI
N
O P
Wiring Diagram - CHIME -INFOID:0000000001328476
TKWM4357E
3AA93ABC3ACD3AC03ACA3AC03AC63AC53A913A773A893A873A873A8E3A773A983AC73AC93AC03AC3
3A893A873A873A8F3A773A9D3AAF3A8A3A8C3A863A9D3AAF3A8B3A8C
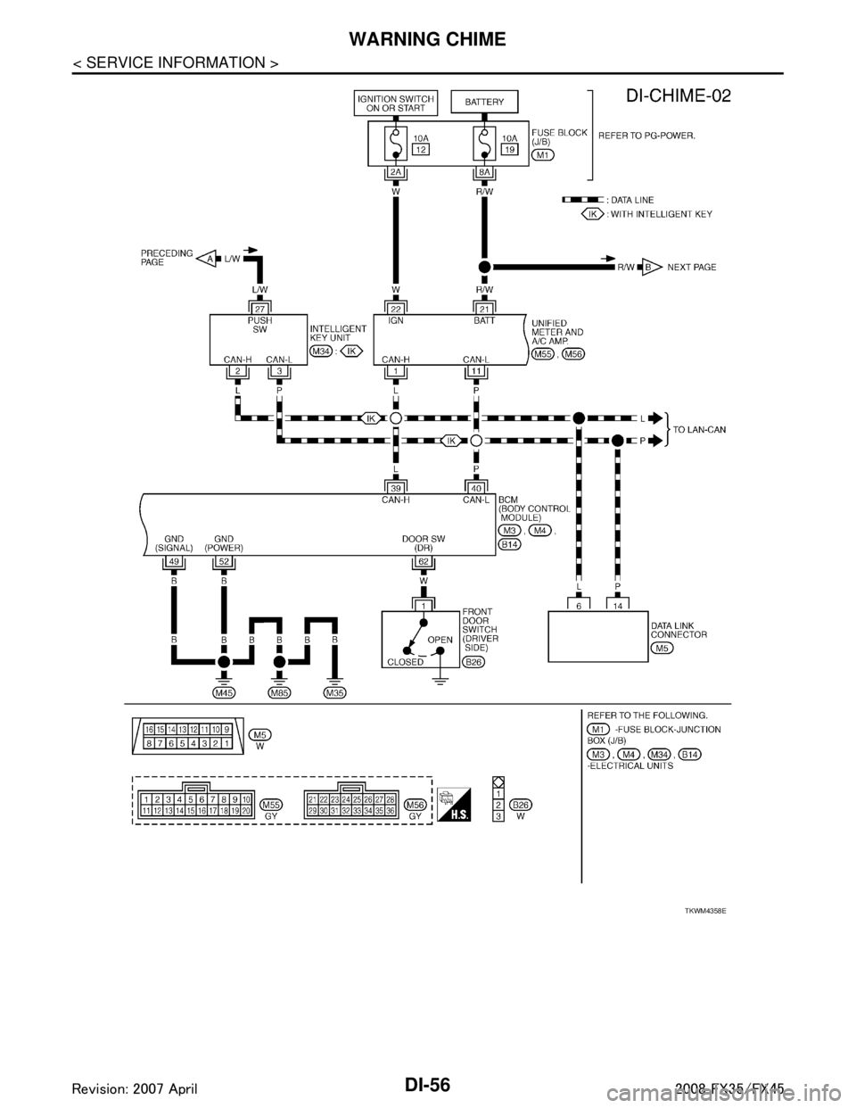
Page 1182 of 3924

DI-56
< SERVICE INFORMATION >
WARNING CHIME
TKWM4358E
3AA93ABC3ACD3AC03ACA3AC03AC63AC53A913A773A893A873A873A8E3A773A983AC73AC93AC03AC3
3A893A873A873A8F3A773A9D3AAF3A8A3A8C3A863A9D3AAF3A8B3A8C
Page 1183 of 3924

WARNING CHIMEDI-57
< SERVICE INFORMATION >
C
DE
F
G H
I
J
L
M A
B
DI
N
O P
Terminal and Reference Value for BCMINFOID:0000000001328477
CAUTION:
Check combination switch system terminal wavef orm under the loaded condition with lighting
switch, turn signal and wipe r switch OFF not to be fluctuated by overloaded.
Turn wiper dial position to 4 except when checking w aveform or voltage of wiper dial position. Wiper
dial position can be confirmed on CONSULT-III. Refer to LT-103, "
CONSULT-III Functions (BCM)".
TKWM4359E
3AA93ABC3ACD3AC03ACA3AC03AC63AC53A913A773A893A873A873A8E3A773A983AC73AC93AC03AC3
3A893A873A873A8F3A773A9D3AAF3A8A3A8C3A863A9D3AAF3A8B3A8C
Page 1184 of 3924

DI-58
< SERVICE INFORMATION >
WARNING CHIME
Te r -mi-
nal
No. Wire
color Item Measuring condition
Reference value
Igni-
tion
switc h Operation or condition
2G/Y Combination switch
input 5 ONLighting, turn, wiper switch
(Wiper intermittent dial posi-
tion 4) OFF Approx. 0 V
Lighting switch
1ST
Approx. 1.0 V
33 G Combination switch
output 4 ONLighting, turn, wiper switch
(Wiper intermittent dial posi-
tion 4) OFF
Approx. 7.2 V
Lighting switch
1ST Approx. 1.2 V
37 B/W Key switch signal OFF When key is removed to ignition key cylinder. Approx. 0 V
When key is inserted to ignition key cylinder. Battery voltage
38 W/L Ignition power supply ON — Battery voltage
39 L CAN-H OFF — —
40 P CAN-L OFF — —
42 L/R Battery power supply OFF — Battery voltage
49 B Ground ON — Approx. 0 V
52
55 G Battery power supp ly OFF — Battery voltage
62 W Front door switch DR
signal
OFF Front door switch DR ON (open) Approx. 0 V
OFF (closed)
Approx. 7.0 - 7.5 V
PKIB4959J
PKIB4960J
PKIB4958J
PKIB4960J
3AA93ABC3ACD3AC03ACA3AC03AC63AC53A913A773A893A873A873A8E3A773A983AC73AC93AC03AC3
3A893A873A873A8F3A773A9D3AAF3A8A3A8C3A863A9D3AAF3A8B3A8C
Page 1185 of 3924

WARNING CHIMEDI-59
< SERVICE INFORMATION >
C
DE
F
G H
I
J
L
M A
B
DI
N
O P
Terminal and Reference Value for Unified Meter and A/C Amp.INFOID:0000000001328478
Terminal and Reference Value for Combination MeterINFOID:0000000001328479
Te r m i n a l
No. Wire
color Item Measuring condition
Reference value
Ignition
switch Operation or condition
1 L CAN-H OFF — —
9PU TX communication line (To
combination meter) ON —
11 P C A N - L O F F — —
19 L/B RX communication line
(From combination meter) ON —
21 R/W Battery power supply OFF — Battery voltage
22 W Ignition power supply ON — Battery voltage
29 BGround (Power)
ON — Approx. 0 V
30 Ground
SKIA3362E
SKIA3361E
Te r m i n a l
No. Wire
color Item Measuring condition
Reference value
Ignition
switch Operation or condition
5 B Ground ON — Approx. 0 V
6
7 G/Y Ignition power supply ON — Battery voltage
8 R/W Battery power supply OFF — Battery voltage
9LG Seat belt buckle switch (Driv-
er side) ONUnfastened (ON) Approx. 0 V
Fastened (OFF) Approx. 12 V
13 L/B TX communication line (To
unified meter and A/C amp.)
ON —
SKIA3361E
3AA93ABC3ACD3AC03ACA3AC03AC63AC53A913A773A893A873A873A8E3A773A983AC73AC93AC03AC3
3A893A873A873A8F3A773A9D3AAF3A8A3A8C3A863A9D3AAF3A8B3A8C
Page 1186 of 3924

DI-60
< SERVICE INFORMATION >
WARNING CHIME
CONSULT-III Function (METER/M&A)
INFOID:0000000001328480
Refer to DI-27, "CONSULT-III Function (METER/M&A)" in “UNIFIED METER AND A/C AMP”.
CONSULT-III Function (BCM)INFOID:0000000001328481
CONSULT-III can display each diagnostic item using the diagnostic test modes shown following.
DIAGNOSIS ITEMS DESCRIPTION
DATA MONITOR
Display Item List
ACTIVE TEST
Display Item List
SELF DIAGNOSTIC RESULT
Display Item List
NOTE:
14 PU RX communication line
(From unified meter and A/C
amp.) ON —
15 B Ground ON — Approx. 0 V
Te r m i n a l
No. Wire
color Item Measuring condition
Reference value
Ignition
switch Operation or condition
SKIA3362E
System Test item Diagnosis mode Description
BCM BUZZER Data Monitor Displays BCM input data in real time.
Active Test
Operation of electrical loads can be checked by sending driving signal
to them.
BCM Self Diagnostic Result BCM checks the conditions and displays memorized error.
Monitored item Description
IGN ON SW [On/Off] Indicates [On/Off] condition of ignition switch.
KEY ON SW [On/Off] Indicates [On/ Off] condition of key switch.
DOOR SW-DR [On/Off] Indicates [On/Off] condition of front door switch (driver side).
LIGHT SW 1ST [On/Off] Indicates [On/Off] condition of lighting switch.
BUCKLE SW [On/Off] Indicates [On/Off] condition of seat belt switch (driver side).
Test item Malfunction is detected when···
LIGHT WARN ALM This test is able to check light warning chime operation.
IGN KEY WARN ALM This test is able to ch eck ignition key warning chime operation.
SEAT BELT WARN TEST This test is able to check seat belt warning chime operation.
Monitored Item CONSULT-llI display Description
CAN communication CAN communication [U1000] Malfunction is detected in CAN communication.
3AA93ABC3ACD3AC03ACA3AC03AC63AC53A913A773A893A873A873A8E3A773A983AC73AC93AC03AC3
3A893A873A873A8F3A773A9D3AAF3A8A3A8C3A863A9D3AAF3A8B3A8C
Page 1187 of 3924
![INFINITI FX35 2008 Service Manual
WARNING CHIMEDI-61
< SERVICE INFORMATION >
C
DE
F
G H
I
J
L
M A
B
DI
N
O P
If “CAN communication [U1000]” is indicated, after prin ting the monitor item, go to “LAN system”. Refer to
LAN-43, INFINITI FX35 2008 Service Manual
WARNING CHIMEDI-61
< SERVICE INFORMATION >
C
DE
F
G H
I
J
L
M A
B
DI
N
O P
If “CAN communication [U1000]” is indicated, after prin ting the monitor item, go to “LAN system”. Refer to
LAN-43,](/img/42/57017/w960_57017-1186.png)
WARNING CHIMEDI-61
< SERVICE INFORMATION >
C
DE
F
G H
I
J
L
M A
B
DI
N
O P
If “CAN communication [U1000]” is indicated, after prin ting the monitor item, go to “LAN system”. Refer to
LAN-43, "
CAN System Specification Chart".
Trouble DiagnosisINFOID:0000000001328482
HOW TO PERFORM TROUBLE DIAGNOSIS
1. Confirm the symptom or customer complaint.
2. Understand operation description and function description. Refer to DI-51, "
System Description".
3. Perform the preliminary inspection. Refer to "PRELIMINARY INSPECTION".
4. Referring to trouble diagnosis chart, make sure the cause of the malfunction and repair or replace applica-
ble parts. Refer to DI-61, "
Symptom Chart".
5. Does the warning chime operate normally? If so, GO TO 6. If not, GO TO 3.
6. INSPECTION END
PRELIMINARY INSPECTION
1.CHECK BCM (CONSULT-III)
Perform self-diagnosis of BCM. Refer to DI-60, "
CONSULT-III Function (BCM)".
Self
-diagnosis results
No malfunction detected >> GO TO 2.
Malfunction detected >> Check applicable parts, and repair or replace corresponding parts.
2.CHECK UNIFIED METER AND A/C AMP. (CONSULT-III)
Perform self-diagnosis of unified meter and A/C amp. Refer to DI-27, "
CONSULT-III Function (METER/M&A)".
Self
-diagnosis results
No malfunction detected >> INSPECTION END
Malfunction detected >> Check applicable parts, and repair or replace corresponding parts.
Symptom ChartINFOID:0000000001328483
Power Supply and Ground Circuit InspectionINFOID:0000000001328484
1.CHECK FUSE AND FUSIBLE LINK
Check for blown BCM fuses and fusible link.
Symptom Diagnoses/Service procedure
All warning chimes do not activate. Perform the following inspections.
1.
DI-62, "
Combination Meter Buzzer Circuit Inspection".
2. DI-61, "
Power Supply and Ground Circuit Inspection".
Replace BCM, found normal function in the above inspections.
Ignition key
warning chime
does not acti-
vate. Without Intelligent Key.
Perform the following inspections.
1.
DI-63, "
Front Door Switch (Drive r Side) Signal Inspection".
2. DI-64, "
Key Switch Signal Inspection (Without Intelligent Key)".
Replace BCM, found normal function in the above inspections.
With Intelligent Key, when mechan-
ical key is used. Perform the following inspections.
1.
DI-63, "
Front Door Switch (Drive r Side) Signal Inspection".
2. DI-65, "
Key Switch and Ignition Knob Switch Signal Inspection (With In-
telligent Key, When Mechanical Key Is Used)".
Replace BCM, found normal function in the above inspections.
With Intelligent Key, when Intelli-
gent Key is carried with the driver. Refer to
BL-106, "
Trouble Diagnosis Symptom Chart".
Light warning chime does not activate. Perform the following inspections.
1.
DI-63, "
Front Door Switch (Drive r Side) Signal Inspection".
2. LT- 1 0 4 , "
Combination Switch Inspection".
Replace BCM, found normal function in the above inspections.
Seat belt warning chime does not activate. Perform
DI-66, "
Seat Belt Buckle Switch (D river Side) Signal Inspection".
Replace BCM, found normal function in the above inspection.
3AA93ABC3ACD3AC03ACA3AC03AC63AC53A913A773A893A873A873A8E3A773A983AC73AC93AC03AC3
3A893A873A873A8F3A773A9D3AAF3A8A3A8C3A863A9D3AAF3A8B3A8C
Page 1188 of 3924

DI-62
< SERVICE INFORMATION >
WARNING CHIME
OK or NG
OK >> GO TO 2.
NG >> Be sure to eliminate cause of malfunction before installing new fuse or fusible link. Refer to PG-3
.
2.CHECK POWER SUPPLY CIRCUIT
Check voltage between BCM harness connector terminals and
ground.
OK or NG
OK >> GO TO 3.
NG >> Check harness between BCM and fuse.
3.CHECK GROUND CIRCUIT
1. Turn ignition switch OFF.
2. Disconnect BCM connector.
3. Check continuity between BCM harness connector M35 terminal 52 and ground.
OK or NG
OK >> INSPECTION END
NG >> Repair harness or connector.
Combination Meter Buzzer Circuit InspectionINFOID:0000000001328485
1.CHECK OPERATION OF COMBINATION METER BUZZER
1. Select “BUZZER” of “BCM” on CONSULT-III.
2. Perform “LIGHT WARN ALM”, “IGN KEY WARN AL M” or “SEAT BELT WARN TEST” of “Active Test”.
Does chime sound?
YES >> GO TO 4.
NO >> GO TO 2.
2.CHECK UNIFIED METER AND A/C AMP. INPUT SIGNAL
1. Select “METER/M&A” on CONSULT-III.
2. Operate switches to meet the requirements to s ound warning chime with “BUZZER” of “Data Monitor” and
check operation status.
Power source Fuse and fusible link No.
Battery power supply M
22
Ignition power supply 1
Terminals Ignition switch position
(+) (–) OFF ON
Connector Terminal
M34 38 Ground0 V Battery voltage
M35 42
Battery voltage Battery voltage
55
PKIB3988E
52 – Ground : Continui ty should exist.
PKIB5011E
“BUZZER”
3AA93ABC3ACD3AC03ACA3AC03AC63AC53A913A773A893A873A873A8E3A773A983AC73AC93AC03AC3
3A893A873A873A8F3A773A9D3AAF3A8A3A8C3A863A9D3AAF3A8B3A8C
Page 1189 of 3924

WARNING CHIMEDI-63
< SERVICE INFORMATION >
C
DE
F
G H
I
J
L
M A
B
DI
N
O P
OK or NG
OK >> GO TO 3.
NG >> Replace BCM. Refer to BCS-13, "
Removal and Installation of BCM".
3.CHECK BATTERY POWER SUPPLY CIRCUIT OF COMBINATION METER
Check battery power supply circuit of combination meter. Refer to DI-16, "
Power Supply and Ground Circuit
Inspection".
OK or NG
OK >> Replace combination meter.
NG >> Check harness between combination meter and fuse.
4.CHECK BATTERY POWER SUPPLY CIRCUI T OF UNIFIED METER AND A/C AMP.
Check battery power supply circuit of unified meter and A/C amp. Refer to DI-29, "
Power Supply and Ground
Circuit Inspection".
OK or NG
OK >> INSPECTION END
NG >> Check harness between unified meter and A/C amp. and fuse.
Front Door Switch (Drive r Side) Signal InspectionINFOID:0000000001328486
1.CHECK BCM INPUT SIGNAL
With CONSULT-III
1. Select “BCM” on consult-III.
2. With “Data Monitor” of “BUZZER”, confirm “D OOR SW-DR” when the driver side door is operated.
Without CONSULT-III
Check voltage between BCM harness connector B14 terminal 62 and ground.
OK or NG
OK >> INSPECTION END
NG >> GO TO 2.
2.CHECK FRONT DOOR SWIT CH (DRIVER SIDE) CIRCUIT
1. Turn ignition switch OFF.
2. Disconnect BCM connector and front door switch (driver side) connector. When meeting the requirements
to sound warning chime
: On
Except above : Off
“DOOR SW-DR”
When driver side door is opened : On
When driver side door is closed : Off
62 – Ground
When driver side door is opened : Approx. 0 V
When driver side door is closed : Approx. 12 V
3AA93ABC3ACD3AC03ACA3AC03AC63AC53A913A773A893A873A873A8E3A773A983AC73AC93AC03AC3
3A893A873A873A8F3A773A9D3AAF3A8A3A8C3A863A9D3AAF3A8B3A8C