fuel system INFINITI M35 2006 Factory Service Manual
[x] Cancel search | Manufacturer: INFINITI, Model Year: 2006, Model line: M35, Model: INFINITI M35 2006Pages: 5621, PDF Size: 65.56 MB
Page 2588 of 5621
![INFINITI M35 2006 Factory Service Manual DTC P0171, P0174 FUEL INJECTION SYSTEM FUNCTION
EC-1045
[VK45DE]
C
D
E
F
G
H
I
J
K
L
MA
EC
Revision: 2006 January2006 M35/M45
7. If it is difficult to start engine at step 6, the fuel injection system INFINITI M35 2006 Factory Service Manual DTC P0171, P0174 FUEL INJECTION SYSTEM FUNCTION
EC-1045
[VK45DE]
C
D
E
F
G
H
I
J
K
L
MA
EC
Revision: 2006 January2006 M35/M45
7. If it is difficult to start engine at step 6, the fuel injection system](/img/42/57023/w960_57023-2587.png)
DTC P0171, P0174 FUEL INJECTION SYSTEM FUNCTION
EC-1045
[VK45DE]
C
D
E
F
G
H
I
J
K
L
MA
EC
Revision: 2006 January2006 M35/M45
7. If it is difficult to start engine at step 6, the fuel injection system has a malfunction, too.
8. Crank engine while depressing accelerator pedal. If engine starts, go to EC-1050, "
Diagnostic Procedure"
. If engine does not start, check exhaust and intake air leak visually.
WITH GST
1. Start engine and warm it up to normal operating temperature.
2. Turn ignition switch OFF and wait at least 10 seconds.
3. Disconnect mass air flow sensor (1) harness connector.
4. Restart engine and let it idle for at least 5 seconds.
5. Stop engine and reconnect mass air flow sensor harness con-
nector.
6. Select Service $03 with GST. Make sure DTC P0102 is
detected.
7. Select Service $04 with GST and erase the DTC P0102.
8. Start engine again and let it idle for at least 10 minutes.
9. Select Service $07 with GST. The 1st trip DTC P0171 or P0174
should be detected at this stage, if a malfunction exists. If so, go
to EC-1050, "
Diagnostic Procedure" .
NOTE:
If 1st trip DTC is not detected during above procedure, performing the following procedure is advised.
a. Turn ignition switch OFF and wait at least 10 seconds.
b. Start engine and drive the vehicle under the similar conditions to (1st trip) Freeze Frame Data for 10 min-
utes. Refer to the table below.
Hold the accelerator pedal as steady as possible.
The similar conditions to (1st trip) Freeze Frame Data means the vehicle operation that the following con-
ditions should be satisfied at the same time.
10. If it is difficult to start engine at step 8, the fuel injection system has a malfunction.
11. Crank engine while depressing accelerator pedal. If engine starts, go to EC-1050, "
Diagnostic Procedure"
.
If engine does not start, check exhaust and intake air leak visually.
PBIB2682E
Engine speed Engine speed in the freeze frame data 400 rpm
Vehicle speed Vehicle speed in the freeze frame data
10 km/h (6 MPH)
Engine coolant temperature
(T) conditionWhen the freeze frame data shows lower than 70
C (158 F),
T should be lower than 70
C (158 F).
When the freeze frame data shows higher than or equal to 70
C (158 F),
T should be higher than or equal to 70
C (158 F).
Page 2589 of 5621
![INFINITI M35 2006 Factory Service Manual EC-1046
[VK45DE]
DTC P0171, P0174 FUEL INJECTION SYSTEM FUNCTION
Revision: 2006 January2006 M35/M45
Wiring DiagramNBS005FB
BANK 1
TBWT1022E INFINITI M35 2006 Factory Service Manual EC-1046
[VK45DE]
DTC P0171, P0174 FUEL INJECTION SYSTEM FUNCTION
Revision: 2006 January2006 M35/M45
Wiring DiagramNBS005FB
BANK 1
TBWT1022E](/img/42/57023/w960_57023-2588.png)
EC-1046
[VK45DE]
DTC P0171, P0174 FUEL INJECTION SYSTEM FUNCTION
Revision: 2006 January2006 M35/M45
Wiring DiagramNBS005FB
BANK 1
TBWT1022E
Page 2590 of 5621
![INFINITI M35 2006 Factory Service Manual DTC P0171, P0174 FUEL INJECTION SYSTEM FUNCTION
EC-1047
[VK45DE]
C
D
E
F
G
H
I
J
K
L
MA
EC
Revision: 2006 January2006 M35/M45
Specification data are reference values and are measured between each term INFINITI M35 2006 Factory Service Manual DTC P0171, P0174 FUEL INJECTION SYSTEM FUNCTION
EC-1047
[VK45DE]
C
D
E
F
G
H
I
J
K
L
MA
EC
Revision: 2006 January2006 M35/M45
Specification data are reference values and are measured between each term](/img/42/57023/w960_57023-2589.png)
DTC P0171, P0174 FUEL INJECTION SYSTEM FUNCTION
EC-1047
[VK45DE]
C
D
E
F
G
H
I
J
K
L
MA
EC
Revision: 2006 January2006 M35/M45
Specification data are reference values and are measured between each terminal and ground.
Pulse signal is measured by CONSULT-II.
CAUTION:
Do not use ECM ground terminals when measuring input/output voltage. Doing so may result in dam-
age to the ECM's transistor. Use a ground other than ECM terminals, such as the ground.
: Average voltage for pulse signal (Actual pulse signal can be confirmed by oscilloscope.) TER-
MINAL
NO.WIRE
COLORITEM CONDITION DATA (DC Voltage)
2SBA/F sensor 1 heater
(bank 1)[Engine is running]
Warm-up condition
Idle speedApproximately 5V
16 W/L
A/F sensor 1 (bank 1)[Engine is running]
Warm-up condition
Idle speedApproximately 3.1V
35 GR/LApproximately 2.6V
56 LG/BApproximately 2.3V
75 YApproximately 2.3V
21
22
23
44W
R/Y
R/B
OFuel injector No. 5
Fuel injector No. 3
Fuel injector No. 1
Fuel injector No. 7[Engine is running]
Warm-up condition
Idle speed
NOTE:
The pulse cycle changes depending on rpm
at idleBATTERY VOLTAGE
(11 - 14V)
[Engine is running]
Warm-up condition
Engine speed: 2,000 rpmBATTERY VOLTAGE
(11 - 14V)
PBIB1584E
PBIB0042E
PBIB0043E
Page 2591 of 5621
![INFINITI M35 2006 Factory Service Manual EC-1048
[VK45DE]
DTC P0171, P0174 FUEL INJECTION SYSTEM FUNCTION
Revision: 2006 January2006 M35/M45
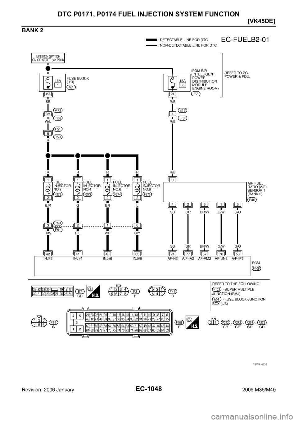
BANK 2
TBWT1023E INFINITI M35 2006 Factory Service Manual EC-1048
[VK45DE]
DTC P0171, P0174 FUEL INJECTION SYSTEM FUNCTION
Revision: 2006 January2006 M35/M45
BANK 2
TBWT1023E](/img/42/57023/w960_57023-2590.png)
EC-1048
[VK45DE]
DTC P0171, P0174 FUEL INJECTION SYSTEM FUNCTION
Revision: 2006 January2006 M35/M45
BANK 2
TBWT1023E
Page 2592 of 5621
![INFINITI M35 2006 Factory Service Manual DTC P0171, P0174 FUEL INJECTION SYSTEM FUNCTION
EC-1049
[VK45DE]
C
D
E
F
G
H
I
J
K
L
MA
EC
Revision: 2006 January2006 M35/M45
Specification data are reference values and are measured between each term INFINITI M35 2006 Factory Service Manual DTC P0171, P0174 FUEL INJECTION SYSTEM FUNCTION
EC-1049
[VK45DE]
C
D
E
F
G
H
I
J
K
L
MA
EC
Revision: 2006 January2006 M35/M45
Specification data are reference values and are measured between each term](/img/42/57023/w960_57023-2591.png)
DTC P0171, P0174 FUEL INJECTION SYSTEM FUNCTION
EC-1049
[VK45DE]
C
D
E
F
G
H
I
J
K
L
MA
EC
Revision: 2006 January2006 M35/M45
Specification data are reference values and are measured between each terminal and ground.
Pulse signal is measured by CONSULT-II.
CAUTION:
Do not use ECM ground terminals when measuring input/output voltage. Doing so may result in dam-
age to the ECM's transistor. Use a ground other than ECM terminals, such as the ground.
: Average voltage for pulse signal (Actual pulse signal can be confirmed by oscilloscope.) TER-
MINAL
NO.WIRE
COLORITEM CONDITION DATA (DC Voltage)
24 SBA/F sensor 1 heater
(bank 2)[Engine is running]
Warm-up condition
Idle speedApproximately 5V
40
41
42
63V/R
P/L
R/W
G/YFuel injector No. 6
Fuel injector No. 4
Fuel injector No. 2
Fuel injector No. 8[Engine is running]
Warm-up condition
Idle speed
NOTE:
The pulse cycle changes depending on rpm
at idleBATTERY VOLTAGE
(11 - 14V)
[Engine is running]
Warm-up condition
Engine speed: 2,000 rpmBATTERY VOLTAGE
(11 - 14V)
57 BR/W
A/F sensor 1 (bank 2)[Engine is running]
Warm-up condition
Idle speedApproximately 2.6V
58 G/OApproximately 2.3V
76 G/WApproximately 3.1V
77 GRApproximately 2.3V
PBIB1584E
PBIB0042E
PBIB0043E
Page 2593 of 5621
![INFINITI M35 2006 Factory Service Manual EC-1050
[VK45DE]
DTC P0171, P0174 FUEL INJECTION SYSTEM FUNCTION
Revision: 2006 January2006 M35/M45
Diagnostic ProcedureNBS005FC
1. CHECK EXHAUST GAS LEAK
1. Start engine and run it at idle.
2. Listen INFINITI M35 2006 Factory Service Manual EC-1050
[VK45DE]
DTC P0171, P0174 FUEL INJECTION SYSTEM FUNCTION
Revision: 2006 January2006 M35/M45
Diagnostic ProcedureNBS005FC
1. CHECK EXHAUST GAS LEAK
1. Start engine and run it at idle.
2. Listen](/img/42/57023/w960_57023-2592.png)
EC-1050
[VK45DE]
DTC P0171, P0174 FUEL INJECTION SYSTEM FUNCTION
Revision: 2006 January2006 M35/M45
Diagnostic ProcedureNBS005FC
1. CHECK EXHAUST GAS LEAK
1. Start engine and run it at idle.
2. Listen for an exhaust gas leak before three way catalyst (manifold).
OK or NG
OK >> GO TO 2.
NG >> Repair or replace.
2. CHECK FOR INTAKE AIR LEAK
1. Listen for an intake air leak after the mass air flow sensor.
2. Check PCV hose connection.
OK or NG
OK >> GO TO 3.
NG >> Repair or replace.
PBIB1216E
Page 2594 of 5621
![INFINITI M35 2006 Factory Service Manual DTC P0171, P0174 FUEL INJECTION SYSTEM FUNCTION
EC-1051
[VK45DE]
C
D
E
F
G
H
I
J
K
L
MA
EC
Revision: 2006 January2006 M35/M45
3. CHECK AIR FUEL RATIO (A/F) SENSOR 1 INPUT SIGNAL CIRCUIT
1. Turn igniti INFINITI M35 2006 Factory Service Manual DTC P0171, P0174 FUEL INJECTION SYSTEM FUNCTION
EC-1051
[VK45DE]
C
D
E
F
G
H
I
J
K
L
MA
EC
Revision: 2006 January2006 M35/M45
3. CHECK AIR FUEL RATIO (A/F) SENSOR 1 INPUT SIGNAL CIRCUIT
1. Turn igniti](/img/42/57023/w960_57023-2593.png)
DTC P0171, P0174 FUEL INJECTION SYSTEM FUNCTION
EC-1051
[VK45DE]
C
D
E
F
G
H
I
J
K
L
MA
EC
Revision: 2006 January2006 M35/M45
3. CHECK AIR FUEL RATIO (A/F) SENSOR 1 INPUT SIGNAL CIRCUIT
1. Turn ignition switch OFF.
2. Disconnect corresponding air fuel ratio (A/F) sensor 1 harness connector.
3. Disconnect ECM harness connector.
4. Check harness continuity between the following terminals.
Refer to Wiring Diagram.
5. Check harness continuity between the following terminals and ground.
Refer to Wiring Diagram.
6. Also check harness for short to power.
OK or NG
OK >> GO TO 4.
NG >> Repair open circuit or short to ground or short to power in harness or connectors.
: Vehicle front 1. A/F sensor 1 (bank 2)
harness connector2. A/F sensor 1 (bank 1)
harness connector
A/F sensor 1 terminal ECM terminal
Bank 1116
275
535
656
Bank 2176
277
557
658
Continuity should exist.
Bank 1 Bank 2
A/F sensor 1 terminal ECM terminal A/F sensor 1 terminal ECM terminal
116176
275277
535557
656658
Continuity should not exist.
PBIB2715E
Page 2595 of 5621
![INFINITI M35 2006 Factory Service Manual EC-1052
[VK45DE]
DTC P0171, P0174 FUEL INJECTION SYSTEM FUNCTION
Revision: 2006 January2006 M35/M45
4. CHECK FUEL PRESSURE
1. Release fuel pressure to zero. Refer to EC-809, "
FUEL PRESSURE RELEAS INFINITI M35 2006 Factory Service Manual EC-1052
[VK45DE]
DTC P0171, P0174 FUEL INJECTION SYSTEM FUNCTION
Revision: 2006 January2006 M35/M45
4. CHECK FUEL PRESSURE
1. Release fuel pressure to zero. Refer to EC-809, "
FUEL PRESSURE RELEAS](/img/42/57023/w960_57023-2594.png)
EC-1052
[VK45DE]
DTC P0171, P0174 FUEL INJECTION SYSTEM FUNCTION
Revision: 2006 January2006 M35/M45
4. CHECK FUEL PRESSURE
1. Release fuel pressure to zero. Refer to EC-809, "
FUEL PRESSURE RELEASE" .
2. Install fuel pressure gauge and check fuel pressure. Refer to EC-809, "
FUEL PRESSURE CHECK" .
OK or NG
OK >> GO TO 6.
NG >> GO TO 5.
5. DETECT MALFUNCTIONING PART
Check the following.
Fuel pump and circuit (Refer to EC-1427, "FUEL PUMP" .)
Fuel pressure regulator (Refer to EC-809, "FUEL PRESSURE CHECK" .)
Fuel lines
Fuel filter for clogging
>> Repair or replace.
6. CHECK MASS AIR FLOW SENSOR
With CONSULT-II
1. Install all removed parts.
2. Check “MASS AIR FLOW” in “DATA MONITOR” mode with CONSULT-II.
With GST
1. Install all removed parts.
2. Check mass air flow sensor signal in Service $01 with GST.
OK or NG
OK (With CONSULT-II)>>GO TO 7.
OK (Without CONSULT-II)>>GO TO 8.
NG >> Check connectors for rusted terminals or loose connections in the mass air flow sensor circuit or
grounds. Refer to EC-927, "
DTC P0101 MAF SENSOR" .
7. CHECK FUNCTION OF FUEL INJECTOR
With CONSULT-II
1. Start engine.
2. Perform “POWER BALANCE” in “ACTIVE TEST” mode with
CONSULT-II.
3. Make sure that each circuit produces a momentary engine
speed drop.At idling: Approximately 350 kPa (3.57 kg/cm
2 , 51 psi)
2.0 - 6.0 gꞏm/sec: at idling
7.0 - 20.0 gꞏm/sec: at 2,500 rpm
2.0 - 6.0 gꞏm/sec: at idling
7.0 - 20.0 gꞏm/sec: at 2,500 rpm
PBIB0133E
Page 2596 of 5621
![INFINITI M35 2006 Factory Service Manual DTC P0171, P0174 FUEL INJECTION SYSTEM FUNCTION
EC-1053
[VK45DE]
C
D
E
F
G
H
I
J
K
L
MA
EC
Revision: 2006 January2006 M35/M45
OK or NG
OK >> GO TO 10.
NG >> Perform trouble diagnosis for EC-1420, " INFINITI M35 2006 Factory Service Manual DTC P0171, P0174 FUEL INJECTION SYSTEM FUNCTION
EC-1053
[VK45DE]
C
D
E
F
G
H
I
J
K
L
MA
EC
Revision: 2006 January2006 M35/M45
OK or NG
OK >> GO TO 10.
NG >> Perform trouble diagnosis for EC-1420, "](/img/42/57023/w960_57023-2595.png)
DTC P0171, P0174 FUEL INJECTION SYSTEM FUNCTION
EC-1053
[VK45DE]
C
D
E
F
G
H
I
J
K
L
MA
EC
Revision: 2006 January2006 M35/M45
OK or NG
OK >> GO TO 10.
NG >> Perform trouble diagnosis for EC-1420, "
FUEL INJECTOR" .
8. CHECK FUNCTION OF FUEL INJECTOR-I
Without CONSULT-II
1. Turn ignition switch OFF.
2. Disconnect harness connectors F52, F251 (bank 1) and F51, F271 (bank 2).
3. Turn ignition switch ON.
4. Check voltage between the following;
harness connector F52 terminal 5 and ground,
harness connector F51 terminal 5 and ground
with CONSULT-II or tester.
5. Turn ignition switch OFF.
6. Disconnect ECM harness connector.
7. Check harness continuity between the following terminals.
8. Also check harness for short to ground and short to power.
OK or NG
OK >> GO TO 9.
NG >> Perform trouble diagnosis for EC-1420, "
FUEL INJECTOR" .
: Vehicle front 1. Harness connectors F51, F271 2. Harness connectors F52, F251
Voltage: Battery voltage
Cylinder Harness connector terminal ECM terminal
1 F52 terminal 3 23
3 F52 terminal 2 22
5 F52 terminal 1 21
7 F52 terminal 6 44
2 F51 terminal 3 42
4 F51 terminal 2 41
6 F51 terminal 1 40
8 F51 terminal 6 63
Continuity should exist.
PBIB2723E
PBIB2736E
Page 2597 of 5621
![INFINITI M35 2006 Factory Service Manual EC-1054
[VK45DE]
DTC P0171, P0174 FUEL INJECTION SYSTEM FUNCTION
Revision: 2006 January2006 M35/M45
9. CHECK FUNCTION OF FUEL INJECTOR-II
Provide battery voltage between the following terminals, INFINITI M35 2006 Factory Service Manual EC-1054
[VK45DE]
DTC P0171, P0174 FUEL INJECTION SYSTEM FUNCTION
Revision: 2006 January2006 M35/M45
9. CHECK FUNCTION OF FUEL INJECTOR-II
Provide battery voltage between the following terminals,](/img/42/57023/w960_57023-2596.png)
EC-1054
[VK45DE]
DTC P0171, P0174 FUEL INJECTION SYSTEM FUNCTION
Revision: 2006 January2006 M35/M45
9. CHECK FUNCTION OF FUEL INJECTOR-II
Provide battery voltage between the following terminals, and then
interrupt it. Listen to each fuel injector operating sound.
OK or NG
OK >> GO TO 10.
NG >> Perform trouble diagnosis for EC-1420, "
FUEL INJECTOR" .
10. CHECK FUEL INJECTOR
1. Turn ignition switch OFF.
2. Confirm that the engine is cooled down and there are no fire hazards near the vehicle.
3. Disconnect all fuel injector harness connectors.
4. Remove fuel tube assembly. Refer to EM-193, "
FUEL INJECTOR AND FUEL TUBE" .
Keep fuel hose and all fuel injectors connected to fuel tube.
5. For DTC P0171, reconnect fuel injector harness connectors on bank 1.
For DTC P0174, reconnect fuel injector harness connectors on bank 2.
6. Disconnect all ignition coil harness connectors.
7. Prepare pans or saucers under each fuel injector.
8. Crank engine for about 3 seconds.
For DTC P0171, make sure that fuel sprays out from fuel injec-
tors on bank 1.
For DTC P0174, make sure that fuel sprays out from fuel injec-
tors on bank 2.
OK or NG
OK >> GO TO 11.
NG >> Replace fuel injectors from which fuel does not spray
out. Always replace O-ring with new ones.
11 . CHECK INTERMITTENT INCIDENT
Refer to EC-878, "
TROUBLE DIAGNOSIS FOR INTERMITTENT INCIDENT" .
>>INSPECTION END
Cylinder Harness connectorterminal
(+) (–)
1
F251 53
32
51
76
2
F271 53
42
61
86
Operating sound should exist.
PBIB2449E
Fuel should be sprayed evenly for each fuel injector.
PBIB1726E