headlamp INFINITI M35 2006 Factory Owner's Guide
[x] Cancel search | Manufacturer: INFINITI, Model Year: 2006, Model line: M35, Model: INFINITI M35 2006Pages: 5621, PDF Size: 65.56 MB
Page 4429 of 5621

LT-2Revision: 2006 January2006 M35/M45 ACTIVE TEST ..................................................... 59
CONSULT-II Functions (IPDM E/R) ........................ 60
CONSULT-II BASIC OPERATION ....................... 60
DATA MONITOR .................................................. 61
ACTIVE TEST ..................................................... 61
Headlamp High Beam Does Not Illuminate (Both
Sides) ..................................................................... 62
Headlamp High Beam Does Not Illuminate (One
Side) ....................................................................... 65
High Beam Indicator Lamp Does Not Illuminate ..... 66
Headlamp Low Beam Does Not Illuminate (Both
Sides) ..................................................................... 67
Headlamp Low Beam Does Not Illuminate (One
Side) ....................................................................... 70
Headlamps Do Not Turn OFF ................................. 72
General Information for Xenon Headlamp Trouble
Diagnosis ................................................................ 73
Caution: .................................................................. 73
Xenon Headlamp Trouble Diagnosis ...................... 73
Aiming Adjustment .................................................. 74
PREPARATION BEFORE ADJUSTING .............. 74
LOW BEAM AND HIGH BEAM ........................... 74
ADJUSTMENT USING AN ADJUSTMENT
SCREEN (LIGHT/DARK BORDERLINE) ............ 75
Bulb Replacement ...............................................
... 75
HEADLAMP (INNER) HIGH BEAM ..................... 75
HEADLAMP (OUTER) LOW BEAM .................... 76
PARKING LAMP (CLEARANCE LAMP) .............. 76
FRONT TURN SIGNAL LAMP ............................ 76
FRONT SIDE MARKER LAMP ............................ 76
Removal and Installation ........................................ 76
Disassembly and Assembly .................................... 77
DISASSEMBLY ................................................... 77
ASSEMBLY ......................................................... 78
HEADLAMP (FOR CANADA) - DAYTIME LIGHT
SYSTEM - .................................................................. 79
Component Parts and Harness Connector Location ... 79
System Description ................................................. 79
OUTLINE ............................................................. 80
HEADLAMP OPERATION ................................... 81
DAYTIME LIGHT OPERATION ........................... 82
COMBINATION SWITCH READING FUNCTION ... 82
AUTO LIGHT OPERATION ................................. 82
CAN Communication System Description .............. 82
Schematic ............................................................... 83
Wiring Diagram — DTRL — ................................... 84
Terminals and Reference Values for BCM .............. 89
Terminals and Reference Values for IPDM E/R ...... 91
How to Perform Trouble Diagnosis ......................... 91
Preliminary Check .................................................. 92
INSPECTION FOR POWER SUPPLY AND
GROUND CIRCUIT ............................................. 92
INSPECTION FOR PARKING BRAKE SWITCH
CIRCUIT .............................................................. 93
CONSULT-II Functions (BCM) ................................ 94
CONSULT-II BASIC OPERATION ....................... 94
DATA MONITOR .................................................. 95
ACTIVE TEST ..................................................... 96
CONSULT-II Functions (IPDM E/R) ........................ 97CONSULT-II BASIC OPERATION ....................... 97
DATA MONITOR .................................................. 98
ACTIVE TEST ...................................................... 98
Daytime Light Control Does Not Operate Properly
(Normal Headlamps Operate Properly) .................. 99
Headlamp High Beam Does Not Illuminate (Both
Sides) ....................................................................102
RH High Beam Does Not Illuminate But LH High
Beam Illuminates ..................................................105
LH High Beam Does Not Illuminate But RH High
Beam Illuminates ..................................................107
Headlamp Low Beam Does Not Illuminate (Both
Sides) ....................................................................109
Headlamp Low Beam Does Not Illuminate (One
Side) ......................................................................112
Headlamps Do Not Turn OFF ...............................114
General Information for Xenon Headlamp Trouble
Diagnosis ..............................................................115
CAUTION: .............................................................115
Xenon Headlamp Trouble Diagnosis ....................115
Aiming Adjustment ................................................115
Bulb Replacement .................................................115
Removal and Installation .......................................115
Disassembly and Assembly ..................................115
AUTO LIGHT SYSTEM ...........................................116
Component Parts and Harness Connector Location .116
System Description ...............................................116
OUTLINE ...........................................................116
COMBINATION SWITCH READING FUNCTION .117
EXTERIOR LAMP BATTERY SAVER CONTROL .117
DELAY TIMER FUNCTION ................................117
CAN Communication System Description ............117
CAN Communication Unit .....................................117
Major Components and Functions ........................117
Schematic .............................................................118
Wiring Diagram — AUTO/L — ..............................119
Terminals and Reference Values for BCM ............123
Terminals and Reference Values for IPDM E/R ....125
How to Perform Trouble Diagnoses ......................125
Preliminary Check .................................................126
SETTING CHANGE FUNCTIONS .....................126
CHECK POWER SUPPLY AND GROUND CIR-
CUIT ...................................................................126
CONSULT-II Functions (BCM) .............................
.127
CONSULT-II BASIC OPERATION .....................127
WORK SUPPORT .............................................128
DATA MONITOR ................................................129
ACTIVE TEST ....................................................130
Symptom Chart .....................................................130
Lighting Switch Inspection ....................................131
Optical Sensor System Inspection ........................131
Removal and Installation for Optical Sensor .........133
REMOVAL ..........................................................133
INSTALLATION ..................................................133
ACTIVE AFS ............................................................134
Component Parts and Harness Connector Location .134
System Description ...............................................135
AFS (ADAPTIVE FRONT-LIGHTING SYSTEM) .135
HEADLAMP AUTO AIMING ..............................136
Page 4430 of 5621

LT-3
C
D
E
F
G
H
I
J
L
MA
B
LT
Revision: 2006 January2006 M35/M45 OUTLINE ...........................................................136
AFS OPERATION .............................................137
HEADLAMP AUTO AIMING OPERATION ........139
CAN COMMUNICATION SYSTEM DESCRIP-
TION ..................................................................139
CAN COMMUNICATION UNIT .........................139
Component Parts Description ..............................140
AFS CONTROL UNIT .......................................140
SWIVEL ACTUATOR ........................................140
AIMING MOTOR ...............................................140
AFS SWITCH ....................................................141
HEIGHT SENSOR ............................................141
STEERING ANGLE SENSOR ..........................141
IPDM E/R ..........................................................141
ECM ..................................................................141
TCM ..................................................................141
UNIFIED METER AND A/C AMP. .....................141
COMBINATION METER ...................................141
Schematic ............................................................142
Wiring Diagram — AFS — ...................................143
Terminals and Reference Values for AFS Control
Unit .......................................................................149
How to Proceed with Trouble Diagnosis ..............151
Preliminary Check ................................................151
CONSULT-II Function (ADAPTIVE LIGHT) ..........152
CONSULT-II BASIC OPERATION .....................152
WORK SUPPORT (STEERING ANGLE SEN-
SOR ADJUSTMENT) ........................................153
WORK SUPPORT (LEVELIZER ADJUSTMENT)
.153
SELF-DIAG RESULTS ......................................154
DATA MONITOR ...............................................158
ACTIVE TEST ...................................................160
Symptom Chart ....................................................161
DTC B2503 SWIVEL ACTUATOR RH .................162
DTC B2504 SWIVEL ACTUATOR LH ..................168
DTC B2514 HI SEN UNUSUAL RR .....................174
DTC B2521 ECU CIRC ........................................178
AFS Operation Check (Function Test) .................181
Auto Aiming Operation Check (Function Test) .....183
AFS Switch Does Not Operate .............................185
Auto Aiming Does Not Operate (Check Aiming
Motor System Circuit) ..........................................
.187
AFS OFF Indicator Does Not Operate .................190
Removal and Installation of Steering Angle Sensor .190
Removal and Installation of Front Combination
Lamp ....................................................................190
Removal and Installation of AFS Control Unit ......191
REMOVAL ........................................................
.191
INSTALLATION .................................................191
Removal and Installation of AFS Switch ..............191
REMOVAL ........................................................
.191
INSTALLATION .................................................191
Removal and Installation of Height Sensor ..........192
REMOVAL ........................................................
.192
INSTALLATION .................................................192
FRONT FOG LAMP ................................................193
Component Parts and Harness Connector Location .193
System Description ..............................................193OUTLINE ...........................................................194
COMBINATION SWITCH READING FUNCTION .195
EXTERIOR LAMP BATTERY SAVER CONTROL .195
CAN Communication System Description ............195
CAN Communication Unit .....................................195
Schematic .............................................................196
Wiring Diagram — F/FOG — ................................197
Terminals and Reference Values for BCM ............201
Terminals and Reference Values for IPDM E/R ....202
How to Perform Trouble Diagnoses .....................202
Preliminary Check ................................................202
CHECK POWER SUPPLY AND GROUND CIR-
CUIT ..................................................................202
CONSULT-II Functions (BCM) ..............................203
CONSULT-II Functions (IPDM E/R) ......................203
Front Fog Lamps Do Not Illuminate (Both Sides) . 204
Front Fog Lamp Does Not Illuminate (One Side) . 207
Front Fog Lamps Do Not Turn OFF ......................208
Aiming Adjustment ................................................209
Bulb Replacement ................................................210
Removal and Installation ......................................210
REMOVAL ........................................................
.210
INSTALLATION .................................................210
TURN SIGNAL AND HAZARD WARNING LAMPS .211
Component Parts and Harness Connector Location .211
System Description ...............................................211
TURN SIGNAL OPERATION ............................211
HAZARD LAMP OPERATION ...........................212
COMBINATION SWITCH READING FUNCTION .213
CAN Communication System Description ............213
CAN Communication Unit .....................................213
Schematic .............................................................214
Wiring Diagram — TURN — .................................215
Terminals and Reference Values for BCM ............219
How to Perform Trouble Diagnoses .....................220
Preliminary Check ................................................221
CHECK POWER SUPPLY AND GROUND CIR-
CUIT ..................................................................221
CONSULT-II Functions (BCM) ..............................223
CONSULT-II BASIC OPERATION .....................223
DATA MONITOR ...............................................224
ACTIVE TEST ...................................................224
Turn Signal Lamp Does Not Operate ...................225
H a z a r d W a r n i n g L a m p D o e s N o t O p e r a t e B u t T u r n
Signal Lamp Operate ............................................227
Turn Signal Indicator Lamp Does Not Operate ....228
Bulb Replacement/Removal and Installation of Side
Turn Signal Lamp .................................................229
REMOVAL ........................................................
.229
INSTALLATION .................................................229
Bulb Replacement (Front Turn Signal Lamp) .......229
Bulb Replacement (Rear Turn Signal Lamp) ........229
Removal and Installation of Front Turn Signal Lamp .229
Removal and Installation of Rear Turn Signal Lamp .229
LIGHTING AND TURN SIGNAL SWITCH ..............230
Removal and Installation ......................................230
REMOVAL ........................................................
.230
INSTALLATION .................................................230
Switch Circuit Inspection ......................................230
Page 4432 of 5621

LT-5
C
D
E
F
G
H
I
J
L
MA
B
LT
Revision: 2006 January2006 M35/M45 ILLUMINATION OPERATION BY LIGHTING
SWITCH ............................................................296
EXTERIOR LAMP BATTERY SAVER CONTROL .297
CAN Communication System Description ............297
CAN Communication Unit ....................................297
Schematic ............................................................298
Wiring Diagram — ILL — .....................................300
Glove Box Lamp ...................................................313
BULB REPLACEMENT, REMOVAL AND
INSTALLATION .................................................313
Cigarette Lighter Illumination ...............................313
BULB REPLACEMENT, REMOVAL AND INSTALLATION .................................................313
Front Ashtray Illumination .....................................314
BULB REPLACEMENT, REMOVAL AND
INSTALLATION .................................................314
Rear Ashtray Illumination .....................................314
REMOVAL AND INSTALLATION ......................314
INSTALLATION .................................................314
BULB SPECIFICATIONS ........................................315
Headlamp .............................................................315
Exterior Lamp .......................................................315
Interior Lamp/Illumination .....................................315
Page 4434 of 5621

PRECAUTIONS
LT-7
C
D
E
F
G
H
I
J
L
MA
B
LT
Revision: 2006 January2006 M35/M45
General Precautions for Service OperationsNKS003NX
Never work with wet hands.
Xenon headlamp includes high voltage generating part. Be sure
to disconnect battery negative cable (negative terminal) or
power fuse before removing, installing, or touching the xenon
headlamp (including lamp bulb).
Turn the lighting switch OFF before disconnecting and connect-
ing the connector.
When turning the xenon headlamp on and while it is illuminated,
never touch the harness, bulb, and socket of the headlamp.
When checking the headlamp on/off operation, check it on vehi-
cle and with the power connected to the vehicle-side connector.
Do not touch the headlamp bulb glass surface with bare hands or allow oil or grease to get on it. Do not
touch the headlamp bulb just after the headlamp is turned off, because it is very hot.
Install the xenon headlamp bulb socket correctly. If it is installed
improperly, high-voltage leak or corona discharge may occur
that can melt the bulb, connector, and housing. Do not illuminate
the xenon headlamp bulb out of the headlamp housing. Doing
so can cause fire and harm your eyes.
When the bulb has burned out, wrap it in a thick vinyl bag and
discard. Do not break the bulb.
Leaving the bulb removed from the headlamp housing for a long
period of time can deteriorate the performance of the lens and
reflector (dirt, clouding). Always prepare a new bulb and have it
on hand when replacing the bulb.
When adjusting the headlamp aiming, turn the aiming adjust-
ment screw only in the tightening direction. (If it is necessary to loosen the screw, first fully loosen the
screw, and then turn it in the tightening direction.)
Do not use organic solvent (paint thinner or gasoline) to clean lamps and to remove old sealant.
PKIA0183E
EL-3422D
Page 4435 of 5621

LT-8
HEADLAMP (FOR USA) - CONVENTIONAL TYPE -
Revision: 2006 January2006 M35/M45
HEADLAMP (FOR USA) - CONVENTIONAL TYPE -PFP:26010
Component Parts and Harness Connector LocationNKS003NY
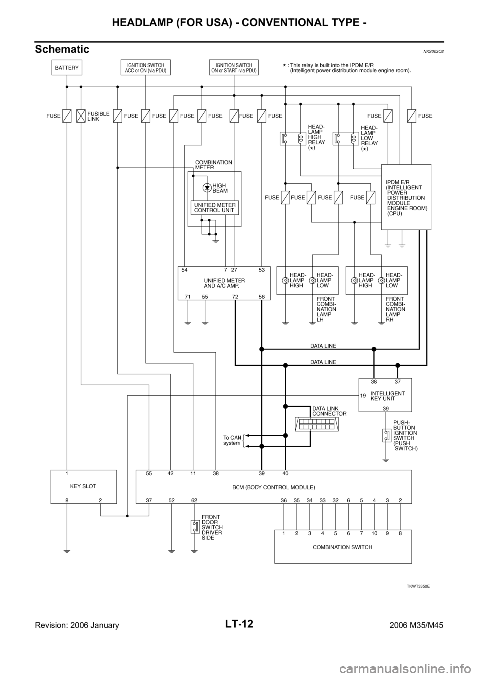
System DescriptionNKS003NZ
The control of the headlamp system operation is dependent upon the position of the combination switch (light-
ing switch). When the lighting switch is placed in the 2ND position, the BCM (body control module) receives
input signal requesting the headlamps (and tail lamps) illuminate. This input signal is communicated to the
IPDM E/R (intelligent power distribution module engine room) across the CAN communication lines. The CPU
(central processing unit) located in the IPDM E/R controls the headlamp high and headlamp low relay coils.
These relays, when energized, direct power to the respective headlamps, which then illuminate.
PKIC0617E
Page 4436 of 5621

HEADLAMP (FOR USA) - CONVENTIONAL TYPE -
LT-9
C
D
E
F
G
H
I
J
L
MA
B
LT
Revision: 2006 January2006 M35/M45
OUTLINE
Power is supplied at all times
to headlamp high relay, located in IPDM E/R and
to headlamp low relay, located in IPDM E/R, from battery direct,
through 15A fuse (No. 71, located in IPDM E/R)
to CPU, located in IPDM E/R,
through 15A fuse (No. 78, located in IPDM E/R)
to CPU, located in IPDM E/R,
through 50A fusible link (letter F, located in fuse and fusible link block)
to BCM terminal 55,
through 10A fuse [No. 21, located in fuse block (J/B)]
to BCM terminal 42 and
to combination meter terminal 23,
through 10A fuse [No. 19, located in fuse block (J/B)]
to unified meter and A/C amp. terminal 54,
through 10A fuse [No. 22, located in fuse block (J/B)]
to key slot terminal 1.
When the ignition switch is in the ON or START position, power is supplied
to CPU, located in IPDM E/R,
through 15A fuse [No. 1, located in fuse block (J/B)]
to BCM terminal 38,
through 10A fuse [No. 14, located in fuse block (J/B)]
to combination meter terminal 12,
through 10A fuse [No. 12, located in fuse block (J/B)]
to unified meter and A/C amp. terminal 53.
When the ignition switch is in the ACC or ON position, power is supplied
through 10A fuse [No. 6, located in fuse block (J/B)]
to BCM terminal 11.
Ground is supplied
to BCM terminal 52
to combination meter terminals 9, 10, and 11
to unified meter and A/C amp. terminals 55 and 71
to push-button ignition switch (push switch) terminal 1
to key slot terminal 8
through grounds M16 and M70,
to IPDM E/R terminals 38 and 51
through grounds E22 and E43.
Page 4437 of 5621

LT-10
HEADLAMP (FOR USA) - CONVENTIONAL TYPE -
Revision: 2006 January2006 M35/M45
HEADLAMP OPERATION
Low Beam Operation
With the lighting switch in 2ND position, the BCM receives input signal requesting the headlamps to illuminate.
This input signal is communicated to the IPDM E/R across the CAN communication lines. The CPU located in
the IPDM E/R controls the headlamp low relay coil, which when energized, directs power
through 15A fuse (No. 76, located in IPDM E/R)
through IPDM E/R terminal 20
to front combination lamp RH terminal 8,
through 15A fuse (No. 86, located in IPDM E/R)
through IPDM E/R terminal 30
to front combination lamp LH terminal 8.
Ground is supplied
to front combination lamp RH terminal 4
to front combination lamp LH terminal 4
through grounds E22 and E43.
With power and ground supplied, low beam headlamps illuminate.
High Beam Operation/Flash-to-Pass Operation
With the lighting switch in 2ND position and placed in HIGH or PASS position, the BCM receives input signal
requesting the headlamp high beams and low beams to illuminate. This input signal is communicated to the
IPDM E/R across the CAN communication lines. The CPU located in the IPDM E/R controls the headlamp
high relay coil and low relay coil, which when energized, directs power
through 15A fuse (No. 76, located in IPDM E/R)
through IPDM E/R terminal 20
to front combination lamp RH terminal 8,
through 15A fuse (No. 86, located in IPDM E/R)
through IPDM E/R terminal 30
to front combination lamp LH terminal 8,
through 10A fuse (No. 72, located in IPDM E/R)
through IPDM E/R terminal 27
to front combination lamp RH terminal 6,
through 10A fuse (No. 74, located in IPDM E/R)
through IPDM E/R terminal 28
to front combination lamp LH terminal 6.
Ground is supplied
to front combination lamp RH terminal 4
to front combination lamp LH terminal 4
to front combination lamp RH terminal 2
to front combination lamp LH terminal 2
through grounds E22 and E43.
With power and ground supplied, the high beam and low beam headlamps illuminate.
The unified meter and A/C amp. that received the high beam request signal by BCM across the CAN commu-
nication makes a high beam indicator lamp turn on in the combination meter.
Page 4438 of 5621

HEADLAMP (FOR USA) - CONVENTIONAL TYPE -
LT-11
C
D
E
F
G
H
I
J
L
MA
B
LT
Revision: 2006 January2006 M35/M45
COMBINATION SWITCH READING FUNCTION
Refer to BCS-3, "COMBINATION SWITCH READING FUNCTION" .
EXTERIOR LAMP BATTERY SAVER CONTROL
When the combination switch (lighting switch) is in the 2ND position (ON), and the ignition switch is turned
from ON or ACC to OFF, the battery saver control function is activated.
Under this condition, the headlamps remain illuminated for 5 minutes, then the headlamps are turned off.
Exterior lamp battery saver control mode can be changed by the function setting of CONSULT-II.
AUTO LIGHT OPERATION
Refer to LT-116, "System Description" .
CAN Communication System DescriptionNKS003O0
CAN (Controller Area Network) is a serial communication line for real time application. It is an on-vehicle mul-
tiplex communication line with high data communication speed and excellent error detection ability. Many elec-
tronic control units are equipped onto a vehicle, and each control unit shares information and links with other
control units during operation (not independent). In CAN communication, control units are connected with 2
communication lines (CAN H line, CAN L line) allowing a high rate of information transmission with less wiring.
Each control unit transmits/receives data but selectively reads required data only.
CAN Communication UnitNKS003O1
Refer to LAN-34, "CAN Communication Unit" .
Page 4439 of 5621

LT-12
HEADLAMP (FOR USA) - CONVENTIONAL TYPE -
Revision: 2006 January2006 M35/M45
SchematicNKS003O2
TKWT3350E
Page 4440 of 5621

HEADLAMP (FOR USA) - CONVENTIONAL TYPE -
LT-13
C
D
E
F
G
H
I
J
L
MA
B
LT
Revision: 2006 January2006 M35/M45
Wiring Diagram — H/LAMP —NKS003O3
TKWT3351E