mirror INFINITI M35 2006 Factory Owner's Guide
[x] Cancel search | Manufacturer: INFINITI, Model Year: 2006, Model line: M35, Model: INFINITI M35 2006Pages: 5621, PDF Size: 65.56 MB
Page 3617 of 5621

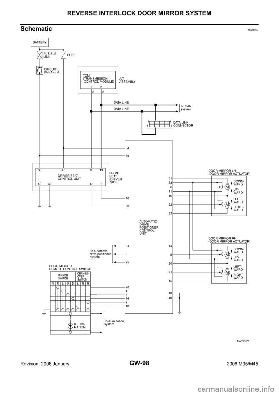
GW-98
REVERSE INTERLOCK DOOR MIRROR SYSTEM
Revision: 2006 January2006 M35/M45
SchematicNIS00234
TIWT1357E
Page 3618 of 5621

REVERSE INTERLOCK DOOR MIRROR SYSTEM
GW-99
C
D
E
F
G
H
J
K
L
MA
B
GW
Revision: 2006 January2006 M35/M45
Wiring Diagram —MIRROR—NIS00235
TIWT1358E
Page 3619 of 5621

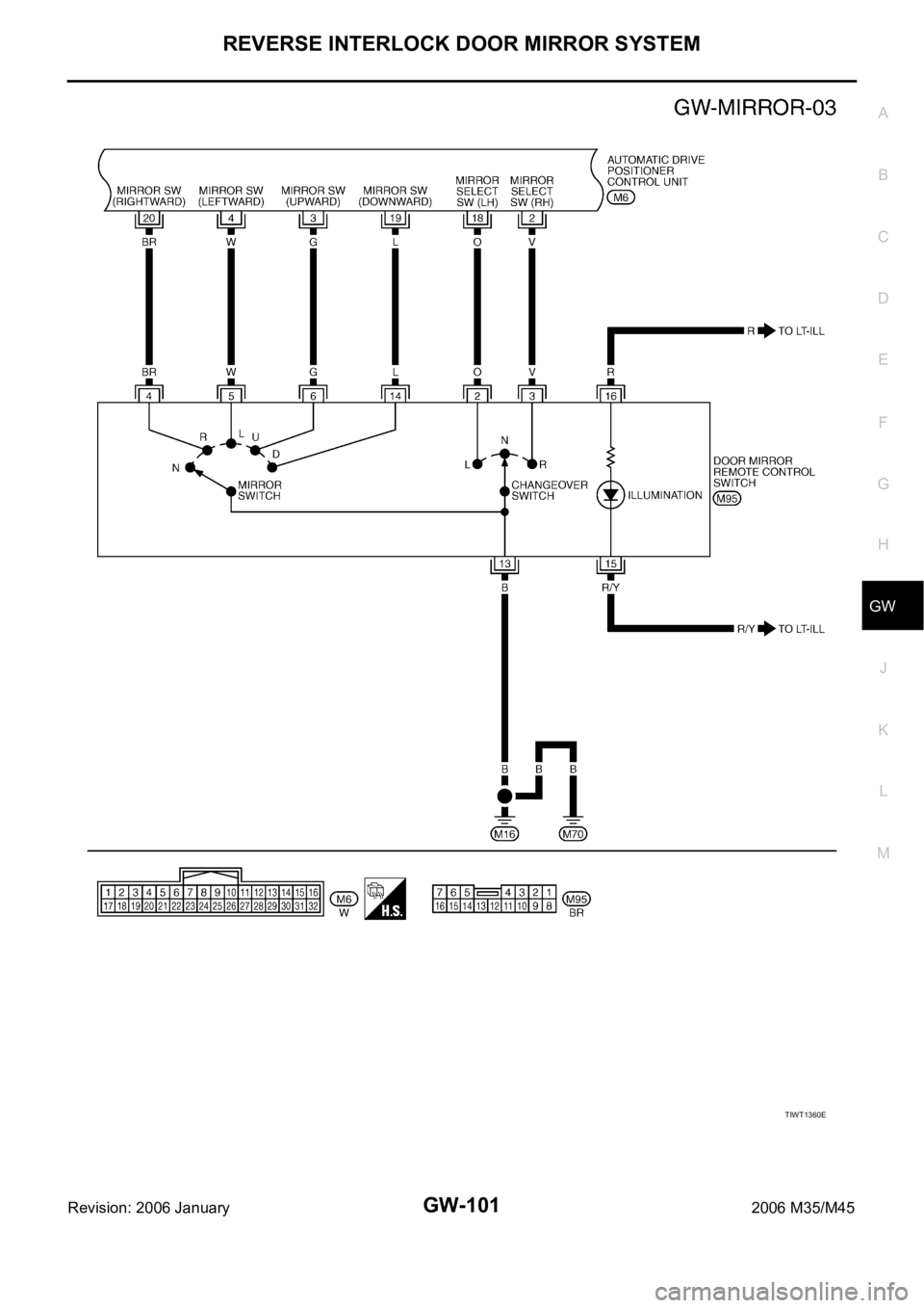
GW-100
REVERSE INTERLOCK DOOR MIRROR SYSTEM
Revision: 2006 January2006 M35/M45
TIWT1359E
Page 3620 of 5621

REVERSE INTERLOCK DOOR MIRROR SYSTEM
GW-101
C
D
E
F
G
H
J
K
L
MA
B
GW
Revision: 2006 January2006 M35/M45
TIWT1360E
Page 3621 of 5621

GW-102
REVERSE INTERLOCK DOOR MIRROR SYSTEM
Revision: 2006 January2006 M35/M45
TIWT1361E
Page 3622 of 5621

REVERSE INTERLOCK DOOR MIRROR SYSTEM
GW-103
C
D
E
F
G
H
J
K
L
MA
B
GW
Revision: 2006 January2006 M35/M45
TIWT1362E
Page 3623 of 5621

GW-104
REVERSE INTERLOCK DOOR MIRROR SYSTEM
Revision: 2006 January2006 M35/M45
Terminals and Reference Values for Automatic Drive Positioner Control UnitNIS00236
Te r m i -
nalWire
colorItem ConditionVoltage (V)
(Approx.)
2VChangeover switch
RH signalWhen changeover
switch positionRH 0
Other than above 5
3GMirror switch
UP signalWhen mirror switch
positionUP 0
Other than above 5
4WMirror switch
LEFT signalWhen mirror switch
positionLEFT 0
Other than above 5
5L/RDoor mirror RH sensor
vertical signalWhen door mirror RH
mirror face positionClose to perk 4.2
Close to valley 0.5
6LGDoor mirror LH sensor
vertical signalWhen door mirror LH
mirror face positionClose to perk 4.2
Close to valley 0.5
9 LG Seat memory switch 1 signal Seat memory switch 1: ON 0
: OFF 5
10 O UART LINE (TX) Tilt switch operated
14 LDoor mirror RH mirror motor
UP signalWhen door mirror RH
mirror motor operationUP Battery voltage
Other than above 0
15 GDoor mirror RH mirror motor
LEFT signalWhen door mirror RH
mirror motor operationLEFT Battery voltage
Other than above 0
16 W/LDoor mirror LH mirror motor
RIGHT or DOWN signalWhen door mirror LH
mirror motor operationRIGHT or DOWN Battery voltage
Other than above 0
18 OChangeover switch
LH signalWhen changeover
switch positionLH 0
Other than above 5
19 L Mirror switch DOWN signalWhen mirror switch
positionDOWN 0
Other than above 5
20 BR Mirror switch RIGHT signalWhen mirror switch
positionRIGHT 0
Other than above 5
21 SBDoor mirror RH sensor
horizontal signalWhen door mirror RH
mirror face positionClose to left edge 3.5
Close to right edge 0.5
22 O/LDoor mirror LH sensor
horizontal signalWhen door mirror LH
mirror face positionClose to left edge 0.5
Close to right edge 3.5
24 BR/W Set switch signal Set switch: ON 0
: OFF 5
25 LG/B Seat memory switch 2 signal Seat memory switch 2: ON 0
: OFF 5
SKIA0175E
Page 3624 of 5621

REVERSE INTERLOCK DOOR MIRROR SYSTEM
GW-105
C
D
E
F
G
H
J
K
L
MA
B
GW
Revision: 2006 January2006 M35/M45
Terminals and Reference Values for Driver Seat Control UnitNIS00237
26 P UART LINE (RX) Tilt switch operated
30 GRDoor mirror LH mirror motor
RIGHT or DOWN signalWhen door mirror LH
mirror motor operationRIGHT or DOWN Battery voltage
Other than above 0
31 BRDoor mirror LH mirror motor
UP signalWhen door mirror LH
mirror motor operationUP Battery voltage
Other than above 0
32 TDoor mirror LH mirror motor
LEFT signalWhen door mirror LH
mirror motor operationLEFT Battery voltage
Other than above 0
33 W Mirror sensor power supply — Battery voltage
34 R Power supply (fuse) — Battery voltage
39 L Power supply (fusible link) — Battery voltage
40 B Ground (signal) — 0
41 Y Sensor ground — 0
48 B Ground (power) — 0 Termi-
nalWire
colorItem ConditionVoltage (V)
(Approx.)
SKIA0175E
Terminal Wire
colorItem ConditionVoltage (V)
(Approx.)
1 R/G UART LINE (RX) Tilt switch operated
3 L CAN-H — —
17 W/R UART LINE (TX) Tilt switch operated
19 P CAN-L — —
32 B/W Ground (signal) — 0
33 W Power supply (fusible link) — Battery voltage
40 B/W Power supply (fuse) — Battery voltage
48 B/W Ground (power) — 0
SKIA0175E
SKIA0175E
Page 3625 of 5621

GW-106
REVERSE INTERLOCK DOOR MIRROR SYSTEM
Revision: 2006 January2006 M35/M45
CONSULT-II Function (AUTO DRIVE POS.)NIS00238
CONSULT-II can display each diagnostic item using the diagnostic test modes shown following.
*1: For setting automatic drive positioner functions only.
*2: During vehicle driving, do not perform active test.
CONSULT-II INSPECTION PROCEDURE
CAUTION:
If CONSULT-II is used with no connection of CONSULT-II CONVERTER, malfunctions might be
detected in self-diagnosis depending on control unit which carry out CAN communication.
1. Turn ignition switch “OFF”.
2. Connect “CONSULT-II” and “CONSULT-II CONVERTER” to the
data link connector (1).
3. Turn ignition switch “ON”.
4. Touch “START (NISSAN BASED VHCL)”.
CONSULT-II
diagnosis
itemsInspection item, self-diagnosis mode Content Refer to page
AUTO DRIVE
POSITIONERWORK SUPPORT*
1Changes the setting for each function.SE-38
SELF–DIG RESULTS Check the self-diagnosis results.SE-36
DATA MONITOR Selection from menuDisplays the input data to driver seat control
unit and automatic driving positioned control
unit on real-time basis.SE-37
CAN DIAGNOSTIC SUPPORT MONITORThe results of transmit / receive diagnosis of
CAN communication can be readLAN-20
ACTIVE TEST*2Gives a drive signal to a load to check the
operation.SE-38
DRIVER SEAT CONTROL UNIT PART NUMBER Displays driver seat control unit part No. —
PBIB2712E
BCIA0029E
Page 3626 of 5621

REVERSE INTERLOCK DOOR MIRROR SYSTEM
GW-107
C
D
E
F
G
H
J
K
L
MA
B
GW
Revision: 2006 January2006 M35/M45
5. Touch “AUTO DRIVE POS” and “BCM”.
If “AUTO DRIVE POS.” is not indicated, refer to GI-40, "
CON-
SULT-II Data Link Connector (DLC) Circuit" .
6. Select diagnosis mode.
“DATA MONITOR”, “ACTIVE TEST”, “SELF-DIAG RESULTS“,
“ECU PART NUMBER” and “WORK SUPPORT” are available.
DATA MONITOR
Selection from Menu
ACTIVE TEST
CAUTION:
During vehicle driving, do not perform active test.
NOTE:
If active test is performed, reset seat memory and key fob interlock drive positioner after performing work.
BCIA0030E
BCIA0031E
Monitor item [OPERATION or UNIT] Contents
MIR CON SW–UP “ON/OFF”ON/OFF status judged from the door mirror remote control switch (UP) signal is
displayed.
MIR CON SW–DN “ON/OFF”ON/OFF status judged from the door mirror remote control switch (DOWN) signal
is displayed.
MIR CON SW–RH “ON/OFF”ON/OFF status judged from the door mirror remote control switch (RIGHT) signal
is displayed.
MIR CON SW–LH “ON/OFF”ON/OFF status judged from the door mirror remote control switch (LEFT) signal s
displayed.
MIR CHNG SW–R “ON/OFF”ON/OFF status judged from the door mirror remote control switch (switching to
RIGHT) signal is displayed.
MIR CHNG SW–L “ON/OFF”ON/OFF status judged from the door mirror remote control switch (switching to
LEFT) signal is displayed.
SET SW “ON/OFF” ON/OFF status judged from the setting switch signal is displayed.
MEMORY SW1 “ON/OFF” ON/OFF status judged from the seat memory switch 1 signal is displayed.
MEMORY SW2 “ON/OFF” ON/OFF status judged from the seat memory switch 2 signal is displayed.
MIR/SE RH R–L “V” Voltage output from RH door mirror sensor (LH/RH) is displayed.
MIR/SE RH U–D “V” Voltage output from RH door mirror sensor (UP/DOWN) is displayed.
MIR/SE LH R–L “V” Voltage output from LH door mirror sensor (LH/RH) is displayed.
MIR/SE LH U–D “V” Voltage output from LH door mirror sensor (UP/DOWN) is displayed.