INFINITI QX4 2005 Factory Service Manual

INFINITI QX4 2005 Factory Service Manual QX4 2005 INFINITI INFINITI https://www.carmanualsonline.info/img/42/57035/w960_57035-0.png INFINITI QX4 2005 Factory Service Manual
Trending: driver information system, roof rack, keyless, seat adjustment, wiper size, buttons, power steering

Page 841 of 3419

INFINITI QX4 2005  Factory Service Manual BL-74
REMOTE KEYLESS ENTRY SYSTEM
Revision: October 20052005 QX56
NOTE:
If a keyfob is lost, the ID code of the lost keyfob must be erased to prevent unauthorized use. A specific ID
code can be erase

Page 842 of 3419

INFINITI QX4 2005  Factory Service Manual VEHICLE SECURITY (THEFT WARNING) SYSTEM
BL-75
C
D
E
F
G
H
J
K
L
MA
B
BL
Revision: October 20052005 QX56
VEHICLE SECURITY (THEFT WARNING) SYSTEMPFP:28491
Component Parts and Harness Connector LocationE

Page 843 of 3419

INFINITI QX4 2005  Factory Service Manual BL-76
VEHICLE SECURITY (THEFT WARNING) SYSTEM
Revision: October 20052005 QX56
System DescriptionEIS008QM
DESCRIPTION
Operation Flow
 
Setting the vehicle security system
Initial condition
Ignition sw

Page 844 of 3419

INFINITI QX4 2005  Factory Service Manual VEHICLE SECURITY (THEFT WARNING) SYSTEM
BL-77
C
D
E
F
G
H
J
K
L
MA
B
BL
Revision: October 20052005 QX56
2. Door is unlocked without using key or keyfob.
3. Power back door is opened without using the

Page 845 of 3419

INFINITI QX4 2005  Factory Service Manual BL-78
VEHICLE SECURITY (THEFT WARNING) SYSTEM
Revision: October 20052005 QX56
to horn relay terminal 2
through 15A fuse (No. 25, located in fuse and fusible link box).
When the vehicle security syst

Page 846 of 3419

INFINITI QX4 2005  Factory Service Manual VEHICLE SECURITY (THEFT WARNING) SYSTEM
BL-79
C
D
E
F
G
H
J
K
L
MA
B
BL
Revision: October 20052005 QX56
SchematicEIS008QO
WIWA1311E

Page 847 of 3419

INFINITI QX4 2005  Factory Service Manual BL-80
VEHICLE SECURITY (THEFT WARNING) SYSTEM
Revision: October 20052005 QX56
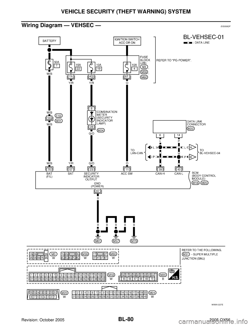
Wiring Diagram — VEHSEC —EIS008QP
WIWA1227E

Page 848 of 3419

INFINITI QX4 2005  Factory Service Manual VEHICLE SECURITY (THEFT WARNING) SYSTEM
BL-81
C
D
E
F
G
H
J
K
L
MA
B
BL
Revision: October 20052005 QX56
LIWA0458E

Page 849 of 3419

INFINITI QX4 2005  Factory Service Manual BL-82
VEHICLE SECURITY (THEFT WARNING) SYSTEM
Revision: October 20052005 QX56
WIWA1229E

Page 850 of 3419

INFINITI QX4 2005  Factory Service Manual VEHICLE SECURITY (THEFT WARNING) SYSTEM
BL-83
C
D
E
F
G
H
J
K
L
MA
B
BL
Revision: October 20052005 QX56
WIWA0752E
Trending: oil capacities, water pump, steering wheel, seats, brake light, window, start stop button