ISUZU TF SERIES 2004 Workshop Manual

ISUZU TF SERIES 2004 Workshop Manual TF SERIES 2004 ISUZU ISUZU https://www.carmanualsonline.info/img/61/57180/w960_57180-0.png ISUZU TF SERIES 2004 Workshop Manual
Trending: battery replacement, height, transmission fluid, 4WD, fuel cap release, spark plugs replace, warning light

Page 2001 of 4264

ISUZU TF SERIES 2004  Workshop Manual 3.5L ENGINE DRIVEABILITY AND EMISSIONS  6E-5 
ABBREVIATION CHARTS 
 
Abbreviations Appellation 
A/C Air conditioner 
A/T Automatic transmission 
ACC Accessory 
BLK Black 
BLU Blue 
BRN Brown 
CAN  Con

Page 2002 of 4264

ISUZU TF SERIES 2004  Workshop Manual 6E-6  3.5L ENGINE DRIVEABILITY AND EMISSIONS 
COMPONENT LOCATOR 
ENGINE COMPONENT LOCATOR TABLE 
  

 
 
 
 
Legend 
 (1) Engine Control Module (ECM) 
 (2) Throttle Position Sensor (TPS) 
 (3)

Page 2003 of 4264

ISUZU TF SERIES 2004  Workshop Manual 3.5L ENGINE DRIVEABILITY AND EMISSIONS  6E-7 
 
 
 
 



 
 
 
Legend 
 (1) Injector #1 Cylinder 
 (2) Injector #3 Cylinder 
 (3) Injector #5 Cylinder 
 (4) EGR Valve  
 (5) Ignition Coil #1 C

Page 2004 of 4264

ISUZU TF SERIES 2004  Workshop Manual 6E-8  3.5L ENGINE DRIVEABILITY AND EMISSIONS 
 
  
 

(1) Bank 1 Heated Oxygen Sensor (RH)   
 
 
(1) Bank 2 Heated Oxygen Sensor (LH) 
 
 
 
 
 
1 
(1) Crankshaft Position (CKP) Sensor   
 
 
(1)

Page 2005 of 4264

ISUZU TF SERIES 2004  Workshop Manual 3.5L ENGINE DRIVEABILITY AND EMISSIONS  6E-9 
 
  

(1) Vehicle Speed Sensor (VSS)   
 

(1) Power Steering Pressure Switch

Page 2006 of 4264

ISUZU TF SERIES 2004  Workshop Manual 6E-10  3.5L ENGINE DRIVEABILITY AND EMISSIONS 
 
ECM CIRCUIT DIAGRAM 
  
 
 RTW48AXF001401

Page 2007 of 4264

ISUZU TF SERIES 2004  Workshop Manual 3.5L ENGINE DRIVEABILITY AND EMISSIONS  6E-11 
 
 
 
 
 RTW48AXF027601

Page 2008 of 4264

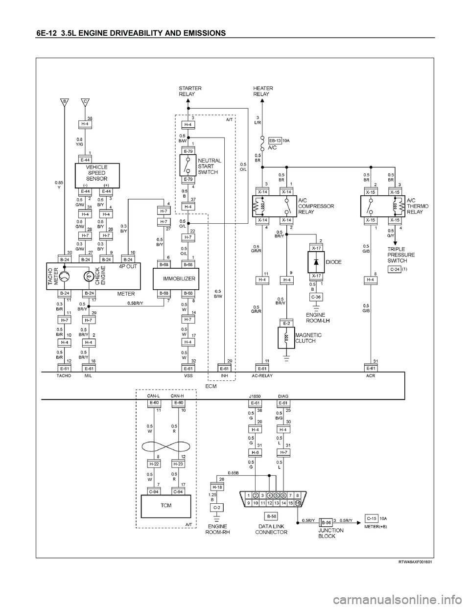
ISUZU TF SERIES 2004  Workshop Manual 6E-12  3.5L ENGINE DRIVEABILITY AND EMISSIONS 
 
 
 
 
 
 RTW48AXF001601

Page 2009 of 4264

ISUZU TF SERIES 2004  Workshop Manual 3.5L ENGINE DRIVEABILITY AND EMISSIONS  6E-13 
 
GROUND POINT CHART GENERAL EXPORT (LHD) (1/4) 
  
 
 
 
RTW48AXF026001

Page 2010 of 4264

ISUZU TF SERIES 2004  Workshop Manual 6E-14  3.5L ENGINE DRIVEABILITY AND EMISSIONS 
 
GROUND POINT CHART GENERAL EXPORT (LHD) (2/4) 
  
 
 
 
RTW48AXF028701
Trending: window, key, catalytic converter, fold seats, brake pads, sport mode, drain bolt