NISSAN ALMERA N16 2003 Electronic Repair Manual
Manufacturer: NISSAN, Model Year: 2003, Model line: ALMERA N16, Model: NISSAN ALMERA N16 2003Pages: 3189, PDF Size: 54.76 MB
Page 1011 of 3189
![NISSAN ALMERA N16 2003 Electronic Repair Manual POWER STEERING PRESSURE SENSOR
EC-681
[QG (WITHOUT EURO-OBD)]
C
D
E
F
G
H
I
J
K
L
MA
EC
3.CHECK POWER STEERING PRESSURE SENSOR OVERALL FUNCTION
Without CONSULT-II
1. Start engine.
2. Check voltage bet NISSAN ALMERA N16 2003 Electronic Repair Manual POWER STEERING PRESSURE SENSOR
EC-681
[QG (WITHOUT EURO-OBD)]
C
D
E
F
G
H
I
J
K
L
MA
EC
3.CHECK POWER STEERING PRESSURE SENSOR OVERALL FUNCTION
Without CONSULT-II
1. Start engine.
2. Check voltage bet](/img/5/57350/w960_57350-1010.png)
POWER STEERING PRESSURE SENSOR
EC-681
[QG (WITHOUT EURO-OBD)]
C
D
E
F
G
H
I
J
K
L
MA
EC
3.CHECK POWER STEERING PRESSURE SENSOR OVERALL FUNCTION
Without CONSULT-II
1. Start engine.
2. Check voltage between ECM terminal 12 and ground under the
following conditions.
OK or NG
OK >>INSPECTION END
NG >> GO TO 4.
4.RETIGHTEN GROUND SCREWS
1. Turn ignition switch “OFF”.
2. Loosen and retighten engine ground screws.
>> GO TO 5.
5.CHECK PSP SENSOR POWER SUPPLY CIRCUIT
1. Disconnect PSP sensor harness connector.
2. Turn ignition switch “ON”.
3. Check voltage between PSP sensor terminal 3 and ground with
CONSULT-II or tester.
OK or NG
OK >> GO TO 6.
NG >> Repair open circuit or short to ground or short to power
in harness or connectors.
Condition Voltage
Steering wheel is being turned. 0.5 - 4.0V
Steering wheel is not being turned. 0.4 - 0.8V
MBIB0126E
MBIB0095E
MBIB0250E
Voltage: Approximately 5V
SEF509Y
Page 1012 of 3189
![NISSAN ALMERA N16 2003 Electronic Repair Manual EC-682
[QG (WITHOUT EURO-OBD)]
POWER STEERING PRESSURE SENSOR
6. CHECK PSP SENSOR GROUND CIRCUIT FOR OPEN AND SHORT
1. Turn ignition switch “OFF”.
2. Disconnect ECM harness connector.
3. Check har NISSAN ALMERA N16 2003 Electronic Repair Manual EC-682
[QG (WITHOUT EURO-OBD)]
POWER STEERING PRESSURE SENSOR
6. CHECK PSP SENSOR GROUND CIRCUIT FOR OPEN AND SHORT
1. Turn ignition switch “OFF”.
2. Disconnect ECM harness connector.
3. Check har](/img/5/57350/w960_57350-1011.png)
EC-682
[QG (WITHOUT EURO-OBD)]
POWER STEERING PRESSURE SENSOR
6. CHECK PSP SENSOR GROUND CIRCUIT FOR OPEN AND SHORT
1. Turn ignition switch “OFF”.
2. Disconnect ECM harness connector.
3. Check harness continuity between ECM terminal 57 and PSP sensor terminal 1.
Refer to Wiring Diagram.
4. Also check harness for short to ground and short to power.
OK or NG
OK >> GO TO 7.
NG >> Repair open circuit or short to ground or short to power in harness or connectors.
7. CHECK PSP SENSOR INPUT SIGNAL CIRCUIT FOR OPEN AND SHORT
1. Check harness continuity between ECM terminal 12 and PSP sensor terminal 2.
2. Also check harness for short to ground and short to power.
OK or NG
OK >> GO TO 8.
NG >> Repair open circuit or short to ground or short to power in harness or connectors.
8. CHECK PSP SENSOR
Refer to EC-682, "
Component Inspection" .
OK or NG
OK >> GO TO 9.
NG >> Replace PSP sensor.
9. CHECK INTERMITTENT INCIDENT
Refer to EC-485, "
TROUBLE DIAGNOSIS FOR INTERMITTENT INCIDENT" .
>>INSPECTION END
Component InspectionEBS00KLK
POWER STEERING PRESSURE SENSOR
1. Reconnect all harness connectors disconnected.
2. Start engine and let it idle.
3. Check voltage between ECM terminal 12 and ground under the
following conditions.Continuity should exist.
Continuity should exist.
Condition Voltage
Steering wheel is being turned fully. 0.5 - 4.0V
Steering wheel is not being turned. 0.4 - 0.8V
MBIB0025E
Page 1013 of 3189
![NISSAN ALMERA N16 2003 Electronic Repair Manual IVT CONTROL SOLENOID VALVE
EC-683
[QG (WITHOUT EURO-OBD)]
C
D
E
F
G
H
I
J
K
L
MA
EC
IVT CONTROL SOLENOID VALVEPFP:23796
DescriptionEBS00KLL
SYSTEM DESCRIPTION
*: This signal is sent to the ECM through NISSAN ALMERA N16 2003 Electronic Repair Manual IVT CONTROL SOLENOID VALVE
EC-683
[QG (WITHOUT EURO-OBD)]
C
D
E
F
G
H
I
J
K
L
MA
EC
IVT CONTROL SOLENOID VALVEPFP:23796
DescriptionEBS00KLL
SYSTEM DESCRIPTION
*: This signal is sent to the ECM through](/img/5/57350/w960_57350-1012.png)
IVT CONTROL SOLENOID VALVE
EC-683
[QG (WITHOUT EURO-OBD)]
C
D
E
F
G
H
I
J
K
L
MA
EC
IVT CONTROL SOLENOID VALVEPFP:23796
DescriptionEBS00KLL
SYSTEM DESCRIPTION
*: This signal is sent to the ECM through CAN communication line.
This mechanism hydraulically controls cam phases continuously with the fixed operating angle of the intake
valve.
The ECM receives signals such as crankshaft position, camshaft position, engine speed, and engine coolant
temperature. Then, the ECM sends ON/OFF pulse duty signals to the intake valve timing control solenoid
valve depending on driving status. This makes it possible to control the shut/open timing of the intake valve to
increase engine torque in low/mid speed range and output in high-speed range.
COMPONENT DESCRIPTION
Intake valve timing control solenoid valve is activated by ON/OFF
pulse duty (ratio) signals from the ECM.
The intake valve timing control solenoid valve changes the oil
amount and direction of flow through intake valve timing control unit
or stops oil flow.
The longer pulse width advances valve angle.
The shorter pulse width retards valve angle.
When ON and OFF pulse widths become equal, the solenoid valve
stops oil pressure flow to fix the intake valve angle at the control
position.
CONSULT-II Reference Value in Data Monitor ModeEBS00KLM
Specification data are reference values.
Sensor Input signal to ECM ECM function Actuator
Crankshaft position sensor (POS)
Engine speed
Intake valve
timing controlIntake valve timing control
solenoid valve Camshaft position sensor (PHASE)
Engine coolant temperature sensor Engine coolant temperature
Vehicle speed signal
*Vehicle speed
MBIB0121E
PBIB0195E
Page 1014 of 3189
![NISSAN ALMERA N16 2003 Electronic Repair Manual EC-684
[QG (WITHOUT EURO-OBD)]
IVT CONTROL SOLENOID VALVE
MONITOR ITEM CONDITION SPECIFICATION
INT/V TIM (B1)
●Engine: After warming up
●Shift lever:
N (A/T models)
Neutral (M/T models)
●Air con NISSAN ALMERA N16 2003 Electronic Repair Manual EC-684
[QG (WITHOUT EURO-OBD)]
IVT CONTROL SOLENOID VALVE
MONITOR ITEM CONDITION SPECIFICATION
INT/V TIM (B1)
●Engine: After warming up
●Shift lever:
N (A/T models)
Neutral (M/T models)
●Air con](/img/5/57350/w960_57350-1013.png)
EC-684
[QG (WITHOUT EURO-OBD)]
IVT CONTROL SOLENOID VALVE
MONITOR ITEM CONDITION SPECIFICATION
INT/V TIM (B1)
●Engine: After warming up
●Shift lever:
N (A/T models)
Neutral (M/T models)
●Air conditioner switch: OFF
●No-loadIdle−5° - 5°CA
When revving engine up to 2,000 rpm
quicklyApprox. 0° - 30°CA
INT/V SOL (B1)
●Engine: After warming up
●Shift lever:
N (A/T models)
Neutral (M/T models)
●Air conditioner switch: OFF
●No-loadIdle 0% - 2%
When revving engine up to 2,000 rpm
quicklyApprox. 0% - 60%
Page 1015 of 3189
![NISSAN ALMERA N16 2003 Electronic Repair Manual IVT CONTROL SOLENOID VALVE
EC-685
[QG (WITHOUT EURO-OBD)]
C
D
E
F
G
H
I
J
K
L
MA
EC
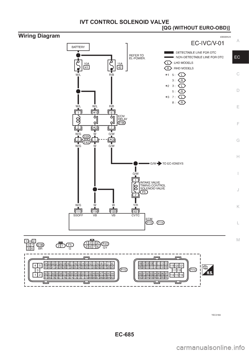
Wiring DiagramEBS00KLN
YEC318A NISSAN ALMERA N16 2003 Electronic Repair Manual IVT CONTROL SOLENOID VALVE
EC-685
[QG (WITHOUT EURO-OBD)]
C
D
E
F
G
H
I
J
K
L
MA
EC
Wiring DiagramEBS00KLN
YEC318A](/img/5/57350/w960_57350-1014.png)
IVT CONTROL SOLENOID VALVE
EC-685
[QG (WITHOUT EURO-OBD)]
C
D
E
F
G
H
I
J
K
L
MA
EC
Wiring DiagramEBS00KLN
YEC318A
Page 1016 of 3189
![NISSAN ALMERA N16 2003 Electronic Repair Manual EC-686
[QG (WITHOUT EURO-OBD)]
IVT CONTROL SOLENOID VALVE
Specification data are reference values and are measured between each terminal and ground.
CAUTION:
Do not use ECM ground terminals when measu NISSAN ALMERA N16 2003 Electronic Repair Manual EC-686
[QG (WITHOUT EURO-OBD)]
IVT CONTROL SOLENOID VALVE
Specification data are reference values and are measured between each terminal and ground.
CAUTION:
Do not use ECM ground terminals when measu](/img/5/57350/w960_57350-1015.png)
EC-686
[QG (WITHOUT EURO-OBD)]
IVT CONTROL SOLENOID VALVE
Specification data are reference values and are measured between each terminal and ground.
CAUTION:
Do not use ECM ground terminals when measuring input/output voltage. Doing so may result in dam-
age to the ECM's transistor. Use a ground other than ECM terminals, such as the ground.
: Average voltage for pulse signal (Actual pulse signal can be confirmed by oscilloscope.)
Diagnostic ProcedureEBS00KLO
1. CHECK IVT CONTROL SOLENOID VALVE OVERALL FUNCTION CHECK
1. Start engine and warm it up to normal operating temperature.
2. Turn ignition switch “OFF” and wait at least 10 seconds.
3. Turn ignition switch “ON”.
4. Set the tester probe between ECM terminals 62 (IVT control solenoid valve signal) and ground.
5. Start engine and let it idle.
6. Check the voltage under the following conditions.
Verify that the oscilloscope screen shows the signal wave as
shown below.
: Average voltage for pulse signal (Actual pulse signal can be confirmed by oscilloscope.)
OK or NG
OK >>INSPECTION END
NG >> GO TO 2.
TER-
MINAL
NO.WIRE
COLORITEM CONDITION DATA (DC Voltage)
62 Y/RIntake valve timing
control solenoid valve[Engine is running]
●Warm-up condition
●Idle speedBATTERY VOLTAGE
(11 - 14V)
[Engine is running]
●Warm-up condition
●When revving engine up to 2,000 rpm quickly.7 - 10V
PBIB0532E
Conditions Voltage
At idleBATTERY VOLTAGE
(11 - 14V)
When revving engine up
to 2,000 rpm quickly7 - 10V
MBIB0042E
PBIB0532E
Page 1017 of 3189
![NISSAN ALMERA N16 2003 Electronic Repair Manual IVT CONTROL SOLENOID VALVE
EC-687
[QG (WITHOUT EURO-OBD)]
C
D
E
F
G
H
I
J
K
L
MA
EC
2.CHECK IVT CONTROL SOLENOID VALVE POWER SUPPLY CIRCIUT
1. Turn ignition switch “OFF”.
2. Disconnect intake va NISSAN ALMERA N16 2003 Electronic Repair Manual IVT CONTROL SOLENOID VALVE
EC-687
[QG (WITHOUT EURO-OBD)]
C
D
E
F
G
H
I
J
K
L
MA
EC
2.CHECK IVT CONTROL SOLENOID VALVE POWER SUPPLY CIRCIUT
1. Turn ignition switch “OFF”.
2. Disconnect intake va](/img/5/57350/w960_57350-1016.png)
IVT CONTROL SOLENOID VALVE
EC-687
[QG (WITHOUT EURO-OBD)]
C
D
E
F
G
H
I
J
K
L
MA
EC
2.CHECK IVT CONTROL SOLENOID VALVE POWER SUPPLY CIRCIUT
1. Turn ignition switch “OFF”.
2. Disconnect intake valve timing control solenoid valve harness
connector.
3. Turn ignition switch “ON”.
4. Check voltage between intake valve timing control solenoid
valve terminal 1 and ground with CONSULT-II or tester.
OK or NG
OK >> GO TO 4.
NG >> GO TO 3.
3.DETECT MALFUNCTION PART
Check the following.
●Harness connectors E225, F43
●Harness for open or short between intake valve timing control solenoid valve and ECM relay
>> Repair open circuit or short to ground or short to power in harness or connectors.
4.CHECK IVT CONTROL SOLENOID VALVE OUTPUT SIGNAL CIRCUIT FOR OPEN AND SHORT
1. Turn ignition switch “OFF”.
2. Disconnect ECM harness connector.
3. Check harness continuity between ECM terminal 62 and intake valve timing control solenoid valve termi-
nal 2. Refer to Wiring Diagram.
4. Also check harness for short to ground and short to power.
OK or NG
OK >> GO TO 5.
NG >> Repair open circuit or short to ground or short to power in harness or connectors.
5.CHECK INTAKE VALVE TIMING CONTROL SOLENOID VALVE
Refer to EC-688, "
Component Inspection" .
OK or NG
OK >> GO TO 6.
NG >> Replace intake valve timing control solenoid valve.
MBIB0106E
Voltage: Battery voltage
PBIB0285E
Continuity should exist.
Page 1018 of 3189
![NISSAN ALMERA N16 2003 Electronic Repair Manual EC-688
[QG (WITHOUT EURO-OBD)]
IVT CONTROL SOLENOID VALVE
6. CHECK CRANKSHAFT POSITION SENSOR (POS)
Refer to EC-559, "
Component Inspection" .
OK or NG
OK >> GO TO 7.
NG >> Replace crankshaft NISSAN ALMERA N16 2003 Electronic Repair Manual EC-688
[QG (WITHOUT EURO-OBD)]
IVT CONTROL SOLENOID VALVE
6. CHECK CRANKSHAFT POSITION SENSOR (POS)
Refer to EC-559, "
Component Inspection" .
OK or NG
OK >> GO TO 7.
NG >> Replace crankshaft](/img/5/57350/w960_57350-1017.png)
EC-688
[QG (WITHOUT EURO-OBD)]
IVT CONTROL SOLENOID VALVE
6. CHECK CRANKSHAFT POSITION SENSOR (POS)
Refer to EC-559, "
Component Inspection" .
OK or NG
OK >> GO TO 7.
NG >> Replace crankshaft position sensor (POS).
7. CHECK CAMSHAFT POSITION SENSOR (PHASE)
Refer to EC-566, "
Component Inspection" .
OK or NG
OK >> GO TO 8.
NG >> Replace camshaft position sensor (PHASE).
8. CHECK CAMSHAFT (INTAKE)
Check the following.
●Accumulation of debris to the signal plate of camshaft rear end
●Chipping signal plate of camshaft rear end
OK or NG
OK >> GO TO 9.
NG >> Remove debris and clean the signal plate of camshaft
rear end or replace camshaft.
9. CHECK INTERMITTENT INCIDENT
Refer to EC-485, "
TROUBLE DIAGNOSIS FOR INTERMITTENT INCIDENT" .
>>INSPECTION END
Component InspectionEBS00KLP
INTAKE VALVE TIMING CONTROL SOLENOID VALVE
1. Disconnect intake valve timing control solenoid valve harness connector.
2. Check resistance between intake valve timing control solenoid
valve terminals 1 and 2.
Removal and InstallationEBS00KLQ
INTAKE VALVE TIMING CONTROL SOLENOID VALVE
Refer to EM-47, "TIMING CHAIN" .
PBIB0565E
Terminals Resistance
1 and 2 Approximately 8Ω at 20°C (68°F)
1 or 2 and ground∞Ω
(Continuity should not exist)
PBIB0574E
Page 1019 of 3189
![NISSAN ALMERA N16 2003 Electronic Repair Manual PNP SWITCH
EC-689
[QG (WITHOUT EURO-OBD)]
C
D
E
F
G
H
I
J
K
L
MA
EC
PNP SWITCHPFP:32006
Component DescriptionEBS00KLR
When the gear position is “P” (A/T models only) or “N”, park/neutral posit NISSAN ALMERA N16 2003 Electronic Repair Manual PNP SWITCH
EC-689
[QG (WITHOUT EURO-OBD)]
C
D
E
F
G
H
I
J
K
L
MA
EC
PNP SWITCHPFP:32006
Component DescriptionEBS00KLR
When the gear position is “P” (A/T models only) or “N”, park/neutral posit](/img/5/57350/w960_57350-1018.png)
PNP SWITCH
EC-689
[QG (WITHOUT EURO-OBD)]
C
D
E
F
G
H
I
J
K
L
MA
EC
PNP SWITCHPFP:32006
Component DescriptionEBS00KLR
When the gear position is “P” (A/T models only) or “N”, park/neutral position (PNP) switch is “ON”.
ECM detects the position because the continuity of the line (the “ON” signal) exists.
CONSULT-II Reference Value in Data Monitor ModeEBS00KLS
Specification data are reference values.
MONITOR ITEM CONDITION SPECIFICATION
P/N POSI SW
●Ignition switch: ONShift lever:
P or N (A/T models)
Neutral (M/T models)ON
Shift lever: Except above OFF
Page 1020 of 3189
![NISSAN ALMERA N16 2003 Electronic Repair Manual EC-690
[QG (WITHOUT EURO-OBD)]
PNP SWITCH
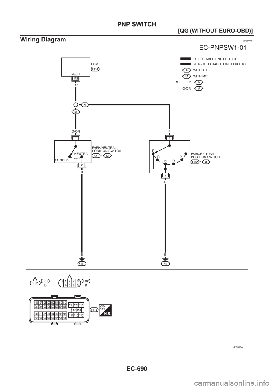
Wiring Diagram
EBS00KLT
YEC319A NISSAN ALMERA N16 2003 Electronic Repair Manual EC-690
[QG (WITHOUT EURO-OBD)]
PNP SWITCH
Wiring Diagram
EBS00KLT
YEC319A](/img/5/57350/w960_57350-1019.png)
EC-690
[QG (WITHOUT EURO-OBD)]
PNP SWITCH
Wiring Diagram
EBS00KLT
YEC319A