NISSAN TEANA 2003 Service Manual

NISSAN TEANA 2003 Service Manual TEANA 2003 NISSAN NISSAN https://www.carmanualsonline.info/img/5/57392/w960_57392-0.png NISSAN TEANA 2003 Service Manual
Trending: brake light, Main bearings torque, height, INTAKE MANIFOLD, high beam, cruise control, Oil

Page 2751 of 3502

NISSAN TEANA 2003  Service Manual HEADLAMP - HALOGEN TYPE -
LT-63
C
D
E
F
G
H
I
J
L
MA
B
LT
 
Disassembly and AssemblyBKS001O4
DISASSEMBLY
1. Turn plastic cap counterclockwise and unlock it.
2. Disconnect bulb socket (low).
3. Unlock

Page 2752 of 3502

NISSAN TEANA 2003  Service Manual LT-64
AUTO LIGHT SYSTEM
 
AUTO LIGHT SYSTEMPFP:28491
Component Parts and Harness Connector LocationBKS001O5
System DescriptionBKS001O6
BCM (Body Control Module) controls auto light operation accordin

Page 2753 of 3502

NISSAN TEANA 2003  Service Manual AUTO LIGHT SYSTEM
LT-65
C
D
E
F
G
H
I
J
L
MA
B
LT
 
to BCM terminal 14.
AUTO LIGHT OPERATION
Applicable lamps
Low beam headlamp
Parking, license plate and tail lamps
High beam headlamp (with the l

Page 2754 of 3502

NISSAN TEANA 2003  Service Manual LT-66
AUTO LIGHT SYSTEM
 
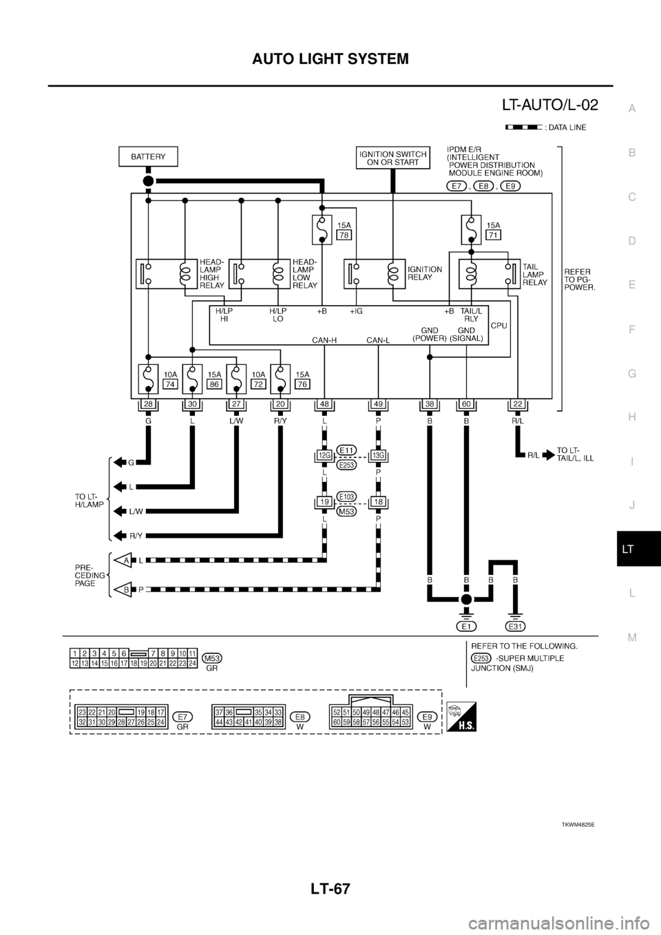
Wiring Diagram — AUTO/L —BKS001OB
TKWM4576E

Page 2755 of 3502

NISSAN TEANA 2003  Service Manual AUTO LIGHT SYSTEM
LT-67
C
D
E
F
G
H
I
J
L
MA
B
LT
 
TKWM4825E

Page 2756 of 3502

NISSAN TEANA 2003  Service Manual LT-68
AUTO LIGHT SYSTEM
 
Terminals and Reference Values for BCMBKS001OC
CAUTION:
Check combination switch system terminal waveform under the loaded condition with lighting
switch, turn signal switch

Page 2757 of 3502

NISSAN TEANA 2003  Service Manual AUTO LIGHT SYSTEM
LT-69
C
D
E
F
G
H
I
J
L
MA
B
LT
 
Terminals and Reference Values for IPDM E/RBKS001OD
How to Perform Trouble DiagnosisBKS001OE
1. Confirm the symptom or customer complaint.
2. Unders

Page 2758 of 3502

NISSAN TEANA 2003  Service Manual LT-70
AUTO LIGHT SYSTEM
 
Preliminary CheckBKS001OF
SETTING CHANGE FUNCTIONS
Sensitivity of auto light system can be adjusted using CONSULT-II. Refer to LT- 1 9 ,  "WORK SUPPORT" .
CHECK POWER SUPPLY

Page 2759 of 3502

NISSAN TEANA 2003  Service Manual AUTO LIGHT SYSTEM
LT-71
C
D
E
F
G
H
I
J
L
MA
B
LT
 
3. CHECK GROUND CIRCUIT
Check continuity between BCM harness connector and ground.
OK or NG
OK >> INSPECTION END
NG >> Repair harness or connector.

Page 2760 of 3502

NISSAN TEANA 2003  Service Manual LT-72
AUTO LIGHT SYSTEM
 
3. PERFORM BCM SELF-DIAGNOSIS
Select “BCM” on CONSULT-II, and perform self-diagnosis for
“BCM”.
Displayed self
-diagnosis results
NO DTC>>GO TO 4.
CAN COMM CIRCUIT>>R
Trending: fuse diagram, Ipdm terminal, transmission fluid, transmission, BR-26, ABS, tightening the crankshaft