NISSAN TEANA 2003 Service Manual

NISSAN TEANA 2003 Service Manual TEANA 2003 NISSAN NISSAN https://www.carmanualsonline.info/img/5/57392/w960_57392-0.png NISSAN TEANA 2003 Service Manual
Trending: oil capacity, brake fluid, maintenance, Timing chain, fuse diagram, seat adjustment, m55

Page 2761 of 3502

NISSAN TEANA 2003  Service Manual AUTO LIGHT SYSTEM
LT-73
C
D
E
F
G
H
I
J
L
MA
B
LT
 
6. CHECK OPTICAL SENSOR OUTPUT VOLTAGE 
1. Connect BCM connector and optical sensor connector.
2. Turn ignition switch ON.
3. Check difference in th

Page 2762 of 3502

NISSAN TEANA 2003  Service Manual LT-74
AUTO LIGHT SYSTEM
 
Removal and Installation for Optical SensorBKS001OK
REMOVAL
1. Remove instrument panel. Refer to IP-10, "INSTRUMENT
PANEL ASSEMBLY" .
2. Disconnect optical sensor connector.

Page 2763 of 3502

NISSAN TEANA 2003  Service Manual ACTIVE AFS
LT-75
C
D
E
F
G
H
I
J
L
MA
B
LT
 
ACTIVE AFSPFP:253C0
Component Parts and Harness Connector LocationBKS002BW
System DescriptionBKS002BX
AFS (ADAPTIVE FRONT-LIGHTING SYSTEM)
Bending lamp (e

Page 2764 of 3502

NISSAN TEANA 2003  Service Manual LT-76
ACTIVE AFS
 
OUTLINE
Power is supplied at all times
to ignition relay [located in IPDM E/R (Intelligent Power Distribution Module Engine Room)], from battery
direct,
through 15A fuse (No. 71,

Page 2765 of 3502

NISSAN TEANA 2003  Service Manual ACTIVE AFS
LT-77
C
D
E
F
G
H
I
J
L
MA
B
LT
 
When The Steering Wheel Is Turned To The Left
AFS control unit supplies power
through AFS control unit terminal 3
to front combination lamp LH terminal 9

Page 2766 of 3502

NISSAN TEANA 2003  Service Manual LT-78
ACTIVE AFS
 
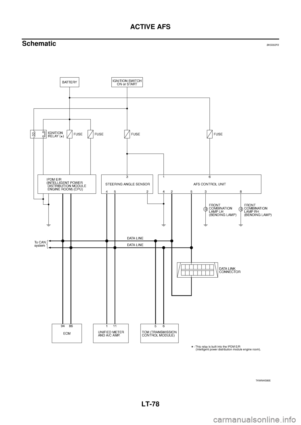
SchematicBKS002F6
TKWM4586E

Page 2767 of 3502

NISSAN TEANA 2003  Service Manual ACTIVE AFS
LT-79
C
D
E
F
G
H
I
J
L
MA
B
LT
 
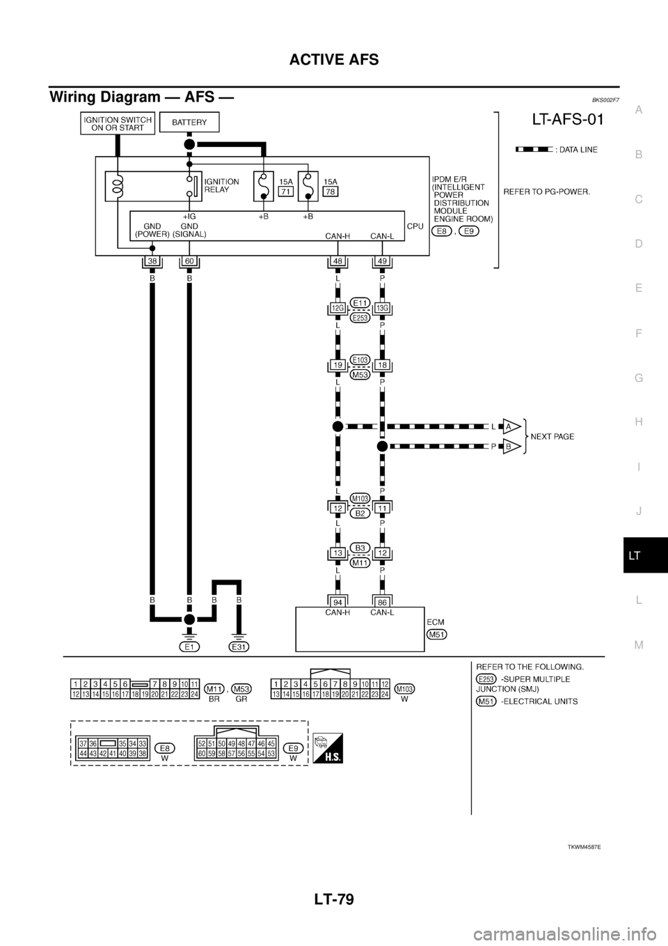
Wiring Diagram — AFS —BKS002F7
TKWM4587E

Page 2768 of 3502

NISSAN TEANA 2003  Service Manual LT-80
ACTIVE AFS
 
TKWM4588E

Page 2769 of 3502

NISSAN TEANA 2003  Service Manual ACTIVE AFS
LT-81
C
D
E
F
G
H
I
J
L
MA
B
LT
 
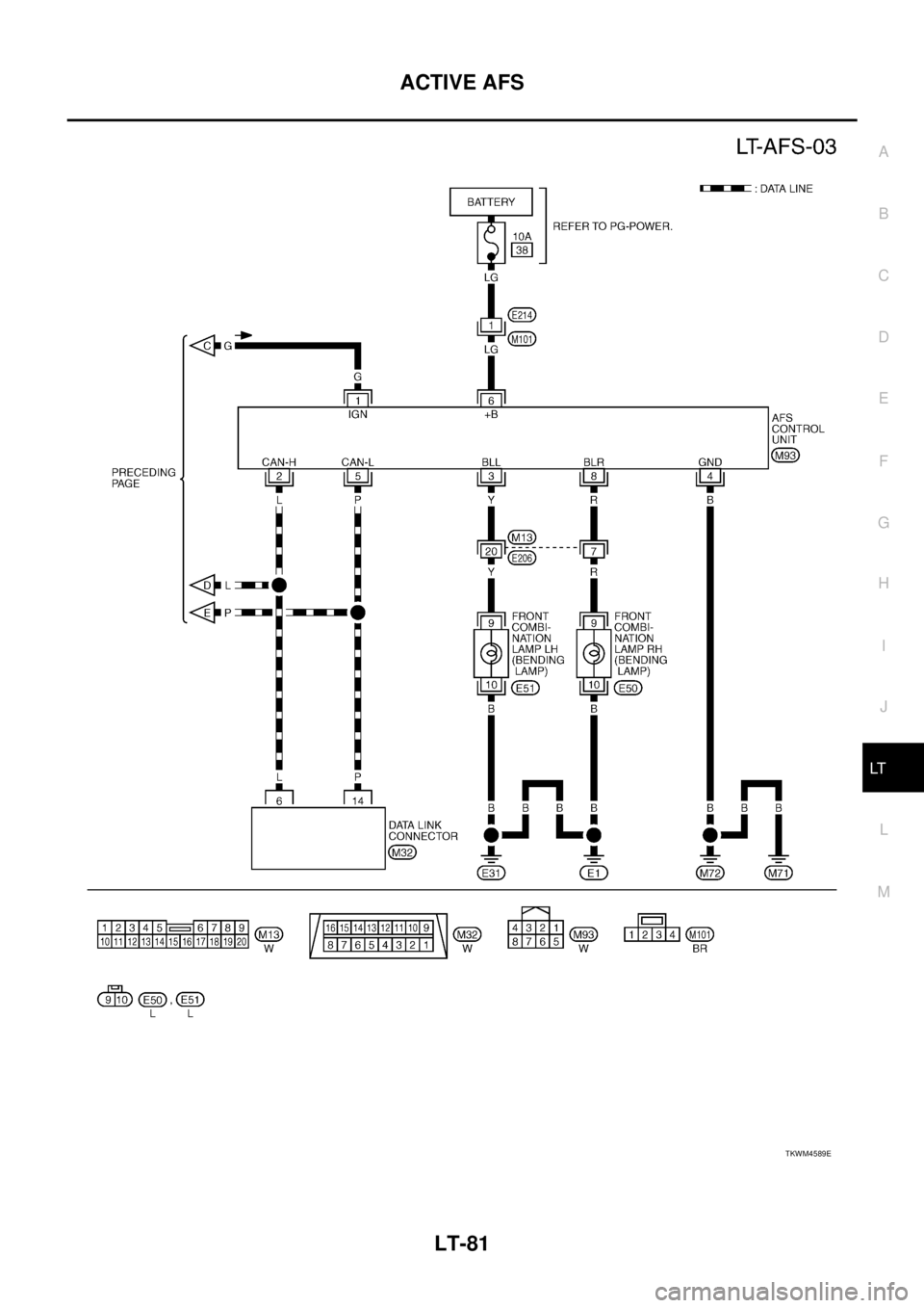
TKWM4589E

Page 2770 of 3502

NISSAN TEANA 2003  Service Manual LT-82
ACTIVE AFS
 
Terminals and Reference Values for AFS Control UnitBKS002F8
CONSULT-II Functions (ADAPTIVE LIGHT)BKS002F9
CONSULT-II can display each diagnostic item using the diagnostic test mode
Trending: k electrical, Main bearings torque, Radiator, Engine lubrication system, cruise control, hood open, wiper fluid