SSANGYONG NEW REXTON 2012  Service Manual
  NEW REXTON 2012 
  SSANGYONG
  SSANGYONG
  https://www.carmanualsonline.info/img/67/57514/w960_57514-0.png
  SSANGYONG NEW REXTON 2012  Service Manual
            
        
  
 
Trending: clock, adding oil, engine coolant, tailgate, weight, automatic transmission, coolant temperature
Page 401 of 600
(3) Operation
Pre-Glow: Step 1
If normal communication with the ECU is established 2 seconds after the power is supplied to the IGN 
terminal from the battery, the GCU supplies the battery power to raise the temperature of the glow plug 
- The time for pre-heating is controlled by the ECU.
Input power VB(V) Arrival time T1(s)
68.27
75.8
84.1
93.15
10 2.4
11 1.95
1.9
If the input power (VB) is 11.5 V or less, the GCU supplies the battery power for arrival time (T1).
If the input power (VB) is greater than 11.5 V, the GCU supplies the voltage of 11.5 V for arrival time 
(T1).  -
-
The time for pre-heating by coolant temperature can vary slightly depending on e.g. other vehicle 
operation elements. 
         
        
        
        Page 402 of 600
1413-00
During cranking: Step 2 and step 3
Step 2: If the ECU receives the cranking signal after pre-heating (step 1), the GCU supplies the 1.
2.
Under fixed temperature: The AQGS unit supplies power for 30 seconds (Step 1 + Step 3) 
                                         if no cranking signal is received after the step 1.
At cranking: The step 3 is started after the step 2. *
*
Post-glow: Step 4:   
The post-heating is for reducing HC/CO after the engine is started. If the time for post-heating exceeds 
180 sec., the GCU unit cuts off the power to each glow plug even if there is pre-heating request from the 
engine ECU.
Emergency glow
If no CAN signal is received for 4 seconds from the engine ECU after the IGN ON signal is input, the 
GCU performs emergency preheat (Step 3) for 30 seconds. 
Post-heatingOperating time 
(approx.)
Operating time 
(approx.)100 s 50 s 25 s 10 s 10 s 
         
        
        
        Page 403 of 600
Normal operation mode
This shows the pre-glow and post-glow step as a chart. 
         
        
        
        Page 404 of 600
1413-00
Operation when there is no engine start signal (cranking) after ignition ON 
         
        
        
        Page 405 of 600
1461-01
1. SPECIFICATION
Description Specification
Capacity 12 V, 2.3 kW
Engagement Meshed type
Rotating direction Clockwise
Pinion gear manufacturing Cooled forging
Solenoid operating voltage Max. 8 V
Weight 2.5 kg
Bracket manufacturing Aluminum die casting 
         
        
        
        Page 406 of 600
2. TROUBLESHOOTING
ProblemAction
Engine will not crankLow battery voltage Charge or replace
Loose, corroded or damaged battery cable
Repair or replace
Faulty starter or open circuit
Faulty ignition switch or blown fuse Repair or replace
Poor engine ground Repair
Engine cranks too 
slowLow battery voltage Charge or replace
Loose, corroded or damaged battery cable
Repair or replace
Faulty starter
Starter does not 
stopFaulty starter
Faulty ignition switch Replace
Engine cranks 
normally, but does 
not startBroken pinion gear or faulty starter
Replace the starter
Broken flywheel ring gear Replace
Open circuit Repair 
         
        
        
        Page 407 of 600
1461-01
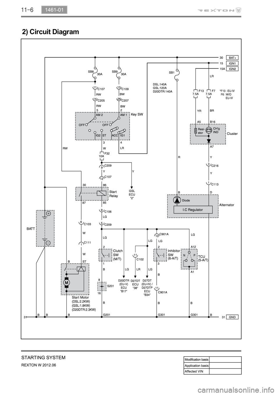
1. SYSTEM DESCRIPTION
The starter (start motor) starts the engine with rotational power by converting the electric energy to the 
mechanical energy.
When the engine is cranking, the pinion gear meshes with the ring gear. If the ring gear overruns, the 
pinion gear clutch overruns to protect the pinion gear.
2. OPERATING PROCESS
1) System Layout 
         
        
        
        Page 408 of 600
        
        
        
        Page 409 of 600
8510-23
1. SYSTEM DESCRIPTION
1) System Description
The cruise control is an automatic speed control system that maintains a desired driving speed without 
using the accelerator pedal.
The vehicle speed must be greater than 38 km/h to engage the cruise control. This feature is especially 
useful for motorway driving.
The cruise control system is a supplementary system, which helps the driver to drive the vehicle at a 
desired speed without using the accelerator pedal under the traffic condition where the vehicle-to-
vehicle distance meets the legal requirement. 
         
        
        
        Page 410 of 600
2) Traffic Conditions for Using Cruise Control
Use the cruise control system only when the traffic is not jammed, driving on motorways or highways 
where there is no sudden change in the driving condition due to traffic lights, pedestrian, etc.
Improper use of the cruise control could be dangerous.
- Do not use on winding roadsyy .
- Do not use in heavy traffic.
- Do not use on slippery, wet roads.
This could result in a loss of control, collision, and/or personal injuries. 
         
        
        
            
      
   
Trending: instrument panel, power steering, oil capacity, alternator belt, 4WD, key, brake