8W-70 SPLICE INFORMATION
Component Page
S100............................. 8W-10-19
S102............................. 8W-12-18
S103............................. 8W-12-18
S104.............................. 8W-50-7
S105............................. 8W-12-13
S106.............................. 8W-50-6
S107............................. 8W-12-12
S108............................. 8W-12-11
S109............................. 8W-15-11
S110 .......................... 8W-50-10, 11
S111 ............................. 8W-30-37
S112 .............................. 8W-15-5
S113 ............................. 8W-10-23
S114 ............................. 8W-10-13
S116 .............................. 8W-31-2
S117 .......................... 8W-10-15, 16
S118 ............................ 8W-70-5, 6
S119 .............................. 8W-70-2
S120.............................. 8W-42-3
S121............................ 8W-70-4, 6
S122.............................. 8W-15-8
S123.......................... 8W-10-15, 16
S124.......................... 8W-10-17, 18
S126........................... 8W-15-8, 10
S127.............................. 8W-21-3
S128.............................. 8W-15-9
S130.......................... 8W-10-18, 19
S131............................. 8W-10-16
S134.......................... 8W-50-10, 11
S136............................. 8W-10-25
S141.............................. 8W-50-7
S143............................. 8W-10-25
S144.............................. 8W-50-5
S150.............................. 8W-15-7
S151.............................. 8W-15-3
S152.............................. 8W-31-5
S160............................. 8W-30-34
S161............................. 8W-10-12
S164............................. 8W-15-10
S165.............................. 8W-70-7
S166............................. 8W-30-33
S167............................. 8W-10-12
S168.............................. 8W-15-9
S170............................. 8W-30-31
S171............................. 8W-12-12
S172............................. 8W-30-40
S173............................. 8W-30-40
S174............................. 8W-30-38
S175.............................. 8W-18-3
S176.......................... 8W-10-18, 19
S177.............................. 8W-40-2
S179.............................. 8W-70-3
S180.............................. 8W-31-2
S181............................. 8W-10-24
S182.............................. 8W-50-6
S183............................. 8W-50-10Component Page
S184.............................. 8W-18-4
S202.............................. 8W-53-2
S203............................. 8W-12-10
S203.............................. 8W-53-2
S204.............................. 8W-12-8
S207............................ 8W-42-3, 4
S209.............................. 8W-15-4
S210.............................. 8W-47-4
S300.............................. 8W-45-6
S300............................ 8W-61-2, 4
S301.............................. 8W-45-6
S301............................ 8W-61-2, 4
S302.............................. 8W-15-4
S302.............................. 8W-47-8
S303.............................. 8W-47-8
S304.............................. 8W-12-7
S305............................. 8W-15-16
S306............................. 8W-12-15
S307.............................. 8W-62-3
S308.............................. 8W-39-4
S308.............................. 8W-45-6
S310............................. 8W-12-14
S311 ............................. 8W-15-17
S313.............................. 8W-52-4
S314.............................. 8W-52-4
S315.............................. 8W-15-6
S316.............................. 8W-51-2
S317.............................. 8W-51-5
S318............................. 8W-10-21
S318.............................. 8W-54-2
S319............................. 8W-10-21
S319.............................. 8W-54-2
S320.............................. 8W-54-3
S321.............................. 8W-15-6
S321.............................. 8W-54-4
S322.............................. 8W-50-8
S323............................. 8W-12-15
S324............................. 8W-12-13
S325............................. 8W-15-18
S326............................. 8W-12-14
S327.............................. 8W-12-7
S328............................. 8W-15-15
S329............................. 8W-15-16
S330............................. 8W-15-16
S331.............................. 8W-15-7
S332............................. 8W-45-10
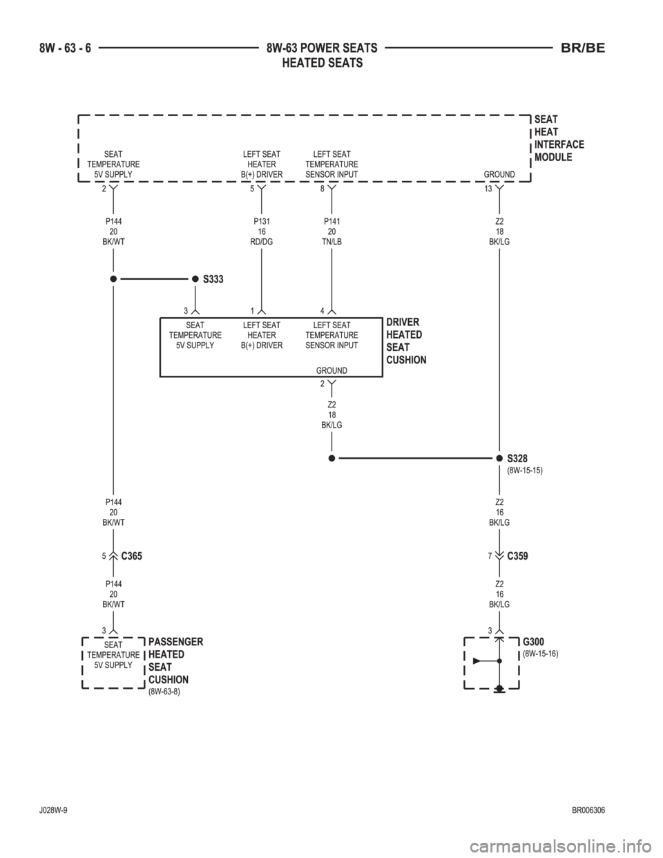
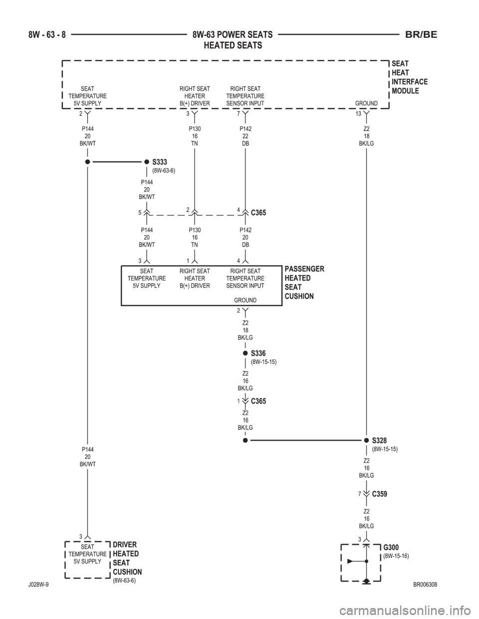
S333.............................. 8W-63-6
S335.............................. 8W-12-8
S336............................. 8W-15-15
S337.............................. 8W-12-7
S340............................. 8W-15-12
S401.............................. 8W-15-6
S402.............................. 8W-15-6
S404.............................. 8W-15-6
S406.............................. 8W-51-6
BR/BE8W-70 SPLICE INFORMATION 8W - 70 - 1