INFINITI FX35 2004 Service Manual
Page 1431 of 4449
![INFINITI FX35 2004 Service Manual EC-90
[VQ35DE]
TROUBLE DIAGNOSIS
Revision: 2004 November 2004 FX35/FX45
Air Air duct
55555 5EM-17
Air cleanerEM-17
Air leakage from air duct
(Mass air flow sensor — electric
throttle control actuat INFINITI FX35 2004 Service Manual EC-90
[VQ35DE]
TROUBLE DIAGNOSIS
Revision: 2004 November 2004 FX35/FX45
Air Air duct
55555 5EM-17
Air cleanerEM-17
Air leakage from air duct
(Mass air flow sensor — electric
throttle control actuat](/img/42/57021/w960_57021-1430.png)
Page 1432 of 4449
![INFINITI FX35 2004 Service Manual TROUBLE DIAGNOSIS
EC-91
[VQ35DE]
C
D
E
F
G
H
I
J
K
L
MA
EC
Revision: 2004 November 2004 FX35/FX45
1 - 6: The numbers refer to the order of inspection.Cooling
Radiator/Hose/Radiator filler cap
55555 55 INFINITI FX35 2004 Service Manual TROUBLE DIAGNOSIS
EC-91
[VQ35DE]
C
D
E
F
G
H
I
J
K
L
MA
EC
Revision: 2004 November 2004 FX35/FX45
1 - 6: The numbers refer to the order of inspection.Cooling
Radiator/Hose/Radiator filler cap
55555 55](/img/42/57021/w960_57021-1431.png)
Page 1433 of 4449
![INFINITI FX35 2004 Service Manual EC-92
[VQ35DE]
TROUBLE DIAGNOSIS
Revision: 2004 November 2004 FX35/FX45
Engine Control Component Parts LocationABS006KT
PBIB2002E INFINITI FX35 2004 Service Manual EC-92
[VQ35DE]
TROUBLE DIAGNOSIS
Revision: 2004 November 2004 FX35/FX45
Engine Control Component Parts LocationABS006KT
PBIB2002E](/img/42/57021/w960_57021-1432.png)
Page 1434 of 4449
![INFINITI FX35 2004 Service Manual TROUBLE DIAGNOSIS
EC-93
[VQ35DE]
C
D
E
F
G
H
I
J
K
L
MA
EC
Revision: 2004 November 2004 FX35/FX45
PBIB2003E INFINITI FX35 2004 Service Manual TROUBLE DIAGNOSIS
EC-93
[VQ35DE]
C
D
E
F
G
H
I
J
K
L
MA
EC
Revision: 2004 November 2004 FX35/FX45
PBIB2003E](/img/42/57021/w960_57021-1433.png)
Page 1435 of 4449
![INFINITI FX35 2004 Service Manual EC-94
[VQ35DE]
TROUBLE DIAGNOSIS
Revision: 2004 November 2004 FX35/FX45
PBIB1616E INFINITI FX35 2004 Service Manual EC-94
[VQ35DE]
TROUBLE DIAGNOSIS
Revision: 2004 November 2004 FX35/FX45
PBIB1616E](/img/42/57021/w960_57021-1434.png)
Page 1436 of 4449
![INFINITI FX35 2004 Service Manual TROUBLE DIAGNOSIS
EC-95
[VQ35DE]
C
D
E
F
G
H
I
J
K
L
MA
EC
Revision: 2004 November 2004 FX35/FX45
PBIB1189E
PBIB1617E INFINITI FX35 2004 Service Manual TROUBLE DIAGNOSIS
EC-95
[VQ35DE]
C
D
E
F
G
H
I
J
K
L
MA
EC
Revision: 2004 November 2004 FX35/FX45
PBIB1189E
PBIB1617E](/img/42/57021/w960_57021-1435.png)
Page 1437 of 4449
![INFINITI FX35 2004 Service Manual EC-96
[VQ35DE]
TROUBLE DIAGNOSIS
Revision: 2004 November 2004 FX35/FX45
PBIB2004E INFINITI FX35 2004 Service Manual EC-96
[VQ35DE]
TROUBLE DIAGNOSIS
Revision: 2004 November 2004 FX35/FX45
PBIB2004E](/img/42/57021/w960_57021-1436.png)
Page 1438 of 4449
![INFINITI FX35 2004 Service Manual TROUBLE DIAGNOSIS
EC-97
[VQ35DE]
C
D
E
F
G
H
I
J
K
L
MA
EC
Revision: 2004 November 2004 FX35/FX45
PBIB1619E INFINITI FX35 2004 Service Manual TROUBLE DIAGNOSIS
EC-97
[VQ35DE]
C
D
E
F
G
H
I
J
K
L
MA
EC
Revision: 2004 November 2004 FX35/FX45
PBIB1619E](/img/42/57021/w960_57021-1437.png)
Page 1439 of 4449
![INFINITI FX35 2004 Service Manual EC-98
[VQ35DE]
TROUBLE DIAGNOSIS
Revision: 2004 November 2004 FX35/FX45
Circuit DiagramABS006KU
TBWH0101E INFINITI FX35 2004 Service Manual EC-98
[VQ35DE]
TROUBLE DIAGNOSIS
Revision: 2004 November 2004 FX35/FX45
Circuit DiagramABS006KU
TBWH0101E](/img/42/57021/w960_57021-1438.png)
Page 1440 of 4449
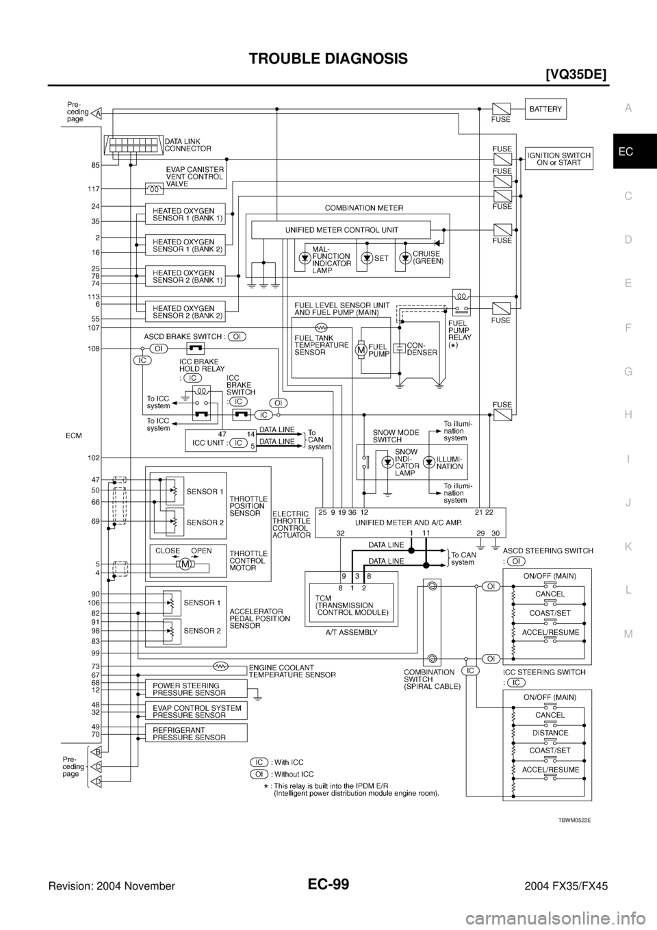
![INFINITI FX35 2004 Service Manual TROUBLE DIAGNOSIS
EC-99
[VQ35DE]
C
D
E
F
G
H
I
J
K
L
MA
EC
Revision: 2004 November 2004 FX35/FX45
TBWM0522E INFINITI FX35 2004 Service Manual TROUBLE DIAGNOSIS
EC-99
[VQ35DE]
C
D
E
F
G
H
I
J
K
L
MA
EC
Revision: 2004 November 2004 FX35/FX45
TBWM0522E](/img/42/57021/w960_57021-1439.png)
Page:
< prev 1-10 ... 1391-1400 1401-1410 1411-1420 1421-1430 1431-1440 1441-1450 1451-1460 1461-1470 1471-1480 ... 4450 next >
Trending: fuel tank capacity, bcm, seat memory, seat, Temperature sensor, night vision, open gas tank