INFINITI FX35 2008 Service Manual
Manufacturer: INFINITI, Model Year: 2008, Model line: FX35, Model: INFINITI FX35 2008Pages: 3924, PDF Size: 81.37 MB
Page 1971 of 3924
![INFINITI FX35 2008 Service Manual
DTC P0011, P0021 IVT CONTROL
EC-731
< SERVICE INFORMATION > [VK45DE]
C
D
E
F
G H
I
J
K L
M A
EC
NP
O
Do not use ECM ground terminals wh
en measuring input/output voltage. Doing so may result in dam-
INFINITI FX35 2008 Service Manual
DTC P0011, P0021 IVT CONTROL
EC-731
< SERVICE INFORMATION > [VK45DE]
C
D
E
F
G H
I
J
K L
M A
EC
NP
O
Do not use ECM ground terminals wh
en measuring input/output voltage. Doing so may result in dam-](/img/42/57017/w960_57017-1970.png)
DTC P0011, P0021 IVT CONTROL
EC-731
< SERVICE INFORMATION > [VK45DE]
C
D
E
F
G H
I
J
K L
M A
EC
NP
O
Do not use ECM ground terminals wh
en measuring input/output voltage. Doing so may result in dam-
age to the ECM's transistor. Use a ground ot her than ECM terminals, such as the ground.
: Average voltage for pulse signal (Actual pulse signal can be confirmed by oscilloscope.)TER-
MI-
NAL NO. WIRE
COLOR ITEM CONDITION DATA (DC Voltage)
10 OR Intake valve timing control
solenoid valve (Bank 1) [Engine is running]
Warm-up condition
Idle speed BATTERY VOLTAGE
(11 - 14V)
[Engine is running]
Warm-up condition
Engine speed: 2,000rpm 7 - 12V
72 BR Intake valve timing control
position sensor (Bank 1) [Engine is running]
Warm-up condition
Idle speed 0 - 1.0V
[Engine is running]
Engine speed: 2,000rpm 0 - 1.0V
111 W / B ECM relay
(Self shut-off) [Engine is running]
[Ignition switch: OFF]
For a few seconds after turning ignition
switch OFF 0 - 1.5V
[Ignition switch: OFF]
More than a few seconds after turning igni- tion switch OFF BATTERY VOLTAGE
(11 - 14V)
11 9
120 R
R/B
Power supply for ECM
[Ignition switch: ON] BATTERY VOLTAGE
(11 - 14V)
PBIB1790E
PBIB2046E
3AA93ABC3ACD3AC03ACA3AC03AC63AC53A913A773A893A873A873A8E3A773A983AC73AC93AC03AC3
3A893A873A873A8F3A773A9D3AAF3A8A3A8C3A863A9D3AAF3A8B3A8C
Page 1972 of 3924
![INFINITI FX35 2008 Service Manual
EC-732
< SERVICE INFORMATION >[VK45DE]
DTC P0011, P0021 IVT CONTROL
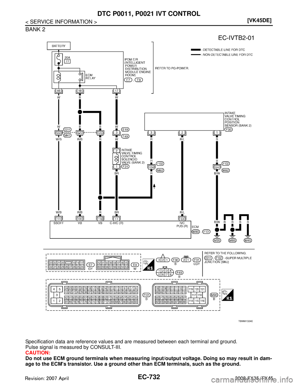
BANK 2
Specification data are reference values and are measured between each terminal and ground.
Pulse signal is measured by CONSU INFINITI FX35 2008 Service Manual
EC-732
< SERVICE INFORMATION >[VK45DE]
DTC P0011, P0021 IVT CONTROL
BANK 2
Specification data are reference values and are measured between each terminal and ground.
Pulse signal is measured by CONSU](/img/42/57017/w960_57017-1971.png)
EC-732
< SERVICE INFORMATION >[VK45DE]
DTC P0011, P0021 IVT CONTROL
BANK 2
Specification data are reference values and are measured between each terminal and ground.
Pulse signal is measured by CONSULT-III.
CAUTION:
Do not use ECM ground terminals when measuring in
put/output voltage. Doing so may result in dam-
age to the ECM's transistor. Use a ground ot her than ECM terminals, such as the ground.
TBWM1324E
3AA93ABC3ACD3AC03ACA3AC03AC63AC53A913A773A893A873A873A8E3A773A983AC73AC93AC03AC3
3A893A873A873A8F3A773A9D3AAF3A8A3A8C3A863A9D3AAF3A8B3A8C
Page 1973 of 3924
![INFINITI FX35 2008 Service Manual
DTC P0011, P0021 IVT CONTROL
EC-733
< SERVICE INFORMATION > [VK45DE]
C
D
E
F
G H
I
J
K L
M A
EC
NP
O
: Average voltage for pulse signal (Actual pulse signal can be confirmed by oscilloscope.)
Diagnos INFINITI FX35 2008 Service Manual
DTC P0011, P0021 IVT CONTROL
EC-733
< SERVICE INFORMATION > [VK45DE]
C
D
E
F
G H
I
J
K L
M A
EC
NP
O
: Average voltage for pulse signal (Actual pulse signal can be confirmed by oscilloscope.)
Diagnos](/img/42/57017/w960_57017-1972.png)
DTC P0011, P0021 IVT CONTROL
EC-733
< SERVICE INFORMATION > [VK45DE]
C
D
E
F
G H
I
J
K L
M A
EC
NP
O
: Average voltage for pulse signal (Actual pulse signal can be confirmed by oscilloscope.)
Diagnosis ProcedureINFOID:0000000001326559
1.CHECK OIL PRESSURE WARNING LAMP
1. Start engine.
2. Check oil pressure warning lamp and confirm it is not illumi- nated.
OK or NG
OK >> GO TO 2.
NG >> Go to LU-23, "
Inspection".
2.CHECK GROUND CONNECTIONS
1. Turn ignition switch OFF.
2. Loosen and retighten three ground screws on the body.
TER- MI-
NAL
NO. WIRE
COLOR ITEM CONDITION DATA (DC Voltage)
11 B R Intake valve timing control
solenoid valve (Bank 2) [Engine is running]
Warm-up condition
Idle speed BATTERY VOLTAGE
(11 - 14V)
[Engine is running]
Warm-up condition
Engine speed: 2,000rpm 7 - 12V
53 R/L Intake valve timing control
position sensor (Bank 2) [Engine is running]
Warm-up condition
Idle speed 0 - 1.0V
[Engine is running]
Engine speed: 2,000 rpm 0 - 1.0V
111 W / B ECM relay
(Self shut-off) [Engine is running]
[Ignition switch: OFF]
For a few seconds after turning ignition
switch OFF 0 - 1.5V
[Ignition switch: OFF]
More than a few seconds after turning igni- tion switch OFF BATTERY VOLTAGE
(11 - 14V)
11 9
120 R
R/B
Power supply for ECM
[Ignition switch: ON] BATTERY VOLTAGE
(11 - 14V)
PBIB1790E
PBIB2046E
PBIA8559J
3AA93ABC3ACD3AC03ACA3AC03AC63AC53A913A773A893A873A873A8E3A773A983AC73AC93AC03AC3
3A893A873A873A8F3A773A9D3AAF3A8A3A8C3A863A9D3AAF3A8B3A8C
Page 1974 of 3924
![INFINITI FX35 2008 Service Manual
EC-734
< SERVICE INFORMATION >[VK45DE]
DTC P0011, P0021 IVT CONTROL
Refer to
EC-723, "Ground Inspection".
OK or NG
OK >> GO TO 3.
NG >> Repair or replace ground connections.
3.CHECK INTAKE VALVE TIM INFINITI FX35 2008 Service Manual
EC-734
< SERVICE INFORMATION >[VK45DE]
DTC P0011, P0021 IVT CONTROL
Refer to
EC-723, "Ground Inspection".
OK or NG
OK >> GO TO 3.
NG >> Repair or replace ground connections.
3.CHECK INTAKE VALVE TIM](/img/42/57017/w960_57017-1973.png)
EC-734
< SERVICE INFORMATION >[VK45DE]
DTC P0011, P0021 IVT CONTROL
Refer to
EC-723, "Ground Inspection".
OK or NG
OK >> GO TO 3.
NG >> Repair or replace ground connections.
3.CHECK INTAKE VALVE TIMING CONTROL PO SITION SENSOR POWER SUPPLY CIRCUIT
1. Disconnect intake valve timing control position sensor harness connector.
2. Turn ignition switch ON.
3. Check voltage between intake valve timing control position sen- sor terminal 3 and ground with CONSULT-III or tester.
OK or NG
OK >> GO TO 5.
NG >> GO TO 4.
4.DETECT MALFUNCTIONING PART
Check the following.
Harness connectors E211, M41
Harness connectors F102, M82
Harness for open or short between intake va lve timing control position sensor and ECM
Harness for open or short between intake valve timing control position sensor and IPDM E/R
>> Repair open circuit or short to ground or short to power in harness or connectors.
5.CHECK INTAKE VALVE TIMING CONTROL POSI TION SENSOR GROUND CIRCUIT FOR OPEN AND
SHORT
1. Turn ignition switch OFF.
2. Check harness continuity between intake valve timing control position sensor terminal 1 and ground.
Refer to Wiring Diagram.
3. Also check harness for short to power.
OK or NG
PBIB2195E
Voltage: Battery voltage
PBIB1517E
SEF509Y
Continuity should exist.
3AA93ABC3ACD3AC03ACA3AC03AC63AC53A913A773A893A873A873A8E3A773A983AC73AC93AC03AC3
3A893A873A873A8F3A773A9D3AAF3A8A3A8C3A863A9D3AAF3A8B3A8C
Page 1975 of 3924
![INFINITI FX35 2008 Service Manual
DTC P0011, P0021 IVT CONTROL
EC-735
< SERVICE INFORMATION > [VK45DE]
C
D
E
F
G H
I
J
K L
M A
EC
NP
O
OK >> GO TO 7.
NG >> GO TO 6.
6.DETECT MALFUNCTIONING PART
Check the following.
Harness connecto INFINITI FX35 2008 Service Manual
DTC P0011, P0021 IVT CONTROL
EC-735
< SERVICE INFORMATION > [VK45DE]
C
D
E
F
G H
I
J
K L
M A
EC
NP
O
OK >> GO TO 7.
NG >> GO TO 6.
6.DETECT MALFUNCTIONING PART
Check the following.
Harness connecto](/img/42/57017/w960_57017-1974.png)
DTC P0011, P0021 IVT CONTROL
EC-735
< SERVICE INFORMATION > [VK45DE]
C
D
E
F
G H
I
J
K L
M A
EC
NP
O
OK >> GO TO 7.
NG >> GO TO 6.
6.DETECT MALFUNCTIONING PART
Check the following.
Harness connectors F102, M82
Harness for open or short between intake valve timing control position sensor and ground
>> Repair open circuit or short to power in harness or connectors.
7.CHECK INTAKE VALVE TIMING CONTROL POSIT ION SENSOR INPUT SIGNAL CIRCUIT FOR OPEN
AND SHORT
1. Disconnect ECM harness connector.
2. Check harness continuity between the following; ECM terminal 72 and intake valve timing control position sensor (Bank 1) terminal 2 or
ECM terminal 53 and intake valve timing contro l position sensor (Bank 2) terminal 2.
Refer to Wiring Diagram.
3. Also check harness for short to ground and short to power.
OK or NG
OK >> GO TO 8.
NG >> Repair open circuit or short to ground or short to power in harness or connectors.
8.CHECK INTAKE VALVE TIMING CONTROL POSITION SENSOR
Refer to EC-737, "
Component Inspection".
OK or NG
OK >> GO TO 9.
NG >> Replace malfunctioning intake valve timing control position sensor.
9.CHECK INTAKE VALVE TIMING CONTROL SO LENOID VALVE POWER SUPPLY CIRCUIT
1. Reconnect ECM harness connector.
2. Disconnect intake valve timing control solenoid valve harness connector.
3. Turn ignition switch ON.
4. Check voltage between intake valve timing control solenoid valve terminal 2 and ground with CONSULT-III or tester.
OK or NG
OK >> GO TO 11.
NG >> GO TO 10.
10.DETECT MALFUNCTIONING PART
Check the following. Continuity should exist.
Voltage: Battery voltage
PBIB1517E
PBIB0192E
3AA93ABC3ACD3AC03ACA3AC03AC63AC53A913A773A893A873A873A8E3A773A983AC73AC93AC03AC3
3A893A873A873A8F3A773A9D3AAF3A8A3A8C3A863A9D3AAF3A8B3A8C
Page 1976 of 3924
![INFINITI FX35 2008 Service Manual
EC-736
< SERVICE INFORMATION >[VK45DE]
DTC P0011, P0021 IVT CONTROL
Harness connectors E19, F49
Harness for open or short between intake valv
e timing control solenoid valve and IPDM E/R.
>> Repa INFINITI FX35 2008 Service Manual
EC-736
< SERVICE INFORMATION >[VK45DE]
DTC P0011, P0021 IVT CONTROL
Harness connectors E19, F49
Harness for open or short between intake valv
e timing control solenoid valve and IPDM E/R.
>> Repa](/img/42/57017/w960_57017-1975.png)
EC-736
< SERVICE INFORMATION >[VK45DE]
DTC P0011, P0021 IVT CONTROL
Harness connectors E19, F49
Harness for open or short between intake valv
e timing control solenoid valve and IPDM E/R.
>> Repair open circuit or short to ground or short to power in harness or connectors.
11 .CHECK INTAKE VALVE TIMING CONTROL SOLEN OID VALVE OUTPUT SIGNAL CIRCUIT FOR OPEN
AND SHORT
1. Disconnect ECM harness connector.
2. Check harness continuity between the following;
ECM terminal 10 and intake valve timing control solenoid valve (Bank 1) terminal 1 or
ECM terminal 11 and intake valve timing control solenoid valve (Bank 2) terminal 1.
Refer to Wiring Diagram.
3. Also check harness for short to ground and short to power.
OK or NG
OK >> GO TO 12.
NG >> Repair open circuit or short to ground or short to power in harness or connectors.
12.CHECK INTAKE VALVE TIMING CONTROL SOLENOID VALVE
Refer to EC-737, "
Component Inspection".
OK or NG
OK >> GO TO 13.
NG >> Replace malfunctioning intake valve timing control solenoid valve.
13.CHECK CRANKSHAFT POSI TION SENSOR (POS)
Refer to EC-910, "
Component Inspection".
OK or NG
OK >> GO TO 14.
NG >> Replace crankshaft position sensor (POS).
14.CHECK CAMSHAFT POSITI ON SENSOR (PHASE)
Refer to EC-915, "
Component Inspection".
OK or NG
OK >> GO TO 15.
NG >> Replace camshaft position sensor (PHASE).
15.CHECK CAMSHAFT SPROCKET
Check accumulation of debris to the signal pick- up portion of the camshaft sprocket. Refer to EM-211
.
OK or NG
OK >> GO TO 16.
NG >> Remove debris and clean the signal pick-up cutout of camshaft sprocket.
16.CHECK TIMING CHAIN INSTALLATION
Check service records for any recent repairs that may cause timing chain misaligned.
Are there any service records that may cause timing chain misaligned?
Ye s o r N o
Yes >> Check timing chain installation. Refer to EM-199.
No >> GO TO 17.
17.CHECK LUBRICATION CIRCUIT
Refer to EM-211, "
Removal and Installation".
OK or NG
OK >> GO TO 18.
NG >> Clean lubrication line.
18.CHECK INTERMITTENT INCIDENT Continuity should exist.
3AA93ABC3ACD3AC03ACA3AC03AC63AC53A913A773A893A873A873A8E3A773A983AC73AC93AC03AC3
3A893A873A873A8F3A773A9D3AAF3A8A3A8C3A863A9D3AAF3A8B3A8C
Page 1977 of 3924
![INFINITI FX35 2008 Service Manual
DTC P0011, P0021 IVT CONTROL
EC-737
< SERVICE INFORMATION > [VK45DE]
C
D
E
F
G H
I
J
K L
M A
EC
NP
O
Refer to
EC-717.
>> INSPECTION END
Component InspectionINFOID:0000000001326560
INTAKE VALVE TIMIN INFINITI FX35 2008 Service Manual
DTC P0011, P0021 IVT CONTROL
EC-737
< SERVICE INFORMATION > [VK45DE]
C
D
E
F
G H
I
J
K L
M A
EC
NP
O
Refer to
EC-717.
>> INSPECTION END
Component InspectionINFOID:0000000001326560
INTAKE VALVE TIMIN](/img/42/57017/w960_57017-1976.png)
DTC P0011, P0021 IVT CONTROL
EC-737
< SERVICE INFORMATION > [VK45DE]
C
D
E
F
G H
I
J
K L
M A
EC
NP
O
Refer to
EC-717.
>> INSPECTION END
Component InspectionINFOID:0000000001326560
INTAKE VALVE TIMING CONTROL POSITION SENSOR
1. Disconnect intake valve timing control position sensor harness connector.
2. Loosen the fixing bolt of the sensor.
3. Remove the sensor.
4. Visually check the sensor for chipping.
5. Check resistance as shown below.
6. If NG, replace intake valve timing control position sensor.
INTAKE VALVE TIMING CONTROL SOLENOID VALVE
1. Disconnect intake valve timing control solenoid valve harness connector.
2. Check resistance between intake valve timing control solenoid
valve terminals as follows.
If NG, replace intake valve timing control solenoid valve.
If OK, go to next step.
3. Remove intake valve timing control solenoid valve.
SEF362Z
Terminal No. (Polarity) Resistance Ω [at 25 °C (77 °F)]
3 (+) - 1 (-) Except 0 or ∞
2 (+) - 1 (-)
3 (+) - 2 (-)
PBIB0194E
Terminals Resistance
1 and 2 7.0 - 7.5 Ω [at 20 °C (68 °F)]
1 or 2 and ground ∞Ω
(Continuity should not exist)
PBIB0193E
3AA93ABC3ACD3AC03ACA3AC03AC63AC53A913A773A893A873A873A8E3A773A983AC73AC93AC03AC3
3A893A873A873A8F3A773A9D3AAF3A8A3A8C3A863A9D3AAF3A8B3A8C
Page 1978 of 3924
![INFINITI FX35 2008 Service Manual
EC-738
< SERVICE INFORMATION >[VK45DE]
DTC P0011, P0021 IVT CONTROL
4. Provide 12V DC between intake valve timing control solenoid
valve terminals and then interrupt it. Make sure that the plunger
mo INFINITI FX35 2008 Service Manual
EC-738
< SERVICE INFORMATION >[VK45DE]
DTC P0011, P0021 IVT CONTROL
4. Provide 12V DC between intake valve timing control solenoid
valve terminals and then interrupt it. Make sure that the plunger
mo](/img/42/57017/w960_57017-1977.png)
EC-738
< SERVICE INFORMATION >[VK45DE]
DTC P0011, P0021 IVT CONTROL
4. Provide 12V DC between intake valve timing control solenoid
valve terminals and then interrupt it. Make sure that the plunger
moves as shown in the figure.
CAUTION:
Do not apply 12V DC continuo usly for 5 seconds or more.
Doing so may result in damage to the coil in intake valve
timing control solenoid valve.
If NG, replace intake valve timing control solenoid valve.
NOTE:
Always replace O-ring when intake valve timing control
solenoid valve is removed.
Removal and InstallationINFOID:0000000001326561
INTAKE VALVE TIMING CONTROL POSITION SENSOR
Refer to EM-199.
INTAKE VALVE TIMING CONTROL SOLENOID VALVE
Refer to EM-199.
PBIB2275E
3AA93ABC3ACD3AC03ACA3AC03AC63AC53A913A773A893A873A873A8E3A773A983AC73AC93AC03AC3
3A893A873A873A8F3A773A9D3AAF3A8A3A8C3A863A9D3AAF3A8B3A8C
Page 1979 of 3924
![INFINITI FX35 2008 Service Manual
DTC P0031, P0032, P0051, P0052 A/F SENSOR 1 HEATER
EC-739
< SERVICE INFORMATION > [VK45DE]
C
D
E
F
G H
I
J
K L
M A
EC
NP
O
DTC P0031, P0032, P0051, P0052 A/F SENSOR 1 HEATER
DescriptionINFOID:0000000 INFINITI FX35 2008 Service Manual
DTC P0031, P0032, P0051, P0052 A/F SENSOR 1 HEATER
EC-739
< SERVICE INFORMATION > [VK45DE]
C
D
E
F
G H
I
J
K L
M A
EC
NP
O
DTC P0031, P0032, P0051, P0052 A/F SENSOR 1 HEATER
DescriptionINFOID:0000000](/img/42/57017/w960_57017-1978.png)
DTC P0031, P0032, P0051, P0052 A/F SENSOR 1 HEATER
EC-739
< SERVICE INFORMATION > [VK45DE]
C
D
E
F
G H
I
J
K L
M A
EC
NP
O
DTC P0031, P0032, P0051, P0052 A/F SENSOR 1 HEATER
DescriptionINFOID:0000000001326562
SYSTEM DESCRIPTION
The ECM performs ON/OFF duty control of the A/F
sensor 1 heater corresponding to the engine operating
condition to keep the temperature of A/F sensor 1 element at the specified range.
CONSULT-III Reference Value in Data Monitor ModeINFOID:0000000001326563
Specification data are reference values.
On Board Diagnosis LogicINFOID:0000000001326564
DTC Confirmation ProcedureINFOID:0000000001326565
NOTE:
If DTC Confirmation Procedure has been previously conduc ted, always turn ignition switch OFF and wait at
least 10 seconds before conducting the next test.
TESTING CONDITION:
Before performing the following procedure, confi rm that battery voltage is between 10.5V and 16V at
idle.
1. Start engine and let it idle for at least 10 seconds.
2. Check 1st trip DTC.
3. If 1st trip DTC is detected, go to EC-743, "
Diagnosis Procedure".
Sensor Input Signal to ECM ECM function Actuator
Camshaft position sensor (PHASE)
Crankshaft position sensor (POS) Engine speed
Air fuel ratio (A/F) sensor 1
heater controlAir fuel ratio (A/F) sensor 1
heater
Mass air flow sensor Amount of intake air
MONITOR ITEM CONDITION SPECIFICATION
A/F S1 HTR (B1)
A/F S1 HTR (B2) Engine: After warming up, idle the engine 0 - 100%
DTC No. Trouble diagnosis name DTC detecting condition Possible cause
P0031
0031
(Bank 1) Air fuel ratio (A/F) sensor
1 heater control circuit low The current amperage in the A/F sensor 1 heater
circuit is out of the normal range.
(An excessively low voltage signal is sent to ECM
through the A/F sensor 1 heater.) Harness or connectors
(The A/F sensor 1 heater circuit is
open or shorted.)
A/F sensor 1 heater
P0051
0051
(Bank 2)
P0032
0032
(Bank 1)
Air fuel ratio (A/F) sensor
1 heater control circuit
high The current amperage in the A/F sensor 1 heater
circuit is out of the normal range.
(An excessively high voltage signal is sent to ECM
through the A/F sensor 1 heater.) Harness or connectors
(The A/F sensor 1 heater circuit is
shorted.)
A/F sensor 1 heater
P0052
0052
(Bank 2)
3AA93ABC3ACD3AC03ACA3AC03AC63AC53A913A773A893A873A873A8E3A773A983AC73AC93AC03AC3
3A893A873A873A8F3A773A9D3AAF3A8A3A8C3A863A9D3AAF3A8B3A8C
Page 1980 of 3924
![INFINITI FX35 2008 Service Manual
EC-740
< SERVICE INFORMATION >[VK45DE]
DTC P0031, P0032,
P0051, P0052 A/F SENSOR 1 HEATER
Wiring Diagram
INFOID:0000000001326566
BANK 1
Specification data are reference values and are measured betwe INFINITI FX35 2008 Service Manual
EC-740
< SERVICE INFORMATION >[VK45DE]
DTC P0031, P0032,
P0051, P0052 A/F SENSOR 1 HEATER
Wiring Diagram
INFOID:0000000001326566
BANK 1
Specification data are reference values and are measured betwe](/img/42/57017/w960_57017-1979.png)
EC-740
< SERVICE INFORMATION >[VK45DE]
DTC P0031, P0032,
P0051, P0052 A/F SENSOR 1 HEATER
Wiring Diagram
INFOID:0000000001326566
BANK 1
Specification data are reference values and are measured between each terminal and ground.
Pulse signal is measured by CONSULT-III.
CAUTION:
TBWM1371E
3AA93ABC3ACD3AC03ACA3AC03AC63AC53A913A773A893A873A873A8E3A773A983AC73AC93AC03AC3
3A893A873A873A8F3A773A9D3AAF3A8A3A8C3A863A9D3AAF3A8B3A8C