warning light INFINITI M35 2006 Factory User Guide
[x] Cancel search | Manufacturer: INFINITI, Model Year: 2006, Model line: M35, Model: INFINITI M35 2006Pages: 5621, PDF Size: 65.56 MB
Page 1461 of 5621

DI-28
UNIFIED METER AND A/C AMP
Revision: 2006 January2006 M35/M45
UNIFIED METER AND A/C AMPPFP:27760
System DescriptionNKS003UG
For the unified meter and A/C amp., the signal required for controlling the combination meter are integrated in
the A/C auto amp.
COMBINATION METER CONTROL FUNCTION
Unified meter and A/C amp. inputs necessary information for combination meter from each unit with CAN
communication and so on.
Unified meter and A/C amp. outputs signals with communication line (TX, RX) between unified meter and
A/C amp. and combination meter.
Unified meter and A/C amp. corresponds a CONSULT-II function (self-diagnostic results, CAN diagnostic
support monitor and data monitor).
Input/output Signals
Between unified meter and A/C amp. and combination meter.
Unit Input from combination meter Output to combination meter
Unified meter and A/C amp.
Refuel status signal
Low-fuel warning lamp condition signal
Delivery destination data signal
Combination meter receive error signal
Combination meter specifications signal
Odo date signal
Vehicle speed signal
Turn indicator signal
High beam request signal
Ring illumination request signal
Position light request signal
Front fog lamp request signal
SET indicator lamp signal
CRUISE indicator lamp signal
Engine speed signal
Fuel level sensor signal (resistance value)
Engine coolant temperature signal
CAN communication condition signal of A/T
A/T position indicator signal
Manual mode indicator signal
A/T CHECK warning lamp signal
AWD warning lamp signal
Low tire pressure warning lamp signal
VDC OFF indicator lamp signal
SLIP indicator lamp signal
ABS warning lamp signal
Brake warning lamp signal
Malfunction indicator lamp signal
Oil pressure switch signal
Door switch signal
Buzzer request signal
ICC warning lamp signal
Meter display signal
AFS OFF indicator signal
Page 1494 of 5621

WARNING CHIME
DI-61
C
D
E
F
G
H
I
J
L
MA
B
DI
Revision: 2006 January2006 M35/M45
IGNITION KEY WARNING CHIME (WITH INTELLIGENT KEY)
Refer to BL-55, "WARNING FUNCTION" in intelligent key system.
LIGHT WARNING CHIME
With ignition switch in OFF or ACC position, driver door open, and lighting switch in 1ST or 2ND position, the
light warning chime will sound.
BCM detects ignition switch in OFF or ACC position, front door switch (driver side) ON, and lighting switch
in 1ST or 2ND position. And then transmits buzzer output signal (light warning chime) to unified meter and
A/C amp. with CAN communication line.
Unified meter and A/C amp. transmits buzzer output signal (light warning chime) to combination meter
with communication line.
When combination meter receives buzzer output signal (light warning chime), it sounds the buzzer.
NOTE:
For further details of combination switch, refer to BCS-3, "
COMBINATION SWITCH READING FUNCTION" .
SEAT BELT WARNING CHIME
With ignition switch turned ON and driver seat belt unfastened, seat belt warning chime will sound for approxi-
mately 6 seconds.
BCM receives seat belt buckle switch signal [seat belt buckle switch (driver side) ON] from unified meter
and A/C amp. with CAN communication line.
BCM detects ignition switch turned ON and seat belt buckle switch (driver side) ON. And then transmits
buzzer output signal (seat belt warning chime) to unified meter and A/C amp. with CAN communication
line.
Unified meter and A/C amp. transmits buzzer output signal (seat belt warning chime) to combination
meter with communication line.
When combination meter receives buzzer output signal (seat belt warning chime), it sounds the buzzer.
SKIB3858E
SKIB3859E
Page 1501 of 5621

DI-68
WARNING CHIME
Revision: 2006 January2006 M35/M45
Terminals and Reference Value for BCMNKS003V4
71 B Ground (Power) ON — 0 V
72 P CAN L — — — Te r m i n a l
No.Wire
colorItemCondition
Reference value
(Approx.) Ignition
switchOperation or condition
Te r m i n a l
No.Wire
colorItemCondition
Reference value
(Approx.) Ignition
switchOperation or condition
2 L/R Combination switch input 5 ONLighting switch is 1ST position
(Wiper dial position 4)
Lighting switch is OFF position 0 V
33 GR Combination switch output 4 ONLighting switch is 1ST position
(Wiper dial position 4)
Lighting switch is OFF position
37 LG Key switch signal OFFIntelligent Key is inserted into
key slot12 V
Intelligent Key is removed from
key slot0 V
38 W Ignition switch ON or START ON — Battery voltage
39 L CAN H — — —
40 P CAN L — — —
42 P Battery power supply OFF — Battery voltage
52 B Ground ON — 0 V
55 W Battery power supply OFF — Battery voltage
62 V Front door switch (driver side) OFFWhen driver side door is
opened (Door switch ON)0 V
When driver side door is closed
(Door switch OFF)12 V
PKIB4957J
PKIB4958J
PKIB4960J
Page 1503 of 5621

DI-70
WARNING CHIME
Revision: 2006 January2006 M35/M45
4. Touch “BUZZER” or “BCM”.
5. Select “DATA MONITOR”, “ACTIVE TEST” or “SELF-DIAG
RESULTS”.
DATA MONITOR
Operation Procedure
1. Touch “BUZZER” on “SELECT TEST ITEM” screen.
2. Touch “DATA MONITOR” on “SELECT DIAG MODE” screen.
3. Touch “ALL SIGNALS” or “SELECTION FROM MENU” on “DATA MONITOR” screen.
4. If “SELECTION FROM MENU” is selected, touch the desired monitor item. If “ALL SIGNALS” is selected,
all items required to control are monitored.
5. Touch “START”.
6. During monitoring, touching “RECORD” can start recording the monitored item status.
Display Item List
: Applicable
PKIB4914E
BCIA0031E
ALL SIGNALS Monitors main items.
SELECTION FROM MENU Selects and monitors items.
Display item [Unit] ALL SIGNALSSELECTION
FROM MENUDescription
IGN ON SW [ON/OFF] X X Displays [ON/OFF] condition of ignition switch.
KEY ON SW [ON/OFF] X X Displays [ON/OFF] condition of key switch.
DOOR SW-DR [ON/OFF] X X Displays [ON/OFF] condition of front door switch (driver side).
TAIL LAMP SW [ON/OFF] X X Displays [ON/OFF] condition of lighting switch.
FR FOG SW [ON/OFF] X X Displays [ON/OFF] condition of front fog lamp switch.
BUCKLE SW [ON/OFF] X X Displays [ON/OFF] condition of seat belt buckle switch (driver side).
Page 1504 of 5621

WARNING CHIME
DI-71
C
D
E
F
G
H
I
J
L
MA
B
DI
Revision: 2006 January2006 M35/M45
ACTIVE TEST
Operation Procedure
1. Touch “BUZZER” on “SELECT TEST ITEM” screen.
2. Touch “ACTIVE TEST” on “SELECT DIAG MODE” screen.
3. Touch the item to be tested, and check the operation.
4. During the operation check, touching “OFF” deactivates the operation.
Display Item List
SELF-DIAG RESULTS
Operation Procedure
1. Touch “BCM” on “SELECT TEST ITEM” screen.
2. Touch “SELF-DIAG RESULTS” on “SELECT DIAG MODE” screen.
3. Self-diagnosis results are displayed.
Display Item List
NOTE:
If “CAN communication [U1000]” is indicated, after printing the monitor item, go to “LAN system”. Refer to
LAN-7, "
Precautions When Using CONSULT-II" .
CONSULT-II Function (METER A/C AMP)NKS003V6
CONSULT-II can display each diagnostic item using the diagnostic test modes shown following.
NOTE:
For the further details, refer to DI-71, "
CONSULT-II Function (METER A/C AMP)" .
Trouble DiagnosisNKS003V7
HOW TO PERFORM TROUBLE DIAGNOSIS
1. Confirm the symptom and customer complaint.
2. Understand the outline of system. Refer to DI-60, "
System Description" .
3. Perform the preliminary inspection. Refer to DI-71, "
PRELIMINARY INSPECTION" .
4. Referring to trouble diagnosis chart, make sure the cause of the malfunction and repair or replace applica-
ble parts. Refer to DI-72, "
SYMPTOM CHART" .
5. Does warning chime system operate normally? If yes, GO TO 6. If no, GO TO 3.
6. INSPECTION END
PRELIMINARY INSPECTION
1. CHECK BCM (CONSULT-II)
Perform self-diagnosis of BCM. Refer to BCS-13, "
CONSULT-II Function (BCM)" .
Self
-diagnostic results content
No malfunction detected>> GO TO 2.
Malfunction detected>> Check applicable parts, and repair or replace corresponding parts.
Display item Description
LIGHT WARN ALM This test is able to check light warning chime operation.
IGN KEY WARN ALM This test is able to check key warning chime operation.
SEAT BELT WARN TEST This test is able to check seat belt warning chime operation.
Display item [Code] Malfunction is detected when...
CAN communication [U1000] Malfunction is detected in CAN communication.
System Diagnosis mode DescriptionReference
page
METER A/C
AMPSELF-DIAG RESULTSUnified meter and A/C amp. checks the conditions and displays
memorized error.DI-32
DATA MONITOR Displays unified meter and A/C amp. input data in real time.DI-33
Page 1505 of 5621

DI-72
WARNING CHIME
Revision: 2006 January2006 M35/M45
2. CHECK UNIFIED METER AND A/C AMP. (CONSULT-II)
Perform self-diagnosis of unified meter and A/C amp. Refer to DI-71, "
CONSULT-II Function (METER A/C
AMP)" .
Self
-diagnostic results content
No malfunction detected>> INSPECTION END
Malfunction detected>> Check applicable parts, and repair or replace corresponding parts.
SYMPTOM CHART
Meter Buzzer Circuit InspectionNKS003V8
1. CHECK OPERATION OF METER BUZZER
1. Select “BUZZER” of “BCM” on CONSULT-II.
2. Perform “LIGHT WARN ALM”, “IGN KEY WARN ALM” or “SEAT
BELT WARN TEST” of “ACTIVE TEST”.
Does meter buzzer beep?
YES >> GO TO 3.
NO >> GO TO 2.
2. CHECK UNIFIED METER AND A/C AMP. INPUT SIGNAL
1. Select “METER A/C AMP” on CONSULT-II.
2. With “DATA MONITOR”, confirm “BUZZER” under the condition
of buzzer input. (Seat belt warning chime, turn signal lamp oper-
ate, etc.)
OK or NG
OK >> Replace combination meter.
NG >> Replace BCM. Refer to BCS-17, "
Removal and Installa-
tion of BCM" .
3. CHECK BATTERY POWER SUPPLY OF COMBINATION METER
Check battery power supply of combination meter. Refer to DI-19, "
Power Supply and Ground Circuit Inspec-
tion" in combination meter.
OK or NG
OK >> GO TO 4.
NG >> Repair battery power supply circuit of combination meter.
Symptom Diagnosis/Service procedure
All warning chime systems do not activate. Perform DI-72, "
Meter Buzzer Circuit Inspection" .
Light warning chime does not activate.Perform the following inspections.
1.DI-73, "
Lighting Switch Signal Inspection"
2.DI-73, "Front Door Switch (Driver Side) Signal Inspection"
Replace BCM, found normal function in the above inspections.
Seat belt warning chime does not activate.Perform DI-74, "
Seat Belt Buckle Switch Signal Inspection" .
Replace BCM, found normal function in the above inspection.
SKIA6331E
“BUZZER”
Under the condition of buzzer input : ON
Except above : OFF
PKIA2063E
Page 1506 of 5621

WARNING CHIME
DI-73
C
D
E
F
G
H
I
J
L
MA
B
DI
Revision: 2006 January2006 M35/M45
4. CHECK BATTERY POWER SUPPLY OF UNIFIED METER AND A/C AMP.
Check battery power supply of unified meter and A/C amp. Refer to DI-35, "
Power Supply and Ground Circuit
Inspection" in unified meter and A/C amp.
OK or NG
OK >> Replace BCM. Refer to BCS-17, "Removal and Installation of BCM" .
NG >> Repair battery power supply circuit of unified meter and A/C amp.
Lighting Switch Signal InspectionNKS003V9
1. CHECK BCM INPUT SIGNAL
1. Select “BCM” on CONSULT-II.
2. With “DATA MONITOR” of “BUZZER”, confirm “TAIL LAMP SW”
when the lighting switch is operated.
OK or NG
OK >> Lighting switch signal is OK. Return to DI-72, "SYMP-
TOM CHART" .
NG >> Check the lighting switch. Refer to LT- 2 3 0 , "
Switch Cir-
cuit Inspection" .
Front Door Switch (Driver Side) Signal InspectionNKS003VA
1. CHECK BCM INPUT SIGNAL
With CONSULT-ll
1. Select “BCM” on CONSULT-II.
2. With “DATA MONITOR” of “BUZZER”, confirm “DOOR SW-DR”
when the driver side door is opened/closed.
Without CONSULT-ll
Check voltage between BCM harness connector and ground.
OK or NG
OK >> Front door switch (driver side) signal is OK. Return to
DI-72, "
SYMPTOM CHART" .
NG >> GO TO 2.“TAIL LAMP SW”
Lighting switch ON (1st position) : ON
Lighting switch OFF : OFF
PKIC0697E
“DOOR SW-DR”
When driver side door is opened : ON
When driver side door is closed : OFF
SEL502W
Terminals
Condition
Voltage
(Approx.) (+)
(–)
BCM
connectorTerminal Driver side door:
M3 62 GroundOpen 0 V
Close 12 V
PKIB7662E
Page 1511 of 5621

DI-78
LANE DEPARTURE WARNING SYSTEM
Revision: 2006 January2006 M35/M45
LANE DEPARTURE WARNING SYSTEM PFP:28442
Precautions for Lane Departure Warning (LDW) systemNKS003VF
WAR NING :
Lane Departure Warning (LDW) is only a warning device to inform the driver of an unintended lane
departure. It will not steer the vehicle or prevent loss of control. It is the driver's responsibility to stay
alert, drive safely, keep the vehicle in the traveling lane, and be in control of the vehicle at all times.
LDW system does not operate under the following conditions:
–At speeds below approx. 72 km/h (45 MPH).
–If it cannot detect lane markers.
LDW system may not function properly under the following conditions:
–On roads where a water puddle, dirt or snow is covering the lane markers.
–On roads where the lane markers are faded or are not painted clearly.
–On roads where the lane markers are painted yellow.
LDW system may not monitor the lane markers in certain road, weather or driving conditions.
–On roads where there are sharp curves.
–Where the traveling lane merges or separates.
–On roads where the discontinued lane markers are present, such as near tollgates, etc.
–On roads where there are not general lane markers.
–On roads where the lane width is too narrow.
–During bad weather (rain, fog, snow, etc.).
–When strong light (for example, at sunrise or sunset) is directly shining on the front of the vehicle.
–When entering or exiting a tunnel where sudden changes in brightness occur.
–When traveling close to the vehicle in front of you, which causes obstruction of the camera unit
range.
–When the vehicle's traveling direction does not align with the lane marker.
–When rain, snow or dirt adhere to the windshield in front of the camera unit.
Excessive noise interferes with warning system chime sound and the chime may not be heard.
CAUTION:
To keep the LDW system operating properly, be sure to observe the following:
Always keep the windshield clean. The sensing capability of the camera unit depends on the con-
dition of the windshield. See “Appearance and care” for cleaning instruction.
Never strike or damage the areas around the camera unit.
Never touch the camera lens.
Never attach a sticker (including transparent material) or install an accessory near the camera
unit.
Never place reflective materials, such as a white paper or mirrors on the instrument panel. Reflec-
tion of the sunlight may adversely affect the camera unit's lane marker detection capability.
System DescriptionNKS003VG
LDW SYSTEM OPERATION
The Lane Departure Warning (LDW) system warns the driver when the vehicle is traveling close to either
the left or the right of the traveling lane.
The system monitors lane markers of the traveling lane using the LDW camera unit. When the LDW cam-
era unit detects that the vehicle is traveling close to either the left or the right of the traveling lane, the
LDW indicator lamp flashes and a chime sounds to alert the driver.
NOTE:
When activating turn signal, LDW system does not give a warning to the lane marker on the turn signal
side.
The LDW system can be turned on or off by pushing the LDW switch. When the system is on, the LDW
system ON indicator illuminates.
The LDW system has an automatic mode and manual mode.
Page 1512 of 5621

LANE DEPARTURE WARNING SYSTEM
DI-79
C
D
E
F
G
H
I
J
L
MA
B
DI
Revision: 2006 January2006 M35/M45
In the automatic mode
–LDW system automatically turns on, when the ignition switch is turned to the ON position.
–LDW system ON indicator located on the LDW switch illuminates, indicating that the system is on.
–To cancel LDW system, push the LDW switch to turn off LDW system ON indicator.
–To turn on the system, push LDW switch again.
In the manual mode
–LDW system is still off when the ignition switch is turned to the ON position.
–The LDW switch must be pushed to turn on the system.
To the change modes
–Push and hold LDW switch for more than 4 seconds, when LDW system ON indicator is off.
–Then LDW chime sounds and blinking of LDW system ON indicator informs that the mode change is com-
pleted.
Temporary disabled status at high temperature
–If the vehicle is parked in direct sunlight under high temperature conditions [approximately over 104 F (40
C)] and then started, the LDW system may sound a chime and cancel automatically. Then LDW system
ON indicator will blink.
–When the interior temperature is reduced, the system will resume to operate automatically and the LDW
system ON indicator illuminates.
Warning Function
SKIB1783E
Page 1516 of 5621

LANE DEPARTURE WARNING SYSTEM
DI-83
C
D
E
F
G
H
I
J
L
MA
B
DI
Revision: 2006 January2006 M35/M45
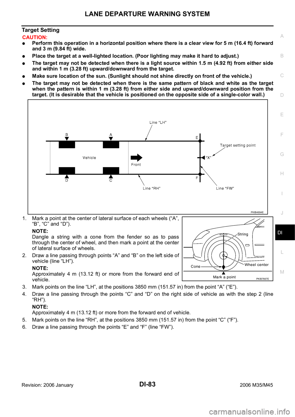
Target Setting
CAUTION:
Perform this operation in a horizontal position where there is a clear view for 5 m (16.4 ft) forward
and 3 m (9.84 ft) wide.
Place the target at a well-lighted location. (Poor lighting may make it hard to adjust.)
The target may not be detected when there is a light source within 1.5 m (4.92 ft) from either side
and within 1 m (3.28 ft) upward/downward from the target.
Make sure location of the sun. (Sunlight should not shine directly on front of the vehicle.)
The target may not be detected when there is the same pattern of black and white as the target
when the pattern is within 1 m (3.28 ft) from either side and upward/downward position from the
target. (It is desirable that the vehicle is positioned on the opposite side of a single-color wall.)
1. Mark a point at the center of lateral surface of each wheels (“A”,
“B”, “C” and “D”).
NOTE:
Dangle a string with a cone from the fender so as to pass
through the center of wheel, and then mark a point at the center
of lateral surface of wheels.
2. Draw a line passing through points “A” and “B” on the left side of
vehicle (line “LH”).
NOTE:
Approximately 4 m (13.12 ft) or more from the forward end of
vehicle.
3. Mark points on the line “LH”, at the positions 3850 mm (151.57 in) from the point “A” (“E”).
4. Draw a line passing through the points “C” and “D” on the right side of vehicle as with the step 2 (line
“RH”).
NOTE:
Approximately 4 m (13.12 ft) or more from the forward end of vehicle.
5. Mark points on the line “RH”, at the positions 3850 mm (151.57 in) from the point “C” (“F”).
6. Draw a line passing through the points “E” and “F” (line “FW”).
PKIB4694E
PKIB7667E