light INFINITI M35 2006 Factory Service Manual
[x] Cancel search | Manufacturer: INFINITI, Model Year: 2006, Model line: M35, Model: INFINITI M35 2006Pages: 5621, PDF Size: 65.56 MB
Page 4545 of 5621

LT-118
AUTO LIGHT SYSTEM
Revision: 2006 January2006 M35/M45
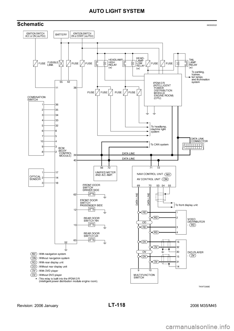
SchematicNKS003Q3
TKWT3368E
Page 4546 of 5621

AUTO LIGHT SYSTEM
LT-119
C
D
E
F
G
H
I
J
L
MA
B
LT
Revision: 2006 January2006 M35/M45
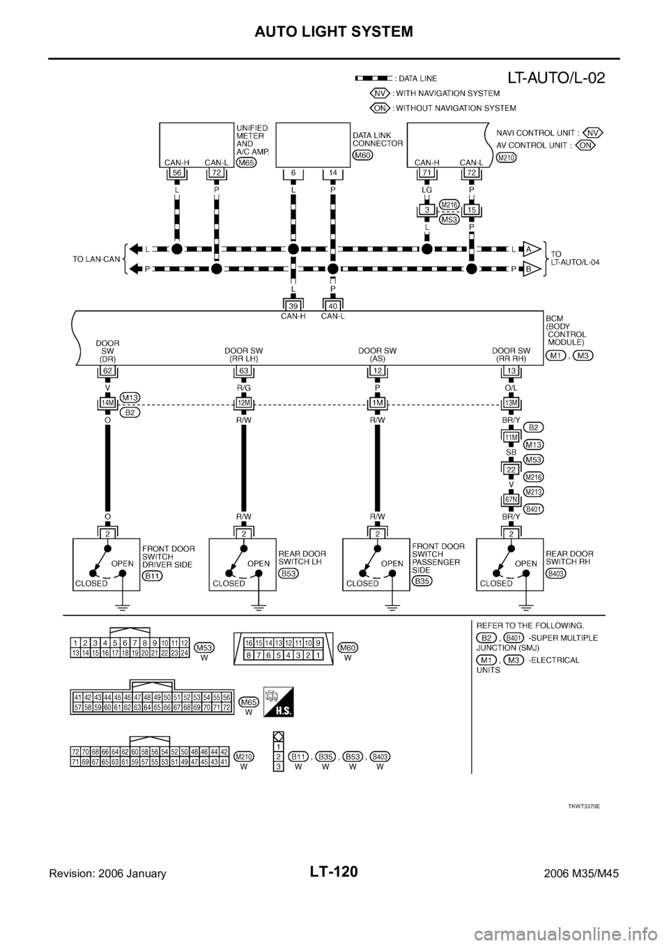
Wiring Diagram — AUTO/L —NKS003Q4
TKWT3369E
Page 4547 of 5621

LT-120
AUTO LIGHT SYSTEM
Revision: 2006 January2006 M35/M45
TKWT3370E
Page 4548 of 5621

AUTO LIGHT SYSTEM
LT-121
C
D
E
F
G
H
I
J
L
MA
B
LT
Revision: 2006 January2006 M35/M45
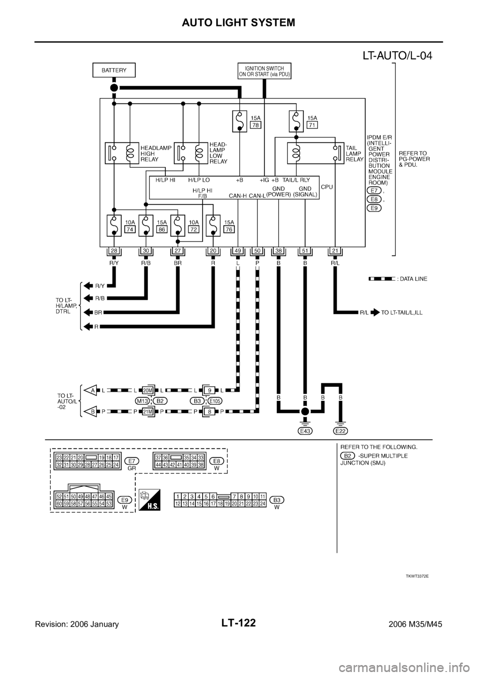
TKWT3371E
Page 4549 of 5621

LT-122
AUTO LIGHT SYSTEM
Revision: 2006 January2006 M35/M45
TKWT3372E
Page 4550 of 5621

AUTO LIGHT SYSTEM
LT-123
C
D
E
F
G
H
I
J
L
MA
B
LT
Revision: 2006 January2006 M35/M45
Terminals and Reference Values for BCMNKS003Q5
CAUTION:
Check combination switch system terminal waveform under the loaded condition with lighting
switch, turn signal switch and wiper switch OFF not to be fluctuated by overloaded.
Turn wiper dial position to 4 except when checking waveform or voltage of wiper dial position.
Wiper dial position can be confirmed on CONSULT-II. Refer to LT-129, "
DATA MONITOR" .
Terminal
No.Wire
colorSignal nameMeasuring condition
Reference value
Ignition
switchOperation or condition
4R/GCombination
switch input 3ONLighting, turn, wiper
OFF
(Wiper dial position 4)Lighting switch AUTO
Approx. 1.0V
OFF Approx. 0V
11 VIgnition switch
(ACC)ACC — Battery voltage
12 PFront door switch
passenger side
signalOFFFront door switch pas-
senger sideON (open) Approx. 0V
OFF (closed)
Approx. 8.0 - 8.5V
13 O/LRear door switch
RH signalOFF Rear door switch RHON (open) Approx. 0V
OFF (closed)
Approx. 8.5 - 9.0V
14 W/BOptical sensor
signalONWhen optical sensor is illuminated.
3.1V or more
NOTE
When optical sensor is not illuminated. 0.6V or less
17 YOptical sensor
power supplyON — Approx. 5V
18 BOptical sensor
groundON — Approx. 0V
PKIB4957J
SKIB3419J
SKIB4865E
Page 4551 of 5621

LT-124
AUTO LIGHT SYSTEM
Revision: 2006 January2006 M35/M45
NOTE:
Optical sensor must be securely subjected to work lamp light. If the optical sensor is insufficiently illuminated, the measured value may
not satisfy standard.33 GRCombination
switch output 4ONLighting, turn, wiper
OFF
(Wiper dial position 4)Lighting switch AUTO
Approx. 1.2V
OFF
Approx. 7.0 - 7.5V
38 WIgnition switch
(ON) ON — Battery voltage
39 L CAN
H — — —
40 P CAN
L — — —
42 PBattery power
supplyOFF — Battery voltage
52 B Ground ON — Approx. 0V
55 WBattery power
supplyOFF — Battery voltage
62 VFront door switch
driver side signalOFFFront door switch
driver sideON (open) Approx. 0V
OFF (closed)
Approx. 7.5 - 8.0V
63 R/GRear door switch
LH signalOFF Rear door switch LHON (open) Approx. 0V
OFF (closed)
Approx. 7.5 - 8.0V Te r m i n a l
No.Wire
colorSignal nameMeasuring condition
Reference value
Ignition
switchOperation or condition
PKIB4958J
PKIB4960J
PKIB4960J
PKIB4960J
Page 4552 of 5621

AUTO LIGHT SYSTEM
LT-125
C
D
E
F
G
H
I
J
L
MA
B
LT
Revision: 2006 January2006 M35/M45
Terminals and Reference Values for IPDM E/RNKS003Q6
How to Perform Trouble DiagnosesNKS003Q7
1. Confirm the symptom or customer complaint.
2. Understand operation description and function description. Refer to LT- 11 6 , "
System Description" .
3. Perform the Preliminary Check. Refer to LT- 1 2 6 , "
Preliminary Check" .
4. Check symptom and repair or replace the cause of malfunction. Refer to LT-130, "
Symptom Chart" .
5. Does the auto light system operate normally? If YES, GO TO 6. If NO, GO TO 4.
6. INSPECTION END.
Terminal
No.Wire
colorSignal nameMeasuring condition
Reference value
Ignition
switchOperation or condition
20 R Headlamp low (RH) ONLighting switch 2ND
positionOFF Approx. 0V
ON Battery voltage
21 R/LParking, license plate,
and tail lampONLighting switch 1ST
positionOFF Approx. 0V
ON Battery voltage
27 BR Headlamp high (RH) ONLighting switch HIGH
or PASSING positionOFF Approx. 0V
ON Battery voltage
28 R/Y Headlamp high (LH) ONLighting switch HIGH
or PASSING positionOFF Approx. 0V
ON Battery voltage
30 R/B Headlamp low (LH) ONLighting switch 2ND
positionOFF Approx. 0V
ON Battery voltage
38 B Ground ON — Approx. 0V
49 L CAN
H — — —
50 P CAN
L — — —
51 B Ground ON — Approx. 0V
Page 4553 of 5621

LT-126
AUTO LIGHT SYSTEM
Revision: 2006 January2006 M35/M45
Preliminary CheckNKS003Q8
SETTING CHANGE FUNCTIONS
Sensitivity of auto light system can be adjusted using CONSULT-II. Refer to LT-128, "WORK SUPPORT" .
CHECK POWER SUPPLY AND GROUND CIRCUIT
1. CHECK FUSE AND FUSIBLE LINK
Check for blown fuses.
Refer to LT-119, "Wiring Diagram — AUTO/L —" .
OK or NG
OK >> GO TO 2.
NG >> If fuse or fusible link is blown, be sure to eliminate cause of malfunction before installing new fuse
or fusible link. Refer to PG-3, "
POWER SUPPLY ROUTING CIRCUIT" .
2. CHECK POWER SUPPLY CIRCUIT
1. Turn ignition switch OFF.
2. Disconnect BCM connector.
3. Check voltage between BCM harness connector and ground.
OK or NG
OK >> GO TO 3.
NG >> Repair harness or connector.
Unit Power source Fuse and fusible link No.
BCMBatteryF
21
Ignition switch ON or START position 1
Ignition switch ACC or ON position 6
IPDM E/R Battery71
72
74
76
78
86
Terminal Ignition switch position
(+)
(-) OFF ACC ON
BCM
connectorTerminal
M111
GroundApprox. 0VBattery
voltageBattery
voltage
38 Approx. 0V Approx. 0VBattery
voltage
M242Battery
voltageBattery
voltageBattery
voltage
55Battery
voltageBattery
voltageBattery
voltage
PKIA5204E
Page 4554 of 5621

AUTO LIGHT SYSTEM
LT-127
C
D
E
F
G
H
I
J
L
MA
B
LT
Revision: 2006 January2006 M35/M45
3. CHECK GROUND CIRCUIT
Check continuity between BCM harness connector and ground.
OK or NG
OK >> INSPECTION END
NG >> Check harness ground circuit.
CONSULT-II Functions (BCM)NKS003Q9
CONSULT-II can display each diagnostic item using the diagnostic test mode shown following.
CONSULT-II BASIC OPERATION
CAUTION:
If CONSULT-II is used with no connection of CONSULT-II CONVERTER, malfunctions might be
detected in self-diagnosis depending on control unit which carry out CAN communication.
1. With the ignition switch OFF, connect CONSULT-II and CON-
SULT-II CONVERTER to the data link connector, and then turn
ignition switch ON.
2. Touch “START (NISSAN BASED VHCL)”.
BCM connector Terminal
GroundContinuity
M2 52 Yes
SKIB5125E
BCM diagnosis part Diagnosis mode Description
HEADLAMPWORK SUPPORT Changes the setting for each function.
DATA MONITOR Displays BCM input data in real time.
ACTIVE TEST Operation of electrical loads can be checked by sending drive signal to them.
BCMSELF-DIAG RESULTS BCM performs self-diagnosis of CAN communication.
CAN DIAG SUPPORT MNTR The result of transmit/receive diagnosis of CAN communication can be read.
SKIB3794E
BCIA0029E